You are currently viewing a new version of our website. To view the old version click .
Applied Sciences
  • Article
  • Open Access

29 December 2023

Designing an Automatic Frequency Stabilization System for an External Cavity Diode Laser Using a Data Acquisition Card in the LabVIEW Platform

,
,
,
and
1
College of Electrical Engineering, Naval University of Engineering, Wuhan 430033, China
2
College of Ordnance Engineering, Naval University of Engineering, Wuhan 430033, China
*
Author to whom correspondence should be addressed.

Abstract

The frequency stability of free-running lasers is susceptible to the influence of environmental factors, which cannot meet the long-term frequency stabilization requirements for atom interferometry precision measurements. To obtain a frequency-stabilized 780 nm laser beam, an automatic frequency stabilization system for an external cavity diode laser (ECDL) based on rubidium (Rb) atomic saturated absorption spectrum was designed using a commercial data acquisition (DAQ) card. The signals acquired by the A/D terminal are processed and analyzed by LabVIEW, which can automatically identify all the locking points and output the piezoelectric ceramic transducer (PZT) scan and digital feedback through the D/A terminal. The experimental results show that the system can lock to six different frequencies separately and realize automatic relocking within 3.5 s after unlocking. The system has a stability of 1.68 × 10−10@1 s and 4.77 × 10−12@1000 s, which meets the laboratory’s requirements for atomic interference experiments.

1. Introduction

Laser frequency stabilization technology has a wide range of applications in quantum optics, precision measurement, laser spectroscopy, gravitational wave detection, and other fields [1,2,3,4,5]. Especially in the precision measurement of atomic interference, a series of light sources such as cooling light, pump light, Raman light, and detection light are required. The quality of the light affects the performance of the atom interferometer in different degrees, so the laser’s linewidth, frequency accuracy, and stability are highly required [6]. Because of the influence of temperature, current, and mechanical vibration, the frequency of free-running lasers will drift. Laser frequency stabilization requires locking the laser to a specific frequency source, such as an atomic transition line with good center frequency stability and narrower linewidth. The following frequency stabilization methods have been used in the past: saturation absorption spectroscopy (SAS) method [7], modulation transfer spectroscopy (MTS) method [8], polarization spectroscopy (PS) method [9], dichroic atomic vapor laser lock (DAVLL) method [10], frequency modulation spectroscopy (FMS) method [11], etc. Among them, the optical path of SAS is easy to integrate and is a simple and effective method for obtaining high-resolution spectra [12].
The frequency stabilization control system can be divided into analog circuit control and digital control. R. Zhang et al. used analog circuits to achieve laser frequency stability, and the frequency stability can reach 1.6 × 10−12@100 s [13]. Analog circuits can only be adjusted and optimized by changing component parameters, which are challenging to upgrade and maintain and have poor versatility. Q. Li et al. designed a closed-loop frequency stabilization control system based on MTS using a commercial server (Digilock 110) with a frequency stability of 1.2 × 10−12@30 s [14]. The commercial server has the advantages of high precision and good performance, but it also faces the problems of high cost, large size, and difficult maintenance. L. Couturier et al. used a commercial wavemeter to achieve laser frequency stabilization, and an absolute Allan deviation below 10−9 over 10 h was achieved [15]. A wavemeter can only be locked in a specific wavelength range, and a high-precision wavemeter is more expensive. Y. Zhang et al. designed an automatic frequency stabilization system based on microcontroller unit (MCU) digital assistance with a frequency stability of 8.39 × 10−11@1 s and 7.99 × 10−12@1024 s [16]. MCU is limited by its performance and cannot implement complex digital algorithms. W. Geng et al. designed a digital frequency stabilization system based on a field programmable gate array (FPGA) and long-term frequency stability up to 10−11 [17]. J. Xiang et al. created an automatic frequency stabilization system based on digital signal processing (DSP) technology [18]. The above digital control is written in code, is easy to modify, and can save cost to a certain extent, but providing a convenient observation interface is challenging. R. Xie designed an automatic frequency stabilization system based on MTS by controlling FPGA through LabVIEW programming with frequency stability up to 1.3 × 10−9@1 s and 3 × 10−11@2000 s [19], but the threshold could only be judged once, and multiple absorption lines could not be selected and locked. L. Dong et al. adopted the frequency stabilization system of a computer with a DAQ card to realize automatic locking to the center of any selected gas absorption line [20]. Still, they could not realize relocking after the system lost lock.
This work used an NI commercial DAQ card (USB-6211) to construct a laser automatic frequency stabilization system with a friendly interactive interface for 780 nm ECDLs. PZT scanning was performed at the D/A terminal of the DAQ card driven by the computer, and the SAS was synchronously acquired at the A/D terminal. LabVIEW differentiates the SAS signal to obtain the error signal, smooth filtering, incremental PI feedback control, rescanning, etc. The laser automatic frequency stabilization system based on the DAQ card can identify all spectral lines for locking and quickly rescan and lock again after the laser is unlocked. It provides a simple, practical, and low-cost automatic frequency stabilization strategy for the laser.

2. Principle and Overall Design of Frequency Stabilization System

2.1. Basic Principle

The Rb element contains two isotopes, 85Rb and 87Rb, with natural abundances of 72.15% and 27.85%, respectively. Figure 1 shows the hyperfine energy level structure of the Rb atom [21,22,23], and its transitions from 52S1/2 to 52P3/2 and 52P3/2 are respectively called D1 and D2 lines. The numbers between energy levels represent the energy level spacing (unit MHz).
Figure 1. Hyperfine energy level structure of the Rb atom.
The laser from the same laser is split into a stronger pump light and a weaker probe light. When the laser frequency scans the transition line of the atoms, the group of atoms with zero velocity along the laser beam axis absorbs photons from both beams. The atoms are saturated with the pump light absorption of high power, so the absorption of the probe light is weak, resulting in strong transmission of the probe light. The raised peak is observed on the absorption spectrum, i.e., the intrinsic saturation absorption peak, and the corresponding spectral line is called the SAS. In addition, cross-saturation absorption peaks occur on the SAS when the frequency is scanned to the crossing line of the atoms [12]. Figure 2 shows the corresponding saturated absorption peaks are the Fg = 2→Fe2 = (1,3) cross line (C13), Fg = 2→Fe2 = (2,3) cross line (C23), and Fg = 2→Fe2 = 3 transition line (T3) of 87Rb and Fg = 3→Fe2 = (2,4) cross line (C24), Fg = 3→Fe2 = (3,4) cross line (C34), and Fg = 3→Fe2 = 4 transition line (T4) of 85Rb, and the corresponding wavelengths and frequencies are shown in Table 1.
Figure 2. SAS of the Rb D2 line transition.
Table 1. Frequency and wavelength of the saturated absorption peak of Rb atoms in vacuum [22,23].
Laser frequency stabilization is a dynamic balance process, and the control system constantly compares the laser frequency with the reference frequency to generate an error signal. The error signal is not zero when the reference frequency offsets the laser frequency. The signal is fed back to the current or external cavity of the ECDL through a feedback loop, which dynamically compensates for the change in the laser frequency and makes it return to the reference frequency to achieve frequency stabilization [24]. The differential curve of SAS is used as the error signal to reduce Doppler background noise and improve the signal-to-noise ratio (SNR). Figure 3a–c, respectively, show the primary, secondary, and tertiary differential curves of Rb atomic SAS (In Figure 2). We can see that the amplitude changes significantly at the saturation absorption peak, while it is almost zero at other positions. The secondary differential curve is not zero at the center of the spectral line. It cannot distinguish between positive and negative laser frequency detunings. Compared to the tertiary differential curve, the linear region of the zero crossing of the primary differential curve is wider, and the signal amplitude is larger, which helps to improve the long-term locking ability of the frequency stabilization system [25].
Figure 3. (a) Primary, (b) secondary, and (c) tertiary differential curves of Rb atomic SAS.

2.2. Overall Design of Frequency Stabilization System

The structure block diagram of the frequency stabilization system is shown in Figure 4a. The 780 nm ECDL is used, and the supporting control box includes temperature, current, and PZT control modules, which adjust the temperature, current, and external cavity length of ECDL, respectively, to tune the laser frequency. The computer adjusts the temperature and current through the serial port, and the PZT scanning voltage is output from the DAQ card (16-bit A/D, 16-bit D/A).
Figure 4. (a) Block diagram of the frequency stabilization system structure. (b) The physical diagram of the frequency stabilization system. (c) The interactive interface of the frequency stabilization system.
In the optical path part, an optical isolator (OI) prevents the effect of optical feedback on frequency stability. The light from the ECDL is converted into spatial light through a polarization-maintaining fiber (PMF). The half-wave plate (HWP) and polarizing beam splitter (PBS) structure adjust the splitting ratio of the emitted light and light used for frequency stabilization. The cylindrical transparent glass cell (L = 75 mm, Φ = 25.4 mm) is filled with naturally abundant Rb atoms, and its temperature is stabilized at 23 °C by a temperature controller. 90:10 (T:R) generates pump light with strong transmission and probe light with weak reflection. 50:50 (T:R) reflects the pump light vertically into the Rb cell, so that it coincides with the probe light. A photodetector (PD) receives the light intensity of the light passing through the Rb cell. The physical diagram of the frequency stabilization system is shown in Figure 4b.
In the adjustment of laser frequency, regulating the temperature response is slow and regulating the current easily causes the laser mode to hop, while the PZT has the characteristics of a short response time and fine regulation scale [26]. Therefore, in this experiment, the laser temperature is stabilized at a constant value, the laser current is set at a suitable position, and the PZT voltage is adjusted to realize the frequency scanning. When the pump light and probe light powers are approximately about 0.08 mW and 0.3 mW, respectively, the SAS signal can be observed in Figure 4c. The laser frequency adjustment is realized by outputting the PZT scanning signal through the D/A terminal of DAQ. The electrical signal on the PD is collected at the A/D terminal, and through a series of signal processing, the PZT reference voltage is obtained when the frequency is stabilized, which is fed back to the PZT control module to regulate the PZT voltage and the laser frequency stabilization. The interactive interface of the frequency stabilization system is shown in Figure 4c.

3. Software Design of Frequency Stabilization System

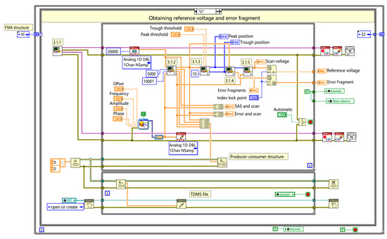
The software is written based on the LabVIEW platform and adopts the production-consumer and finite state machine (FSM) structures. The producer-consumer structure completes the data transfer between multi-While loops through queues. It saves the SAS signal, error signal, and scanning signal as technical data management streaming (TDMS) files, which is convenient for subsequent analysis and processing. The FSM structure mainly jumps or loops between the states of initialization (S0), waiting for the key to be pressed (S1), obtaining the reference voltage and error fragment (S2), incremental PI control (S3), and automatic relock (S4), where the program for S2 is shown in Figure 5. After the program is powered on, the system enters S0 to recover the key state and clear the interface data. When the “Obtain reference” key is pressed, the state jumps from S1 to S2, obtaining the reference voltage and error fragment. When the “Automatic” key is pressed, the state jumps to S3 to realize closed-loop control. If the system is unlocked, it will jump to S4 to rescan. When scanning to the desired lock point, jump back to S3 to realize the automatic frequency stabilization of the system. The following mainly analyzes S2, S3, and S4.
Figure 5. Obtaining reference voltage and error fragment program.

3.1. Obtaining Reference Voltage and Error Fragment (S2)

S2 consists of 5 sub-vi: input/output synchronization of DAQ card, differentiation to obtain the error signal, peak position extraction of the error signal, error signal over-zero position and error fragment extraction, and reference voltage extraction of PZT.

3.1.1. Input/Output Synchronization of DAQ Card

Input/output synchronization of the DAQ card program is shown in Figure A1 of the Appendix A. “ai/StartTriggger” was used as the trigger signal of ao0 to realize the simultaneity of input/output tasks. The sampling rates were all set to 100 kS/s (1 k = 103), and the sequential structure was adopted to ensure that the input/output tasks enter into the While loop synchronization. We can see from Figure 5 that if the scanning signal is 5 Hz, the number of samples per channel can be set to 20 k. After the While loop runs every 0.2 s and processing of the 20 k data points.

3.1.2. Differentiation to Obtain the Error Signal

It can be seen in Figure 4c that one scan cycle contains a scanning signal of 20 k data points, corresponding to two cycles of SAS, and the data points from 5 k to 15 k contain a complete set of 6 saturation absorption peaks. Figure A2 of the Appendix A shows the differential to obtain the error signal program, setting the starting value of the intercept to 5 k, the length of the intercept to 10,001 points, and solving for primary differential of the signal. Because of the discontinuity of the collected data, the differential results of the two data points before and after are invalid [27]. Thus, they are split, and 9997 points are saved in each While loop. In the differential processing, the noise will be amplified, and the DAQ card also has periodic random noise, so the signal needs to be smoothed. Figure 6a,b show the original error signal and the smoothed 40 points of the error signal, respectively. It can be seen that the SNR of the original error signal is poor, and the peak cannot be detected. After smoothing, the noise is effectively suppressed, and the peak threshold can be visualized. After the signal has been processed by differentiation, splitting, and smoothing, the scanning signal with the corresponding SAS signal and error signal can be obtained, as shown in Figure 6c.
Figure 6. (a) The original error signal and (b) the smoothed 40 points of the error signal. (c) The scanning signal with the corresponding SAS signal and error signal.

3.1.3. Peak Position Extraction of the Error Signal

We can see from Figure 6b that in order to extract the 6 peak and valley positions of the error signal, the peak threshold can be set to ±5 × 10−4. After the error signal passes through the “Peak Detector.vi” of LabVIEW, the positions of the peak and the valley are extracted sequentially, and the corresponding program is shown in Figure A3 of the Appendix A. To weaken the effect of random noise, the number of peaks and valleys was set to 6, and we extracted the position of each peak and valley only when the position difference was within 100.

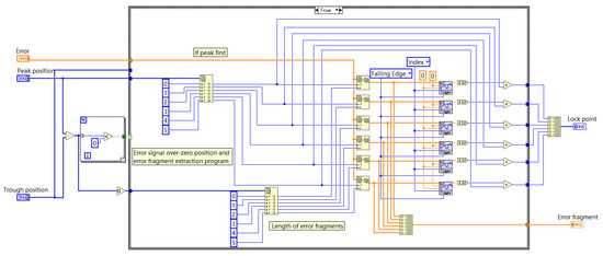
3.1.4. Error Signal Over-Zero Position and Error Fragment Extraction

The phase of the scanning signal can be set to 0~360°, so the error signal may be the peak or the trough first, and the following is analyzed with the peak first. The error signal over-zero position and the error fragment extraction program are shown in Figure A4 of the Appendix A. The positions of the 6 peaks are intercepted backwards to the length of the difference between the peak and valley positions. Then 6 error segments with different trends can be obtained, as shown in Figure 7. For error segments through “Basic Level Trigger Detector.vi” of LabVIEW, the falling edge triggered by the zero-level is the lock point.
Figure 7. 6 error fragments of the error signal.

3.1.5. Reference Voltage Extraction of PZT

The position of the zero point can obtain the reference voltage. Because the scanning signal has a linear correspondence with the position of the error signal, the position of the locking point allows indexing the value of the scanning voltage at that point, i.e., the desired reference voltage, and the reference voltage extraction program is shown in Figure A5 of the Appendix A. These voltages will depend on the temperature and current of the ECDL. For example, for the data shown in Figure 4 in this study, the scanning voltage offsets of the 6 locking points are 4.18646 V, 4.31604 V, 4.53534 V, 6.18896 V, 6.23666 V, and 6.33136 V, which are fitted with the frequencies and wavelengths in Table 1. We can see that the scanning voltages and the changes in the laser frequencies and wavelengths have a good degree of linearity, as shown in Figure 8. It can be concluded that the slope of the error signal is proportional to the frequency offset of the light, so the center frequency of the SAS corresponds to the over-zero position of the error signal. The scanning voltage value indexed by the over-zero position of the error signal is the initial feedback value of the PZT voltage.
Figure 8. Fitting curve of locking point scanning voltage with corresponding frequency and wavelength.

3.2. Incremental PI Control (S3)

PID control is also known as proportional (kp), integral (ki), and differential (kd) control. The principle is to give feedback on the system error e(t) between the expected value and the actual output value u(t) to the controlled object after the combination of proportion, integral, and differential so that the actual output value u(t) is always close to the expected value, to realize the tracking control of the controlled object. The relationship between the output u(t) and the error signal e(t) is as follows:
u ( t ) = k p e ( t ) + k i t = 1 t e ( t ) + k d [ e ( t ) e ( t 1 ) ]
The above equation can be rewritten in the form of an incremental PID, and the function relationship is as follows:
Δ u ( t ) = u ( t ) u ( t 1 ) = ( k p + k i + k d ) e ( t ) ( k p + 2 k d ) e ( t 1 ) + k d e ( t 2 ) u ( t ) = Δ u ( t ) + u ( t 1 )
It shows that the actual output u(t) is based on u(t − 1) at time t − 1, and the change Δu(t) at time t is increased, i.e., incremental. Δu(t) is only related to the error of the last three moments. The calculation is fast, and there is no cumulative error. The incremental PI control program is shown in Figure 9. After obtaining the voltage reference value, it is transmitted to the initial amplitude of PZT through local variables, and the closed-loop control is performed through a shift register in the While loop. Here, kp = 1.1 × 10−3, ki = 1.3 × 10−4, kd = 0, i.e., incremental PI control. When the conditions e(t) are greater than 6 × 10−5 (reflect error change), or the SAS signal is less than 0.1 (indicating that the PD does not detect the incident light) and is not satisfied, it means that the closed-loop control is only normally working, and the frequency stabilization system is locked at the required frequency.
Figure 9. Incremental PI control program.

3.3. Automatic Relock (S4)

Automatic frequency stabilization is based on a closed-loop control that automatically turns on the scanning signal to find the lock point again when the system is unlocked. The automatic relock program is shown in Figure 10. The error segments acquired by rescanning will be matched with those acquired for the first time. The correlation coefficient function of LabVIEW is only related to the trend of curve change and not to the amplitude change. If the correlation coefficient of the error fragments extracted before and after is greater than or equal to 0.92, we consider that the error fragment of the automatic relocks has been found [19], update the corresponding reference voltage as the initial amplitude of the PZT output, and then jump back to S3 again.
Figure 10. Automatic relock program.

4. Analysis of Experimental Results

4.1. Frequency Accuracy Test

The frequencies of the six locking points were tested and measured when the laser was locked using a 780 nm wavelength meter BRISTOL 671A (wavelength accuracy ±0.2 ppm) [28]. After the laser frequency is stabilized, the data is continuously collected at 250 s, as shown in Figure 11. We can see that the wavelength offsets are all within ±0.2 ppm, with good frequency accuracy.
Figure 11. Wavelength changes after frequency locking.

4.2. Linewidth and Discriminant Sensitivity Measurements

The linewidth of the spectral line is generally defined as the full width at half maximum (FWHM), i.e., the width of the spectral peak. The multi-peak Lorentz fit to the SAS signal was performed by Origin, and the curve after subtracting the baseline is shown in Figure 12a. The laser frequency offset has a linear relationship with the scanning voltage, so the spacing of the saturated absorption peaks is proportional to the energy level spacing, and the corresponding linewidths can be measured using the scale method [29]. The following analysis takes T3 as an example. The energy level distance from C23 to T3 is 267 MHz/2 = 133.5 MHz. After Lorentz fitting, the FWHM of T3 can be obtained as 73. The spectrum linewidth of the T3 saturated absorption peak is calculated to be 73/616 × 133.5 = 15.82 MHz. The slope of the zero-crossing point of the error signal reflects the frequency discrimination sensitivity, and the higher the value, the better the frequency stabilization effect. The slope of the over-zero point of the error signal is shown in Figure 12b. Firstly, the scale method is used to obtain the linewidth corresponding to the linear region of the zero crossing point of the error curve, which is 63/616 × 133.5 = 13.65 MHz. Then, draw the frequency discrimination sensitivity kf = 1.22 × 10−3 V/13.65 MHz = 8.94 × 10−5 V/MHz.
Figure 12. Measurement of (a) linewidth of SAS and (b) frequency discrimination sensitivity.

4.3. Frequency Stability Estimation

Frequency stability σf refers to the ratio of the amount of frequency variation (Δv) to the average frequency ( v ¯ ) over a certain period of time when the laser is in continuous operation, i.e., σf = Δv/ v ¯ [30]. Obviously, the smaller the amount of variation Δv is, the smaller σf is, indicating better frequency stabilization. Measuring frequency stability requires lasers to beat frequency, and a simple estimation method is used here [29,31]. We can see that through the frequency discrimination sensitivity kf, the relationship between error voltage and frequency can be obtained. Figure 13a shows the error signal recorded when the system is locked for 4.5 × 104 s. After the system is locked, the laser frequency fluctuation δf = σerr/kf can be estimated through the error voltage stability σerr, and then the frequency stability σf = λδf/c, where λ is the wavelength and c is the vacuum speed of light. As shown in Figure 13b, we can see that when the 780 nm laser is locked, the stability of the error voltage is 5.77 × 10−6@1 s. As the sampling time increases, the Allan variance decreases to 1.64 × 10−7@1000 s. Then, we can deduce the laser frequency stability as 1.68 × 10−10@1 s and 4.77 × 10−12@1000 s.
Figure 13. (a) Variation and (b) Allan variance of the error signal when the frequency is locked.

4.4. Automatic Relock Performance Test

When the system is locked, the incident light of the detector is repeatedly blocked with a photocard to unlock it. Figure 14 shows the changes in the error signal and SAS signal, respectively, during the automatic relocking of the system. When blocked, the system unlocks, the SAS signal becomes zero, and the error signal jitter increases. When the photocard is removed, the system is automatically relocked, the error signal fluctuates around zero, and the SAS signal’s amplitude jumps to the peak’s tip at the locking point T3. The time required for automatic relocking is calculated to be 1.66 × 105/9997 × 0.2 = 3.32 s.
Figure 14. Automatic locking process of the frequency stabilization system.

5. Conclusions

In conclusion, this study designs a laser automatic frequency stabilization system based on SAS with the DAQ card as the core. A friendly interactive interface was designed through LabVIEW. In terms of program design, a consumer-producer structure was adopted to save the experimental results, which is convenient for analysis and processing. The functions of automatic peak seeking, digital feedback, and automatic relocking are realized through the FSM structure. Experiments showed that the system can arbitrarily select the locking point for frequency locking and automatically relock within 3.5 s, which improves the ability of the laser to operate stably for a long period. The short-term frequency stability is 1.68 × 10−10@1 s, and the long-term stability is up to 4.77 × 10−12@1000 s. Compared to current commercial servers, we have achieved similar performance with a smaller volume. This design provides a low-cost, versatile, and rapidly realizable method of automatic frequency stabilization for the fields of atomic cooling and trapping, and laser spectroscopy.

Author Contributions

Conceptualization, Z.D.; Data curation, R.X.; Writing—original draft, Y.W.; Writing—review & editing, Y.L.; Funding acquisition, F.Q. All authors have read and agreed to the published version of the manuscript.

Funding

This research was funded by National Natural Science Foundation of China grant number [61873275, 42274013].

Institutional Review Board Statement

Not applicable.

Data Availability Statement

Data underlying the results presented in this paper are not publicly available at this time but may be obtained from the authors upon reasonable request. The data are not publicly available due to privacy.

Conflicts of Interest

The authors declare no conflict of interest.

Appendix A

Figure A1. Input/output synchronization of the DAQ card program.
Figure A2. Differentiation to obtain error signal program.
Figure A3. Peak position extraction of the error signal program.
Figure A4. Error signal over-zero position and error fragment extraction program.
Figure A5. Reference voltage extraction of the PZT.

References

  1. Hummon, M.T.; Kang, S.; Bopp, D.G.; Li, Q.; Westly, D.A.; Kim, S.; Fredrick, C.; Diddams, S.A.; Srinivasan, K.; Aksyuk, V.; et al. Photonic chip for laser stabilization to an atomic vapor with 10−11 instability. Optica 2018, 5, 443–449. [Google Scholar] [CrossRef]
  2. Döringshoff, K.; Gutsch, F.B.; Schkolnik, V.; Kürbis, C.; Oswald, M.; Pröbster, B.; Kovalchuk, E.V.; Bawamia, A.; Smol, R.; Schuldt, T.; et al. Iodine Frequency Reference on a Sounding Rocket. Phys. Rev. Appl. 2019, 11, 054068. [Google Scholar] [CrossRef]
  3. Coddington, I.; Newbury, N.; Swann, W. Dual-comb spectroscopy. Optica 2016, 3, 414–426. [Google Scholar] [CrossRef] [PubMed]
  4. Shen, X.; Yan, M.; Hao, Q.; Yang, K.; Zeng, H. Adaptive Dual-Comb Spectroscopy With 1200-h Continuous Operation Stability. IEEE Photonics J. 2018, 10, 1503309. [Google Scholar] [CrossRef]
  5. Meylahn, F.; Knust, N.; Willke, B. Stabilized laser system at 1550 nm wavelength for future gravitational-wave detectors. Phys. Rev. D 2022, 105, 122004. [Google Scholar] [CrossRef]
  6. Luan, G.; Mao, H.; Shi, X. Method for Modulating Transfer Spectrally Stabilized Laser Frequency Based on Rb87. Opt. Optoelectron. Technol. 2020, 18, 83–86. [Google Scholar]
  7. Preston, D.W. Doppler-free saturated absorption: Laser spectroscopy. Am. J. Phys. 1996, 64, 1432–1436. [Google Scholar] [CrossRef]
  8. Shirley, J.H. Modulation transfer processes in optical heterodyne saturation spectroscopy. Opt. Lett. 1982, 7, 537–539. [Google Scholar] [CrossRef]
  9. Wieman, C.; Hänsch, T.W. Doppler-Free Laser Polarization Spectroscopy. Phys. Rev. Lett. 1976, 36, 1170–1173. [Google Scholar] [CrossRef]
  10. Corwin, K.L.; Lu, Z.-T.; Hand, C.F.; Epstein, R.J.; Wieman, C.E. Frequency-stabilized diode laser with the Zeeman shift in an atomic vapor. Appl. Opt. 1998, 37, 3295–3298. [Google Scholar] [CrossRef]
  11. Bjorklund, G.C. Frequency-modulation spectroscopy: A new method for measuring weak absorptions and dispersions. Opt. Lett. 1980, 5, 15–17. [Google Scholar] [CrossRef] [PubMed]
  12. Sun, W.; Zhang, H.; Zheng, M.; Wang, H.; Chen, Y. Experimental teaching system of Rb saturated absorption spectroscopy. Exp. Technol. Manag. 2020, 37, 154–161+194. [Google Scholar]
  13. Zhang, R.; Cao, Z.; Xiong, J.; Yan, S. Optimization and experimental research of the frequency stabilizing system of satellite-borne MEMS atomic clock. Electron. Des. Eng. 2009, 17, 111–113. [Google Scholar]
  14. Li, Q. Research on Intelligent Technology of Laser Frequency Automatic Stabilization for Atomic Interferometer. Master’s Thesis, National University of Defense Technology, Changsha, China, 2018. [Google Scholar]
  15. Couturier, L.; Nosske, I.; Hu, F.; Tan, C.; Qiao, C.; Jiang, Y.H.; Chen, P.; Weidemüller, M. Laser frequency stabilization using a commercial wavelength meter. Rev. Sci. Instrum. 2018, 89, 043103. [Google Scholar] [CrossRef] [PubMed]
  16. Zhang, Y.; Wang, Q. Frequency Stabilization of Diode Laser Based on C8051F020. J. Jilin Univ. 2014, 32, 471–475. [Google Scholar]
  17. Geng, W.; Hu, S.; Shao, H. Design of laser frequency stabilization systems based on FPGA and Pound-Drever-Hall technique. Laser Technol. 2014, 38, 665–668. [Google Scholar]
  18. Xiang, J.; Liguo, W.; Lin, L.; Desheng, L.; Liang, L. Automatic Frequency Stabilization System of Evternal Cavity Diode Laser Based on Digital Signal Processing Technology. Acta Opt. Sin. 2017, 37, 146–154. [Google Scholar]
  19. Xie, R. Research on Automatic Laser Frequency Stabilization Based on Modulation Transfer. Spectroscopy. Dissertation, The University of Chinese Academy of Sciences, Wuhan, China, 2021. [Google Scholar]
  20. Dong, L.; Yin, W.; Ma, W.; Jia, S. A novel control system for automatically locking a diode laser frequency to a selected gas absorption line. Meas. Sci. Technol. 2007, 18, 1447–1452. [Google Scholar] [CrossRef]
  21. Han, S. Research on Raman-Pulse-Assisted Atom Interferometer. Ph.D. Thesis, Zhejiang University, Hangzhou, China, 2010. [Google Scholar]
  22. Steck, D.A. Rubidium 87 D Line Data. 2003. Available online: https://steck.us/alkalidata/rubidium87numbers.1.6.pdf (accessed on 1 September 2023).
  23. Steck, D.A. Rubidium 85 D Line Data. 2001. Available online: https://steck.us/alkalidata/rubidium85numbers.pdf (accessed on 1 September 2023).
  24. Zhuang, M.; Fan, X.; Wang, T.; Liu, Y. Progress and trend analysis of laser frequency stabilization technology for atomic gyroscopes. Laser J. 2021, 42, 76–82. [Google Scholar]
  25. Chen, X.; Wang, Q.; Qi, X.; Wang, A.; Lai, S. Advanced Optoelectronic Experiment, 1st ed.; Peking University Press: Beijing, China, 2018; Chapter 2, Section 3; pp. 23–31. [Google Scholar]
  26. Yin, F.; Zhang, A.; Dai, Y.; Li, J.; Zhou, Y.; Dai, J.; Xu, K. Improved Phase Stabilization of a Radio-Over-Fiber Link Under Large and Fine Delay Tuning. IEEE Photon.-J. 2015, 7, 7201706. [Google Scholar] [CrossRef]
  27. Ding, Z. Research of Optical and Magnetic Response Properties and Preliminary Implementation of the Cesium Magnetometer. Ph.D. Thesis, National University of Defense Technology, Changsha, China, 2018. [Google Scholar]
  28. Bristol Instruments, Inc. 671 Series Laser Wavelength Meter. Available online: https://www.bristol-inst.com/wp-content/uploads/2023/09/Bristol_671Series_Product_Details.pdf (accessed on 1 September 2023).
  29. Wang, Q.; Lai, S.; Qi, X.; Wang, Z.; Chen, X. Design of laser frequency stabilization experiment system based on saturated absorption spectroscopy. Exp. Technol. Manag. 2021, 38, 23–28+32. [Google Scholar]
  30. Bai, W.; Zhou, L.; Li, Z.; Qiao, T. Frequency Stabilization of a Semiconductor Laser Based on TMS320F2812. Instrum. Meas. 2009, 28, 102–105. [Google Scholar]
  31. Jingwei, J.; Henan, C.; Zhen, Z.; Kangkang, L.; Xiang, J.; Wei, R.; Lin, L.; Desheng, L. Automatic Laser Frequency Stabilization System for Transportable 87Rb Fountain Clock. Acta Opt. Sin. 2020, 40, 2214002. [Google Scholar] [CrossRef]
Disclaimer/Publisher’s Note: The statements, opinions and data contained in all publications are solely those of the individual author(s) and contributor(s) and not of MDPI and/or the editor(s). MDPI and/or the editor(s) disclaim responsibility for any injury to people or property resulting from any ideas, methods, instructions or products referred to in the content.

Article Metrics

Citations

Article Access Statistics

Multiple requests from the same IP address are counted as one view.