Next Article in Journal
Weld Defect Detection of a CMT Arc-Welded Aluminum Alloy Sheet Based on Arc Sound Signal Processing
Next Article in Special Issue
Fabrication of Polysaccharide-Based Coaxial Fibers Using Wet Spinning Processes and Their Protein Loading Properties
Previous Article in Journal
Research on Air-Conditioning Cooling Load Correction and Its Application Based on Clustering and LSTM Algorithm
Previous Article in Special Issue
Investigation of the Antimicrobial Properties of Beetroot–Gelatin Films Containing Silver Particles Obtained via Green Synthesis
 
 
Font Type:
Arial Georgia Verdana
Font Size:
Aa Aa Aa
Line Spacing:
Column Width:
Background:
Article

Scale-up and Economic Assessment of Biofunctional Particles Synthesis for Bilirubin Removal

by
María del Prado Garrido
1,
Juan Francisco Rodriguez
1,
Maria Jesús Ramos
1,
Manuel Carmona
1,
Francisco Javier Redondo Calvo
2,3,4 and
Ana Maria Borreguero
1,*
1
Department of Chemical Engineering, Institute of Chemical and Environmental Technology, University of Castilla-La Mancha, Avda. De Camilo José Cela 12, 13071 Ciudad Real, Spain
2
Department of Anesthesiology and Critical Care Medicine, University General Hospital, Obispo Rafael Torija s/n, 13005 Ciudad Real, Spain
3
Faculty of Medicine, University of Castilla-La Mancha, Camino de Moledores, s/n, 13071 Ciudad Real, Spain
4
Translational Research Unit, University General Hospital and Research Institute of Castilla-La Mancha (IDISCAM), 13071 Ciudad Real, Spain
*
Author to whom correspondence should be addressed.
Appl. Sci. 2023, 13(8), 5150; https://doi.org/10.3390/app13085150
Submission received: 7 March 2023 / Revised: 5 April 2023 / Accepted: 18 April 2023 / Published: 20 April 2023
(This article belongs to the Special Issue Modern Biomaterials: Latest Advances and Prospects)

Abstract

The scale-up and the economic feasibility of the synthesis of St-MMA-GMA-PEGMA particles biofunctionalized with HSA were studied. First, the geometrical similarity of laboratory and pilot plant reactors was checked to develop the scale up of the process according to a criterion of partial similarity. The selected criterion was constant Re number. Then, a reaction in the pilot plant scale was carried out, confirming the suitability of the scale-up criterion, since particles with similar characteristics (same particle size with a deviation of just 6%) and functional groups were obtained. Finally, the design of an industrial plant able to produce 581 Tm/year of HSA functionalized St-MMA-GMA-PEGMA particles was addressed. The economic feasibility of this plant was confirmed by a value of internal rate of return (IRR) of 14.8% and a net present value (NPV) of 5452 M€, with a payback time between six and seven years, for the price of a cartridge 25% lower than that from the current treatments for bilirubin removal from patients with liver failure.

1. Introduction

Bilirubin is a yellowish compound generated in the body mainly by the breakdown of the hemoglobin present in red blood cells. Bilirubin high concentrations in blood are potentially toxic, leading to serious diseases, such as hyperbilirubinemia and jaundice, which affect a large number of people every year.
Albumin is the blood protein responsible for transporting bilirubin to the liver, where it is conjugated for elimination. Thus, liver failure is the main cause of the aforementioned diseases [1].
The efficiency of therapeutic procedures used since the 1970s, such as hemodialysis, hemoperfusion, plasmapheresis, or exchange transfusion, has been limited, partly because of their inability to remove lipid-soluble compounds that are transported bound to albumin, but also because they cannot replace the liver’s synthesis function [2,3,4]. Current treatments for affected patients, such as the MARS® and PROMETHEUS® extracorporeal dialysis systems, generate great amounts of waste and are expensive and not sufficiently effective or selective to remove bilirubin [5]. In fact, approximately one million people die annually from kidney failure all over the world and two million patients receive some type of dialysis; these data are expected to grow. Therefore, the search for alternative treatments for removing the excess of bilirubin from patients with liver failure is highly justified.
The alternatives that are presenting better results for the replacement of these treatments involves the substitution of flat membranes by microparticles. These are mainly based in polymers derived from polystyrene [6] or their copolymers, such as poly(styrene-methyl methacrylate) [7,8] or poly(styrene-divinylbenzene) [9,10], polyvinyl alcohol gels [11], or even polyethersulphone particles [12], but their current selectivity is limited.
In a previous work, the research group presented the synthesis of particles from styrene (St), methyl-methacrylate (MMA), glycidyl methyl-methacrylate (GMA) and polyethylene glycol methacrylate (PEGMA), St-MMA-GMA-PEGMA, and their further functionalization by bovine serum albumin (BSA) attachment. These particles demonstrated high capacity for bilirubin removal from phosphate-buffered saline (PBS) and plasma. This research demonstrated that the attachment of albumin to the particles plays a key role in selectively reducing bilirubin levels in plasma and also in the kinetic of the bilirubin removal in both media [7]. In a further step, promising results were also demonstrated in an in vivo test, using pig models. At this stage, the feasibility of producing the functionalized particles at industrial scale and the economic evaluation of the process must be studied, constituting the objective of this work.
One of the main challenges in materials research is passing from the laboratory process to the industrial plant. To carry out this process, the principle of similarity, which involves not only the geometry of the reactor, but also the flow or temperature profiles, was applied in this work [13,14]. To achieve this principle of similarity, geometrical similarity is stablished, together with additional criteria such as the constant value of Reynolds number (Re), equal agitator tip speed, power per unit of tank volume or mixing time [15,16]. Shape factors from the lab scale must be used for the pilot or industrial scale dimension calculation, since they must be constant, or in an specific range, to assure the geometrical similarity [16,17]. Among the criteria for flow similarity, the constant value of Re was selected in this work. The principle of the constant Re assumes that the same turbulence is achieved and that defines similar hydrodynamic flow pattern [18]. Different processes have been scaled by applying the principle of similarity with successful results, such as the case of bioreactors [19], chemolysis process [13], polycondensation [20,21], or polymerization [22]. However, none of the previously mentioned materials for bilirubin uptake are developed at industrial scale. In fact, reviewing the literature about polymerization reactions, few manuscripts are found. This fact is supplemented by the necessity of producing the material at large scale, since just in Spain more than 64,000 people needed renal replacement treatments in 2019 [23] and approximately 80% of them required hemodialysis treatments, justifying the interest in addressing the process scale-up and economic evaluation studies.

2. Materials and Methods

2.1. Materials

The different monomers for the polymer synthesis were purchased from Sigma-Aldrich Chemical Co. with purities of 99 wt% for the methyl methacrylate (MMA), styrene (St) and Poly(ethylene glycol) methacrylate (Mn 360 g mol−1) (PEGMA) and of 97% for the Glycidyl methacrylate (GMA). St and MMA were purified by washing vigorously with aqueous sodium hydroxide solution (1.25 N) and further desiccation using calcium chloride. PEGMA and GMA were put in contact with neutral aluminum oxide (99 wt%, Alfa Aesar, Ward Hill, Massachusetts, USA) just before use in order to eliminate their inhibitors. The remaining materials were used as received from the suppliers. Benzoyl peroxide (BPO, Luperox A75®, Sigma-Aldrich Chemical Co.) was the selected initiator. Polyvinylpyrrolidone (PVP, K90, Mw 360,000, Fluka) was chosen as suspension agent. The polymerization reactions were performed under nitrogen atmosphere (99.999%, Air Liquid). Water with a conductivity of 1 μS/cm was produced in our laboratory using distillation followed by deionization using ion exchange for the reaction media. Ethanol (96°) supplied by Guinama was used for particle purification.

2.2. Methods

Synthesis of Polymeric Particles

The suspension polymerization reactions took place in 2 L and 10 L jacketed glass reactors. The synthesis was divided into two phases: a continuous one consisting of water and the dispersing agent, and another discontinuous consisting of the initiator and the different monomers. The reaction formulation used for the experiments is presented in Table 1.
Initially, the reactor was charged with water and PVP and agitated while heating to reach 60 °C. Subsequently, the discontinuous phase was introduced into the continuous phase, adding all the monomers at this point. The mixture is heated up and the polymerization process was carried out for 6 h at 80 °C. After completion, the particles were washed with ethanol and air-dried for 24 h at room temperature.

2.3. Characterization

2.3.1. Scanning Electron Microscopy

A Quanta 250 scanning electron microscope (FEI Company, Hillsboro, OR, USA) with a tungsten filament was used for observing the morphology and surface characteristics of the particles. The SEM micrographs were taken operating at potentials of 12.5 or 15 kV and with a magnification factor ×50.

2.3.2. Particle Size and Polydispersity Index

The measurements of volume median particle size (dv0.5) and the distribution width (Span) were determined dispersing samples of the polymer microparticles in air by low-angle laser light scattering (LALLS) using a Malvern Mastersizer 2000 equipped with a Scirocco 2000 unit.

2.3.3. Chemical Characterization

The functional groups of the particles obtained at both scales were compared by using a Spectrum Two spectrometer (Perkins Elmer, Inc., Waltham, MA, USA), scanning them at room temperature from 450 to 4000 cm−1.

2.4. Experimental Setups

Synthesis of the Microparticles

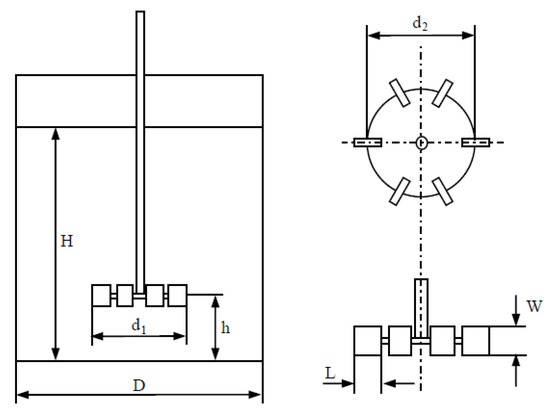
The lab scale experimental setup in which the microparticles were synthesized by a suspension polymerization process is presented in Figure 1. It consists of a glass jacketed reactors (2 L capacity), without baffles and with a thermostatic bath (Ultraterm-200, SELECTA, Barcelona, Spain) which contains PEG400 as heating fluid, for setting the reaction temperature. The reactor lid is provided with four inlets, in which a reflux condenser, a nitrogen gas tube, and a digital overhead stirrer Eurostar 20 digital IKA with the capability of agitation speed up to 2000 rpm, are connected.
The reflux condenser is connected to a thermostatic cooling bath (Frigiterm, SELECTA) to prevent any reagents release or losses. The nitrogen inlet tube is connected to a scrubber with water, which allows to confirm a constant flux of nitrogen entering in the polymerization system, ensuring the required inert conditions. The stirrer impeller, six-bladed Rushton turbine type, was designed agreeing with the standards [24]. The agitation system is hermetically sealed by employing a stirrer bearing SVL® made of Teflon. The reaction product is discharged throughout an outlet placed at reactor vessel bottom.
Safe handling of the chemicals is achieved by mandatory isolation of the reaction system in a fume hood and the use of face mask equipped with ABEK1 filters and nitrile gloves.
The installation employed for scaling up the microparticles production is composed following the same scheme but with a 10 L reactor, which is geometrically proportional to that used at lab scale.
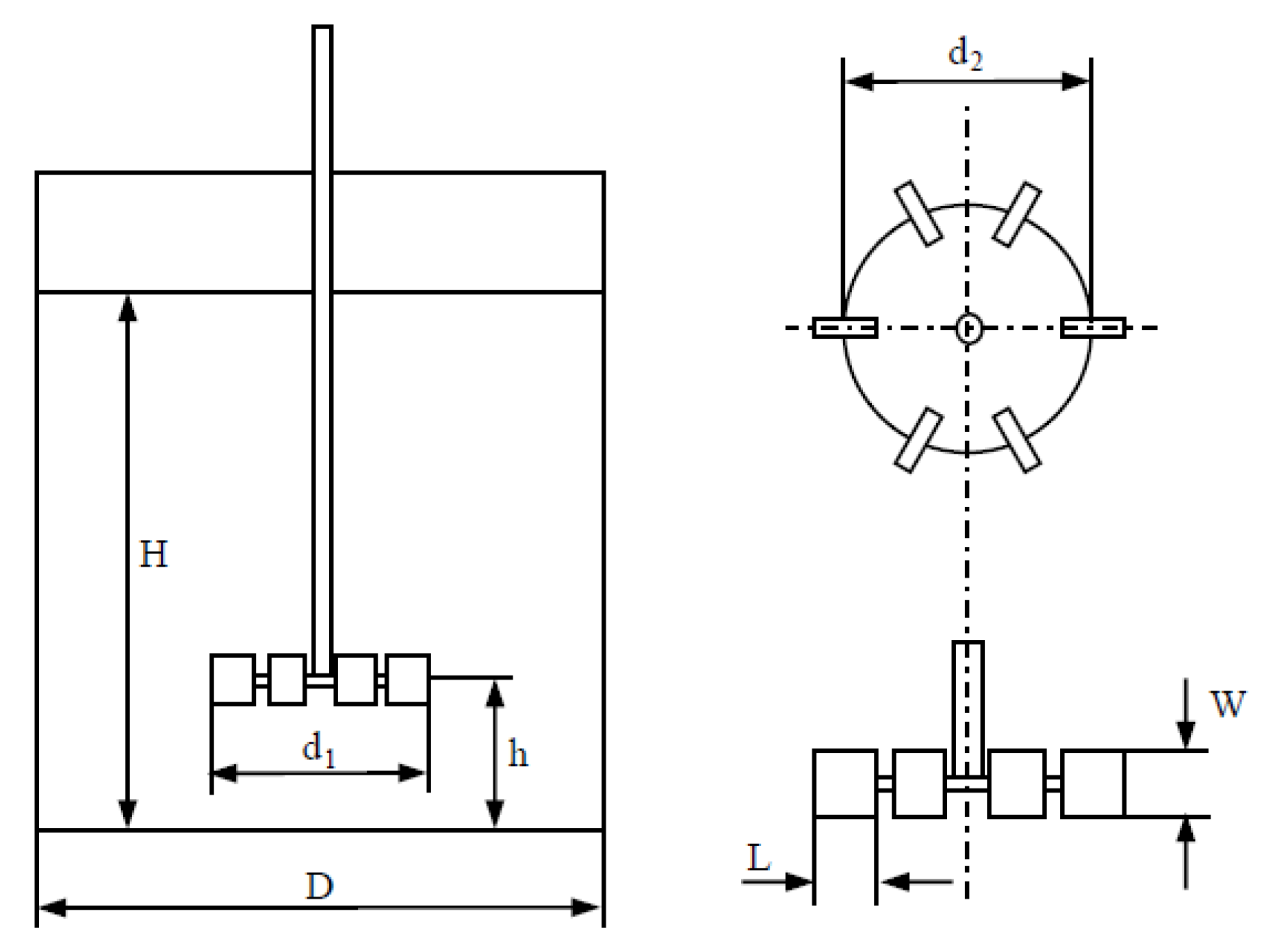
The dimensions of the Rushton turbine impeller utilized at both scales were designed according to the standard configuration for stirrers in continuous stirred tanks reactors (CSTR) [25]. A representation of the tank and impeller configurations are displayed in Figure 2 and the values of the design parameters are gathered in Table 2.

3. Results and Discussion

3.1. Pilot Plant Scale-up

Shape Factors

The first step of the scale-up process is the determination of the shape factors whose value should be constant to assure the geometrical similarity [17]. In the case of CSTRs, the shape factors are S1 Equation (1), S2 Equation (2), and S3 Equation (3) [16]:
S 1 = D d 1
S 2 = h d 1
S 3 = H d 1
where d1 refers to the stirrer diameter; D, the reactor diameter; h, the space between the bottom of the tank and the stirrer, and H, the filling reactor level. The reactor and stirrer diameters are shown in Table 2. The distance between the bottom and the stirrer was 44.3 and 70.0 mm for 2 and 10 L, respectively. The filling reactor level was determined considering Equations (4) and (5), giving a value of 111 and 224 mm, for 2 and 10 L, respectively.
V = π 4 · D 2 · L
V r e a c t i o n = m a s s   r e a c t i o n r e a c t i o n   d e n s i t y
where D represents the tank diameter and L the liquid height, and the reaction density being the average density of aqueous and organic phase (0.98 g cm−3).
Table 3 summarizes the shape factors of laboratory and pilot plan scale.
As can be seen in Table 3, the shape factors are in good agreement with the typical values for turbulent flow regimes for both reactors. These typical values are 3 for S1; between 0.75 and 1.3 for S2, and between 2.7 and 3.9 for S3. Just S3 of lab scale is slightly smaller than the typical values which were corrected for the pilot plant reactor, whose S3 is in the typical range. S1 and S2 were kept at exactly the same value for the pilot plant reactor. Thus, an acceptable geometrical similarity was reached for the laboratory and pilot scales reactors.
Next, the constant Re number was used as partial criterion for the scale up. This criterion is expressed by Equation (6), which allowed to determine the stirring rate in the pilot plant reactor from that applied in the laboratory one and the stirrer diameters [18].
N 1 · d a , 1 2 = N 2 · d a , 2 2
where N1 is the stirring speed of the 2 L reactor; da,1, the stirrer diameter used in the 2 L reactor; N2, the stirring speed of the 10 L reactor, and da,2, the stirrer diameter of the 10 L reactor.
The optimized stirring rate for the St-MMA-GMA-PEGMA particles at laboratory scale (2 L reactor) was 525 rpms since this allowed to obtain the most suitable particle size (304 μm). Considering this value and Equation (6), the stirring rate for the 10 L reactor was fixed at 210 rpm.
To check the suitability of the criterion of constant Re for the scale-up, a reaction in the 10 L reactor with a stirring speed of 210 rpm was carried out and the results were compared to those from the particles obtained in the 2 L reactor.
The particle size is a key factor in the application of the developed particles since it is necessary to reach a compromise between the improvement of albumin immobilization, which usually increases as the particles decrease, and the increase in the pressure drop when small particle size is used. Thus, the particle size was considered as the key particles’ property to compare the products obtained at both scales, together with the chemical composition. The particle size distributions are shown in Figure 3.
As shown in Figure 3, both products present similar particle size distribution. From these data, the median particle size in volume (dp,v(0.5)) and the span were calculated (Table 4), obtaining a dp,v(0.5) in the 10 L reactor very close to the one obtained in the 2 L reactor, with a difference of just 6%, and with a lower span value, indicating that it is a more homogenous product.
It is also worthy to point out that these particle sizes allow to use the particles in the conventional cartridges used in hemodialysis treatments, since they will generate pressure drops of 20.2 and 22.5 mmHg, for the 304 and 286 μm, respectively, according to the Ergun equation; which are below the maximum admissible pressure drop (200 mmHg) [26,27].
Additionally, SEM micrographs of 2 L and 10 L reaction are shown in Figure 4.
As can be seen in Figure 4, both products presented spherical shape, appearing some particle agglomeration for the case of the 10 L reactor.
The chemical composition of the particles was characterized by FT-IR analyses (Figure 5).
FT—IR results of particles from both scales presented the same absorption peaks. In both spectra, peaks can be found corresponding to the carbonyl groups of polymethyl-methacrylate at 1730 cm−1 [28,29]; to the benzene ring deformation vibration of polystyrene at 735 cm−1 [30]; to the hydroxyl groups from PEGMA, the slight peak at 3460 cm−1 [31], and to the GMA at 915 cm−1 [32]. Therefore, the monomers have been successfully polymerized.
These results confirmed the feasibility of scaling up the process for producing St-MMA-GMA-PEGMA with a correct particle size. Therefore, the next aim of carrying out a preliminary economical assessment to estimate the economic viability of the process will be undertaken.

3.2. Economic Assessment

The synthesis of polymeric particles will be profitable if the income from the material sales represents a value higher than the required investment to produce them. In addition, the profitability should also be higher than the profitability obtained if the money were employed in another alternative or than the interest rate to be paid for the lent money required for the studied project development.
Moreover, in order to calculate the profitability of the process, the evolution of the chronological value of the money should be determined because this value will change between the start and the end of the process. With respect to the project time horizon, the typical value for pharmaceutical plants is about 6–10 years [33]. For this project, a time horizon of 10 years was considered: one year for start-up and nine years for production. In this project, three different parameters based in the analysis of the cash flows over the year were used to study the influence of money value: the net present value (NPV), the internal rate of return (IRR) and the payback period.
The NPV is determined from the cash flows generated during the investment time horizon, including the initial investment and updated considering the weighted average cost of capital (WACC) as discount rate (K), according to Equation (7) [13].
N P V ( k ) = t = 0 n F i 1 + K i
where Fi is the generated cash flow during the year i.
If NPV value is higher than zero, the investment would be profitable, the project being more interesting economically, the higher the value of NPV is.
The internal rate of return (IRR) is the K for which the NPV has a value of zero. Thus, it is calculated by Equation (8) [13]. The IRR value must be higher than the weighted average cost of capital (WACC) considered as discount rate for the NPV calculation.
t = 0 n F i 1 + I R R i = 0
Finally, the payback period is determined as the needed time to recuperate the investing costs. From the point of view of an investor, a shorter payback period is better because the time in which the investor’s expenditure is in danger is briefer.
To determine the value of these indicators (NPV, IRR, and payback period) as well as the profitability study, analyses of the required investment and the cash flows were carried out. First, the plant capacity and location were stablished. Then, the mass balance and conceptual definition of the St-MMA-GMA-PEGMA production were determined. Finally, the estimation of the investment and cash flows allowed to calculate the NPV, IRR, and payback period.

3.2.1. Biofunctionalized Particles Production Plant Capacity and Location

The production of HSA functionalized particles depends on the number of particles per cartridge as well as the number of treatments carried out in Spain. As commented before, 64,000 people in Spain needed renal replacement treatments and approximately 80% of them required hemodialysis treatments in 2019 [23]. On the other hand, normal values for total bilirubin in blood are between 0.3 and 1.2 mg/dL, while hyperbilirubinemic patients usually present an average value of total bilirubin in blood of 12 mg/dL. Taking into account these data and that average volume of blood in human body is 50 dL, the bilirubin removed in each case should be 540 mg. On the other hand, according to the in vivo experiments performed by the research group, the average capacity of bilirubin removal of St-MMA-GMA-PEGMA is 1 mg BR/g particles. Thus, each cartridge used in the patient’s treatment should contain 540 g of St-MMA-GMA-PEGMA particles. Besides, this treatment removes the bilirubin, but the liver problems will persist. So, it is expected that each patient needs 21 treatment sessions per year. All this information and the final calculation of the required annual production of HSA functionalized particles is summarized in Table 5.
The production of particles will be carried out in lots, bearing in mind that the overall time to produce HSA functionalized particles is 48 h (batch), including several steps: monomers washing, polymerization reaction, particles purification and drying and the albumin immobilization. Considering 300 workdays per year and three work shifts of 8 h, the total amount of production per year is 7200 h. The capacity of the plant per batch must be 4 Tm.
Regarding the plant location, it is planned to be located in Ciudad Real (Castilla-La Mancha) due to its central position and lower construction costs with respect to other regions in Spain. In addition, production in Ciudad Real is facilitated by proximity to the University Hospital of Ciudad Real (HGUCR) as a reference hospital for the treatment of patients with hyperbilirubinemia.

3.2.2. Mass Balance and Conceptual Definition of the St-MMA-GMA-PEGMA Production

According to the recipe shown in Table 1, the amount of ethanol used for washing and the HSA and hemofiltration solution used for the albumin immobilization [7] per batch for the synthesis of HSA functionalized particles were calculated, as summarized in Table 6.
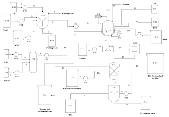
These values allow to determine the equipment dimensions. Figure 6 shows the flow diagram of the synthesis of St-MMA-GMA-PEGMA particles biofunctionalized with HSA. The process consists of five storage tanks (C-01 to C-05) for the monomers (St, MMA, GMA, PEGMA) and NaOH. St and MMA are washed with sodium hydroxide and water to remove inhibitor in the mixers F-01. GMA and PEGMA are treated with aluminum oxide pellets to remove the inhibitor in an adsorption column (F-02). The residual water and NaOH from the monomers washing is stored in tank C-06. PVP, BPO, and distillate water are stored in the tanks C-07, C-08, and C-09 and added to the reactor polymerization (R-01) where monomers without inhibitor are also added. The reaction is carried out at 80 °C, by means of a thermal bath with oil (E-02). Then, the particles are conducted to the centrifuge F-03, where particles are also washed with ethanol located in tank C-11. The vapors that could be generated during the reaction are condensed by E-01. The ethanol from purification and polymerization residues are stored in tank C-10. Then, the particles are conducted to the dryer (E-03), where particles are dried at 60 °C for one day. Then, dried particles are swelled with solution hemofiltration in the column F-04. Once swelled, the HSA solution prepared by mixing hemofiltration solution and HSA in the mixer F-05, is recirculated through the particles bed in the same column (F-04) for three days. Finally, the HSA solution waste is stored in C-14 and HSA functionalized particles are stored in tank C-15. The plant also needs eleven centrifugal pumps (P-01 to P-11) and all the storage tanks are designed with a capacity for six batches.

3.2.3. Investment Calculation

The investment includes all the factors related to the plant building and operation: capital, costs, and sales. The capital investment is formed by the money required for the equipment acquisition and plan construction, known as “fixed capital investment”; and that required for the plant operation, named “working capital”.
The fixed capital is defined as that required for the purchase of manufacturing resources and to maintain the production. Fixed capital includes equipment, installation costs, or licenses [34]. Fixed capital can be determined by the percentages method, in which the investment is estimated as a function of the equipment’s cost [35]. Thus, the cost of the equipment must be estimated.
  • Industrial reactor (R-01) design
As previously mentioned, the scale-up of the reactor requires the geometrical similarity, and this similarity is related to shape factors (Table 3). Besides, to design the industrial reactor, the relation between scales (Kv) should be determined. Since the number of particles is related to the organic phase, the relation between scales is determined as the coefficient between the organic phase required in industrial and laboratory scales (Equation (9)) [36]:
K v = i n d u s t r i a l   o r g a n i c   p h a s e   ( g ) p i l o t   p l a n t   o r g a n i c   p h a s e   ( g ) = 4,570,719   g 1752   g = 2609
Once determined Kv, the volume of the industrial reactor can be determined according to Equation (10).
K v = V I N D U S T R I A L V P I L O T   P L A N T V I N D U S T R I A L = K v · V P I L O T   P L A N T
The volume of the industrial reactor is 26,090 L. The geometrical relation between the volume of both reactor is determined by cube of the dimensionless constant (k), that for the studied case has a value of 13.8. The relation between diameters is also proportional to the constant k. Thus, the diameter at industrial scale must have a value of 2898 mm. The dimensions of the industrial reactor and stirrer according to the shape factors (see Table 3) are summarized in Table 7.
Next, the power consumption (P) of the stirrer at the pilot plant was determined. This power consumption is a function of the stirrer diameter (D), the gravitational acceleration (g), the fluid density (ρ), the fluid viscosity (μ), and the stirrer speed (N). These variables can be grouped in dimensionless modules [16]:
P D 5 · N 3 · ρ = K · D 2 · N · ρ μ b · D · N 2 g c
P 0 = K · R e b · F r c
where P0 is the power number; Re is the Reynolds number, and Fr is the Froude number.
From this analysis, power number represents the friction factor, Reynolds number can be understood as the relation between the inertia forces and the viscous ones, while the Froude number represents a relation between inertial and gravitational forces [37].
For the studied process at pilot plant scale, the Reynolds number at had a value of 18,561. As it is higher than 300, Froude number has effect. In addition, the installation of baffles should be considered for this calculation. Considering the impeller type (six pallets Rushton type agitator), the Reynolds number, and the curves of the power number versus the Reynolds number from Padron (2001) [38], the power number can be determined. A value of P0 of 1.46 was obtained and, with it, the power requirement for the stirring of the pilot plant reactor is calculated with a value of 0.1 W.
In order to ensure an accurate scale-up process, the power required for the stirring was determined by a criterion of constant power per unit of volume. According to this criterion, the power consumption for the stirring of the industrial reactor must be 261 W.
  • Centrifugal pumps (P-01 to P-13), condenser (E-01), heater (E-02) and dryer (E-03).
There are some devices which have no standardized equation for the cost estimation. In this case, the data were obtained from the website www.matche.com, which provides cost data for industrial equipment. This way, the cost of the centrifugal pumps (P-01 to P-13), the heat exchangers (E-01 to E-02), the centrifuge (F-05), and the tray atmospheric dryer (E-03) was determined. Matche calculates the prices of the equipment in 2014 in dollars, so the costs have been updated to 2022 according to the industrial price index (IPI) (IPI2014/2022 = 1.14). The sum of all the pump costs was 134,976 euros. The heat exchangers’ cost was 66,234 euros, and 43,434 and 44,802 euros were the costs of the atmospheric dryer and the centrifuge, respectively.
  • Storage tanks, liquid-liquid extractor, mixers, columns and reactor.
Once determined the different vessel volume values, the design to determine the height and diameter for minimum costs was carried out. To design the storage tanks and the liquid-liquid extractors (all considered with cylindrical shape), a ratio height/diameter between 2 and 5 was used to reduce the costs. The costs were determined by the Equation (13) [35].
C ( k ) = 0.482 · W 0.92 · H D 0.15 · e 8 0.21 · 10 3 166.4
where W (Tm) represents the weight, H (m) the height, D (m) the diameter, and e (mm) the thickness of the equipment. The thickness and the weight of the equipment were determined according to the Equations (14) and (15), respectively [35].
e = P D · D 2 · 1000 S · E 0.6 · P D + S E C
W = 0.0246 · D H + 0.8 · D · ( e + X )
where PD is the design pressure (kg cm−2), determined as the sum of the atmospheric pressure and liquid column weight (Patm + ρgHl); S (kg cm−2) is the material stress, with a value of 1055 kg cm−2 for carbon steel; E express an effectiveness factor, 0.85; and SEC expresses the allowance for corrosion (mm), that in this specific case, as it is not very corrosive can take a value of 3; X is a complexity factor with a value of 2 for storing tanks, 3 for liquid-liquid extractors, and 4 for reactors. The costs calculated from Equation (13) referred to 1980. Thus, the costs were updated to 2022 according to the Industrial Prices Index (IPI) (IPI2022/1980 = 1.14).
The costs of the storage tanks (C-01 to C-15), liquid-liquid extractor (F-01), adsorption column (F-02), HSA solution mixer (F-05), HSA immobilization column (F-04), and reactor (R-01) were 180,448 k€, 7567 k€, 413 k€, 4592 k€, 2812 k€, and 10,916 k€, respectively.
According to these results, the total cost of equipment is 206,154,885 €, which is the basis for calculating the fixed capital investment applying the percentages method (Table 8).
The fixed capital investment required for the industrial plant for synthesis of St-MMA-GMA-PEGMA particles is 1,703,791,789 €.
The working capital is defined as the capital that can be transformed into cash, and it includes raw materials and product stocks as well as the spare parts warehouse and cash to attend payments [35]. In this case, it will be considered as the average stocks of raw materials for six batches, and the spare parts warehouse and cash to attend payments, each one representing 2.5% of the fixed capital investment. The prices of all raw materials and the working capital of each reagent together with the spare parts warehouse and cash are summarized in Table 9, resulting in a working capital value of 92,217 k€.
Sales represent the income obtained from the sale of the synthesized goods. In this case the preferred price of the HSA functionalized particles was 3.430 k€/Tm, which would allow to have treatments 25% cheaper than current treatments [5]. Considering a production of 581 Tm/year, the sales obtained per year would be 1.993 M€.
Annual costs represent the expression in cash of goods and services required to manufacture. These costs include raw materials, operating labor, auxiliary services, directive management, maintenance, taxes, insurances, and commercial costs [35]. They can be divided into manufacturing (direct and indirect) and general costs. The direct manufacturing costs include the consumption of raw materials, the direct operating labor, and the auxiliary services; while the indirect costs include indirect operating labor, directive management, maintenance, taxes, and insurances [35]. The estimation of the direct and indirect manufacturing costs is shown in Table 10 and Table 11, respectively.
There are also general costs not depending on the production process, regarding commercial costs that were estimated as 5% of the manufacturing costs, with a value of 11,478,059 euros per year.

3.2.4. Analysis of the Cash Flow

This analysis will consider the previously calculated costs, sales, and capital investment for determining the profitability of the production of the biofunctionalized St-MMA-GMA-PEGMA particles. Besides, this analysis will consider that the whole capital investment contribution is provided by independent capital instead of by long-term debt, which represents a conservative scenario.
To consider the chronological value of money necessary for obtaining a realistic economic analysis, the following assumptions were stablished:
  • The total investment is made in year 0.
  • Yearly total invested funds are determined from the fixed capital investment and the working capital.
  • Straight-line amortization of 10 years (10%) with zero residual value was considered.
  • Earnings before taxes are computed as the sales minus costs and amortization.
  • 30% tax profit is estimated as taxes and, this will be taken from the earnings before taxes for calculating the earnings after taxes.
  • The sum of the earnings after taxes and the amortization are the generated funds.
  • The cash flows are the value of generated funds minus the total invested funds.
  • The weighted average cost of capital (WACC) of 2021 was considered as reference interest (K) with a value of 6.6% [41].
  • A CPI average annual increase (inflation) of 5.3% has been considered and a time horizon of 10 years with one start-up year.
The annual cash flows and the accumulated cash flows updated to zero year of the plant are shown in Figure 7.
The cash flow analysis demonstrates that the project is feasible from an economic point of view due to its NPV of 5452 M€ and an IRR of 14.5% determined according to Equations (7) and (8), respectively. It is important to mention that this project overcomes the reference interest considered for the project (K = 6.6%), ensuring the cost-effectiveness of the process. The found pay-back time was close to seven years.
Finally, the break-even price was determined as the price to obtain NPV = 0, which is 1,715,047 €/Tm. The price fixed to improve the profitability of the process was double the break-even, 3,430,094 €/Tm, since, even with this fixed cost, the cost of the cartridge would be 1852 €/cartridge, which represents a cost approximately 25% cheaper than current treatments for hyperbilirubinemia [5].

4. Conclusions

The scale-up of the synthesis of St-MMA-GMA-PEGMA was successfully carried out. To this aim, the geometrical shape factors were determined, concluding a partial similarity according to the typical values for these factors. Then, the scale-up was carried out following the criterion of constant Re number between laboratory (2 L) and pilot plant reactor (10 L). A reaction in the pilot plant was performed in order to check the success of the scale-up. The reaction in the 10 L reactor allowed to obtain similar particle size in volume with a difference of just 6%, although some agglomerations and smaller particles were observed. Thus, the scale up can be considered successfully achieved.
Having demonstrated the feasibility of the scale-up process, the economic viability of an industrial plant with a capacity to produce 581 Tm/year was demonstrated. From this evaluation, a net present value (NPV) of 5452 M€ with an internal rate of return of 14.5% and a payback below seven years were obtained.
Finally, the break-even price of each cartridge was determined, obtaining a value of 1,715,047 €/Tm. The final price was determined as doubling the benefits, which means a price of 3,430,094 €/Tm and 1852 €/cartridge. This price is 25% lower than that from MARS® treatments. Thus, the synthesis of St-MM-GMA-PEGMA particles at industrial scale represents an interesting project from an economical point of view.

Author Contributions

Conceptualization, J.F.R., F.J.R.C. and A.M.B.; methodology, A.M.B.; validation, J.F.R., M.C. and A.M.B.; investigation, M.d.P.G. and A.M.B.; resources, J.F.R., M.J.R. and M.C.; data curation, J.F.R. and A.M.B.; writing—original draft preparation, A.M.B.; writing—review and editing, J.F.R. and A.M.B.; supervision, M.J.R. and M.C.; project administration, M.J.R. and M.C.; funding acquisition, M.J.R., M.C., A.M.B. and J.F.R. All authors have read and agreed to the published version of the manuscript.

Funding

Authors gratefully acknowledge the fellowship for PhD studies (FPU17/00750) from the Spanish Ministry of Science, Innovation and Universities and grant from the regional Government of Castilla-La Mancha (SBPLY/17/180501/000269).

Institutional Review Board Statement

Not applicable.

Informed Consent Statement

Not applicable.

Data Availability Statement

All data generated or analyzed during this study are included in this article. Further enquiries can be directed to the corresponding author.

Conflicts of Interest

The authors declare no conflict of interest.

References

  1. López-Velázquez, J.A. Bilirrubina, una vieja amiga con una nueva historia. Méd. Sur 2012, 19, 228–234. [Google Scholar]
  2. Gonz, M.; Parés, A. Soporte Hepático Artificial MARS: Indicaciones y Resultados. 2006. Available online: https://silo.tips/download/soporte-hepatico-artificial-mars-indicaciones-y-resultados (accessed on 1 February 2022).
  3. Catalina-Rodríguez, M.; Bañares-Cañizares, R. Sistemas de soporte hepático artificial: Estado actual del tratamiento con diálisis de albúmina (MARS). Gastroenterol. Hepatol. 2005, 28, 453–460. [Google Scholar] [CrossRef] [PubMed]
  4. Okamoto, K.; Kurose, M.; Ikuta, Y.; Ogata, K.; Harada, T.; Takeda, K.; Sato, T. Prolonged Artificial Liver Support in a Child with Fulminant Hepatic Failure. ASAIO J. 1996, 42, 233–235. [Google Scholar] [CrossRef] [PubMed]
  5. Kobashi-Margáin, R.A.; Gavilanes-Espinar, J.G.; Gutiérrez-Grabe, Y.; Gutiérrez-Jiménez, A.; Chávez-Tapia, N.; Ponciano-Rodríguez, G.; Uribe, M.; Sánchez, N.M. Albumin dialysis with molecular adsorbent recirculating system (MARS) for the treatment of hepatic encephalopathy in liver failure. Ann. Hepatol. 2011, 10 (Suppl. S2), S70–S76. [Google Scholar] [CrossRef] [PubMed]
  6. Li, Q.; Yang, J.; Cai, N.; Zhang, J.; Xu, T.; Zhao, W.; Guo, H.; Zhu, Y.; Zhang, L. Hemocompatible hemoadsorbent for effective removal of protein-bound toxin in serum. J. Colloid Interface Sci. 2019, 555, 145–156. [Google Scholar] [CrossRef]
  7. Garrido, M.D.P.; Borreguero, A.M.; Redondo, F.J.; Padilla, D.; Carmona, M.; Ramos, M.J.; Rodriguez, J.F. Functionalization of Poly(styrene-co-methyl methacrylate) Particles for Selective Removal of Bilirubin. Materials 2022, 15, 5989. [Google Scholar] [CrossRef]
  8. Jiang, X.; Zhou, D.; Huang, X.; Zhao, W.; Zhao, C. Hexanediamine functionalized poly (glycidyl methacrylate-co-N-vinylpyrrolidone) particles for bilirubin removal. J. Colloid Interface Sci. 2017, 504, 214–222. [Google Scholar] [CrossRef]
  9. Yang, K.; Peng, Y.; Wang, L.; Ren, L. Polymyxin B engineered polystyrene-divinylbenzene microspheres for the adsorption of bilirubin and endotoxin. RSC Adv. 2021, 11, 39978–39984. [Google Scholar] [CrossRef] [PubMed]
  10. Peng, Y.; Feng, X.; Jiang, J.; Ren, L. Controllable polyvinylpyrrolidone modified Polystyrene divinylbenzene for efficient adsorption of bilirubin and improvement of hemocompatibility. Eur. Polym. J. 2022, 170, 111172. [Google Scholar] [CrossRef]
  11. Griveau, L.; Delorme, J.; Engström, J.; Dugas, P.-Y.; Carlmark, A.; Malmström, E.; D’agosto, F.; Lansalot, M. Synergetic Effect of Water-Soluble PEG-Based Macromonomers and Cellulose Nanocrystals for the Stabilization of PMMA Latexes by Surfactant-Free Emulsion Polymerization. Biomacromolecules 2020, 21, 4479–4491. [Google Scholar] [CrossRef]
  12. Jiang, X.; Xiang, T.; Xie, Y.; Wang, R.; Zhao, W.; Sun, S.; Zhao, C.-S. Functional polyethersulfone particles for the removal of bilirubin. J. Mater. Sci. Mater. Med. 2015, 27, 28. [Google Scholar] [CrossRef] [PubMed]
  13. Del Amo, J.; Simón, D.; Ramos, M.J.; Rodríguez, J.F.; De Lucas, A.; Borreguero, A.M. Scaled-up and economic assessment approach of the split-phase glycolysis process for the recycling of flexible polyurethane foam wastes. J. Mater. Cycles Waste Manag. 2022, 24, 1059–1071. [Google Scholar] [CrossRef]
  14. Pangarkar, V.G. Design of Multiphase Reactors; John Wiley & Sons Inc.: Hoboken, NJ, USA, 2015. [Google Scholar]
  15. Oğla, B.; Gürçay, Ö.; Helvacı, Ş.Ş. Power draw characteristics and comparison of scaling criteria for sawtooth impellers used in high shear mixing of shear thinning paint slurry. Chem. Eng. Res. Des. 2023, 189, 210–219. [Google Scholar] [CrossRef]
  16. Junker, B.H. Scale-up methodologies for Escherichia coli and yeast fermentation processes. J. Biosci. Bioeng. 2004, 97, 347–364. [Google Scholar] [CrossRef]
  17. Brodkey, R.S.; Hershey, H.S. Transport Phenomena, a Unified Approach; McGraw-Hill: New York, NY, USA, 1988. [Google Scholar]
  18. Gelves, R.; Benavides, A.; Quintero, J.C. Prediccion del comportamiento hidrodinamico en el escalado de un reactor de tanque agitado para procesos aerobios, mediante CFD. Ingeniare. Rev. Chil. Ing. 2013, 21, 347–361. [Google Scholar] [CrossRef]
  19. Zhao, L.; Gu, Y.; Peng, C.; Tang, Z. Scale-up of the cross-flow flat-plate airlift photobioreactor. Asia-Pac. J. Chem. Eng. 2020, 15, e2518. [Google Scholar] [CrossRef]
  20. Šoltys, M.; Balouch, M.; Kašpar, O.; Lhotka, M.; Ulbrich, P.; Zadražil, A.; Kovačík, P.; Štĕpánek, F. Evaluation of scale-up strategies for the batch synthesis of dense and hollow mesoporous silica microspheres. Chem. Eng. J. 2018, 334, 1135–1147. [Google Scholar] [CrossRef]
  21. Castillo, R.R.; de la Torre, L.; García-Ochoa, F.; Ladero, M.; Vallet-Regí, M. Production of MCM-41 Nanoparticles with Control of Particle Size and Structural Properties: Optimizing Operational Conditions during Scale-Up. Int. J. Mol. Sci. 2020, 21, 7899. [Google Scholar] [CrossRef]
  22. Sanchez-Silva, L.; Carmona, M.; De Lucas, A.; Sánchez, P.; Rodriguez, J.F. Scale-up of a suspension-like polymerization process for the microencapsulation of phase change materials. J. Microencapsul. 2010, 27, 583–593. [Google Scholar] [CrossRef]
  23. Mas de 64.000 Personas Están en Tratamiento Renal Sustitutivo con Diálisis o Trasplante en España. Available online: https://www.medicosypacientes.com/articulo/mas-de-64000-personas-estan-en-tratamiento-renal-sustitutivo-con-dialisis-o-trasplante-en (accessed on 4 March 2023).
  24. Schäfer, M.; Karasozen, B.; Uludağ, Y.; Yapıcı, K.; Uğur, Ö. Numerical method for optimizing stirrer configurations. Comput. Chem. Eng. 2005, 30, 183–190. [Google Scholar] [CrossRef]
  25. McCabe, W.L.; Smith, J.C.; Harriott, P. Unit Operations of Chemical Engineering; McGraw-Hill: New York, NY, USA, 1993; Volume 5. [Google Scholar]
  26. Santiago, M.J.; Lopez-Herce, J.; Bermúdez, L. Protocolo de Tecnicas de Depuracion Extrarrenal. 2020. Available online: https://scielo.isciii.es/scielo.php?script=sci_arttext&pid=S2254-28842017000500056 (accessed on 17 February 2022).
  27. Costa, E.; Calleja, G.; Ovejero, G.; de Lucas, A.; Aguado, J.; Uguina, M.A. Ingeniería Química. 3. Flujo de Fluidos; Alhambra Publishing: Bertem, Belgium, 1985. [Google Scholar]
  28. Anwane, R.; Kondawar, S. Electrospun Poly(methyl Methacrylate)/Polyaniline Blend Nanofibres with Enhanced Toxic Gas Sensing at Room Temperature. J. Phys. Sci. 2018, 29, 101–119. [Google Scholar] [CrossRef]
  29. Borreguero, A.M.; Izarra, I.; Garrido, I.; Trzebiatowska, P.J.; Datta, J.; Serrano, Á.; Rodríguez, J.F.; Carmona, M. Thermal and Mechanical Behavior of Elastomers Incorporated with Thermoregulating Microcapsules. Appl. Sci. 2021, 11, 5370. [Google Scholar] [CrossRef]
  30. Bartholin, M.; Boissier, G.; Dubois, J. Styrene-divinylbenzene copolymers, 3. Revisited IR analysis. Makromol. Chem. 1981, 182, 2075–2085. [Google Scholar] [CrossRef]
  31. Simón, D.; Borreguero, A.; de Lucas, A.; Rodríguez, J. Valorization of crude glycerol as a novel transesterification agent in the glycolysis of polyurethane foam waste. Polym. Degrad. Stab. 2015, 121, 126–136. [Google Scholar] [CrossRef]
  32. Ghaemy, M.; Heidaripour, M.; Barghamadi, M. Synthesis, characterization, and cure reaction of methacrylate-based multifunctional monomers for dental composites. J. Appl. Polym. Sci. 2007, 106, 1917–1923. [Google Scholar] [CrossRef]
  33. Callister, W.D.; Rethwisch, D.G. Materials Science and Engineering: An Introduction, 10th ed.; Wiley: Hoboken, NJ, USA, 2018. [Google Scholar]
  34. Vian, A. El Pronóstico Económico en Química Industrial, 3rd ed.; Alhambra Publishing: Bertem, Belgium, 1975. [Google Scholar]
  35. Cabra, L.; De Lucas, A.; Ruiz, F.; Ramos, M.J. Metodologías del Diseño Aplicado y Gestión de Proyectos para Ingenieros Químicos; Ed. Castilla-La Mancha Digital: Toledo, Spain, 2010. [Google Scholar]
  36. Querol, A.; Gallardo, S.; Verdú, G. Analysis of Kv in Power-to-Volume Scaling. Application to a Sbloca Transient. 2015. Available online: https://glc.ans.org/nureth-16/data/papers/13635.pdf (accessed on 14 February 2022).
  37. Vosoughifar, H.; Daneshkhah, A.R. Analysis of the Effect of Froude Number on the Flow Regime over Ogee Spillways Using a CFD Method. 2010. Available online: https://www.researchgate.net/profile/Ali-Reza-Daneshkhah/publication/266175495_Analysis_of_the_effect_of_Froude_number_on_the_flow_regime_over_ogee_spillways_using_a_CFD_method/links/5ba3b85d45851574f7d96f9d/Analysis-of-the-effect-of-Froude-number-on-the-flow-regime-over-ogee-spillways-using-a-CFD-method.pdf (accessed on 4 February 2022).
  38. Padron, G.A. Measurement and Comparison of Power Draw in Batch Rotor-Stator Mixers. Ph.D. Thesis, University of Maryland, College Park, MD, USA, 2001. [Google Scholar]
  39. Industrial Water Price. Available online: https://www.aiguesdebarcelona.cat/ca/el-teu-servei-daigua/la-teva-factura-i-tarifes/tarifes-de-subministrament (accessed on 21 November 2022).
  40. Precio Neto de La Electricidad Para Uso Doméstico e Industrial. 2022. Available online: https://www.mincotur.gob.es/es-es/IndicadoresyEstadisticas/BoletinEstadistico/Energ%C3%ADa%20y%20emisiones/4_12.pdf (accessed on 27 October 2022).
  41. Cost of Capital Study 2021—KPMG Germany. 2022. Available online: https://kpmg.com/de/en/home/insights/2021/10/cost-of-capital-study-2021.html (accessed on 5 March 2023).
Figure 1. Experimental system for the polymerization process: (a) real view; (b) scheme: (1) reactor vessel, (2) vessel outlet, (3) heating bath, (4) reflux condenser, (5) nitrogen line, (6) scrubber, (7) digital stirrer and (8) six-bladed Rushton turbine impeller.
Figure 1. Experimental system for the polymerization process: (a) real view; (b) scheme: (1) reactor vessel, (2) vessel outlet, (3) heating bath, (4) reflux condenser, (5) nitrogen line, (6) scrubber, (7) digital stirrer and (8) six-bladed Rushton turbine impeller.
Applsci 13 05150 g001
Figure 2. Stirrer design parameters. D: reactor diameter, d1: impeller diameter, d2: central disk diameter, W: blade with, L: blade length, H: filling reactor level, h: distance between the tank bottom and the impeller.
Figure 2. Stirrer design parameters. D: reactor diameter, d1: impeller diameter, d2: central disk diameter, W: blade with, L: blade length, H: filling reactor level, h: distance between the tank bottom and the impeller.
Applsci 13 05150 g002
Figure 3. Particle size distribution for 2 L and 10 L reactions in volume median.
Figure 3. Particle size distribution for 2 L and 10 L reactions in volume median.
Applsci 13 05150 g003
Figure 4. SEM micrographs of 2 and 10 L reactions.
Figure 4. SEM micrographs of 2 and 10 L reactions.
Applsci 13 05150 g004
Figure 5. FT—IR spectra of particles obtained from 2 and 10 L reactions.
Figure 5. FT—IR spectra of particles obtained from 2 and 10 L reactions.
Applsci 13 05150 g005
Figure 6. Process Flow Diagram for the industrial synthesis of St-MMA-GMA-PEGMA particles with HAS.
Figure 6. Process Flow Diagram for the industrial synthesis of St-MMA-GMA-PEGMA particles with HAS.
Applsci 13 05150 g006
Figure 7. Annual cash flows of the plant.
Figure 7. Annual cash flows of the plant.
Applsci 13 05150 g007
Table 1. Reaction recipe for the synthesis of the St-MMA-GMA-PEGMA particles.
Table 1. Reaction recipe for the synthesis of the St-MMA-GMA-PEGMA particles.
ReagentQuantity (wt%)
Milli-Q water76.5
PVP0.07
BPO0.23
St4.2
MMA18
GMA0.5
PEGMA0.5
Table 2. Stirrer parameters for the 2 L and 10 L reactors.
Table 2. Stirrer parameters for the 2 L and 10 L reactors.
Parameters2 L10 L
D (mm)132.9210.0
d1 (mm)44.370.0
d2 (mm)33.352.2
W (mm)714.0
L (mm)11.117.5
Table 3. Shape factors of laboratory and pilot plant scales.
Table 3. Shape factors of laboratory and pilot plant scales.
Shape Factor2 L Reactor10 L Reactor
S133
S211
S32.53.2
Table 4. Median particle sizes in volume and span.
Table 4. Median particle sizes in volume and span.
ReactorDp,v(0.5) (μm)Span
2 L (525 rpm)3041.90
10 L (210 rpm)2861.44
Table 5. Annual production of HSA functionalized St-MMA-GMA-PEGMA.
Table 5. Annual production of HSA functionalized St-MMA-GMA-PEGMA.
Number of Patients per Year51,200
Treatments per patient and year21
Bilirubin removed per treatment (mg)540
Particle per treatment (g)540
Annual production (Tm/year)581
Table 6. Raw materials consumption for the synthesis of HSA functionalized St-MMA-GMA-PEGMA particles.
Table 6. Raw materials consumption for the synthesis of HSA functionalized St-MMA-GMA-PEGMA particles.
Raw MaterialConsumption (kg/Batch)
Distillate water28,199
NaOH13,125
Al2O310
Polyvinylpyrrolidone3
Styrene828
Methyl methacrylate3550
Glycidyl methacrylate98
Poly(ethylene glycol) methacrylate98
BPO48
Ethanol40,000
Hemofiltration solution2827
HSA37
Table 7. Shape factors of the industrial scale reactor.
Table 7. Shape factors of the industrial scale reactor.
DIMENSSIONS
V (L)26,090
D1 (mm)2898
d1 (mm)966
H1 (mm)2898
h1 (mm)966
Table 8. Fixed capital Investment.
Table 8. Fixed capital Investment.
FIXED CAPITAL INVESTMENTCost 2022 (€)
1. Total equipment (E)206,154,885
2. Materials (M) (60% E)123,692,931
Civil work (28% M)34,634,021
Piping and infrastructure (45% M)55,661,819
Instrumentation (10% M)12,369,293
Electricity (10% M)12,369,293
Insulation (5% M)6,184,647
Painting (2% M)2,473,859
3. Detail Engineering (20% (E + M))65,969,563
4. Process Engineering (10% (E + M))32,984,782
5. Construction (50% (E + M))164,923,908
6. Construction Supervision (10% (E + M))32,984,782
ISBL (∑ Previous costs)750,403,783
7. Auxiliary Services (4% ISBL)30,016,151
8. Off-sites (8% ISBL)60,032,303
9. Start-up costs (3.5% ISBL)26,264,132
10. Contingency (10% (ISBL + 7 + 8 + 9))86,671,637
FIXED CAPITAL INVESTMENT1,703,791,789
Table 9. Price of the raw materials.
Table 9. Price of the raw materials.
Raw MaterialPrice (€/kg)Working Capital (€)
Styrene1.236109
MMA1.6234,480
GMA1.13663
PEGMA418245,360
NaOH7.2567,007
PVP25479
Luperox A750.3396
Al2O30.8449
Hemofiltration solution11.6196,736
HSA25,0005,600,000
Ethanol1.57376,800
Water0.0004 [39]68
Spare parts warehouse42,594,795
Cash42,594,795
WORKING CAPITAL92,217,436
Table 10. Direct manufacturing costs.
Table 10. Direct manufacturing costs.
RAW MATERIALS
Tm/yearPrice (€/kg)Cost (€/year)
Styrene1211.23148,641
MMA5181.62839,018
GMA141.1316,140
PEGMA144185,970,416
NaOH19167.213,797,180
PVP0.52511,665
Luperox A7570.332325
Al2O310.841200
Hemofiltration solution41311.64,787,243
HSA525,000136,266,667
Ethanol7,401,7741.5711,620,786
Water22010.0004880
TOTAL 173,462,160
AUXILIARY SERVICES
PriceConsumptionCost (€/year)
Electricity0.19 [40] (€/kWh)293.8 kWh/year12,438,630
Water0.4 (€/m3)1916 (m3/year)766
Nitrogen5.7 (€/m3)1371 (m3/year)7815
DIRECT OPERATING LABOR
UnitsCost/unit (€)Cost (€/year)
Operators1023,000230,000
Engineers328,80086,400
TOTAL DIRECT MANUFACTURING COSTS186,225,771
Table 11. Indirect manufacturing costs.
Table 11. Indirect manufacturing costs.
Indirect Manufacturing CostsEstimationCosts (€/Year)
Indirect operating labor3 operators52,500
Directive management1 directive36,000
Maintenance1% (Fixed capital investment + working capital)17,690,092
Taxes0.5% Fixed capital investment8,518,895
Insurances1% Fixed capital investment17,037,918
TOTAL 43,335,405
Disclaimer/Publisher’s Note: The statements, opinions and data contained in all publications are solely those of the individual author(s) and contributor(s) and not of MDPI and/or the editor(s). MDPI and/or the editor(s) disclaim responsibility for any injury to people or property resulting from any ideas, methods, instructions or products referred to in the content.

Share and Cite

MDPI and ACS Style

del Prado Garrido, M.; Rodriguez, J.F.; Ramos, M.J.; Carmona, M.; Redondo Calvo, F.J.; Borreguero, A.M. Scale-up and Economic Assessment of Biofunctional Particles Synthesis for Bilirubin Removal. Appl. Sci. 2023, 13, 5150. https://doi.org/10.3390/app13085150

AMA Style

del Prado Garrido M, Rodriguez JF, Ramos MJ, Carmona M, Redondo Calvo FJ, Borreguero AM. Scale-up and Economic Assessment of Biofunctional Particles Synthesis for Bilirubin Removal. Applied Sciences. 2023; 13(8):5150. https://doi.org/10.3390/app13085150

Chicago/Turabian Style

del Prado Garrido, María, Juan Francisco Rodriguez, Maria Jesús Ramos, Manuel Carmona, Francisco Javier Redondo Calvo, and Ana Maria Borreguero. 2023. "Scale-up and Economic Assessment of Biofunctional Particles Synthesis for Bilirubin Removal" Applied Sciences 13, no. 8: 5150. https://doi.org/10.3390/app13085150

APA Style

del Prado Garrido, M., Rodriguez, J. F., Ramos, M. J., Carmona, M., Redondo Calvo, F. J., & Borreguero, A. M. (2023). Scale-up and Economic Assessment of Biofunctional Particles Synthesis for Bilirubin Removal. Applied Sciences, 13(8), 5150. https://doi.org/10.3390/app13085150

Note that from the first issue of 2016, this journal uses article numbers instead of page numbers. See further details here.

Article Metrics

Back to TopTop