Influenced Zone of Deep Excavation and a Simplified Prediction Method for Adjacent Tunnel Displacement in Thick Soft Soil
Abstract
1. Introduction
2. Collection and Statistics of Case Histories
2.1. Collection of Case Histories
2.2. Statistics of Case Histories
2.2.1. Typical Strata Where the Case History Occurred
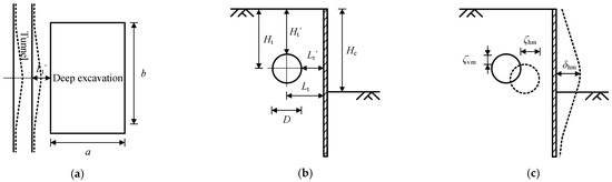
2.2.2. Structure Forms and Dimensions of the Deep Excavation and Tunnel
2.2.3. Relative Position between the Tunnel and Deep Excavation
3. Numerical Simulation of the Effect of Deep Excavation on Adjacent Tunnels
3.1. FEM Numerical Model
3.2. Constitutive Model and Parameters of Material
3.2.1. Constitutive Model and Parameters of Soil
3.2.2. Constitutive Model and Parameters of Retaining Wall, Horizontal Struts and Tunnel
3.2.3. Constitutive Model and Parameters of Wall-Soil and Tunnel-Soil Interfaces
3.3. Simulation Conditions
3.4. Simulation Steps of the Construction Process
4. Influenced Zone of Deep Excavation on Adjacent Tunnel Displacement
4.1. Influenced Zone of Deep Excavation under Different Simulation Conditions
4.2. Effects of He and δhm on the Scope of Influenced Zone
4.3. Prediction Method of Influenced Zone under any He and δhm Conditions
5. Verification of the Proposed Method
5.1. Verification by Comparing with the Results in Current Research
5.2. Verification by Comparing with the Results in Case Histories
6. Application and Discussion of the Proposed Method
6.1. Project Introduction
6.2. Prediction of Influenced Zone and Adjacent Tunnel Displacement
6.3. Evaluation and Control of Tunnel Displacement
6.4. Discussion of the Proposed Method
7. Conclusions
- The range outside the pit can be divided into: I (primary influenced zone), II (secondary influenced zone), III (general influenced zone), and IV (weak influenced zone), corresponding to the three-level tunnel displacement control standards of 20 mm, 10 mm, and 5 mm;
- The influenced zone can be simplified as a right-angled trapezoid shape, and the isoline of tunnel displacement can be simplified as a polyline. By defining the coordinates of three points on the polyline: width coefficient M, depth coefficients N1 and N2, the scope of the influenced zone can be quickly determined;
- M and N2 basically have a linear relationship with the He and δhm, but N1 is less affected by He and δhm, and it can be taken as a constant of 1.5. Based on these relationships and the division results of the influenced zone under different simulation conditions, the scope of the influenced zone under any He and δhm conditions can be determined by linear interpolation;
- In practice, using the proposed method to predict the influenced zone of deep excavation and the excavation-induced tunnel displacement and then taking some control measures, the effect of deep excavation on the adjacent tunnel can be reduced, and the tunnel displacement can be kept within a reasonable range.
Author Contributions
Funding
Institutional Review Board Statement
Informed Consent Statement
Data Availability Statement
Acknowledgments
Conflicts of Interest
References
- Chen, X.S. Research on combined construction technology for cross-subway tunnels in underground spaces. Engineering 2018, 4, 103–111. [Google Scholar] [CrossRef]
- Liu, B.; Fan, X.H.; Wang, Y.Y.; Zhang, J.B.; Fan, Z.B. Influences of excavation on adjacent existing metro tunnels: A review. Chin. J. Geo. Eng. 2021, 43, 253–258. [Google Scholar] [CrossRef]
- Meng, F.Y.; Chen, R.P.; Xu, Y.; Wu, K.; Wu, H.N.; Liu, Y. Contributions to responses of existing tunnel subjected to nearby excavation: A review. Tunn. Undergr. Space Technol. 2022, 119, 104195. [Google Scholar] [CrossRef]
- Vinoth, M.; MS, A. Behaviour of existing tunnel due to adjacent deep excavation—A review. Int. J. Geo. Eng. 2021, 16, 1132–1151. [Google Scholar] [CrossRef]
- Wei, G.; Zhao, C.L.; Cai, L.L. Mechanism of foundation pit excavation impact on existing nearby shield tunnel. Munic. Eng. Technol. 2013, 31, 141–146. [Google Scholar] [CrossRef]
- Wei, G.; Li, J.; Xuan, H.L.; Dong, L.Z.; Xu, Y.Y.; Zhang, S.M. Monitoring data analysis on the influence of large deep foundation pit excavation on nearby metro shield tunnel. J. Railw. Sci. Eng. 2018, 15, 718–726. [Google Scholar] [CrossRef]
- Liu, B.; Zhang, D.W.; Li, J.C. Prediction formula and its application of existing tunnel deformation induced by laterally adjacent deep excavation based on case statistics. Rock Soil Mech. 2022, 43, 501–512. [Google Scholar] [CrossRef]
- Zhang, Z.G.; Zhang, M.X.; Wang, W.D. Two-stage method for analyzing effects on adjacent metro tunnels due to foundation pit excavation. Rock Soil Mech. 2011, 32, 2085–2092. [Google Scholar] [CrossRef]
- Zhang, Z.G.; Huang, M.S.; Wang, W.D. Evaluation of deformation response for adjacent tunnels due to soil unloading in excavation engineering. Tunn. Undergr. Space Technol. 2013, 38, 244–253. [Google Scholar] [CrossRef]
- Mindlin, R.D. Force at a point in the interior of a semi-infinite solid. Physics 1936, 7, 195–202. [Google Scholar] [CrossRef]
- Liang, R.Z.; Xia, T.D.; Huang, M.S.; Lin, C.G. Simplified analytical method for evaluating the effects of adjacent excavation on shield tunnel considering the shearing effect. Comput. Geotech. 2017, 81, 167–187. [Google Scholar] [CrossRef]
- Liang, R.Z.; Wu, W.B.; Yu, F.; Jiang, G.S.; Liu, J.W. Simplified method for evaluating shield tunnel deformation due to adjacent excavation. Tunn. Undergr. Space Technol. 2018, 71, 94–105. [Google Scholar] [CrossRef]
- Zhou, Z.L.; Chen, S.G.; Tu, P.; Zhang, H.S. An analytic study on the deflection of subway tunnel due to adjacent excavation of foundation pit. J. Mod. Transp. 2015, 23, 287–297. [Google Scholar] [CrossRef]
- Huang, X.; Schweiger, H.F.; Huang, H.W. Influence of deep excavations on nearby existing tunnels. Int. J. Geomech. 2013, 13, 170–180. [Google Scholar] [CrossRef]
- Tan, Y.; Li, X.; Kang, Z.J.; Liu, J.X.; Zhu, Y.B. Zoned excavation of an oversized pit close to an existing metro line in stiff clay: Case study. J. Perform. Constr. Fac. 2015, 29, 04014158. [Google Scholar] [CrossRef]
- Chen, R.P.; Meng, F.Y.; Li, Z.C.; Ye, Y.H.; Ye, J.N. Investigation of response of metro tunnels due to adjacent large excavation and protective measures in soft soils. Tunn. Undergr. Space Technol. 2016, 58, 224–235. [Google Scholar] [CrossRef]
- Shi, C.H.; Cao, C.Y.; Lei, M.F.; Ai, H.J. Effects of lateral unloading on the mechanical and deformation performance of shield tunnel segment joints. Tunn. Undergr. Space Technol. 2016, 51, 175–188. [Google Scholar] [CrossRef]
- Li, M.G.; Chen, J.J.; Wang, J.H.; Zhu, Y.F. Comparative study of construction methods for deep excavations above shield tunnels. Tunn. Undergr. Space Technol. 2018, 71, 329–339. [Google Scholar] [CrossRef]
- Li, M.G.; Xiao, X.; Wang, J.H.; Chen, J.J. Numerical study on responses of an existing metro line to staged deep excavations. Tunn. Undergr. Space Technol. 2019, 85, 268–281. [Google Scholar] [CrossRef]
- Zheng, G.; Wang, F.J.; Du, Y.M.; Diao, Y.; Lei, Y.W.; Cheng, X.S. The efficiency of the ability of isolation piles to control the deformation of tunnels adjacent to excavations. Int. J. Civ. Eng. 2018, 16, 1475–1490. [Google Scholar] [CrossRef]
- Zhang, D.M.; Xie, X.C.; Li, Z.L.; Zhang, J. Simplified analysis method for predicting the influence of deep excavation on existing tunnels. Comput. Geotech. 2020, 121, 103477. [Google Scholar] [CrossRef]
- Bian, X.C.; Hu, H.Q.; Zhao, C.; Ye, J.N.; Chen, Y.M. Protective effect of partition excavations of a large-deep foundation pit on adjacent tunnels in soft soils: A case study. Bull. Eng. Geol. Environ. 2021, 80, 5693–5707. [Google Scholar] [CrossRef]
- Cheng, X.D.; Hong, T.Q.; Lu, Z.T.; Cheng, X.C. Characterization of underlying twin shield tunnels due to foundation-excavation unloading in soft soils: An experimental and numerical study. Appl. Sci. 2021, 11, 10938. [Google Scholar] [CrossRef]
- Ye, S.H.; Zhao, Z.F.; Wang, D.Q. Deformation analysis and safety assessment of existing metro tunnels affected by excavation of a foundation pit. Undergr. Space 2021, 6, 421–431. [Google Scholar] [CrossRef]
- Tanoli, A.Y.; Yan, B.; Xiong, Y.L.; Ye, G.L.; Khalid, U.; Xu, Z.H. Numerical analysis on zone-divided deep excavation in soft clays using a new small strain elasto–plastic constitutive model. Undergr. Space 2022, 7, 19–36. [Google Scholar] [CrossRef]
- Zhao, X.; Li, Z.W.; Dai, G.L.; Wang, H.X.; Yin, Z.W.; Cao, S.N. Numerical study on the deformation of tunnels by excavation of foundation pit adjacent to the subway. Appl. Sci. 2022, 12, 4530. [Google Scholar] [CrossRef]
- Zheng, G.; Du, Y.M.; Diao, Y.; Deng, X.; Zhu, G.P.; Zhang, L.M. Influenced zones for deformation of existing tunnels adjacent to excavations. Chin. J. Geot. Eng. 2016, 38, 599–612. [Google Scholar] [CrossRef]
- Kung, G.T.C.; Hsiao, E.C.L.; Juang, C.H. Evaluation of a simplified small-strain soil model for analysis of excavation-induced movements. Can. Geotech. J. 2007, 44, 726–736. [Google Scholar] [CrossRef]
- Benz, T.; Schwab, R.; Vermeer, P. Small-strain stiffness in geotechnical analyses. Bautechnik 2009, 86, 16–27. [Google Scholar] [CrossRef]
- Schweiger, H.F.; Vermeer, P.A.; Wehnert, M. On the design of deep excavations based on finite element analysis. Geomech. Tunn. 2009, 2, 333–344. [Google Scholar] [CrossRef]
- Ardakani, A.; Bayat, M.; Javanmard, M. Numerical modeling of soil nail walls considering mohr coulomb, hardening soil and hardening soil with small-strain stiffness effect models. Geomech. Eng. 2014, 6, 391–401. [Google Scholar] [CrossRef]
- Zheng, G.; Yang, X.Y.; Zhou, H.Z.; Du, Y.M.; Sun, J.Y.; Yu, X.X. A simplified prediction method for evaluating tunnel displacement induced by laterally adjacent excavations. Comput. Geotech. 2018, 95, 119–128. [Google Scholar] [CrossRef]
- Lee, K.M.; Ge, X.W. The equivalence of a jointed shield-driven tunnel lining to a continuous ring structure. Can. Geotech. J. 2001, 38, 461–483. [Google Scholar] [CrossRef]
- Ye, F.; Gou, C.F.; Sun, H.D.; Liu, Y.P.; Xia, Y.X.; Zhou, Z. Model test study on effective ratio of segment transverse bending rigidity of shield tunnel. Tunn. Undergr. Space Technol. 2014, 41, 193–205. [Google Scholar] [CrossRef]
- Zheng, G.; Lei, Y.W.; Cui, T.; Cheng, X.S.; Diao, Y.; Zhang, T.Q.; Sun, J.B. Experimental research on the transverse effective bending rigidity of shield tunnels. Adv. Civ. Eng. 2019, 2019, 2174562. [Google Scholar] [CrossRef]
- Tang, Y.F.; Chen, H.C.; Ye, Z.W.; Liu, T.J.; Yang, Y.B. Experimental study on the transverse effective bending rigidity of segmental lining structures. Adv. Civ. Eng. 2020, 2020, 8836505. [Google Scholar] [CrossRef]
- Huang, D.W.; Jiang, H.; Luo, W.J.; Xiong, H.; Tang, B.Z.; Xu, J.H. Algorithm for an effective ratio of the transverse bending rigidity based on the segment joint bending stiffness. Appl. Sci. 2022, 12, 1901. [Google Scholar] [CrossRef]
- CCES. CCES 03–2016; Guideline for Safety Assessment and Control Technology of Adjacent Structures Impacted by Deep Excavation and Tunneling in Soft Soils of Urban Area. China Architecture & Building Press: Beijing, China, 2016. [Google Scholar]
- MOHURD. CJJ/T 202–2013; Technical Code for Protection Structure of Urban Rail Transit. China Architecture & Building Press: Beijing, China, 2013. [Google Scholar]
- MOHURD. GB 50911–2013; Code for Monitoring Measurement of Urban Rail Transit Engineering. China Architecture & Building Press: Beijing, China, 2013. [Google Scholar]
- Chang, C.T.; Sun, C.W.; Duann, S.W.; Hwang, R.N. Response of a Taipei Rapid Transit System (TRTS) tunnel to adjacent excavation. Tunn. Undergr. Space Technol. 2001, 16, 151–158. [Google Scholar] [CrossRef]
- Hwang, R.N.; Duann, S.W.; Cheng, K.H.; Chen, C.H. Damages to metro tunnels due to adjacent Excavations. In Proceedings of TC302 symposium Osaka 2011: International Symposium on Backwards Problem in Geotechnical Engineering and Monitoring of Geo-Construction, Osaka, Janpan, 14–15 July 2011; pp. 83–88. [Google Scholar]
- Hu, Z.F.; Yue, Z.Q.; Zhou, J.; Tham, L.G. Design and construction of a deep excavation in soft soils adjacent to the shanghai metro tunnels. Can. Geotech. J. 2003, 40, 933–948. [Google Scholar] [CrossRef]
- Liu, B.; Zhang, D.W.; Yang, C.; Zhang, Q.B. Long-term performance of metro tunnels induced by adjacent large deep excavation and protective measures in Nanjing silty clay. Tunn. Undergr. Space Technol. 2020, 95, 103147. [Google Scholar] [CrossRef]



















| No. | Parameters | Definition | Values |
|---|---|---|---|
| 1 | unit weight | 19.8 kN/m3 | |
| 2 | void ratio | 0.6 | |
| 3 | effective cohesion | 14.0 kPa | |
| 4 | effective friction angle | 25.7° | |
| 5 | dilatancy angle | 0 | |
| 6 | secant stiffness in standard drained triaxial test | 7.2 MPa | |
| 7 | tangent stiffness for oedometer primary loading | 5.1 MPa | |
| 8 | triaxial unloading-reloading stiffness | 36.8 MPa | |
| 9 | power for the stress-level dependency of stiffness | 0.8 | |
| 10 | Poisson’s ratio for unloading-reloading | 0.2 | |
| 11 | reference stress for stiffness | 100 kPa | |
| 12 | failure ratio | 0.9 | |
| 13 | stress ratio of the effective horizontal stress to the effective vertical stress in a normally consolidated state | 0.57 | |
| 14 | initial shear stiffness | 99.3 MPa | |
| 15 | 0.20 × 10−3 |
| He (m) | δhm (m) | Ht (m) | Lt (m) | Number |
|---|---|---|---|---|
| 18 | 0.18%He, 0.3%He, 0.7%He | 9, 12, 15, 18, 24, 30, 36, 42, 48, 54 | 6, 9, 12, 15, 18, 24, 30, 36, 42, 48, 54 | 330 |
| 15 | 0.18%He, 0.3%He, 0.7%He | 9, 12, 15, 21, 27, 33, 39, 45 | 6, 9, 12, 15, 21, 27, 33, 39, 45 | 216 |
| 12 | 0.18%He, 0.3%He, 0.7%He | 9, 12, 18, 24, 30, 36 | 6, 9, 12, 18, 24, 30, 36 | 126 |
| 9 | 0.18%He, 0.3%He, 0.7%He | 9, 15, 21, 27 | 6, 9, 15, 21, 27 | 60 |
| He (m) | δhm (mm) | 20 mm | 10 mm | 5 mm | ||||||
|---|---|---|---|---|---|---|---|---|---|---|
| M | N1 | N2 | M | N1 | N2 | M | N1 | N2 | ||
| He = 18 m | 0.18%He | 0.60 | 1.30 | 1.75 | 1.35 | 1.30 | 2.35 | 2.15 | 1.50 | 3.30 |
| 0.3%He | 0.90 | 1.25 | 1.80 | 1.45 | 1.35 | 2.40 | 2.30 | 1.50 | 3.40 | |
| 0.7%He | 1.15 | 1.25 | 2.00 | 1.75 | 1.35 | 2.50 | 2.55 | 1.50 | 3.45 | |
| He = 15 m | 0.18%He | 0.50 | 1.40 | 1.60 | 1.10 | 1.30 | 2.20 | 1.90 | 1.75 | 3.30 |
| 0.3%He | 0.80 | 1.20 | 1.80 | 1.20 | 1.30 | 2.30 | 2.00 | 1.60 | 3.40 | |
| 0.7%He | 1.10 | 1.30 | 2.00 | 1.50 | 1.50 | 2.50 | 2.30 | 1.80 | 3.40 | |
| He = 12 m | 0.18%He | — | — | — | 1.00 | 1.50 | 2.10 | 1.75 | 1.75 | 3.30 |
| 0.3%He | 0.70 | 1.30 | 1.75 | 1.10 | 1.60 | 2.25 | 1.75 | 2.0 | 3.40 | |
| 0.7%He | 0.85 | 1.40 | 1.80 | 1.20 | 1.50 | 2.30 | 2.00 | 1.75 | 3.40 | |
| He = 9 m | 0.18%He | — | — | — | 0.75 | 1.30 | 1.70 | 1.250 | 1.50 | 3.10 |
| 0.3%He | — | — | — | 0.90 | 1.50 | 2.10 | 1.30 | 1.60 | 3.20 | |
| 0.7%He | — | — | — | 1.00 | 1.60 | 2.10 | 1.30 | 1.75 | 3.20 | |
| He (m) | δhm (mm) | 20 mm | 10 mm | 5 mm | ||||||
|---|---|---|---|---|---|---|---|---|---|---|
| M | N1 | N2 | M | N1 | N2 | M | N1 | N2 | ||
| 18 | 30 | 0.58 | 1.50 | 1.55 | 1.10 | 1.66 | 2.00 | 2.10 | 2.00 | 2.50 |
| 18 | 45 | 0.81 | 1.53 | 1.68 | 1.28 | 1.68 | 2.00 | 2.12 | 2.00 | 2.56 |
| 18 | 60 | 1.08 | 1.36 | 1.78 | 1.40 | 1.54 | 2.10 | 2.24 | 2.06 | 2.60 |
| He (m) | δhm (mm) | 20 mm | 10 mm | 5 mm | ||||||
|---|---|---|---|---|---|---|---|---|---|---|
| M | N1 | N2 | M | N1 | N2 | M | N1 | N2 | ||
| 18 | 30 | 0.57 | 1.50 | 1.74 | 1.34 | 1.50 | 2.34 | 2.13 | 1.50 | 3.29 |
| 18 | 45 | 0.78 | 1.50 | 1.78 | 1.41 | 1.50 | 2.38 | 2.24 | 1.50 | 3.36 |
| 18 | 60 | 0.92 | 1.50 | 1.82 | 1.47 | 1.50 | 2.41 | 2.32 | 1.50 | 3.40 |
| Strata | ω (%) | e | γ (kN/m3) | c (kPa) | φ (°) | IP | Es (MPa) |
|---|---|---|---|---|---|---|---|
| ①-1 | — | — | 18.5 | 6 | 15 | — | — |
| ①-2 | 30.1 | 0.86 | 19.1 | 15 | 12 | 16.0 | 4.95 |
| ②-1 | 31.2 | 0.87 | 19.1 | 15 | 16 | 16.6 | 4.46 |
| ②-2 | 38.4 | 1.07 | 18.1 | 12 | 15 | 15.2 | 3.27 |
| ②-3 | 36.3 | 1.05 | 18.2 | 11 | 18 | 13.8 | 3.48 |
| ②-4 | 30.3 | 0.86 | 18.8 | 8.2 | 31 | — | 11.56 |
| ②-5 | 25.1 | 0.77 | 19 | 8.3 | 32 | — | 14.36 |
Disclaimer/Publisher’s Note: The statements, opinions and data contained in all publications are solely those of the individual author(s) and contributor(s) and not of MDPI and/or the editor(s). MDPI and/or the editor(s) disclaim responsibility for any injury to people or property resulting from any ideas, methods, instructions or products referred to in the content. |
© 2023 by the authors. Licensee MDPI, Basel, Switzerland. This article is an open access article distributed under the terms and conditions of the Creative Commons Attribution (CC BY) license (https://creativecommons.org/licenses/by/4.0/).
Share and Cite
Liu, B.; Shao, C.; Wang, N.; Zhang, D. Influenced Zone of Deep Excavation and a Simplified Prediction Method for Adjacent Tunnel Displacement in Thick Soft Soil. Appl. Sci. 2023, 13, 4647. https://doi.org/10.3390/app13074647
Liu B, Shao C, Wang N, Zhang D. Influenced Zone of Deep Excavation and a Simplified Prediction Method for Adjacent Tunnel Displacement in Thick Soft Soil. Applied Sciences. 2023; 13(7):4647. https://doi.org/10.3390/app13074647
Chicago/Turabian StyleLiu, Bo, Chengmeng Shao, Ningning Wang, and Dingwen Zhang. 2023. "Influenced Zone of Deep Excavation and a Simplified Prediction Method for Adjacent Tunnel Displacement in Thick Soft Soil" Applied Sciences 13, no. 7: 4647. https://doi.org/10.3390/app13074647
APA StyleLiu, B., Shao, C., Wang, N., & Zhang, D. (2023). Influenced Zone of Deep Excavation and a Simplified Prediction Method for Adjacent Tunnel Displacement in Thick Soft Soil. Applied Sciences, 13(7), 4647. https://doi.org/10.3390/app13074647

