In-Cylinder Heat Transfer Model Proposal Compatible with 1D Simulations in Uniflow Scavenged Engines
Abstract
1. Introduction
2. Materials
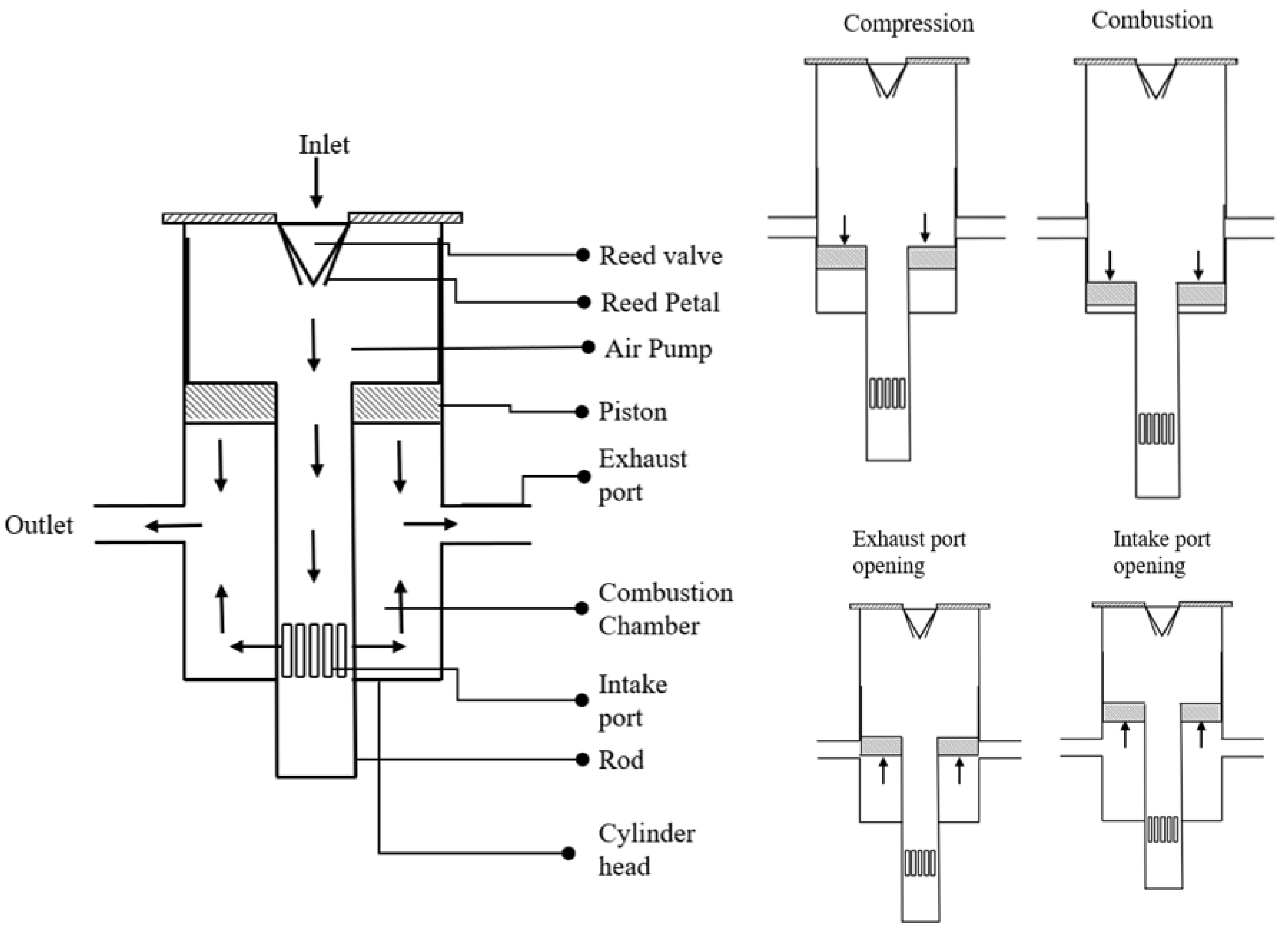
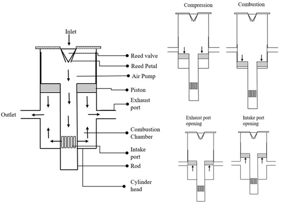
2.1. Experimental Setup
2.2. 1D Modelling
2.3. Model Validation
2.4. 3D CFD Model
3. Methods
3.1. Woschni Correlation
3.2. Hohenberg’s Correlation
3.3. Anand Correlation
3.4. Proposed Heat Transfer Correlation
4. Results and Discussion
4.1. Reliability Assessment of Heat Transfer Models
4.2. Performance Assessment of Heat Transfer Models
4.3. Sensitivity Analysis
5. Conclusions
- Under identical initial conditions for all the heat transfer correlations, it was observed that the state of art correlations, which include Anand, Hohenberg, and Woschni heat transfer correlations, provide similar results during scavenging. The heat transfer coefficient during scavenging can be as low as 200 , leading to a peak deviation of 85 °C in temperature predictions and up to 12% in deviation for trapped mass predictions. On the other hand, the proposed heat transfer model calculates a peak coefficient of 800 during scavenging, leading to a peak temperature deviation of 25 °C along with almost negligible error in trapped mass predictions.
- Under identical combustion settings and a similar peak heat transfer coefficient, a difference in trapped mass of up to 6% at the exhaust port closing was observed using the proposed heat transfer model. The gases inside the cylinder were cooled a further 85 °C, leading to a higher trapped mass. This translated to differences of up to 12% in the IMEP of the engine.
- A sensitivity analysis was performed to evaluate the impact of the model constants on the engine operation. These constants included both Woschni and the proposed heat transfer correlation during scavenging. In this analysis, coefficient b (correction coefficient of proposed heat transfer correlation) was changed by ±50% from the mean value, and coefficient a (correction coefficient of Woschni heat transfer correlation) was changed by ±42%. Results depicted that coefficient b had a more significant impact on trapped mass. A sweep along varying coefficient b and at constant coefficient a can lead to a 15% change in trapped mass. Conversely, a sweep along varying coefficient a and at constant coefficient b can lead to a maximum difference of 5% in trapped mass.
Author Contributions
Funding
Institutional Review Board Statement
Informed Consent Statement
Data Availability Statement
Conflicts of Interest
Abbreviations
| Symbols | Nomenclature | Units |
| a | Correction coefficient of Woschni correlation | N/a |
| A | Area | m2 |
| b | Correction coefficient of proposed correlation | N/a |
| b | Damper coefficient | |
| B | Bore | m |
| CAD, θ | Crank angle | degrees |
| C0,C1,C2 | Correction coefficients | N/a |
| c* | Pseudo velocity | |
| D | Diameter | m |
| F | Force | Pascal |
| h | Convective heat transfer coefficient | |
| IMEP | Indicative mean effective pressure | bar |
| k | Spring constant | |
| Kgas | Thermal conductivity | |
| m | Mass | g |
| Mass flow rate | ||
| Nu | Nusselt number | N/a |
| p | Pressure | Pascal |
| Pr | Prandtl number | N/a |
| Rate of heat transfer | ||
| Re | Reynold number | N/a |
| T | Temperature | K |
| Mean piston velocity | ||
| V | Volume | m3 |
| Displacement | m | |
| Velocity | ||
| Acceleration | ||
| Density | ||
| Dynamic Viscosity |
References
- García-Oliver, J.M.; Novella, R.; Micó, C.; Bin-Khalid, U. A numerical investigation of the performance of oxymethylene ethers blended with fossil diesel to reduce soot emissions in compression ignition engines. Fuel 2022, 324, 124768. [Google Scholar] [CrossRef]
- Dabbaghi, M.; Baharom, M.; Karim, Z.A.; Aziz, A.R.A.; Mohammed, S.E. Comparative evaluation of different heat transfer correlations on a single curved-cylinder spark ignition crank-rocker engine. Alex. Eng. J. 2021, 60, 2963–2978. [Google Scholar] [CrossRef]
- Serrano, J.; Arnau, F.; Bares, P.; Gomez-Vilanova, A.; Garrido-Requena, J.; Luna-Blanca, M.; Contreras-Anguita, F. Analysis of a novel concept of 2-stroke rod-less opposed pistons engine (2S-ROPE): Testing, modelling, and forward potential. Appl. Energy 2021, 282, 116135. [Google Scholar] [CrossRef]
- Mikalsen, R.; Roskilly, A. A computational study of free-piston diesel engine combustion. Appl. Energy 2009, 86, 1136–1143. [Google Scholar] [CrossRef]
- Jia, B.; Smallbone, A.; Zuo, Z.; Feng, H.; Roskilly, A.P. Design and simulation of a two- or four-stroke free-piston engine generator for range extender applications. Energy Convers. Manag. 2016, 111, 289–298. [Google Scholar] [CrossRef]
- Mikalsen, R.; Roskilly, A. A review of free-piston engine history and applications. Appl. Therm. Eng. 2007, 27, 2339–2352. [Google Scholar] [CrossRef]
- Mikalsen, R.; Roskilly, A. Performance simulation of a spark ignited free-piston engine generator. Appl. Therm. Eng. 2008, 28, 1726–1733. [Google Scholar] [CrossRef]
- Herold, R.; Wahl, M.; Regner, G.; Lemke, J.; Foster, D.E. Thermodynamic Benefits of Opposed-Piston Two-Stroke Engines; SAE Technical Paper 2011-01-2216; SAE International: Pittsburgh, PA, USA, 2011. [Google Scholar] [CrossRef]
- Buidin, T.; Mariasiu, F. Modeling Approach of an Air-Based Battery Thermal Management System for an Electric Vehicle. Appl. Sci. 2021, 11, 7089. [Google Scholar] [CrossRef]
- Wang, X.; Zhao, H. A High-Efficiency Two-Stroke Engine Concept: The Boosted Uniflow Scavenged Direct-Injection Gasoline (BUSDIG) Engine with Air Hybrid Operation. Engineering 2019, 5, 535–547. [Google Scholar] [CrossRef]
- Wang, X.; Zhao, H. Analysis of the Boost System for a High Performance 2-Stroke Boosted Uniflow Scavenged Direct Injection Gasoline (BUSDIG) Engine; SAE Technical Paper; SAE International: Atlanta, GA, USA, 2020. [Google Scholar] [CrossRef]
- Wang, X.; Zhao, H. Effect of piston shape design on the scavenging performance and mixture preparation in a two-stroke boosted uniflow scavenged direct injection gasoline engine. Int. J. Engine Res. 2020, 22, 1484–1499. [Google Scholar] [CrossRef]
- Benson, R.S.; Brandham, P.T. A method for obtaining a quantitative assessment of the influence of charging efficiency on two-stroke engine performance. Int. J. Mech. Sci. 1969, 11, 303–312. [Google Scholar] [CrossRef]
- Sakellaridis, N.F.; Raptotasios, S.I.; Antonopoulos, A.K.; Mavropoulos, G.C.; Hountalas, D.T. Development and validation of a new turbocharger simulation methodology for marine two stroke diesel engine modelling and diagnostic applications. Energy 2015, 91, 952–966. [Google Scholar] [CrossRef]
- Zareei, J.; Kakaee, A.H. Study and the effects of ignition timing on gasoline engine performance and emissions. Eur. Transp. Res. Rev. 2013, 5, 109–116. [Google Scholar] [CrossRef]
- Foteinos, M.I.; Papazoglou, A.; Kyrtatos, N.P.; Stamatelos, A.; Zogou, O.; Stamatellou, A.-M. A Three-Zone Scavenging Model for Large Two-Stroke Uniflow Marine Engines Using Results from CFD Scavenging Simulations. Energies 2019, 12, 1719. [Google Scholar] [CrossRef]
- Zhu, S.; Gu, Y.; Yuan, H.; Ma, Z.; Deng, K. Thermodynamic analysis of the turbocharged marine two-stroke engine cycle with different scavenging air control technologies. Energy 2019, 191, 116533. [Google Scholar] [CrossRef]
- Kim, J.-S.; Lee, W.-J.; Pham, V.C.; Choi, J.-H. A Numerical Study on Fuel Injection Optimization for a ME-GI Dual-Fuel Marine Engine Based on CFD Analysis. Appl. Sci. 2022, 12, 3614. [Google Scholar] [CrossRef]
- Moreno, P.B. In-Cylinder Pressure Resonance Analysis for Trapped Mass Estimation in Automotive Engines. Ph.D. Thesis, Universitat Politècnica de València, Valencia, Spain, June 2017. [Google Scholar] [CrossRef]
- Carlucci, A.P.; Ficarella, A.; Laforgia, D.; Longo, M. An Easy and Inexpensive Way to Estimate the Trapping Efficiency of a two Stroke Engine. Energy Procedia 2015, 82, 17–22. [Google Scholar] [CrossRef]
- Di Leo, R. Methodologies for Air-Fuel ratio and trapped mass estimation in Diesel engines using the in-cylinder pressure measurement. Energy Procedia 2015, 82, 957–964. [Google Scholar] [CrossRef]
- Arsie, I.; Di Leo, R.; Pianese, C.; De Cesare, M. Estimation of in-cylinder mass and AFR by cylinder pressure measurement in automotive Diesel Engines. 2014, 47, 11836–11841. Diesel Engines 2014, 47, 11836–11841. [Google Scholar] [CrossRef]
- Jia, B.; Smallbone, A.; Feng, H.; Tian, G.; Zuo, Z.; Roskilly, A. A fast response free-piston engine generator numerical model for control applications. Appl. Energy 2016, 162, 321–329. [Google Scholar] [CrossRef]
- Jia, B.; Zuo, Z.; Tian, G.; Feng, H.; Roskilly, A. Development and validation of a free-piston engine generator numerical model. Energy Convers. Manag. 2015, 91, 333–341. [Google Scholar] [CrossRef]
- Jia, B.; Zuo, Z.; Feng, H.; Tian, G.; Smallbone, A.; Roskilly, A. Effect of closed-loop controlled resonance based mechanism to start free piston engine generator: Simulation and test results. Appl. Energy 2016, 164, 532–539. [Google Scholar] [CrossRef]
- Chan, S.H.; Zhu, J. Modelling of engine in-cylinder thermodynamics under high values of ignition retard. Int. J. Therm. Sci. 2001, 40, 94–103. [Google Scholar] [CrossRef]
- Jia, B.; Mikalsen, R.; Smallbone, A.; Zuo, Z.; Feng, H.; Roskilly, A.P. Piston motion control of a free-piston engine generator: A new approach using cascade control. Appl. Energy 2016, 179, 1166–1175. [Google Scholar] [CrossRef]
- Li, K.; Zhang, C.; Sun, Z. Precise piston trajectory control for a free piston engine. Control. Eng. Pract. 2015, 34, 30–38. [Google Scholar] [CrossRef]
- Feng, H.; Guo, C.; Jia, B.; Zuo, Z.; Guo, Y.; Roskilly, T. Research on the intermediate process of a free-piston linear generator from cold start-up to stable operation: Numerical model and experimental results. Energy Convers. Manag. 2016, 122, 153–164. [Google Scholar] [CrossRef]
- Dižo, J.; Blatnický, M.; Sága, M.; Šťastniak, P. A Numerical Study of a Compressed Air Engine with Rotating Cylinders. Appl. Sci. 2021, 11, 7504. [Google Scholar] [CrossRef]
- Kim, J.; Bae, C.; Kim, G. Simulation on the effect of the combustion parameters on the piston dynamics and engine performance using the Wiebe function in a free piston engine. Appl. Energy 2013, 107, 446–455. [Google Scholar] [CrossRef]
- Mikalsen, R.; Roskilly, A. The control of a free-piston engine generator. Part 1: Fundamental analyses. Appl. Energy 2010, 87, 1273–1280. [Google Scholar] [CrossRef]
- Mikalsen, R.; Roskilly, A. The control of a free-piston engine generator. Part 2: Engine dynamics and piston motion control. Appl. Energy 2010, 87, 1281–1287. [Google Scholar] [CrossRef]
- Mikalsen, R.; Roskilly, A. The design and simulation of a two-stroke free-piston compression ignition engine for electrical power generation. Appl. Therm. Eng. 2008, 28, 589–600. [Google Scholar] [CrossRef]
- Olmeda, P.; Martín, J.; Novella, R.; Carreño, R. An adapted heat transfer model for engines with tumble motion. Appl. Energy 2015, 158, 190–202. [Google Scholar] [CrossRef]
- Hou, S.-S. Heat transfer effects on the performance of an air standard Dual cycle. Energy Convers. Manag. 2004, 45, 3003–3015. [Google Scholar] [CrossRef]
- Luján, J.M.; Climent, H.; Olmeda, P.; Jiménez, V.D. Heat transfer modeling in exhaust systems of high-performance two-stroke engines. Appl. Therm. Eng. 2014, 69, 96–104. [Google Scholar] [CrossRef]
- Lounici, M.S.; Loubar, K.; Balistrou, M.; Tazerout, M. Investigation on heat transfer evaluation for a more efficient two-zone combustion model in the case of natural gas SI engines. Appl. Therm. Eng. 2011, 31, 319–328. [Google Scholar] [CrossRef]
- Verhelst, S.; Sheppard, C. Multi-zone thermodynamic modelling of spark-ignition engine combustion – An overview. Energy Convers. Manag. 2009, 50, 1326–1335. [Google Scholar] [CrossRef]
- Illán, F.; Alarcón, M. Numerical analysis of combustion and transient heat transfer processes in a two-stroke SI engine. Appl. Therm. Eng. 2010, 30, 2469–2475. [Google Scholar] [CrossRef]
- Descieux, D.; Feidt, M. One zone thermodynamic model simulation of an ignition compression engine. Appl. Therm. Eng. 2007, 27, 1457–1466. [Google Scholar] [CrossRef]
- Guezennec, Y.G.; Hamama, W. Two-Zone Heat Release Analysis of Combustion Data and Calibration of Heat Transfer Correlation in an I. C. Engine; SAE International: Pittsburgh, PA, USA, 1999. [Google Scholar] [CrossRef]
- Ghiji, M.; Edmonds, S.; Moinuddin, K. A Review of Experimental and Numerical Studies of Lithium Ion Battery Fires. Appl. Sci. 2021, 11, 1247. [Google Scholar] [CrossRef]
- Catapano, F.; Perozziello, C.; Vaglieco, B.M. Heat transfer of a Stirling engine for waste heat recovery application from internal combustion engines. Appl. Therm. Eng. 2021, 198, 117492. [Google Scholar] [CrossRef]
- Margot, X.; Quintero, P.; Gomez-Soriano, J.; Escalona, J. Implementation of 1D–3D integrated model for thermal prediction in internal combustion engines. Appl. Therm. Eng. 2021, 194, 117034. [Google Scholar] [CrossRef]
- Yan, Z.; Gainey, B.; Lawler, B. A parametric modeling study of thermal barrier coatings in low-temperature combustion engines. Appl. Therm. Eng. 2021, 200, 117687. [Google Scholar] [CrossRef]
- Galindo, J.; Serrano, J.R.; Arnau, F.J.; Piqueras, P. Description of a Semi-Independent Time Discretization Methodology for a One-Dimensional Gas Dynamics Model. J. Eng. Gas Turbines Power 2009, 131, 034504. [Google Scholar] [CrossRef]
- Martin, J.; Arnau, F.; Piqueras, P.; Auñon, A. Development of an Integrated Virtual Engine Model to Simulate New Standard Testing Cycles; SAE International: Pittsburgh, PA, USA, 2018. [Google Scholar] [CrossRef]
- Richards, K.J.; Senecal, P.K.; Pomraning, E. CONVERGE 2.4; Convergent Science: Madison, WI, USA, 2023. [Google Scholar]
- Broatch, A.; Novella, R.; García-Tíscar, J.; Gomez-Soriano, J. Potential of dual spray injectors for optimising the noise emission of gasoline partially premixed combustion in a 2-stroke HSDI CI engine. Appl. Therm. Eng. 2018, 134, 369–378. [Google Scholar] [CrossRef]
- Broatch, A.; Novella, R.; García-Tíscar, J.; Gomez-Soriano, J.; Pal, P. Analysis of combustion acoustic phenomena in compression–ignition engines using large eddy simulation. Phys. Fluids 2020, 32, 085101. [Google Scholar] [CrossRef]
- Issa, R. Solution of the implicitly discretised fluid flow equations by operator-splitting. J. Comput. Phys. 1986, 62, 40–65. [Google Scholar] [CrossRef]
- Yakhot, V.; Orszag, S.A. Renormalization group analysis of turbulence. I. Basic theory. J. Sci. Comput. 1986, 1, 3–51. [Google Scholar] [CrossRef]
- Amsden, A.A.; Findley, M. KIVA-3V: A Block-Structured KIVA Program for Engines with Vertical or Canted Valves; Los Alamos National Laboratory: Los Alamos, NM, USA, 1997. [Google Scholar] [CrossRef]
- Torregrosa, A.J.; Olmeda, P.; Degraeuwe, B.; Reyes, M. A concise wall temperature model for DI Diesel engines. Appl. Therm. Eng. 2006, 26, 1320–1327. [Google Scholar] [CrossRef]
- Woschni, G. A Universally Applicable Equation for the Instantaneous Heat Transfer Coefficient in the Internal Combustion Engine; SAE Technical Paper; SAE International: Warrendale, PA, USA, 1967. [Google Scholar] [CrossRef]
- Hohenberg, G.F. Advanced Approaches for Heat Transfer Calculations; SAE International: Warrendale, PA, USA, 1979; Available online: http://www.jstor.org/stable/44699090 (accessed on 12 November 2022).
- Annand, W.J.D.; Thermodynamics and Fluid Mechanics Group. Heat Transfer in the Cylinders of Reciprocating Internal Combustion Engines. Proc. Inst. Mech. Eng. 1963, 177, 973–996. [Google Scholar] [CrossRef]
- Blair, G.P. Design and Simulation of Four-Stroke Engines; SAE International: Warrendale, PA, USA, 1999. [Google Scholar]







| Exhaust Layout | Pipe Details (mm) | Speed (rpm) | Load |
|---|---|---|---|
| Config 1 |
| 2500 | Full Load |
| 2250 | Full Load | ||
| Config 2 |
| 2000 | Full Load |
| Partial Load |
| Mesh Details | |
|---|---|
| Base size | 4 mm |
| Cell size intake/exhaust ports | 2 mm |
| Combustion chamber size | 1 mm |
| Walls refinement | 0.5 mm |
| Minimum cell size by AMR | 0.25 mm |
| Numerical schemes | |
| Spatial discretization | The second-order central difference scheme |
| Temporal discretization | The first-order central difference scheme |
| Momentum equation correction | PISO algorithm [51] |
| Physical models | |
| Turbulence | URANS RNG k-e [52] |
| Heat transfer | O’Rourke and Amsden [53] |
| Phase | [-] | |
|---|---|---|
| Intake | 6.18 | 0 |
| Compression | 2.28 | 0 |
| Combustion | 2.28 | |
| Expansion | 2.28 | |
| Exhaust | 6.18 | 0 |
| Crank Angle [°] | Trapped Mass [g] | Temperature [°C] | ||||
|---|---|---|---|---|---|---|
| CFD | Proposed (Error %) | Woschni (Error %) | CFD | Proposed (Error °C) | Woschni (Error °C) | |
| 130 | 0.39 | 0.39 (0) | 0.39 (0) | 1015 | 1024 (−9) | 1000 (15) |
| 170 | 0.37 | 0.38 (−2.7) | 0.36 (2.7) | 519 | 511 (7) | 564 (−46) |
| 210 | 0.65 | 0.65 (0) | 0.60 (7.69) | 246 | 255 (−9) | 319 (−73) |
| 255 | 0.48 | 0.47 (2.08) | 0.42 (12.5) | 201 | 226 (−25) | 285 (−84) |
Disclaimer/Publisher’s Note: The statements, opinions and data contained in all publications are solely those of the individual author(s) and contributor(s) and not of MDPI and/or the editor(s). MDPI and/or the editor(s) disclaim responsibility for any injury to people or property resulting from any ideas, methods, instructions or products referred to in the content. |
© 2023 by the authors. Licensee MDPI, Basel, Switzerland. This article is an open access article distributed under the terms and conditions of the Creative Commons Attribution (CC BY) license (https://creativecommons.org/licenses/by/4.0/).
Share and Cite
Climent, H.; Tiseira, A.; Gomez-Soriano, J.; Darbhamalla, A. In-Cylinder Heat Transfer Model Proposal Compatible with 1D Simulations in Uniflow Scavenged Engines. Appl. Sci. 2023, 13, 3996. https://doi.org/10.3390/app13063996
Climent H, Tiseira A, Gomez-Soriano J, Darbhamalla A. In-Cylinder Heat Transfer Model Proposal Compatible with 1D Simulations in Uniflow Scavenged Engines. Applied Sciences. 2023; 13(6):3996. https://doi.org/10.3390/app13063996
Chicago/Turabian StyleCliment, Héctor, Andrés Tiseira, Josep Gomez-Soriano, and Aditya Darbhamalla. 2023. "In-Cylinder Heat Transfer Model Proposal Compatible with 1D Simulations in Uniflow Scavenged Engines" Applied Sciences 13, no. 6: 3996. https://doi.org/10.3390/app13063996
APA StyleCliment, H., Tiseira, A., Gomez-Soriano, J., & Darbhamalla, A. (2023). In-Cylinder Heat Transfer Model Proposal Compatible with 1D Simulations in Uniflow Scavenged Engines. Applied Sciences, 13(6), 3996. https://doi.org/10.3390/app13063996

