Multiport Energy Management System Design for a 150 kW Range-Extended Towing Vessel
Abstract
1. Introduction
- Define five typical operating conditions for a 150 kW RETV regarding the energy flow and power demand.
- Propose a rule-based expert control strategy, enabling the EMS to support various power demands.
- Construct the EMS simulation platform for the 150 kW RETV by incorporating the proposed rule-based expert control strategy.
2. EMS Model for RETV
2.1. Diesel Generator System Model
2.2. ESS Model
2.2.1. Lithium Battery Model
2.2.2. Supercapacitor Model
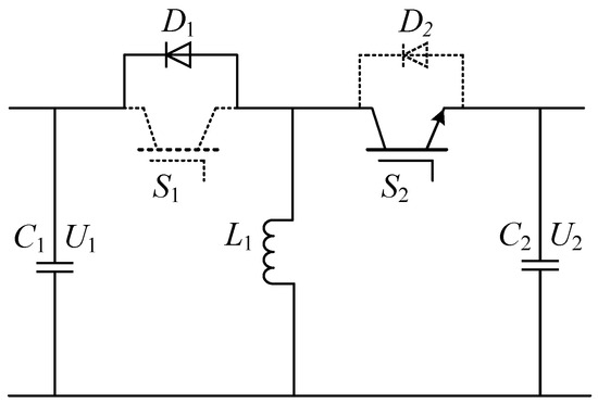
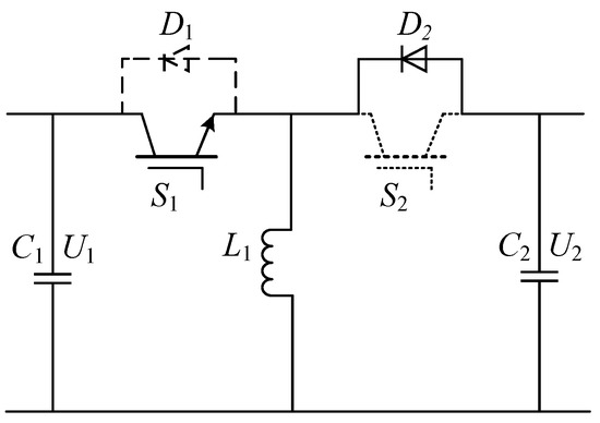
2.2.3. Bidirectional Buck–Boost Converter Model
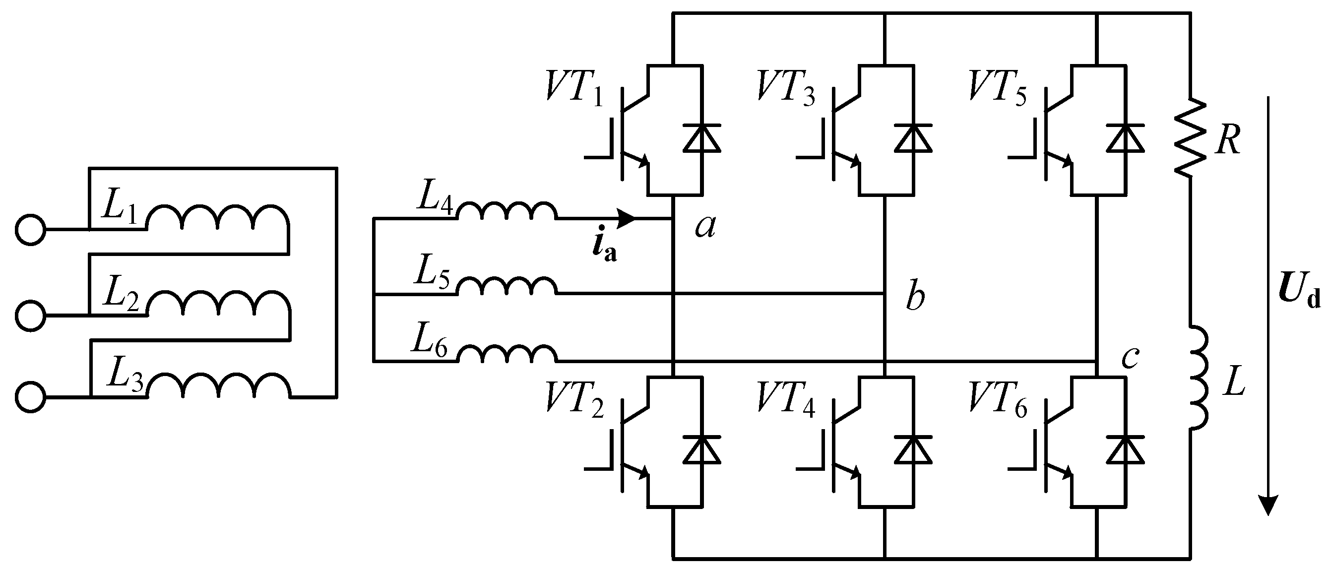
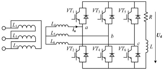
2.3. PMSM Control Model
3. Rule-Based Expert Control Strategy for the EMS of RETV
3.1. Statement of 150 kW RETV Operation Conditions
3.1.1. Start-Up
3.1.2. Before Cruise
3.1.3. Cruise
3.1.4. Towing
3.1.5. End Towing
3.2. Expert Control Strategy for the EMS
- When and >
- If the rotating speed of the PMSM was not fixed in the high-speed range (beyond 87% of its peak speed), the lithium battery and supercapacitors could supply the RETV.
- If the rotating speed was fixed in the high-speed range, the diesel generator system supplied the PMSM.
- If the rotating speed of the PMSM was not fixed and was less than 87% of its peak speed, the lithium battery and supercapacitors supplied the RETV for various power demands.
- If the rotating speed was fixed and was less than 87% of its peak speed, only the lithium battery supported the RETV.
- When and <
- As the lithium battery and supercapacitors could not supply the RETV in this operation stage, the diesel generator system joined in and compensated for power. The lithium battery and supercapacitors were charged if necessary.
- When and <
- The RETV worked under the end towing stage. The PMSM acted as a reverse power generator. The lithium battery and supercapacitors were charged in this case.
- When >
- The braking resistor consumed the negative power.
3.3. The Analysis of PMSM Reverse Generation
3.4. PMSM Load Design
4. Simulation
4.1. PMSM Load Simulation
4.2. Simulation of ESS
- Case 1: ESS with a satisfied initial battery condition (75% SoC).
- Case 2: ESS with the lithium battery only and satisfied initial battery condition (75% SoC).
- Case 3: ESS with an unsatisfied initial battery condition (15% SoC).
4.2.1. Case 1: ESS with a Satisfied Initial Battery Condition (75% SoC)
- (1)
- During the start up stage (0–4 s), the ESS supplied the PMSM’s power demand. Both and reached up to 60 kW.
- (2)
- Between 4–6 s, the RETV entered the before-cruise stage. The lithium battery powered the RETV with about 120 kW. The and remained at 0 W.
- (3)
- During cruise (6–10 s), the PMSM power demand initially rose, then stabilized. The supercapacitors assisted the lithium battery in meeting the surge in power demand. The diesel generator system output ramped up to 100 kW between 6–7 s, ultimately supplying 150 kW when cruising at peak speed.
- (4)
- In towing (10–14 s), the PMSM required a lower constant power, around 100 kW, provided by the lithium battery. The and remained at 0 W.
- (5)
- From 14 s to 20 s, the lithium battery was charged due to the reversal of the PMSM. It stabilized at 13.3 kW at 16 s.
- (6)
- Table 6 demonstrates the power demand successfully distributed by the EMS throughout one operation cycle. The PMSM-demanded power for one operation cycle was 0.3942 kWh, and the diesel generator system and ESS output power was 0.4415 kWh. The comprehensive energy efficiency of the EMS was approximately 85%.
4.2.2. Case 2: ESS with the Lithium Battery Only and Satisfied Initial Battery Condition (75% SoC)
- (1)
- In the period 3.995–4 s, the ESS with lithium battery only maintained a peak current of about 190 A, which was 1.9 times higher than that of the hybrid ESS (100 A).
- (2)
- In the period of 6.837–6.841 s, the ESS with lithium battery only maintained a peak current of about 85 A, which was 1.7 times higher than that of the hybrid ESS (50 A).
- (3)
- The SoC decrease rate for the ESS with lithium battery only was faster than that of the hybrid ESS before 4 s. At 4 s, the battery’s SoC of the ESS with lithium battery only dropped to 74.996%, which was slightly lower than that of the hybrid ESS (74.998%).
- (4)
- Both systems showed a consistent SoC decrease rate during 4–6 s. In the subsequent cruise, the sudden power demand decreased the battery’s SoC. At 7 s, the battery’s SoC of the ESS with lithium battery only fell to 74.985%, which was also lower than that of the hybrid ESS (74.988%).
4.2.3. Case 3: ESS with an Unsatisfied Initial Battery Condition (15% SoC)
- (1)
- During the initial stage (0–4 s), the supercapacitors and the diesel generator system supplied the PMSM. The battery was charged as its SoC dropped below 20%. The charging power diminished from 200 kW to 80 kW due to the continuous rise of the PMSM power demand.
- (2)
- In the before-cruise stage, the diesel generator system provided the entire power demand, simultaneously providing consistent charging to the lithium battery during 4–6 s. The charging power to the lithium battery was constant at 80 kW. The diesel generator’s output power was 200 kW.
- (3)
- During the cruise stage (6–10 s), the diesel generator system and supercapacitors supported the RETV until its speed peaks. After that, the diesel generator system contributed to the peak power demand (150 kW). The battery’s charging rate declined when the power was around 50 kW.
- (4)
- As the power demand decreased during the towing stage (10–14 s), the charging power of the lithium battery increased to 100 kW. The diesel generator system provided a total of 200 kW, of which 100 kW went to the PMSM.
- (5)
- In the end towing stage (after 15 s), the lithium battery received a small amount of charging power, 13.3 kW, from the PMSM until the end of the operation cycle at 20 s.
- (6)
- As shown in Table 7, the power demand of the PMSM in one operation cycle was 0.3742 kWh, while the diesel generator system and ESS output power was 0.4418 kWh. The comprehensive energy efficiency of the EMS was approximately 85%.
5. Conclusions
- (1)
- When the initial SoC of the battery is in the satisfactory range, like 75%, the proposed EMS can effectively distribute energy among the diesel generator system, lithium battery, and supercapacitors according to the requirements of each operation stage. The simulation results for two ESSs (with and without supercapacitors) showed that the hybrid ESSs have better performance when handling sudden power demand and big battery current.
- (2)
- When the initial SoC of the battery is not in the satisfactory range, like 15%, the system operates normally without the battery. It was found that the diesel generator system continuously charges the battery before the PMSM reverse charging occurs. The EMS showed the flexibility to maintain operational efficiency while the battery is less than ideal and extended the battery lifespan by keeping it within its optimal SoC range.
- (3)
- The simulation revealed that the comprehensive energy efficiency of the designed RETV is approximately 85% under the typical operation cycle proposed in this paper.
Author Contributions
Funding
Institutional Review Board Statement
Informed Consent Statement
Data Availability Statement
Acknowledgments
Conflicts of Interest
Nomenclature
| PMSM | Permanent Magnet Synchronous Motor |
| EMS | Energy Management System |
| ESS | Energy Storage System |
| EV | Electrical Vehicle |
| PI | Proportional Integral |
| RETV | Range-Extended Towing Vessel |
| SoC | State of Charge |
| 2Level-VSI | Two-level inverter circuit |
| Battery constant voltage | |
| Battery exponential area characteristic | |
| Battery polarity constant, V/Ah or polarity internal resistance | |
| Battery low-frequency current characteristics | |
| Battery current | |
| Battery extraction capacity | |
| Battery maximum battery capacity | |
| Supercapacitor cross-sectional area of electrode and electrolyte | |
| Supercapacitor molar concentration | |
| Supercapacitor molecular radius | |
| Faraday constant | |
| Supercapacitor current | |
| Supercapacitor voltage | |
| Supercapacitor resistance | |
| Electrode layers | |
| Avogadro constant | |
| Number of supercapacitors connected in parallel | |
| The total resistance of the number of supercapacitors in series | |
| Electrode layers | |
| Charge | |
| Ideal gas constant | |
| Molecular radius | |
| Operation temperature | |
| Permittivity of the material | |
| Permittivity of free space |
References
- Harrouz, A.; Belatrache, D.; Boulal, K.; Colak, I.; Kayisli, K. Social Acceptance of Renewable Energy dedicated to Electric Production. In Proceedings of the 2020 9th International Conference on Renewable Energy Research and Application (ICRERA), Glasgow, UK, 27–30 September 2020; pp. 283–288. [Google Scholar]
- UNFCCC. The Paris Agreement—Publication. In Proceedings of the Paris Climate Change Conference, Paris, France, 12 December 2015. [Google Scholar]
- Hannan, M.A.; Hoque, M.M.; Hussain, A.; Yusof, Y.; Ker, P.J. State-of-the-Art and Energy Management System of Lithium-Ion Batteries in Electric Vehicle Applications: Issues and Recommendations. IEEE Access 2018, 6, 19362–19378. [Google Scholar] [CrossRef]
- Schäfer, J.; Bortis, D.; Kolar, J.W. Multi-port multi-cell DC/DC converter topology for electric vehicle’s power distribution networks. In Proceedings of the 2017 IEEE 18th Workshop on Control and Modeling for Power Electronics (COMPEL), Stanford, CA, USA, 9–12 July 2017; pp. 1–9. [Google Scholar]
- Camara, M.B.; Payman, A.; Dakyo, B. Energy management based on frequency approach in an electrical hybrid boat. In Proceedings of the 2016 International Conference on Electrical Systems for Aircraft, Railway, Ship Propulsion and Road Vehicles & International Transportation Electrification Conference (ESARS-ITEC), Toulouse, France, 2–4 November 2016; pp. 1–6. [Google Scholar]
- Emadi, A.; Lee, Y.J.; Rajashekara, K. Power Electronics and Motor Drives in Electric, Hybrid Electric, and Plug-In Hybrid Electric Vehicles. IEEE Trans. Ind. Electron. 2008, 55, 2237–2245. [Google Scholar] [CrossRef]
- Xiao, B.; Ruan, J.; Yang, W.; Walker, P.D.; Zhang, N. A review of pivotal energy management strategies for extended range electric vehicles. Renew. Sustain. Energy Rev. 2021, 149, 111194. [Google Scholar] [CrossRef]
- Wenjie, C.; Ådnanses, A.K.; Hansen, J.F.; Lindtjørn, J.O.; Tianhao, T. Super-capacitors based hybrid converter in marine electric propulsion system. In Proceedings of the The XIX International Conference on Electrical Machines—ICEM 2010, Rome, Italy, 6–8 September 2010; pp. 1–6. [Google Scholar]
- Minami, S.; Hanada, T.; Matsuda, N.; Ishizu, K.; Nishi, J.; Fujiwara, T. Performance of a Newly Developed Plug-in Hybrid Boat. J. Asian Electr. Veh. 2013, 11, 1653–1657. [Google Scholar] [CrossRef][Green Version]
- Bellache, K.; Camara, M.B.; Dakyo, B. Hybrid Electric Boat based on variable speed Diesel Generator and lithium-battery—Using frequency approach for energy management. In Proceedings of the 2015 Intl Aegean Conference on Electrical Machines & Power Electronics (ACEMP), 2015 Intl Conference on Optimization of Electrical & Electronic Equipment (OPTIM) & 2015 Intl Symposium on Advanced Electromechanical Motion Systems (ELECTROMOTION), Side, Turkey, 2–4 September 2015; pp. 744–749. [Google Scholar]
- Camara, M.B.; Dakyo, B. Real time energy management for hybrid electric boat applications—Using variable speed diesel generator and lithium-battery. In Proceedings of the 2016 IEEE International Conference on Automation, Quality and Testing, Robotics (AQTR), Cluj-Napoca, Romania, 19–21 May 2016; pp. 1–6. [Google Scholar]
- Ortuzar, M.; Moreno, J.; Dixon, J. Ultracapacitor-Based Auxiliary Energy System for an Electric Vehicle: Implementation and Evaluation. IEEE Trans. Ind. Electron. 2007, 54, 2147–2156. [Google Scholar] [CrossRef]
- Jung, H.; Wang, H.; Hu, T. Control design for robust tracking and smooth transition in power systems with battery/supercapacitor hybrid energy storage devices. J. Power Sources 2014, 267, 566–575. [Google Scholar] [CrossRef]
- Choi, M.E.; Kim, S.W.; Seo, S.W. Energy Management Optimization in a Battery/Supercapacitor Hybrid Energy Storage System. IEEE Trans. Smart Grid 2012, 3, 463–472. [Google Scholar] [CrossRef]
- Li, Q.; Chen, W.; Li, Y.; Liu, S.; Huang, J. Energy management strategy for fuel cell/battery/ultracapacitor hybrid vehicle based on fuzzy logic. Int. J. Electr. Power Energy Syst. 2012, 43, 514–525. [Google Scholar] [CrossRef]
- Niu, J.G.; Zhou, S. Fuzzy Logic Control Strategy for an Extended-Range Electric Vehicle. Appl. Mech. Mater. 2012, 220–223, 968–972. [Google Scholar] [CrossRef]
- Fernández, R.Á.; Caraballo, S.C.; Cilleruelo, F.B.; Lozano, J.A. Fuel optimization strategy for hydrogen fuel cell range extender vehicles applying genetic algorithms. Renew. Sustain. Energy Rev. 2018, 81, 655–668. [Google Scholar] [CrossRef]
- Liu, D.; Wang, Y.; Zhou, X.; Lv, Z. Extended range electric vehicle control strategy design and muti-objective optimization by genetic algorithm. In Proceedings of the 2013 Chinese Automation Congress, Changsha, China, 7–8 November 2013; pp. 11–16. [Google Scholar]
- Zhao, J.; Ma, Y.; Zhang, Z.; Wang, S.; Wang, S. Optimization and matching for range-extenders of electric vehicles with artificial neural network and genetic algorithm. Energy Convers. Manag. 2019, 184, 709–725. [Google Scholar] [CrossRef]
- Xi, L.; Zhang, X.; Sun, C.; Wang, Z.; Hou, X.; Zhang, J. Intelligent Energy Management Control for Extended Range Electric Vehicles Based on Dynamic Programming and Neural Network. Energies 2017, 10, 1871. [Google Scholar] [CrossRef]
- Salmasi, F.R. Control Strategies for Hybrid Electric Vehicles: Evolution, Classification, Comparison, and Future Trends. IEEE Trans. Veh. Technol. 2007, 56, 2393–2404. [Google Scholar] [CrossRef]
- Du, J.; Chen, J.; Song, Z.; Gao, M.; Ouyang, M. Design method of a power management strategy for variable battery capacities range-extended electric vehicles to improve energy efficiency and cost-effectiveness. Energy 2017, 121, 32–42. [Google Scholar] [CrossRef]
- Villani, M.; Shiledar, A.; Zhao, T.; Lana, C.; Le, D.; Ahmed, Q.; Rizzoni, G. Optimal Energy Management Strategy for Energy Efficiency Improvement and Pollutant Emissions Mitigation in a Range-Extender Electric Vehicle. In Proceedings of the 2021 15th International Conference on Engines & Vehicles, Capri, Naples, Italy, 12–16 September 2021. [Google Scholar]
- Sun, L.; Walker, P.; Feng, K.; Zhang, N. Multi-objective component sizing for a battery-supercapacitor power supply considering the use of a power converter. Energy 2018, 142, 436–446. [Google Scholar] [CrossRef]
- Nitta, N.; Wu, F.; Lee, J.T.; Yushin, G. Li-ion battery materials: Present and future. Mater. Today 2015, 18, 252–264. [Google Scholar] [CrossRef]
- Cai, Q.; Brett, D.J.L.; Browning, D.; Brandon, N.P. A sizing-design methodology for hybrid fuel cell power systems and its application to an unmanned underwater vehicle. J. Power Sources 2010, 195, 6559–6569. [Google Scholar] [CrossRef]
- Bauman, J.; Kazerani, M. An Analytical Optimization Method for Improved Fuel Cell–Battery–Ultracapacitor Powertrain. IEEE Trans. Veh. Technol. 2009, 58, 3186–3197. [Google Scholar] [CrossRef]
- Reiter, C.; Wassiliadis, N.; Wildfeuer, L.; Wurster, T.; Lienkamp, M. Range Extension of Electric Vehicles through Improved Battery Capacity Utilization: Potentials, Risks and Strategies. In Proceedings of the 2018 21st International Conference on Intelligent Transportation Systems (ITSC), Maui, HI, USA, 4–7 November 2018; pp. 321–326. [Google Scholar]
- Guan, J.-C.; Chen, B.-C.; Wu, Y.-Y. Design of an Adaptive Power Management Strategy for Range Extended Electric Vehicles. Energies 2019, 12, 1610. [Google Scholar] [CrossRef]
- Yao, M.; Zhu, B.; Zhang, N. Adaptive real-time optimal control for energy management strategy of extended range electric vehicle. Energy Convers. Manag. 2021, 234, 113874. [Google Scholar] [CrossRef]
- Phipps, W.; Harrison, M.J.; Duke, R.M. Three-Phase Phase-Locked Loop Control of a New Generation Power Converter. In Proceedings of the 2006 1ST IEEE Conference on Industrial Electronics and Applications, Singapore, 24–26 May 2006; pp. 1–6. [Google Scholar]
- Tian, J.; Li, S.; Liu, X.; Yang, D.; Wang, P.; Chang, G. Lithium-ion battery charging optimization based on electrical, thermal and aging mechanism models. Energy Rep. 2022, 8, 13723–13734. [Google Scholar] [CrossRef]
- Barzacchi, L.; Lagnoni, M.; Rienzo, R.D.; Bertei, A.; Baronti, F. Enabling early detection of lithium-ion battery degradation by linking electrochemical properties to equivalent circuit model parameters. J. Energy Storage 2022, 50, 104213. [Google Scholar] [CrossRef]
- Pulavarthi, C.; Kalpana, R.; Parthiban, P. State of Charge estimation in Lithium-Ion Battery using model based method in conjunction with Extended and Unscented Kalman Filter. In Proceedings of the 2020 International Conference on Power Electronics and Renewable Energy Applications (PEREA), Kannur, India, 27–28 November 2020; pp. 1–6. [Google Scholar]
- Liu, X.; Xu, W.; Zheng, D.; Li, Z.; Zeng, Y.; Lu, X. Carbon cloth as an advanced electrode material for supercapacitors: Progress and challenges. J. Mater. Chem. A 2020, 8, 17938–17950. [Google Scholar] [CrossRef]
- Cheng, X.F.; Liu, C.; Wang, D.; Zhang, Y. State-of-the-Art Review on Soft-Switching Technologies for Non-Isolated DC–DC Converters. IEEE Access 2021, 9, 119235–119249. [Google Scholar] [CrossRef]
- Mumtaz, F.; Yahaya, N.Z.; Meraj, S.T.; Singh, B.; Kannan, R.; Ibrahim, O. Review on non-isolated DC-DC converters and their control techniques for renewable energy applications. Ain Shams Eng. J. 2021, 12, 3747–3763. [Google Scholar] [CrossRef]
- Park, S.J.; Park, J.W.; Kim, K.H.; Kang, F.S. Battery Energy Storage System With Interleaving Structure of Dual-Active-Bridge Converter and Non-Isolated DC-to-DC Converter With Wide Input and Output Voltage. IEEE Access 2022, 10, 127205–127224. [Google Scholar] [CrossRef]
- Mecke, R. Permanent magnet synchronous motor for passenger ship propulsion. In Proceedings of the 2009 13th European Conference on Power Electronics and Applications, Barcelona, Spain, 8–10 September 2009; pp. 1–10. [Google Scholar]
- Thome, R.J.; Bowles, E.; Reed, M. Integration of Electromagnetic Technologies Into Shipboard Applications. IEEE Trans. Appl. Supercond. 2006, 16, 1074–1079. [Google Scholar] [CrossRef]
- Zhonghui, Z.; Jiao, S. Matlab-based permanent magnet synchronous motor vector control simulation. In Proceedings of the 2010 3rd International Conference on Computer Science and Information Technology, Chengdu, China, 9–11 July 2010; pp. 539–542. [Google Scholar]
- Qiangqiang, L.; JianGuo, S.; Jie, D.; PengTao, M. Research of the Method for Position Detection of the Rotor in the Interior Permanent Magnet Synchronous Motor. In Proceedings of the 4th International Conference on Mechatronics, Materials, Chemistry and Computer Engineering, Xi’an, China, 12–13 December 2015. [Google Scholar]
- Cárdenas, R.; Clare, J.; Wheeler, P. 4-leg matrix converter interface for a variable-speed diesel generation system. In Proceedings of the IECON 2012—38th Annual Conference on IEEE Industrial Electronics Society, Montreal, QC, Canada, 25–28 October 2012; pp. 6044–6049. [Google Scholar]
- Adámek, M.; Toman, R. Range extender ice multi-parametric multi-objective optimization. MECCA J. Middle Eur. Constr. Des. Cars 2021, 18, 10. [Google Scholar] [CrossRef]
- Al-Adsani, A.S.; Jarushi, A.M.; Beik, O. ICE/HPM generator range extender for a series hybrid EV powertrain. IET Electr. Syst. Transp. 2020, 10, 96–104. [Google Scholar] [CrossRef]
- Zhancheng, W.; Weimin, L.; Yangsheng, X. A novel power control strategy of series hybrid electric vehicle. In Proceedings of the 2007 IEEE/RSJ International Conference on Intelligent Robots and Systems, San Diego, CA, USA, 29 October–2 November 2007; pp. 96–102. [Google Scholar]
- Barsali, S.; Miulli, C.; Possenti, A. A control strategy to minimize fuel consumption of series hybrid electric vehicles. IEEE Trans. Energy Convers. 2004, 19, 187–195. [Google Scholar] [CrossRef]






















| Parameters | Value |
|---|---|
| PLL minimum frequency | 45 Hz |
| PLL initial phase angle | 0 degree |
| PLL initial frequency | 50 Hz |
| Diesel generator system configuration | Yg |
| Diesel generator system three-phase voltage | 380 V |
| Diesel generator system frequency | 50 Hz |
| Diesel generator system initial phase angle | 0 degree |
| Parameters | Value |
|---|---|
| Lithium battery’s nominal voltage | 600 V |
| Lithium battery’s rated capacity | 1000 Ah |
| Lithium battery’s initial state of charge | 75%/15% |
| Supercapacitors’ rated capacitance | 700 F |
| Supercapacitors’ rated voltage | 700 V |
| Supercapacitors’ initial state of charge | 100% |
| Supercapacitors’ number of series capacitors | 200 |
| Supercapacitors’ number of parallel capacitors | 5 |
| Parameters | Value |
|---|---|
| Converter internal resistance | 1 × 10−3 Ω |
| Converter snubber resistance | 1 × 105 Ω |
| Converter snubber capacitance | inf |
| Proportional factor of lithium battery PI controller | 0.1 |
| Integral factor of lithium battery PI controller | 0.05 |
| Proportional factor of supercapacitors PI controller | 0.3 |
| Integral factor of supercapacitors PI controller | 0.02 |
| Parameters | Value |
|---|---|
| Speed loop P | 0.2 |
| Speed loop I | 100 |
| Speed loop saturation | −3000, 3000 |
| q axis current loop proportional factor | 40 |
| q axis current loop integral factor | 50 |
| q axis current loop saturation | −500, 500 |
| d axis current loop proportional factor | 20 |
| d axis current loop integral factor | 5 |
| d axis current loop saturation | −500, 500 |
| Time (s) | RPM (r/min) | Torque (Nm) |
|---|---|---|
| 0 | 0 | 0 |
| 1 | 0 | 0 |
| 1.25 | 42 | 218 |
| 1.50 | 85 | 437 |
| 2.00 | 170 | 873 |
| 3.00 | 340 | 1747 |
| 4.00 | 416 | 2800 |
| 5.00 | 416 | 2800 |
| 6.00 | 416 | 2800 |
| 7.00 | 478 | 3000 |
| 8.00 | 478 | 3000 |
| 9.00 | 478 | 3000 |
| 10.00 | 478 | 3000 |
| 10.50 | 424 | 2750 |
| 11.00 | 370 | 2500 |
| 12.00 | 370 | 2500 |
| 13.00 | 370 | 2500 |
| 14.00 | 370 | 2500 |
| 15.00 | 210 | 0 |
| 16.00 | 50 | −2500 |
| 17.00 | 50 | −2500 |
| 18.00 | 50 | −2500 |
| 19.00 | 50 | −2500 |
| 19.50 | 25 | −2500 |
| Time (s) | (kW) | (kW) | (kW) | (kW) |
|---|---|---|---|---|
| 0 | 0 | 0 | 0 | 0 |
| 1 | 0 | 0 | 0 | 0 |
| 3 | 30 | 20 | 0 | 50 |
| 4 | 120 | 0 | 0 | 120 |
| 7 | 0 | 0 | 150 | 150 |
| 10.5 | 77 | 0 | 43 | 120 |
| 11 | 100 | 0 | 0 | 100 |
| 15 | 100 | 0 | 0 | 100 |
| 16 | −13.3 | 0 | 0 | −13.3 |
| Time (s) | (kW) | (kW) | (kW) | (kW) |
|---|---|---|---|---|
| 0 | 0 | 0 | 0 | 0 |
| 1 | 0 | 0 | 0 | 0 |
| 3 | −170 | 20 | 200 | 50 |
| 4 | −80 | 0 | 200 | 120 |
| 7 | −50 | 0 | 200 | 150 |
| 10.5 | −80 | 0 | 200 | 120 |
| 11 | −100 | 0 | 200 | 100 |
| 15 | 0 | 0 | 0 | 0 |
| 16 | −13.3 | 0 | 0 | −13.3 |
Disclaimer/Publisher’s Note: The statements, opinions and data contained in all publications are solely those of the individual author(s) and contributor(s) and not of MDPI and/or the editor(s). MDPI and/or the editor(s) disclaim responsibility for any injury to people or property resulting from any ideas, methods, instructions or products referred to in the content. |
© 2023 by the authors. Licensee MDPI, Basel, Switzerland. This article is an open access article distributed under the terms and conditions of the Creative Commons Attribution (CC BY) license (https://creativecommons.org/licenses/by/4.0/).
Share and Cite
Zhu, Y.; Wang, H.; Liu, Y.; Lei, G.; Zhu, J. Multiport Energy Management System Design for a 150 kW Range-Extended Towing Vessel. Appl. Sci. 2023, 13, 12933. https://doi.org/10.3390/app132312933
Zhu Y, Wang H, Liu Y, Lei G, Zhu J. Multiport Energy Management System Design for a 150 kW Range-Extended Towing Vessel. Applied Sciences. 2023; 13(23):12933. https://doi.org/10.3390/app132312933
Chicago/Turabian StyleZhu, Yachao, Hao Wang, Yuanyang Liu, Gang Lei, and Jianguo Zhu. 2023. "Multiport Energy Management System Design for a 150 kW Range-Extended Towing Vessel" Applied Sciences 13, no. 23: 12933. https://doi.org/10.3390/app132312933
APA StyleZhu, Y., Wang, H., Liu, Y., Lei, G., & Zhu, J. (2023). Multiport Energy Management System Design for a 150 kW Range-Extended Towing Vessel. Applied Sciences, 13(23), 12933. https://doi.org/10.3390/app132312933

