A Double-Side Feedback Pulse Train Control for the Output Voltage Regulation of Two-Stage Wireless Power Transfer System
Abstract
:1. Introduction
2. CC&OV-PT Controlled Two-Stage WPT System
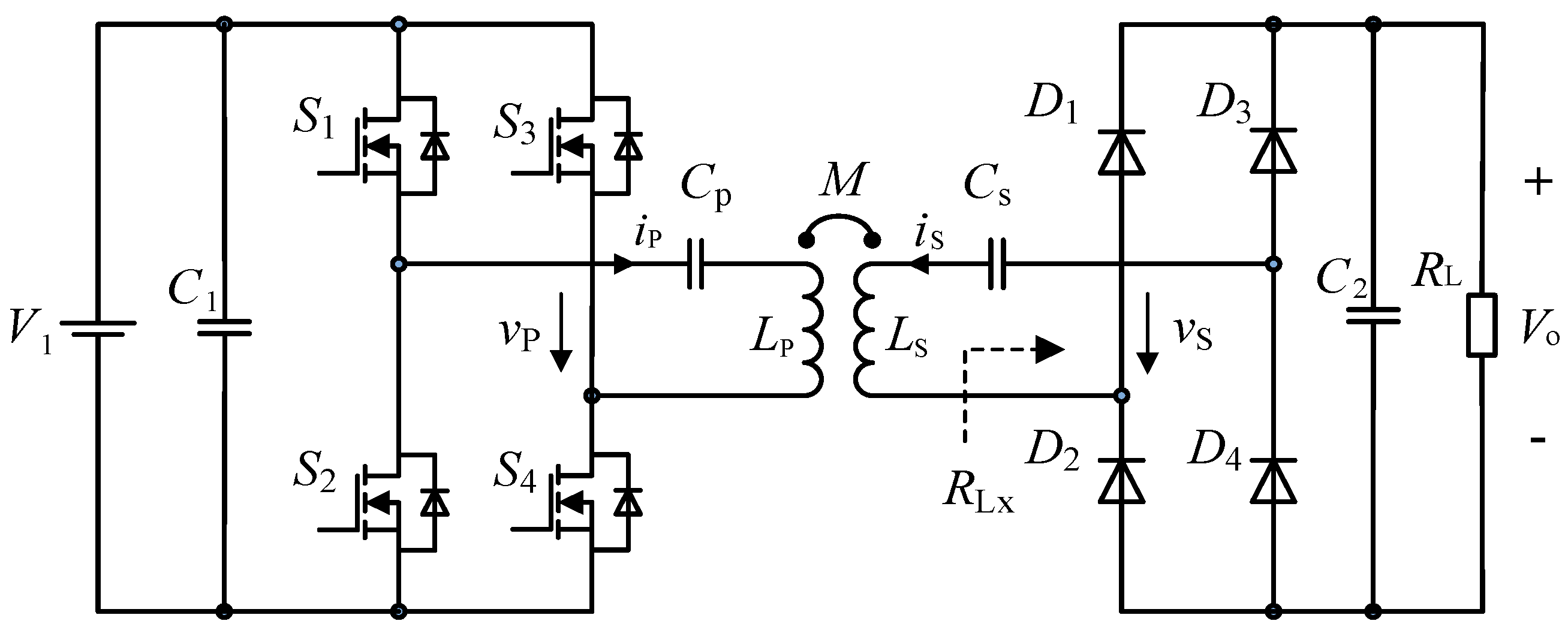
2.1. Equivalent Model of the WPT System
2.2. The Proposed Double-Side Feedback PT Control Strategy
2.2.1. WPT System Description
2.2.2. Cause and Analysis of Low-Frequency Oscillations
3. The Proposed CC&OV-PT Control
4. Dynamic Modeling of the Two-Stage WPT System
5. Simulation Verification
6. Experimental Verification and Discussion
7. Conclusions
Author Contributions
Funding
Institutional Review Board Statement
Informed Consent Statement
Data Availability Statement
Conflicts of Interest
Nomenclature
| PT | pulse train |
| WPT | wireless power transfer |
| CC&OV-PT | capacitor current and output voltage feedback pulse train |
| PWM | pulse width modulation |
| DC | direct current |
| AC | alternating current |
| Vi | input voltage |
| Vref | reference voltage |
| f1 | switching frequency of Buck converter |
| f2 | switching frequency of Inverter |
| PH | high duty cycle of pulses |
| PL | low duty cycle of pulses |
| iC | the output capacitor current |
| iL | inductor current of the Buck converter |
| i1 | the input current of the full-bridge Inverter |
References
- Micus, S.; Padani, L.; Haupt, M.; Gresser, G.T. Textile-Based Coils for Inductive Wireless Power Transmission. Appl. Sci. 2021, 11, 4309. [Google Scholar] [CrossRef]
- Wang, C.S.; Covic, G.A.; Stielau, O.H. Investigating an LCL load resonant inverter for inductive power transfer applications. IEEE Trans. Power Electron. 2004, 19, 995–1002. [Google Scholar] [CrossRef]
- De Beelde, B.; Plets, D.; Joseph, W. Wireless Sensor Networks for Enabling Smart Production Lines in Industry 4.0. Appl. Sci. 2021, 11, 11248. [Google Scholar] [CrossRef]
- Skovierova, H.; Pavelek, M.; Okajcekova, T.; Palesova, J.; Strnadel, J.; Spanik, P.; Halašová, E.; Frivaldsky, M. The Biocompatibility of Wireless Power Charging System on Human Neural Cells. Appl. Sci. 2021, 11, 3611. [Google Scholar] [CrossRef]
- Cairó, J.I.; Bonache, J.; Paredes, F.; Martín, F. Reconfigurable System for Wireless Power Transfer (WPT) and Near Field Communications (NFC). IEEE J. Radio Freq. Identif. 2017, 1, 253–259. [Google Scholar] [CrossRef]
- Ramsaroop, N.; Olugbara, O.O. Wireless Power Transfer Using Harvested Radio Frequency Energy with Magnetic Resonance Coupling to Charge Mobile Device Batteries. Appl. Sci. 2021, 11, 7707. [Google Scholar] [CrossRef]
- Abdelatty, O.; Wang, X.; Mortazawi, A. Nonlinear Resonant Circuits for Coupling-Insensitive Wireless Power Transfer Circuits. In Proceedings of the 2018 IEEE/MTT-S International Microwave Symposiu—IMS, Philadelphia, PA, USA, 10–15 June 2018; pp. 976–979. [Google Scholar]
- Jiwariyavej, V.; Imura, T.; Hori, Y. Coupling coefficients estimation of wireless power transfer system via magnetic resonance coupling using information from either side of the system. IEEE Trans. Emerg. Sel. Top. Power Electron. 2015, 3, 191–200. [Google Scholar] [CrossRef]
- Medina-García, J.; Martín, A.D.; Cano, J.M.; Gómez-Galán, J.A.; Hermoso, A. Efficient Wireless Monitoring and Control of a Grid-Connected Photovoltaic System. Appl. Sci. 2021, 11, 2287. [Google Scholar] [CrossRef]
- Meng, X.T.; Qiu, D.; Zhang, B.; Xiao, W. Output Voltage Stabilization Control without Secondary Side Measurement for Implantable Wireless Power Transfer System. In Proceedings of the 2018 IEEE PELS Workshop On Emerging Technologies: Wireless Power Transfer (WoW), Montreal, QC, Canada, 3–7 June 2018. [Google Scholar]
- Cai, W.K.; Tang, H.; Ma, D.; Liu, X. Voltage Control and Current Distribution for Multiple-Coil Wireless Power Transfer System. In Proceedings of the 2019 IEEE Wireless Power Transfer Conference (WPTC), London, UK, 17–23 June 2019. [Google Scholar]
- Shi, W.; Deng, J.; Wang, Z.; Cheng, X. The Start-up Dynamic Analysis and One Cycle Control-PD Control Combined Strategy for Primary-Side Controlled Wireless Power Transfer System. IEEE Access 2018, 6, 14439–14450. [Google Scholar] [CrossRef]
- Li, H.; Xu, J.Z.; Gao, F.; Zhang, Y.; Yang, X.; Tang, H. Duty Cycle Control Strategy for Dual-Side LCC Resonant Converter in Wireless Power Transfer Systems. IEEE Trans. Transp. Electrif. 2022, 8, 1944–1955. [Google Scholar] [CrossRef]
- Mehmet, B.; Murat, M.S.; İnci, M. Analysis and modeling of wireless power transfervsupported by quadratic boost converter interfaced fuel cell power source. Int. J. Numer. Model. Electron. Netw. Devices Fields 2022, 35, e2997. [Google Scholar]
- Chiolerio, A.; Diazzi, L.; Funaro, D. Highly Directive Biconic Antennas Embedded in a Dielectric. Appl. Sci. 2020, 10, 8828. [Google Scholar] [CrossRef]
- Campi, T.; Cruciani, S.; Maradei, F. EMI in a Cardiac Implantable Electronic Device (CIED) by the Wireless Powering of a Left Ventricular Assist Device (LVAD). IEEE Trans. Electromagn. Compat. 2021, 63, 988–995. [Google Scholar] [CrossRef]
- Sha, J.; Xu, J.P.; Zhong, S. Control pulse combination-based analysis of pulse train controlled DCM switching dc–dc converters. IEEE Trans. Ind. Electron. 2015, 62, 246–255. [Google Scholar] [CrossRef]
- Luo, F.; Ma, D. An Integrated Switching DC–DC Converter with Dual-Mode Pulse-Train/PWM Control. IEEE Trans. Circuits Syst. II Express Briefs 2009, 56, 152–156. [Google Scholar]
- Kapat, S. Voltage-mode digital pulse train control for light load DC-DC converters with spread spectrum. In Proceedings of the IEEE Applied Power Electronics Conference and Exposition—APEC, Charlotte, NC, USA, 15–19 March 2015. [Google Scholar]
- Xu, J.; Wang, J. Bifrequency Pulse-Train Control Technique for Switching DC-DC Converters Operating in DCM. IEEE Trans. Ind. Electron. 2011, 58, 3658–3667. [Google Scholar] [CrossRef]
- Xu, J.; Qin, M. Multi-pulse train control technique for buck converter in discontinuous conduction mode. IET Power Electron. 2010, 3, 391–399. [Google Scholar] [CrossRef]
- Qin, M.; Xu, J.P.; Zhang, F. Analysis of Multilevel Pulse Train control technique for boost converter operating in discontinuous conduction mode. In Proceedings of the 2009 IEEE 6th International Power Electronics and Motion Control Conference, Wuhan, China, 17–20 May 2009. [Google Scholar]
- Ferdowsi, M.; Emadi, A. Pulse regulation control technique for integrated high-quality rectifier-regulators. IEEE Trans. Ind. Electron. 2005, 52, 116–124. [Google Scholar] [CrossRef]
- Geng, Y.; Yu, D.; Xia, Z.; Xu, R. Parallel-connected buck converterscontrolled by capacitor current feedback based PT with current-sharing ability. IET Power Electron. 2018, 11, 2481–2489. [Google Scholar] [CrossRef]
- Wang, J.; Xu, J.; Zhou, G.; Bao, B. Pulse-train-controlled CCM buck converter with small ESR output-capacitor. IEEE Trans. Ind. Electron. 2013, 60, 5875–5881. [Google Scholar] [CrossRef]
- Sha, J.; Xu, J.P.; Zhong, S. Valley current mode pulse train control technique for switching DC–DC converters. Electron. Lett. 2014, 50, 311–313. [Google Scholar] [CrossRef]
- Sha, J.; Xu, D.; Chen, Y.; Xu, J.; Williams, B.W. A Peak-Capacitor-Current Pulse-Train-Controlled Buck Converter with Fast Transient Response and a Wide Load Range. IEEE Trans. Ind. Electron. 2016, 63, 1528–1538. [Google Scholar] [CrossRef] [Green Version]
- Li, X.; Bhat, A. Analysis and Design of High-Frequency Isolated Dual-Bridge Series Resonant DC/DC Converter. IEEE Trans. Power Electron. 2010, 25, 850–862. [Google Scholar]
- Qian, Z.; Yan, R.; Wu, J.; He, X. Full-Duplex High-Speed Simultaneous Communication Technology for Wireless EV Charging. IEEE Trans. Power Electron. 2019, 34, 9369–9373. [Google Scholar] [CrossRef]















| Pulse P | Inductor Current Variation | iL(nT) Region | Capacitor Voltage Variation |
|---|---|---|---|
| PH | ΔiL > 0 | I, II | ΔvC > 0 |
| III | ΔvC < 0 | ||
| PL | ΔiL < 0 | I | ΔvC > 0 |
| II, III | ΔvC < 0 |
| Parameter | Value |
|---|---|
| input voltage Vi | 20 V |
| reference voltage Vref | 10 V |
| switching frequency of Buck converter f1 | 20 kHz |
| switching frequency of Inverter f2 | 200 kHz |
| Inductance LP | 200 uH |
| Inductance LS | 200 uH |
| capacitance CP | 3.2 nF |
| capacitance CS | 3.2 nF |
| load resistance R | 10 Ω/7 Ω |
| duty cycles of pulses PH and PL | 0.7/0.3 |
| Working Conditions | Control Methods | Regulating Voltage Peak-to-Peak Value/V | Regulating Time/ms |
|---|---|---|---|
| Output load changed | PWM control | 2.5 | 37.5 |
| Traditional PT control | 3.1 | 3 | |
| CC&OV-PT control | 0.7 | 3 | |
| Input voltage changed | PWM control | 3 | 30 |
| Traditional PT control | 3.6 | 3 | |
| CC&OV-PT control | 0.09 | 4 |
Publisher’s Note: MDPI stays neutral with regard to jurisdictional claims in published maps and institutional affiliations. |
© 2022 by the authors. Licensee MDPI, Basel, Switzerland. This article is an open access article distributed under the terms and conditions of the Creative Commons Attribution (CC BY) license (https://creativecommons.org/licenses/by/4.0/).
Share and Cite
Lei, J.; Junaid, M.; Yu, D.; Hua, Z.; Yu, S. A Double-Side Feedback Pulse Train Control for the Output Voltage Regulation of Two-Stage Wireless Power Transfer System. Appl. Sci. 2022, 12, 8991. https://doi.org/10.3390/app12188991
Lei J, Junaid M, Yu D, Hua Z, Yu S. A Double-Side Feedback Pulse Train Control for the Output Voltage Regulation of Two-Stage Wireless Power Transfer System. Applied Sciences. 2022; 12(18):8991. https://doi.org/10.3390/app12188991
Chicago/Turabian StyleLei, Juan, Muhammad Junaid, Dongsheng Yu, Zhuo Hua, and Samson Yu. 2022. "A Double-Side Feedback Pulse Train Control for the Output Voltage Regulation of Two-Stage Wireless Power Transfer System" Applied Sciences 12, no. 18: 8991. https://doi.org/10.3390/app12188991
APA StyleLei, J., Junaid, M., Yu, D., Hua, Z., & Yu, S. (2022). A Double-Side Feedback Pulse Train Control for the Output Voltage Regulation of Two-Stage Wireless Power Transfer System. Applied Sciences, 12(18), 8991. https://doi.org/10.3390/app12188991

