Next Article in Journal
A Fiber Vibration Signal Recognition Method Based on CNN-CBAM-LSTM
Previous Article in Journal
VR Games in Cultural Heritage: A Systematic Review of the Emerging Fields of Virtual Reality and Culture Games
 
 
Font Type:
Arial Georgia Verdana
Font Size:
Aa Aa Aa
Line Spacing:
Column Width:
Background:
Article

Analysis and Suppression of Self-Excited Oscillations in Pressure Servo Valve System

Beijing Institute of Automatic Control Equipment, Beijing 100074, China
*
Author to whom correspondence should be addressed.
Appl. Sci. 2022, 12(17), 8477; https://doi.org/10.3390/app12178477
Submission received: 15 July 2022 / Revised: 22 August 2022 / Accepted: 22 August 2022 / Published: 25 August 2022

Abstract

:
In this paper, the phenomenon of pressure servo valve system self-excited oscillation is studied, the dynamic model of the system is established, and the validity of the model is verified by experimental analysis. On this basis, it is concluded that the pressure oscillation with constant amplitude and nondecaying is caused by self-excited oscillation. Such a phenomenon comes from unreasonable structure design of pressure servo valve. Moreover, the factors affecting pressure oscillation are evaluated qualitatively. In order to suppress the pressure self-excited oscillation, this paper proposes a pressure servo valve structure optimization method based on weakening the positive feedback effect of the backpressure. The simulation results show that the method can effectively eliminate the system self-excited oscillation. The stability margin analysis shows that after the structure optimization, the pressure servo valve system has adequate stability margin.

1. Introduction

A pressure servo valve is a special jet pipe hydraulic servo valve, which can realize the feedback control of output pressure through the internal flow channel. Therefore, a control system using the pressure servo valve can realize the accurate control of output pressure in open-loop condition (without pressure sensor). Pressure servo valves are widely used in aircraft wheel braking systems with the advantage of easy control and high reliability. As a key component of large aircraft wheel brake servo control system, the pressure servo valve plays a very significant role in bearing impulse load and providing braking force [1,2]. However, the feedback structure inside the pressure servo valve can also cause positive feedback, which can lead to the nonlinear self-excited oscillation of aircraft wheel braking system and cause serious safety accidents [3].
At present, much research on self-excited oscillation of hydraulic valves and valve-controlled servo systems has been carried out. To solve the self-excited oscillation of the check valve, Grinis et al. have carried out a lot of theoretical analysis and experimental research, and finally determined that the inducement of check valve self-excited oscillation is the fluid-solid coupling between spool and fluid during the rotation of the ball valve [4]. Hayashi et al. established the nonlinear dynamic model of the pilot pressure control valve system, and the effect of valve inlet pressure on the spool self-excited oscillation had been investigated [5]. A nonlinear dynamic model of the pneumatic cartridge valve considering gas compressibility was established by Misra et al., and the pneumatic cartridge valve self-excited oscillation is attributed to the water hammer effect in the upstream/downstream pipeline of the valve [6]. Ye et al. established a nonlinear dynamic model of pilot electromagnetic pneumatic valve considering fluid-solid coupling, and clarified the influence of working parameters on valve self-excited oscillation [7]. Liu et al. established a model to describe the nonlinear dynamic behavior of the check valve system, and the method of increasing damping to suppress the self-excited oscillation had been put forward [8]. Wang et al. established the pneumatic check valve self-excited oscillation dynamic model, and solved the characteristic roots of linear equations based on the principle of small disturbance, and the stable working range of the check valve system without self-excited oscillation has been obtained [9]. Yan et al. established a finite element model of a pressure servo valve torque motor considering the thermal field, and concluded that a high temperature is more likely to cause resonance [10]. Jiang et al. established a nonlinear dynamic model of relief valve, and the influence of system parameters on the relief valve nonlinear dynamic behavior had been obtained [11].
Through mathematical modeling and experimental research, the self-excited oscillation in many hydraulic systems has been analyzed. However, for the self-excited oscillation mechanism of the pressure servo valve system (PSVS), there is a lack of relevant research work.
To address this situation, the mechanism and influencing factors of PSVS self-excited oscillations has been analyzed in depth, starting from the establishment of PSVS accurate dynamic model. The structure of this paper is as follows:
In the second part, the PSVS dynamic model is established, and the accuracy of the model is verified by experiments. Meanwhile, the PSVS nonlinear self-excited oscillation phenomenon is analyzed. In the third part, the nonlinear self-excited oscillation mechanism of the PSVS is obtained, and the influencing factors of the oscillation are also evaluated qualitatively in this part. In the fourth part, based on the above study, the pressure servo valve structure optimization method is proposed, and PSVS nonlinear self-excited oscillation is eliminated effectively. After that, it is concluded that the optimized PSVS is a stable dynamic system with sufficient stability margin.

2. Dynamic Model of the PSVS

The hydraulic schematic diagram of PSVS is shown in Figure 1. And the structural schematic diagram of the pressure servo valve is shown in Figure 2. The parameters in Figure 2 are described in the Table 1.

2.1. Working Principle of the System

The hydraulic schematic diagram of PSVS is shown in Figure 1. The hydraulic cylinder is used to simulate the load, and the relief valve is used to adjust the backpressure of the system.
The structure of the pressure servo valve is shown in Figure 2.
When the main valve spool moves to the left, the high-pressure oil from port P enters port B through the throttle window on the right side of the middle shoulder. At this time, the high-pressure oil will enter the hydraulic cylinder rod less cavity, pushing the piston to move against the spring force. At the same time the output pressure is formed, which acts on the left of the little valve spool, forming negative feedback to the main spool. On the contrary, when the main spool moves to the right, the oil in the hydraulic cylinder rod less cavity will enter the backpressure cavity through the throttle window on the left side of the middle shoulder (as pb > ph), resulting in the pressure increase of the backpressure cavity.

2.2. Dynamic Model of the PSVS

The PSVS dynamic model includes the pressure servo valve model, load cylinder model and backpressure model. Among them, the backpressure is usually regulated by a relief valve, therefore the backpressure is not an ideal constant value but a time variable that changes dynamically in a certain range. The author discusses the modeling process of PSVS in detail in his doctoral dissertation [12], and the model is as follows:
(1) Pressure servo valve model.
The pressure servo valve model consists of three parts: the jet amplifier model, the feedback valve spool model, and the main valve spool model.
(i). Jet amplifier model.
The pressure servo valve adopts a permanent magnet torque motor. The modeling method of such a torque motor is described in detail in the reference [13]. It should be noted that since the pressure servo valve has a three-stage structure, and the effect of the feedback valve spool on the feedback rod assembly needs to be considered when establishing the dynamic model of the torque motor.
T d = K t Δ i + K m ψ
T d = J a d 2 ψ d t 2 + B a d ψ d t + K a ψ + T r
T r = K f g ( r ψ + x c ) r
The linearized jet nozzle flow is as follows [14].
Q j e t n o z z l e = k q x s k c p c
When the flow enters the control cavity, it will push the feedback valve spool and the main valve spool to the left, and the formula is as follows.
k q x s k c p c = A c d x c d t + A v d x v d t + V c v β d p c d t
In Formula (5), xsr·sinψ is the displacement of the end of the jet nozzle.
(ii). Feedback valve spool model.
The feedback valve spool is in a dynamic force balance state under the combined action of buildup pressure pc, back pressure ph, and feedback rod.
( p c p h ) A c K f g ( r ψ + x c ) 2 K c x c = m c x ¨ c + B c x ˙ c
(iii). Main valve spool model.
The main valve spool is in a dynamic force balance state under the combined action of buildup pressure pc, output pressure pb, and the back pressure ph.
p c A v p b A b p h A h = M v x ¨ v + B v x ˙ v + ( K + K f ) x v + K x v 0
(2) Load cylinder model
When the main valve spool moves along the positive direction, the oil enters the rod-less cavity of the hydraulic cylinder through the throttling window of the main valve spool. On the contrary, when the power stage spool moves in the negative direction, the oil in the rod-less chamber of the hydraulic cylinder enters the backpressure cavity. Therefore, the sign function (sign(xv)) needs to be used to establish the load flow Equation.
Q L = C d W x v 2 ρ ( 1 + s i g n ( x v ) 2 p s + 1 + s i g n ( x v ) 2 p b s i g n ( x v ) p h )
Under the action of load flow and hydraulic cylinder leakage flow, the hydraulic cylinder piston will move along the positive or negative direction
Q L C b p b = A g d y d t + V g b β d p b d t
In the process, the hydraulic cylinder piston is in a dynamic force balance state under the action of the output pressure pb.
A g p b = M g d 2 y d t 2 + B g d y d t + K g y
(3) Dynamic backpressure model.
The backpressure of PSVS is provided by a relief valve, and its working principle is shown in Figure 3.
The channel P of the relief valve is connected to the port H of the pressure servo valve through the pipeline, and the backpressure acts on the control cavity through the internal orifice, forming a control pressure pcj opposite to the pressure regulating spring. If the control pressure pcj exceeds the setting value of the pressure regulating spring, the spool will move along the positive direction (xj > 0). At this time, the part of the load flow enters the oil return channel through the relief valve, and the change of backpressure can be calculated according to the flow continuity Equation which is shown below.
p ˙ h = β V h ( C d W x v 1 s i g n ( x v ) 2 2 ρ ( p b p h ) R c ( p h p c j ) Q o u t )
The flow exiting through the relief valve can be calculated as follows [11].
Q o u t = π D x j sin α C d j 2 ρ p h
The control pressure pcj can be calculated according to the flow continuity equation of the control cavity.
p ˙ c j = β V c j [ R c ( p h p c j ) A j x ˙ j ]
The spool is in a dynamic force balance state under the action of the control pressure pcj and pressure regulating spring.
p c j A j = M j x ¨ j + B j x ˙ j + K j x j + K j x j 0
According to the above formulas, the PSVS model is built in the Simulink software as shown in Figure 4.

2.3. Simulation Analysis and Experiment

2.3.1. Test Platform

In order to verify the accuracy of PSVS dynamic model, an experimental platform is built in this paper. The hydraulic schematic diagram of the experimental platform is shown in Figure 5.
The output pressure pb can be measured by the pressure sensor 11.1. The load unit is used to simulate the dynamic load of the hydraulic cylinder. The backpressure unit consists of a pressure sensor and a relief valve.
The experimental platform parameters are shown in Table 2.
Figure 6 shows the experimental platform.
The pressure sensor used in this paper is shown below which is provided by measurement SPECIALTIES. The range of the pressure sensor is 40 MPa, and the accuracy is 0.25% of F.S. (Figure 7).

2.3.2. The Comparison between Simulation and Experiment

When the step current signal of 40 mA is given, and the output pressure measured experimentally is shown in Figure 8.
According to Figure 8, the following conclusions can be drawn:
Under the action of step signaling, the output pressure oscillates stably with constant amplitude, and its peak-to-peak value is about 0.40 MPa. Under the condition of a frequency range of 0~100 Hz and a sampling frequency of 60 Hz, the FFT spectrum of stable oscillation pressure can be obtained as shown in Figure 8b. It can be seen that the main frequency of pressure oscillation is about 25 Hz.
Table 3 It can be seen that the system dynamic model has high simulation accuracy.
After the ramp current signal of 40mA is input to PSVS, similar pressure oscillations still exist, as shown in Figure 9.

3. Pressure Oscillation Mechanism Analysis

PSVS shows the periodic oscillation in simulation and experiment. However, PSVS has neither an excitation source nor a resonance component and structural parameters that change periodically. However, there is a large number of feedback and regulation loops inside the system. Therefore, according to the mechanism of oscillation induction, the pressure oscillation is most likely to be self-excited oscillation, which is very common in nonlinear systems.
If self-excited oscillation occurs in a nonlinear system, an essential nonlinear factor exists in the system consequently. The principle of pressure servo valve power stage is shown below.
The pressure servo valve inevitably overshoots its output pressure under the action of step signaling. The overshoot pressure (which is higher than expected output pressure) will disrupt the dynamic force balance of the main spool, and the main valve spool will generating negative displacement (xv < 0). At this time, port B in Figure 10 will connect to port H. Additionally, due to the differential pressure, the oil that comes from the cylinder will flow into the oil return cavity through the power stage spool window. This oil will be divided into two paths. The oil that goes along path 1 will enter the closed cavity (which is shown in Figure 10), causing a sudden pressure increase in the cavity. The oil that goes along path 2 will enter the oil return cavity (formed by the hose between the pressure servo valve and relief valve), causing a sudden pressure increase in said cavity. To further illustrate the pressure dynamics in the oil return cavity, a model is built, as shown in Figure 11.
The relationship between the pressure gradient and the flow is as follows
p ˙ h = β V h ( Q i n Q o u t )
For the relief valve, there is an approximately linear relationship between the output flow and the pressure ph.
Q o u t = k j p h
Therefore, the following formula can be obtained.
p ˙ h = Q i n k j ( 1 e β k j V h t )
From the above formula, it can be seen that
(1) The volume of the oil return cavity Vh determines the time constant. The smaller Vh is, the faster the backpressure changes.
(2) The input flow Qin determines the amplitude of the dynamic backpressure. The larger Qin is, the farther the backpressure deviates from the set value of 0.6 MPa. Therefore, the larger the negative xv is, the more obvious the backpressure ph changes.
The sudden change of backpressure will cause the resultant force (along the negative direction, xv < 0) which acts on the main valve spool increases furtherly. In addition, the positive feedback will form to force the main valve spool to move to the right side, until the output pressure drops more to form a new force balance state. This process can be represented by the control block diagram shown in the Figure 12.
According to the definition given by physicist A.A. Harkevich, a self-excited oscillation system is a closed-loop system consisting of a main oscillation subject, an energy source, a controller and a feedback unit, which is shown in Figure 13.
In PSVS, the buildup pressure pc in Figure 10 is the energy source, the main valve spool is the main oscillation subject, and the positive feedback formed by the backpressure is the internal feedback information to maintain the energy replenishment. Therefore, the structure of power stage meets the structural characteristics of self-excited oscillation system. Therefore, the pressure oscillation of the PSVS is the self-excited oscillation caused by backpressure positive feedback.

4. Oscillation Suppression of PSVS

4.1. Oscillation Suppression Method

As described in the previous section, when xv < 0, the oil from the cylinder enters the closed cavity which is shown in Figure 14. Since the closed cavity has only one flow path, the cavity is very sensitive to the changes in flow; that means even small changes in flow can cause dramatic pressure oscillation in that cavity. Additionally, it will triggering a backpressure positive feedback on the main spool valve.
Therefore, in order to reduce the backpressure positive feedback effect of the main spool, two structure optimization methods are taken. First, the closed cavity is connected to the cavity at the left end of the feedback valve spool to transform the closed cavity into an open cavity. Therefore, the volume of the cavity increases, and the sensitivity of the cavity to the flow gradient is reduced. Secondly, a damping hole is added between the backpressure feedback channel and Prot H to achieve the attenuation of the backpressure oscillation, so that the pressure in front of the backpressure feedback channel tends to be smooth. The principle of the structure-optimized servo valve is shown in Figure 15.
To illustrate the attenuation effect of damping holes on backpressure oscillations, a simulation model of pressure oscillations with damping holes is established in the Amesim software, as shown in Figure 16.
The parameters in the simulation model are as same as those in Table 2. The orifice parameters are shown in Table 4.
When the pressure source signal is p = 9.5 + 0.5 sin ( 2 π × 25 t ) , the input pressure and the pressure in the hose are shown in Figure 17.
It can be seen that the sinusoidal pressure oscillation from the pressure source is greatly attenuated after passing through the orifice: the peak-to-peak value drops from 10 MPa to 0.3 MPa. Moreover, it is observed that the attenuation of pressure oscillations by the thin-walled orifice is better than that by the thick-walled orifice.
Therefore, it can be said that the pressure in the backpressure feedback channel can be approximated as a constant value (ph = 0.6 MPa) after passing through the orifice. At this time, the dynamic model of the PSVS is as follows.
T d = K t Δ i + K m ψ
T d = J a d 2 ψ d t 2 + B a d ψ d t + K a ψ + T r
T r = K f g ( r ψ + x c ) r
k q x s k c p c = A c d x c d t + A v d x v d t + V c v β d p c d t
( p c p h ) A c K f g ( r ψ + x c ) 2 K c x c = m c x ¨ c + B c x ˙ c
p c A v p b A b 0.6 A h = M v x ¨ v + B v x ˙ v + ( K + K f ) x v + K x v 0
Q L = C d W x v 2 ρ ( 1 + s i g n ( x v ) 2 p s + 1 + s i g n ( x v ) 2 p b s i g n ( x v ) p h )
Q L C b p b = A g d y d t + V g + V b β d p b d t
A g p b = M g d 2 y d t 2 + B g d y d t + K g y

4.2. Verification of Oscillation Suppression Method

4.2.1. Simulation Analysis

When a step and ramp current signal of 40 mA is given, the output pressure of PSVS is shown in Figure 18.
It can be seen that, compared with the prototype system, the output pressure of the PSVS does not oscillate under either the step signal or the ramp signal input, which means that the self-excited oscillation of PSVS is effectively eliminated.

4.2.2. Stability Margin Analysis

(1) Block diagram of pilot stage.
Take the Laplace transform of Formula (18)~Formula (21) as follows.
K t Δ i ˜ = ( J a s 2 + B a s + K a K m ) ψ ˜ + T ˜ r
T ˜ r = K f g ( r ψ ˜ + x ˜ c ) ( r + b )
k q x ˜ s k c p ˜ c = A c s x ˜ c + A v s x ˜ v + V c v β s p ˜ c
where the symbol “~” indicates the variable after Laplace transformation.
Therefore, the control block diagram of the control current Δi to buildup pressure pc can be obtained as shown in Figure 19.
(2) Feedback stage control block diagram.
It can be seen that there is a negative feedback control channel in the pilot stage control loop, which comes from the feedback valve spool displacement xc. Take the Laplace transform of Formula (22) as follows.
( p ˜ c p ˜ h ) A c K f g ( r ψ ˜ + x ˜ c ) 2 K c x ˜ c = M c s 2 x ˜ c + B c s x ˜ c
Therefore, the control block diagram from the buildup pressure pc to the feedback valve spool displacement xc is shown in Figure 20.
(3) Power stage control block diagram.
Take the Laplace transform of Formula (23) as follows.
p ˜ c A v p ˜ b A b p ˜ h A h K x v 0 = ( m v s 2 + B v s + K f + K ) x ˜ v
The control block diagram from the buildup pressure pc to the main valve spool displacement xv can be obtained as shown in Figure 21.
Therefore, it is necessary to establish the transfer relationship from the power stage spool displacement xv to the output pressure pb.
As can be seen from the Formula (24), there is a nonlinear relationship, which makes it difficult to build up the transfer relationship from xv to pb. Therefore, a linearization method is adopted, and the load flow can be calculated approximatively as follows.
Q L = k q v x v k c v p L
The linearized flow gain coefficient and linearized flow pressure coefficient in the above formula can be calculated by Formulas (33) and (34).
k q v = Q L x v = C d W 1 ρ Δ p
k c v = Q L p L = C d W x v 1 ρ Δ p 2 ( Δ p )
When considering the leakage of cylinder, there is
Δ Q = k q v x v k c v p L C b p b = A g d y d t + V g + V b β d p b d t
When xv > 0, the load differential pressure of main valve spool is pL = pspb, and ΔQ > 0 means that the load flow comes from the oil source enters the cylinder. When xv < 0, the load differential pressure of main valve spool is pL = pbph, and ΔQ < 0 means that the load flow comes from the cylinder enters the oil return cavity.
Take the Laplace transform of Formulas (35) and (26) as follows.
k q v x ˜ v k c v p ˜ L C b p ˜ b = A g s y ˜ + V g + V b β s p ˜ b
A g p ˜ b = ( M g s 2 + B g s + K g ) y ˜
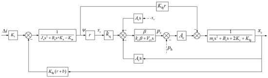
The control block diagram from the power stage spool displacement xv to the output pressure pb can be obtained as shown in Figure 22.
(4) Block diagram of PSVS.
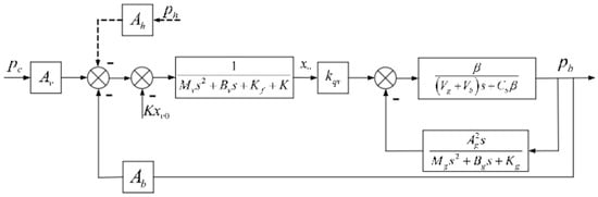
According to the control block diagram above, the control block diagram of PSVS (from control current Δi to output pressure pb) can be obtained, as shown in Figure 23.
As can be seen from Figure 23, the PSVS is a typical closed-loop control system, and there are complex cross-feedback loops and feedforward loops. Therefore, it is extremely difficult to solve the system open-loop transfer function directly. To solve the stability margin of the PSVS, this paper divides the system into two parts and makes reasonable simplification to establish their respective transfer function models, namely, the pre-stage stability transfer function model and the power stage transfer function model. When judging the stability of the system, both parts are taken into consideration.
(1) Pre-stage stability margin analysis.
In this paper, the pressure servo valve pre-stage includes two parts: jet amplifier and feedback stage, where the structure is shown in Figure 24a. Its working principle is similar to that of the force feedback two-stage hydraulic servo valve, as shown in Figure 24b.
Therefore, the pressure servo valve pre-stage transfer function can be established with reference to the jet pipe force feedback two-stage hydraulic servo valve.
The control block diagram of pre-stage is shown in Figure 25. It can be seen that when establishing the feedback valve spool force balance equation, the force of the feedback rod is ignored because the spring stiffness at both ends of the feedback valve spool is much larger than the feedback rod stiffness.
After ignoring some factors that have little influence, such as ph (because p c p h ), the transfer function (from the displacement of jet pipe xs to the displacement of feedback valve spool xc) can be obtained below.
x ˜ c = β A c k q ( k c β + V c v s ) ( m c s 2 + B c s + 2 K c ) x ˜ s
The pressure servo valve pre-stage Bode diagram is shown in Figure 26.
It can be seen that the pressure servo valve pre-stage has a large amplitude margin (12.1 dB > 6 dB) and phase angle margin (84.3 deg > 30 deg), which can maintain stability under certain external disturbances.
(2) Pressure servo valve power stage stability margin analysis.
The control block diagram from buildup pressure pc to output pressure pb is as shown in Figure 27.
The load differential pressure takes different values in the case of xv > 0 and xv < 0. From the analysis in subSection 4.2.1, it can be obtained that pb ≈ 9.5 MPa. Therefore, the linearized flow gain coefficient of the main valve spool can be taken as
k q v + = C d W 2 ( p s p b ) ρ
k q v = C d W 2 ( p b p h ) ρ
In order to simplify the block diagram some measures are adopted.
(1) The cylinder is a load with large stiffness, which has a spring force much larger than the inertia and damping forces. Therefore, only the spring stiffness is considered in the analysis.
(2) The fixed backpressure is an interfering term which does not affect the transmission function and can be ignored in the simplification.
The simplified block diagram of power stage can be obtained as shown in Figure 28.
The transfer function can be obtained in Formula (41). When taking Formula (39) or Formula (40) into Formula (41), the open-loop gain can be obtained in Formula (42).
W ( s ) = K g β k q v A b ( M v s 2 + B v s + K + K f ) [ ( K g V g b + β A g 2 ) s + K g C b β ]
K 0 = C d W A b C b ( K + K f ) 2 p L ρ
It can be seen that the open-loop gain of the power stage is related to the operating point of the pressure servo valve. It means that the open-loop gain of the power stage is changing with different load differential pressure.
According to Formula (41), the Bode diagram of the power stage is shown in Figure 29.
The stability margin of the power stage is shown in Table 5.
It can be seen that the power stage is a stable system and has a sufficient stability margin to resist external disturbances. Furthermore, it can be seen that the system has a higher stability margin when xv > 0.
Therefore, it can be judged that the PSVS is a stable dynamical system and has sufficient stability margin to maintain stability under certain external disturbances. This is also consistent with the time domain analysis results of the PSVS in Section 4.2.1.

5. Conclusions

In this paper, the dynamic model of PSVS ha been established and the correctness of the model has been verified by experiment. On this basis, the mechanism of pressure oscillation has been analyzed and an oscillation suppression method for the pressure servo valve has been proposed. The following conclusions can be drawn.
(1) The pressure oscillation of PSVS is the self-excited oscillation caused by backpressure positive feedback.
(2) The backpressure positive feedback can be suppressed by the open cavity and the orifice between Port H and the backpressure feedback channel.
(3) Based on the basic principle of weakening the positive feedback, the pressure servo valve structure optimization method has been proposed. The optimized PSVS has sufficient stability margin to maintain stable pressure output under certain external disturbance.
This paper solves the oscillation problem in the brake pressure control system of large aircraft, and the results provide a clear technical method for the optimal design of this kind of pressure control system.

Author Contributions

Conceptualization, Q.Z. and F.Z.; methodology, J.H.; software, Q.Z.; dynamic model and self-excited oscillation analysis J.H.; oscillation suppression, Q.Z. and T.W.; stability margin analysis J.H. and X.L.; writing-original draft preparation, Q.Z. All authors have read and agreed to the published version of the manuscript.

Funding

This research was funded by National Natural Science Foundation of China (NSFC) under grant number 52175038, 51907009 and 52105049.

Institutional Review Board Statement

Not applicable.

Informed Consent Statement

Not applicable.

Data Availability Statement

Not applicable.

Conflicts of Interest

The authors declare no conflict of interest. The funders had no role in the design of the study; in the collection, analyses, or interpretation of data; in the writing of the manuscript; or in the decision to publish the results.

References

  1. Viscardi, M.; Arena, M.; Cerreta, P.; Iaccarino, P.; Inserra, I.S. Imparato, Manufacturing and Validation of a Novel Composite Component for Aircraft Main Landing Gear Bay. J. Mater. Eng. Perform. 2019, 28, 3292–3300. [Google Scholar] [CrossRef]
  2. Viscardi, M.; Arena, M.; Cerreta, P.; Iaccarino, P. Design and prototyping of a novel composite architecture for a wide-body landing gear bay. Mater. Today Proc. 2021, 34, 288–292. [Google Scholar] [CrossRef]
  3. Hongling, W.; Guanglai, T.; Longfei, F.; Jinsong, L.; Gang, Q.; Wenqing, Z. Study on Resonance of Braking Pressure Control System of Multi-Wheel and Multi-Strut Aircraft. J. Northwestern Polytech. Univ. 2014, 32, 646–650. [Google Scholar]
  4. Grinis, L.; Haslavsky, V.; Tzadka, U. Self-Excited Oscillation in Hydraulic Ball Check Valve. World Acad. Sci. Eng. Technol. 2012, 51, 311–314. [Google Scholar]
  5. Hayashi, S.; Hayase, T.; Kurahashi, T. Chaos in a hydraulic control valve. J. Fluids Struct. 1997, 11, 693–716. [Google Scholar] [CrossRef]
  6. Misra, A.; Behdinan, K.; Cleghorn, W.L. Self-excited vibration of a control valve due to fluid–structure interaction. J. Fluids Struct. 2002, 16, 649–665. [Google Scholar] [CrossRef]
  7. Ye, Q.F.; Yan, S.J.; Chen, J.P.; Chen, Z.J. Self-excited Vibration in a Pneumatic Pilot-operated Solenoid Valve. J. Mech. Eng. 2010, 46, 115–121. [Google Scholar] [CrossRef]
  8. Liu, S.; Liu, H.J.; Xu, H.H. Research of self-oscillation characteristics of check valve flow-path system. J. Rocket. Propuls. 2011, 37, 1–5. [Google Scholar]
  9. Wang, J.Z.; Chen, E.F.; Yu, W.J. Mechanism of self-excited vibration and dynamic stability for pneumatic valves. J. Aerosp. Power 2014, 29, 1490–1497. [Google Scholar]
  10. Yan, Y.B.; Zheng, Y.P. Thermal Vibration Characteristics of Torque Motor of Jet Pipe Servo Valve. Fluid Power Transm. Control. 2016, 5, 7–11. [Google Scholar]
  11. Jiang, W.; Zhu, Y.; Yang, C. Study on Nonlinear Dynamics Behavior of a Hydraulic Relief Valve. China Mech. Eng. 2013, 24, 2705–2709. [Google Scholar]
  12. Zhang, Q. Research on System Dynamic Characteristics and Oscillation Suppress Methods of Aircraft Braking Hydraulic System; Yanshan University: Qinhuangdao, China, 2022. [Google Scholar]
  13. Wang, C. Hydraulic Control System; China Machine Press: Beijing, China, 1998. [Google Scholar]
  14. Wang, Z. Modern Electro-Hydraulic Servo Control; Beihang University Press: Beijing, China, 2015. [Google Scholar]
Figure 1. The hydraulic schematic diagram of PSVS.
Figure 1. The hydraulic schematic diagram of PSVS.
Applsci 12 08477 g001
Figure 2. The structural schematic diagram of the pressure servo valve.
Figure 2. The structural schematic diagram of the pressure servo valve.
Applsci 12 08477 g002
Figure 3. The relief valve: (a) The structure of relief valve, (b) The simplified principle of relief valve.
Figure 3. The relief valve: (a) The structure of relief valve, (b) The simplified principle of relief valve.
Applsci 12 08477 g003
Figure 4. The structure schematic diagram of the pressure servo valve.
Figure 4. The structure schematic diagram of the pressure servo valve.
Applsci 12 08477 g004
Figure 5. Hydraulic principle of experimental platform.
Figure 5. Hydraulic principle of experimental platform.
Applsci 12 08477 g005
Figure 6. Pressure servo valve experimental platform.
Figure 6. Pressure servo valve experimental platform.
Applsci 12 08477 g006
Figure 7. The pressure sensor.
Figure 7. The pressure sensor.
Applsci 12 08477 g007
Figure 8. Experimental results of output pressure under step signal: (a) Time domain curve, (b) FFT spectrum of output pressure.
Figure 8. Experimental results of output pressure under step signal: (a) Time domain curve, (b) FFT spectrum of output pressure.
Applsci 12 08477 g008
Figure 9. Experimental results of output pressure under ramp signal: (a) Time domain curve, (b) FFT spectrum of output pressure.
Figure 9. Experimental results of output pressure under ramp signal: (a) Time domain curve, (b) FFT spectrum of output pressure.
Applsci 12 08477 g009
Figure 10. Pressure servo valve power stage.
Figure 10. Pressure servo valve power stage.
Applsci 12 08477 g010
Figure 11. Model of the oil return cavity.
Figure 11. Model of the oil return cavity.
Applsci 12 08477 g011
Figure 12. Pressure servo valve power stage feedback control block diagram.
Figure 12. Pressure servo valve power stage feedback control block diagram.
Applsci 12 08477 g012
Figure 13. Self-excited oscillation feedback mechanism.
Figure 13. Self-excited oscillation feedback mechanism.
Applsci 12 08477 g013
Figure 14. Pressure servo valve structure.
Figure 14. Pressure servo valve structure.
Applsci 12 08477 g014
Figure 15. Principle of structure-optimized pressure servo valve.
Figure 15. Principle of structure-optimized pressure servo valve.
Applsci 12 08477 g015
Figure 16. Simulation model of pressure oscillation with damped orifice.
Figure 16. Simulation model of pressure oscillation with damped orifice.
Applsci 12 08477 g016
Figure 17. Pressure in the hose under the action of the sinusoidal pressure source: (a) pressure source; (b) pressure in hose (after thin-walled orifice); (c) pressure in hose (after thick-walled orifice); (d) pressure in hose (without orifice).
Figure 17. Pressure in the hose under the action of the sinusoidal pressure source: (a) pressure source; (b) pressure in hose (after thin-walled orifice); (c) pressure in hose (after thick-walled orifice); (d) pressure in hose (without orifice).
Applsci 12 08477 g017
Figure 18. Output pressure with different input signal: (a) step input signal, (b) ramp input signal.
Figure 18. Output pressure with different input signal: (a) step input signal, (b) ramp input signal.
Applsci 12 08477 g018
Figure 19. Control block diagram from control current to buildup pressure.
Figure 19. Control block diagram from control current to buildup pressure.
Applsci 12 08477 g019
Figure 20. Control block diagram from buildup pressure to feedback stage spool displacement.
Figure 20. Control block diagram from buildup pressure to feedback stage spool displacement.
Applsci 12 08477 g020
Figure 21. Control block diagram from buildup pressure to power stage spool displacement.
Figure 21. Control block diagram from buildup pressure to power stage spool displacement.
Applsci 12 08477 g021
Figure 22. Control block diagram from main valve spool displacement to output pressure.
Figure 22. Control block diagram from main valve spool displacement to output pressure.
Applsci 12 08477 g022
Figure 23. Block diagram of PSVS.
Figure 23. Block diagram of PSVS.
Applsci 12 08477 g023
Figure 24. Servo valve force feedback structure: (a) Pressure servo valve pre-stage, (b) Jet pipe force feedback two-stage hydraulic servo valve.
Figure 24. Servo valve force feedback structure: (a) Pressure servo valve pre-stage, (b) Jet pipe force feedback two-stage hydraulic servo valve.
Applsci 12 08477 g024
Figure 25. Block diagram of pressure servo valve pre-stage.
Figure 25. Block diagram of pressure servo valve pre-stage.
Applsci 12 08477 g025
Figure 26. Bode diagram of the pre-stage.
Figure 26. Bode diagram of the pre-stage.
Applsci 12 08477 g026
Figure 27. Power stage control block diagram.
Figure 27. Power stage control block diagram.
Applsci 12 08477 g027
Figure 28. Simplified control block diagram of power stage.
Figure 28. Simplified control block diagram of power stage.
Applsci 12 08477 g028
Figure 29. Bode diagram of pressure servo valve power stage.
Figure 29. Bode diagram of pressure servo valve power stage.
Applsci 12 08477 g029
Table 1. The parameters.
Table 1. The parameters.
ParameterDefinitionUnit
ΔiInput currentmA
KtElectromagnetic moment coefficientNm/rad
KmMagnetic torque spring stiffnessNm/rad
ψJet pipe rotation anglerad
JaRotational inertia of jet pipekg·m2
BaDamping coefficient of jet pipeNm/rad/s
KaStiffness of jet pipe Nm/rad
KfgStiffness of the feedback rodN/m
rDistance from feedback rod rotation center to nozzlem
kqLinearized flow gain coefficient of jet nozzlem2/s
kcLinearized flow pressure coefficient of jet nozzlem3/sPa
xsDisplacement of jet nozzlem
xcDisplacement of the second stage spoolm
pcBuildup pressurePa
psOil supply pressurePa
phBackpressure of the systemPa
ρOil densitykg/m3
βVolumetric modulus of elasticity of oil.Pa
VcvVolume of the control cavitym3
AcArea of feedback valve spoolm2
KcFeedback spring stiffnessN/m
mcMass of the feedback spoolkg
BcDamping coefficient of the feedback spoolNm/rad/s
AvEffective area of buildup pressurem2
pbOutput pressurePa
AbEffective area of output pressurem2
AhEffective area of backpressurem2
KfSteady-state flow force stiffness of main valve spoolN/m
xvDisplacement of power stage valve spoolm
xv0Initial compression of power stage springm
MvMass of power stage valve spoolkg
BvDamping coefficient of power stage valve spoolNm/rad/s
KSpring stiffness of power stage valve spoolN/m
CdFlow coefficient of main valve spool-
WArea gradient of the main valve spoolm
QLLoad flowm3/s
yDisplacement of cylinder piston rodm
AgEffective area of cylinder pistonm2
VgbWork cavitym3
CbLeakage coefficient of cylinderm3/s/Pa
MgMass of cylinder pistonkg
BgDamping coefficient of cylinder Nm/rad/s
KgSpring stiffness of cylinderN/m
VhVolume of the oil return cavitym3
CdjFlow coefficient of the relief valve-
QoutFlow of the relief valvem3/s
xjDisplacement of relief valve spoolm
DValve port diameter of relief valvem
αSemi-cone angle of valve spoolrad
pcjRelief valve control pressure Pa
VcjVolume of the relief valve control cavity m3
RcImpedance of relief valve damping holem3/s/Pa
AjEffective area of relief valve control pressurem2
MjMass of relief valve spoolkg
KjSpring stiffness of relief valveN/m
BjDamping coefficient of relief valveNm/rad/s
xj0Initial compression of relief valve spoolm
kjLinearized flow gain coefficient of relief valvem2/s
kqvLinearized flow gain coefficient of main valve spoolm2/s
kcvLinearized flow pressure coefficient of main valve spoolm3/sPa
ksSteady-state flow force coefficient of relief valve spoolN/m/Pa
Table 2. The parameters of experimental platform.
Table 2. The parameters of experimental platform.
Oil Supply PressureSystem FlowOutput Pipe (m)Oil Return Pipe (m)BackpressureLoad StiffnessLoad Damping
15 MPa6.25 × 10−4 m3/sΦ0.006 × 1.50Φ0.006 × 1.010.6 MPa1 × 106 N/m50 Ns/m
Table 3. Comparison of output pressure oscillation.
Table 3. Comparison of output pressure oscillation.
Peak-Peak Value (Mpa)Main Frequency (Hz)
Experiment0.31924.9584
Simulation0.34724.9764
Error8.8%0.072%
Table 4. Orifice parameters.
Table 4. Orifice parameters.
DiameterLengthDiameter of Inlet RunnerModel
Thin-walled 1 mm--2 mm ξ = f ( Re , A c A 1 )
Thick-walled 1 mm10 mm2 mm ξ = f ( Re , A c A 1 , l D h )
Table 5. Power stage stability margin.
Table 5. Power stage stability margin.
Magnitude Margin (dB)Phase Margin (deg)
Kqv = 2.00131.487.5
Kqv = 2.54529.486.8
Publisher’s Note: MDPI stays neutral with regard to jurisdictional claims in published maps and institutional affiliations.

Share and Cite

MDPI and ACS Style

Huang, J.; Zhang, Q.; Zhao, F.; Liu, X.; Wang, T. Analysis and Suppression of Self-Excited Oscillations in Pressure Servo Valve System. Appl. Sci. 2022, 12, 8477. https://doi.org/10.3390/app12178477

AMA Style

Huang J, Zhang Q, Zhao F, Liu X, Wang T. Analysis and Suppression of Self-Excited Oscillations in Pressure Servo Valve System. Applied Sciences. 2022; 12(17):8477. https://doi.org/10.3390/app12178477

Chicago/Turabian Style

Huang, Jian, Qiwei Zhang, Fan Zhao, Xiangyu Liu, and Tianyi Wang. 2022. "Analysis and Suppression of Self-Excited Oscillations in Pressure Servo Valve System" Applied Sciences 12, no. 17: 8477. https://doi.org/10.3390/app12178477

APA Style

Huang, J., Zhang, Q., Zhao, F., Liu, X., & Wang, T. (2022). Analysis and Suppression of Self-Excited Oscillations in Pressure Servo Valve System. Applied Sciences, 12(17), 8477. https://doi.org/10.3390/app12178477

Note that from the first issue of 2016, this journal uses article numbers instead of page numbers. See further details here.

Article Metrics

Back to TopTop