Seismic Performance Test of Double-Row Reinforced Ceramsite Concrete Composite Wall Panels with Cores
Abstract
1. Introduction
2. Experimental Design
2.1. Specimen Design
2.2. Material Performance Test
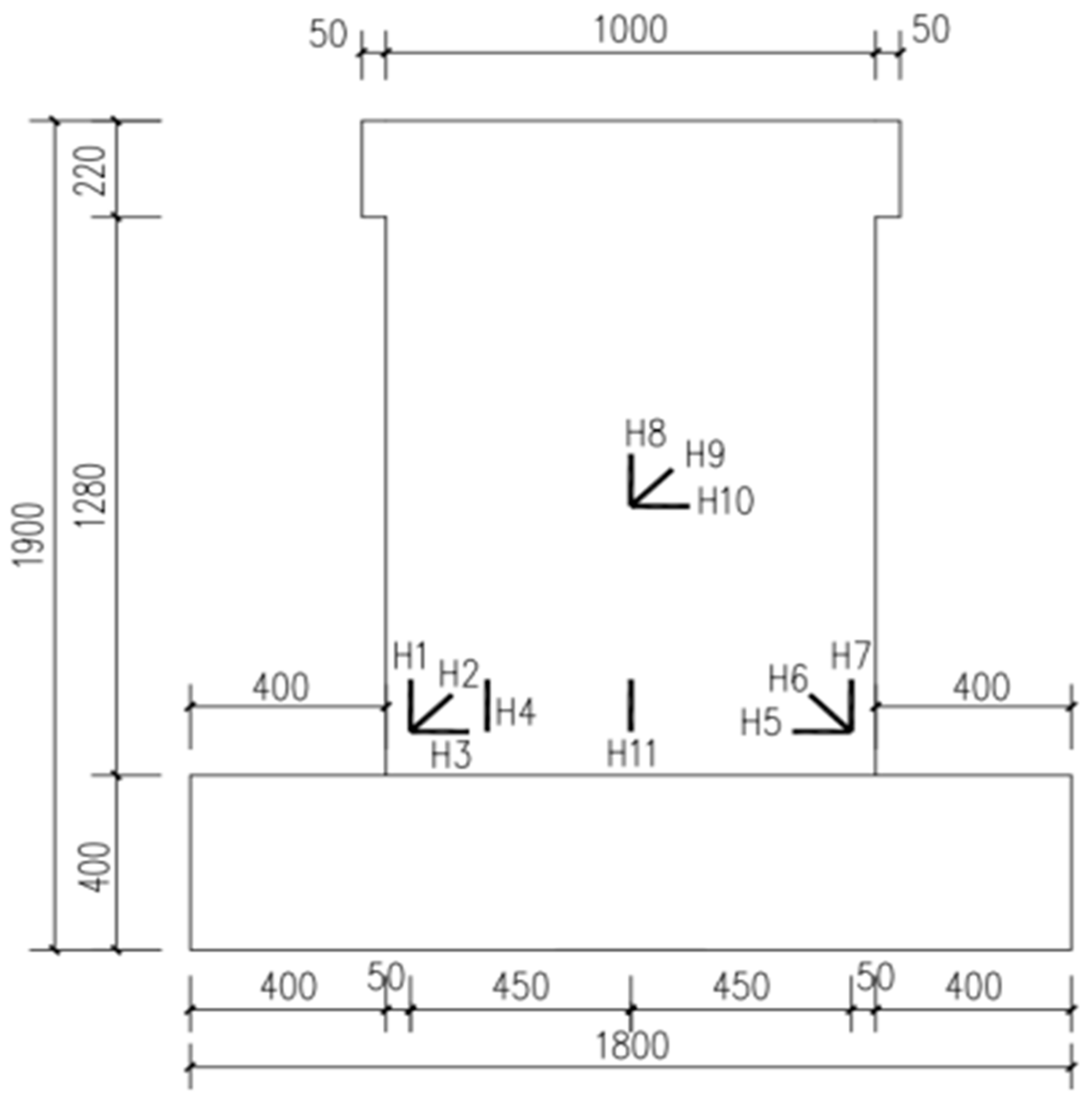
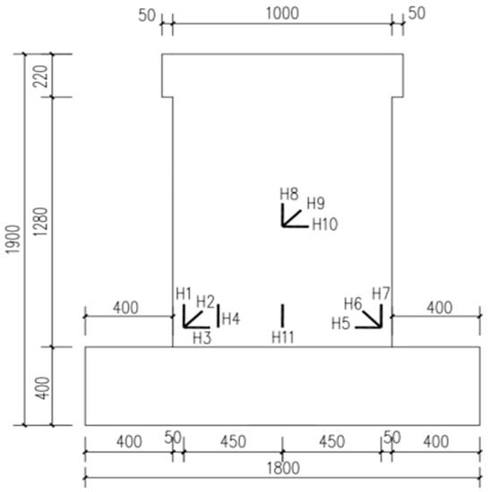
2.3. Loading Scheme and Measuring Point Arrangement
| Item | Measurement Points | Arrangement and Means for Measuring Points |
|---|---|---|
| Overall deformation | Lateral displacement of wallboard | Displacement meter arranged along the length direction of the specimen section |
| Relative displacement between top and bottom of wallboard | Displacement meter arranged along top and bottom of high centerline of wall | |
| Local distortion | Fracture characteristics and width | Manual observation |
| Strain of distributed reinforcement and ceramsite concrete | Strain gauge measurement. For the measuring point arrangement, see Figure 5 and Figure 6 | |
| Load | Cracking, yield, and ultimate load | Sensor measurement connected with loader |
3. Experimental Results and Analysis
3.1. Failure Mode of Specimen
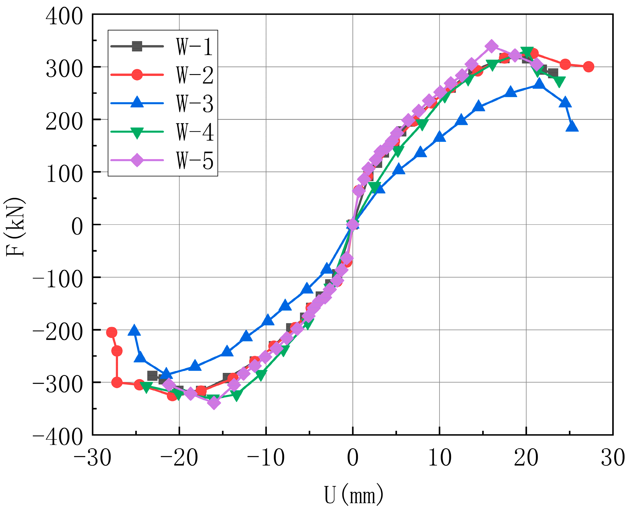
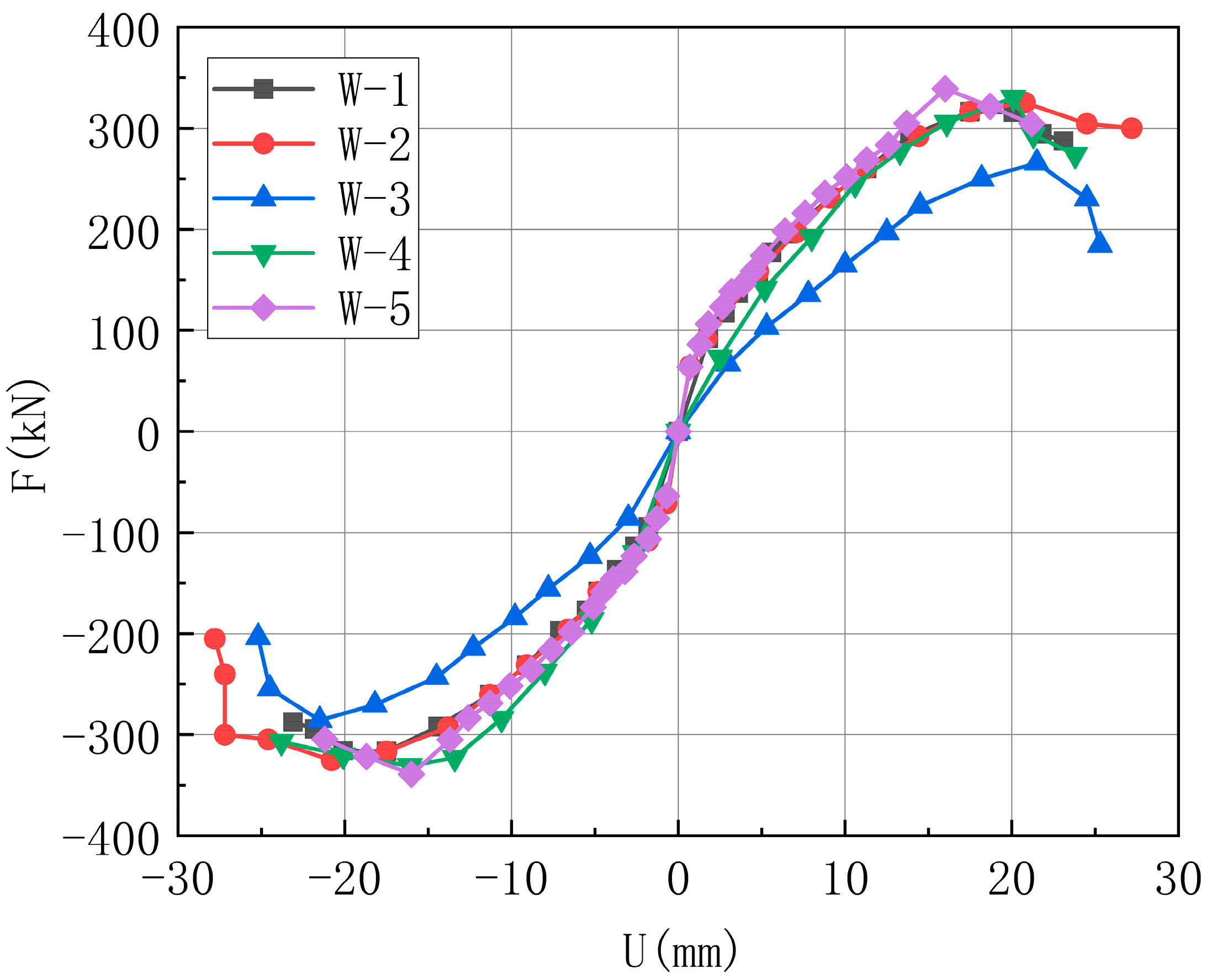
3.2. Hysteresis Loop
3.3. Skeleton Curve
3.4. Bearing Capacity and Deformation Analysis
3.5. Ductility Analysis
3.6. Energy Consumption Analysis
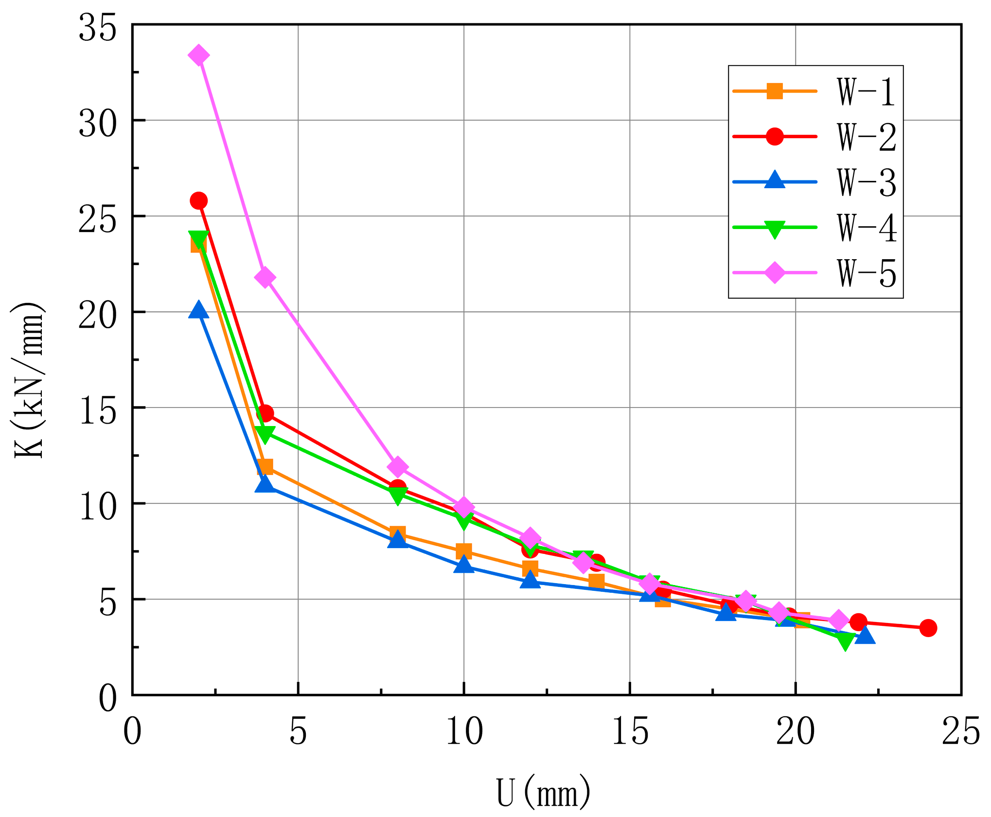
3.7. Rigidity Degeneration
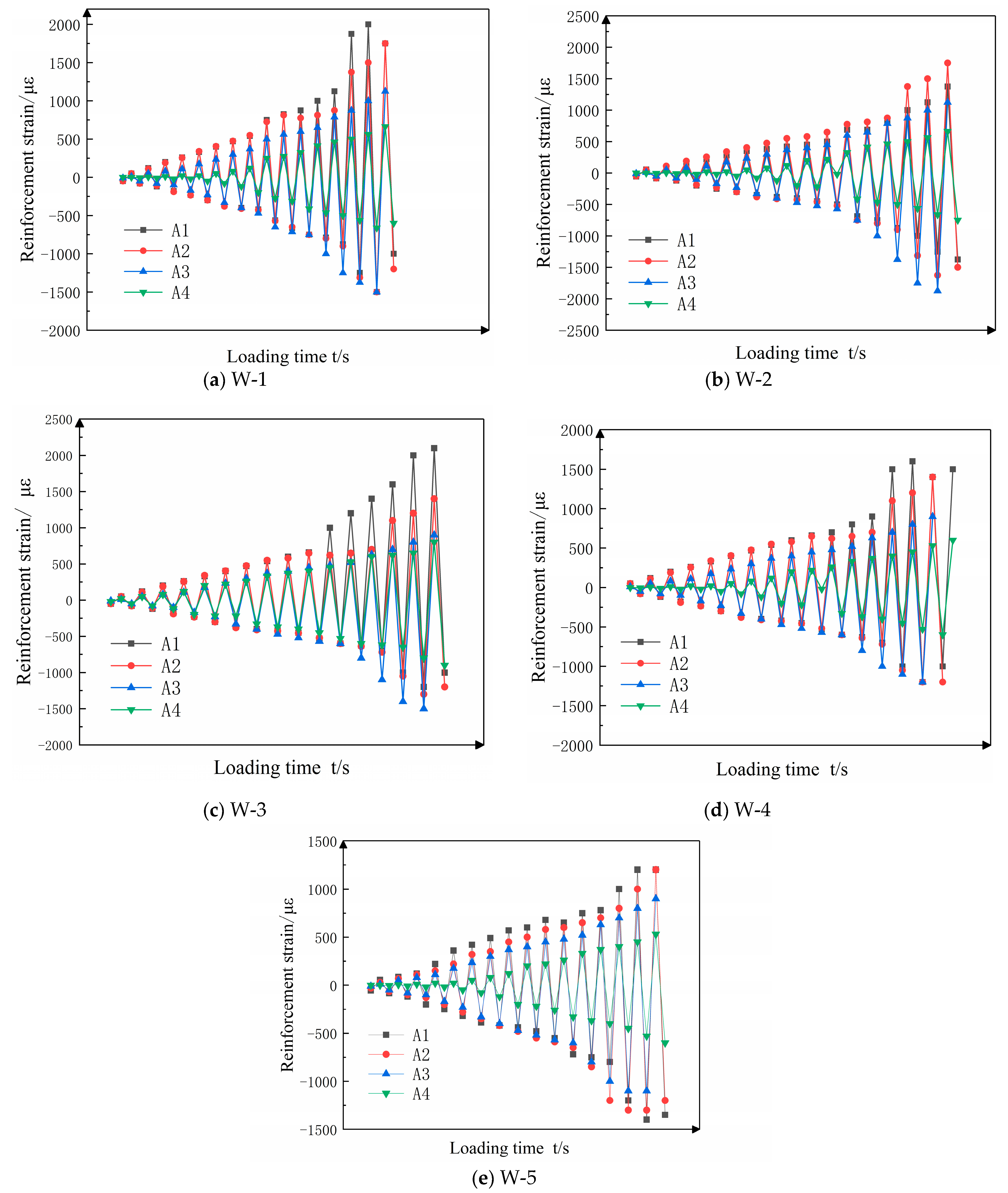
3.8. Strain Analysis
4. Conclusions
- This paper proposes a new type of sandwich composite wall panel with an integrated insulation system and wall panel structure, whose unique construction form can not only block a fire source and avoid a fire but also easily solve the common problem of the easy shedding of insulation materials in engineering, which has a good prospect for engineering applications.
- The new sandwich composite wall panel adopted double rows of reinforcement, and the connection method adopted straight inserted reinforcement. Tie-bar connectors could effectively fix the insulation board, improve the overall force and deformation performance of the composite wall panel, and increase the ductility and energy dissipation capacity of the members. Furthermore, the test results showed that the seismic comprehensive index of the members could be effectively improved by optimizing the structure layer thickness, material type, and reinforcement of the wall panels.
- The use of ceramsite concrete instead of plain concrete as the panel material with the same size resulted in a slight reduction in the load-bearing capacity, but significant advantages in terms of the energy dissipation capacity and ductility. The new sandwich composite wall panel′s self-weight was reduced by about 20% compared with the composite wall panel without an insulation board of the same size, which was conducive to enhancing the seismic performance of the overall structure of the wall panel.
- To improve the bearing capacity of the new wall panel, the additional fiber in the vitrified concrete was a proven method. Compared with W-1 (specimens without the addition of fiber) in terms of cracking and yielding to the ultimate load, the results for W-2 (specimens with 0.3% fiber volume admixture) increased by 22.2%, 7.8%, and 3.2%. This phenomenon indicated that the addition of fibers could effectively retard the cracking of the wall panels. In addition, adding the right amount of fiber could improve the load-bearing capacity and energy dissipation capacity of the wall panel to a certain extent, and improve the comprehensive mechanical index of the sandwich wall panel. However, the addition of too many fibers was counterproductive. In the subsequent optimization design of a wall panel, the type of fiber and the amount of fiber incorporation can be studied more deeply.
- According to the law of stiffness degradation and the law of force deformation of vertically distributed reinforcement, it could be concluded that the degradation trend of the double-row reinforced ceramsite concrete sandwich composite wall slab was relatively gentle, and the components of the wall slab worked well together. The wall slab with ceramic concrete material had a discounted stiffness compared with that of ordinary concrete material. The results of this study showed that when the fiber admixture was 0.3%, the problem of the stiffness reduction of the wall panel could be effectively solved. The same conclusion could be drawn from the material strain analysis. The double-row reinforced ceramsite concrete sandwich composite wall panel could give full play to the advantages of each constituent material and work synergistically to share the force.
Author Contributions
Funding
Institutional Review Board Statement
Informed Consent Statement
Data Availability Statement
Conflicts of Interest
References
- Lu, J.; Wang, D.H.; Zhao, K.; Liu, S.Y. Experimental performance of intermittent space heating with different terminals in a self-thermal insulation building. J. Zhejiang Univ. Eng. Sci. 2020, 54, 2092–2099, 2108. [Google Scholar]
- Tsinghua University Building Energy Conservation Research Center. Research Report on Annual Development of Building Energy Efficiency in China; Chinese Building Industry Press: Beijing, China, 2018. [Google Scholar]
- Nie, J.Z.; Liu, J.L.; Li, D.Y.; Feng, S. Analysis of factors affecting energy consumption of typical residential buildings in northern new countryside based on energy consumption simulation. J. New Build. Mater. 2020, 47, 139–146. [Google Scholar]
- Brown, J.R.; Li, M.; Palermo, A.; Pampanin, S.; Sarti, F. Experimental testing of a low-damage post-tensioned C-shaped CLT core-wall. Struct. Eng. 2020, 147, 04020357. [Google Scholar] [CrossRef]
- Salmon, D.C.; Einea, A.; Tadros, M.K.; Culp, T.D. Full scale testing of precast concrete sandwich panels. Aci Struct. J. 1997, 94, 354–362. [Google Scholar]
- Memon, N.A.; Sumadi, S.R.; Ramli, M. Ferrocement encased lightweight aerated concrete: A novel approach to produce sandwich composite. Mater. Lett. 2007, 61, 4035–4038. [Google Scholar] [CrossRef]
- Ng, S.C.; Low, K.S. Thermal conductivity of newspaper sandwiched aerated lightweight concrete panel. Energy Build. 2010, 42, 2452–2456. [Google Scholar] [CrossRef]
- Qiu, J.; Xing, M.; Yang, Z.; Zhang, C.; Guan, X. Micro-pore structure characteristics and macro-mechanical properties of PP fibre reinforced coal gangue ceramsite concrete. J. Build. Eng. 2020, 2020, 1192–1197. [Google Scholar]
- Li, X.G.; Yan, F.J.; Yue, X.T.; Wang, X.G. Research progress of ceramsite concrete. Bull. Chin. Ceram. Soc. 2020, 39, 3407–3418, 3452. [Google Scholar]
- Xie, J.; Zhao, J.; Wang, J.; Huang, P.; Liu, J. Investigation of the high-temperature resistance of sludge ceramsite concrete with recycled fine aggregates and GGBS and its application in hollow blocks. J. Build. Eng. 2020, 34, 101954. [Google Scholar] [CrossRef]
- Bi, X.X.; Yu, Y.; Li, Y.; Zhang, Z.J.; Lv, F.L. Experimental study on deformation and failure characteristics of ceramsite concrete block under typical loading mode after freeze-thaw cycles. J. New Build. Mater. 2021, 48, 103–106. [Google Scholar]
- Chen, Y.M. Experimental Research on the Mechanical Properties of Ceramsite Concrete Core Self-Insulation Wallboard. Master’s Thesis, Henan University, Kaifeng, China, 2016. [Google Scholar]
- Geng, Z.H. Analysis of Ceramsite Concrete Insulation Sandwich Wall under Low Cyclic Loading. Master’s Thesis, Henan University, Kaifeng, China, 2016. [Google Scholar]
- Bao, P.; Ma, S.C.; Han, X.X.; Zhong, S.; Fu, H.; Yue, J. Performance analysis of ceramsite concrete sandwich insulation composite wallboard. J. Henan Univ. Nat. Sci. 2017, 47, 591–596. [Google Scholar]
- Cavaleri, L.; Di Trapani, F. Cyclic response of masonry infilled RC frames: Experimental results and simplified modeling. Soil Dyn. Earthq. Eng. 2014, 65, 224–242. [Google Scholar] [CrossRef]
- Celarec, D.; Dolšek, M. Practice-oriented probabilistic seismic performance assessment of infilled frames with consideration of shear failure of columns. Earthq. Eng. Struct. Dyn. 2013, 42, 1339–1360. [Google Scholar] [CrossRef]
- Ferraioli, M.; Lavino, A. Irregularity effects of masonry infills on nonlinear seismic behaviour of RC buildings. Math. Probl. Eng. 2020. [Google Scholar] [CrossRef]
- Yuen, Y.P.; Kuang, J.S. Nonlinear seismic responses and lateral force transfer mechanisms of RC frames with different infill configurations. Eng. Struct. 2015, 91, 125–140. [Google Scholar] [CrossRef]
- Ma, S.C.; Bao, P.; Jiang, N. Experimental study of gypsum-concrete dense-column composite boards with external thermal insulation systems. Appl. Sci. 2020, 10, 1976. [Google Scholar] [CrossRef]
- Ma, S.C.; Jang, N. Experimental investigation on the seismic behavior of a new-type composite interior wallboard. Mater. Struct. 2016, 49, 5085–5095. [Google Scholar] [CrossRef]
- Darzi, S.; Karampour, H.; Bailleres, H.; Gilbert, B.P.; Fernando, D. Load bearing sandwich timber walls with plywood faces and bamboo core. Structures 2020, 27, 2437–2450. [Google Scholar] [CrossRef]
- Mehran, Z.; Ronagh, H.R. Seismic performance of cold formed steel walls sheathed by fibre-cement board panels. J. Constr. Steel Res. 2015, 107, 1–11. [Google Scholar]
- Polastri, A.; Izzi, M.; Pozza, L.; Loss, C.; Smith, I. Seismic analysis of multi-storey timber buildings braced with a CLT core and perimeter shear-walls. Bull. Earthq. Eng. 2019, 17, 1009–1028. [Google Scholar] [CrossRef]
- Pohoryles, D.A.; Maduta, C.; Bournasa, D.A.; Kouris, L.A. Energy performance of existing residential buildings in Europe: A novel approach combining energy with seismic retrofitting. Energy Build. 2020, 223, 110024. [Google Scholar] [CrossRef]
- Ma, S.C.; Jia, P.J.; Bao, P.; Yuan, Q.M. Experimental analysis on mechanical properties of alkali resistant glass fiber reinforced ceramsite concrete. China Concr. Cem. Prod. 2020, 12, 45–49. [Google Scholar]
- JGJ/T101-2015 Specification of Seismic Test of Buildings; Chinese Building Industry Press: Beijing, China, 2015.
- JGJ101-96 Specification of Testing Methods for Earthquake Resistant Building; Chinese Building Industry Press: Beijing, China, 1997.
- Ma, S.C.; Iang, N. Seismic experimental study on new-type composite exterior wallboard with integrated structural function and insulation. Materials 2015, 8, 3732–3753. [Google Scholar] [CrossRef]
- Ma, S.C.; Fang, H.Y.; Bao, P.; Jiang, X.L. The influence rule of horizontal steel bar connection on seismic behavior of assembled composite shear wall joints. J. Struct. Eng. 2020, 11, 1–8. [Google Scholar] [CrossRef]
- Javadi, M.; Hassanli, R.; Rahman, M.; Karim, R. Experimental study on cyclic behavior of post-tensioned segmental retaining walls (PSRWs). Eng. Struct. 2020, 229, 111619. [Google Scholar] [CrossRef]
















| Specimen No. | Specimen Types | Material | Isolation Board | Fiber Volume Content |
|---|---|---|---|---|
| W-1 | Double-row reinforced ceramsite concrete sandwich composite wallboard | ceramsite concrete | √ | 0 |
| W-2 | Double-row reinforced fiber reinforced ceramsite concrete sandwich composite wallboard | ceramsite concrete | √ | 0.3% |
| W-3 | Double-row reinforced fiber reinforced ceramsite concrete sandwich composite wallboard | ceramsite concrete | √ | 0.4% |
| W-4 | Double-row reinforced C30 ordinary concrete sandwich composite wallboard | ordinary concrete | √ | 0 |
| W-5 | Ceramsite concrete solid core wallboard | ceramsite concrete | × | 0 |
| Cement (kg) | Water (kg) | Sand (kg) | Crushed Stone (kg) | Ceramic Aggregate (kg) | Admixture (kg) | Water Reducer (kg) |
|---|---|---|---|---|---|---|
| 255 | 125 | 923 | 817 | 60 | 140 | 7.7 |
| Fiber Length (mm) | Fiber Diameter (μm) | Density (kg/m3) | Specific Surface Area (cm2/g) | Tensile Strength (MPa) | Elastic Modulus (GPa) |
|---|---|---|---|---|---|
| 10–15 | 15–18 | 2700 | 25,000 | 1900 | 75 |
| Specimen No. | Cracking Load | Cracking Displacement | Yield Load | Yield Displacement | Ultimate Load | Ultimate Displacement | Ductility Factor | Increment | Energy Dissipation Coefficient | Increment |
|---|---|---|---|---|---|---|---|---|---|---|
| Pc/kN | ∆c/mm | Py/kN | ∆y/mm | Pu/kN | ∆u/mm | μd | % | % | ||
| W-1 | 92.3 | 1.9 | 197.5 | 7.1 | 315.2 | 23.5 | 3.31 | 0 | 0.51 | 0 |
| W-2 | 112.8 | 2.7 | 212.8 | 8.3 | 325.3 | 27.8 | 3.35 | 1.2 | 0.54 | 5.8 |
| W-3 | 65.4 | 2.6 | 135.7 | 7.6 | 265.7 | 25.3 | 3.33 | 0.6 | 0.49 | −3.9 |
| W-4 | 75.3 | 1.7 | 195.6 | 8.6 | 330.2 | 23.8 | 2.77 | −16.3 | 0.50 | −2.0 |
| W-5 | 103.4 | 2.2 | 230.8 | 8.9 | 339.3 | 21.3 | 2.39 | −27.8 | 0.49 | −3.9 |
Publisher’s Note: MDPI stays neutral with regard to jurisdictional claims in published maps and institutional affiliations. |
© 2021 by the authors. Licensee MDPI, Basel, Switzerland. This article is an open access article distributed under the terms and conditions of the Creative Commons Attribution (CC BY) license (http://creativecommons.org/licenses/by/4.0/).
Share and Cite
Ma, S.; Li, L.; Bao, P. Seismic Performance Test of Double-Row Reinforced Ceramsite Concrete Composite Wall Panels with Cores. Appl. Sci. 2021, 11, 2688. https://doi.org/10.3390/app11062688
Ma S, Li L, Bao P. Seismic Performance Test of Double-Row Reinforced Ceramsite Concrete Composite Wall Panels with Cores. Applied Sciences. 2021; 11(6):2688. https://doi.org/10.3390/app11062688
Chicago/Turabian StyleMa, Shaochun, Lianghui Li, and Peng Bao. 2021. "Seismic Performance Test of Double-Row Reinforced Ceramsite Concrete Composite Wall Panels with Cores" Applied Sciences 11, no. 6: 2688. https://doi.org/10.3390/app11062688
APA StyleMa, S., Li, L., & Bao, P. (2021). Seismic Performance Test of Double-Row Reinforced Ceramsite Concrete Composite Wall Panels with Cores. Applied Sciences, 11(6), 2688. https://doi.org/10.3390/app11062688

