Overflow Energy Loss Recovery System Based on Hydraulic Motor-Electric Generator
Abstract
1. Introduction
2. Preliminary Consideration
2.1. Traditional Relief Valve
2.2. Working Principle of Electric Energy Regeneration System for Relief Valve
3. Performance Analysis
- (1)
- Only two hydraulic components (proportional overflow valve and back pressure valve) are considered. The system modeling is carried out by comparing the pilot stage and main stage of overflow valve;
- (2)
- The system is free of leakage;
- (3)
- The system oil tank pressure and return oil pressure are equal to zero;
- (4)
- The density of oil is constant;
- (5)
- The oil temperature and the volume modulus of elasticity of hydraulic oil are constant; and
- (6)
- The influence of oil pipeline is ignored.
3.1. Mathematical Model of Traditional Proportional Relief Valve
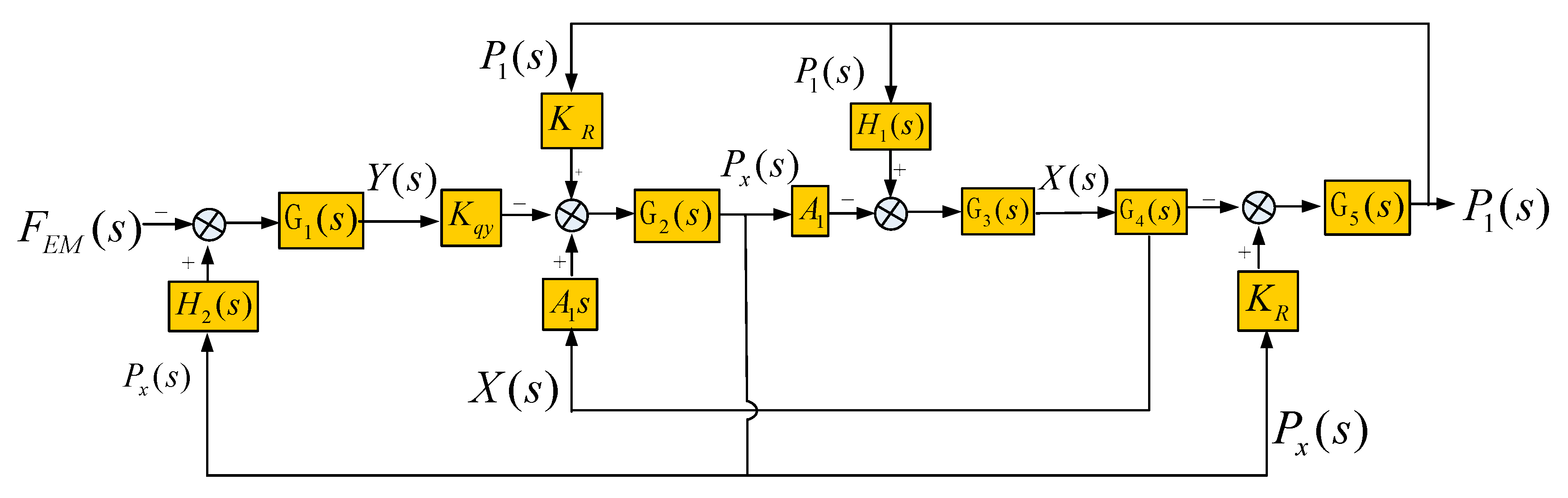
3.2. Mathematical Model of Proportional Relief Valve with Energy Regeneration System
3.3. Stability Analysis of Outlet Back Pressure System of Proportional Relief Valve
- (1)
- The coefficients of the characteristic equation are not equal to zero;
- (2)
- All the coefficient symbols of the characteristic equation are the same, and all the items in the first column of the Routh array are positive signs; and
- (3)
- The proportional relief valve control system with back pressure interference is still stable, which lays a theoretical foundation for the follow-up research on energy recovery of overflow loss.
4. Control Strategy
5. Simulation Research
6. Experimental Research
6.1. Control Characteristics
6.2. Energy Saving Characteristics
6.3. Energy Regeneration System Application in Throttle-Governing System
7. Conclusions
Author Contributions
Funding
Institutional Review Board Statement
Informed Consent Statement
Data Availability Statement
Conflicts of Interest
Nomenclature
| p1 | the inlet pressure of the relief valve | 
| p2 | the outlet pressure of the relief valve | 
| ΔpT | the pressure difference between inlet and outlet of main spool of traditional pilot proportional relief valve | 
| px | the pilot valve core front chamber pressure, namely the spring chamber pressure | 
| A1 | the cross-sectional area of the main valve core. F0 is the preload of the return spring of the main valve core | 
| A0 | the cross-sectional area of the pilot valve core | 
| FEM | the output force of the proportional electromagnet at a certain current | 
| Ffy | the hydraulic force at the pilot valve port | 
| Fay | the Coulomb friction force on the pilot valve core | 
| m | the sum of the mass of the pilot valve core and the mass of the push rod | 
| Dy | the damping coefficient related to viscous friction | 
| Ksy | the equivalent spring stiffness. y0 is the pre-compression of the spring | 
| y | the pilot valve core displacement | 
| αD | the flow coefficient | 
| d | the pilot valve core diameter | 
| β1 | the pilot valve seat half cone angle | 
| Qy | the pilot valve port flow | 
| QR | the flow through the fixed damping hole | 
| Vx | the spring chamber volume | 
| E | the hydraulic oil effective volume elastic modulus | 
| Vx | the spring chamber volume | 
| dR | the fixed damping diameter | 
| ρ | the hydraulic oil density | 
| M | the sum of the mass of the main valve core and one third of the return spring | 
| Dx | the damping coefficient related to viscous friction | 
| Ksx | the equivalent spring stiffness | 
| x0 | the preload reduction of the return spring | 
| x | the displacement of the main spool | 
| Ffx | the steady-state hydrodynamic force on the main valve core | 
| Ffax | the Coulomb friction force on the main valve core | 
| D | the main valve core diameter | 
| β2 | the main valve seat half cone angle | 
| Q1 | the main valve core inlet flow | 
| Q2 | the main valve core outlet flow | 
| V1 | the main valve core front cavity volume | 
| A(x) | the main valve port flow area. p2 is the main valve core outlet pressure | 
| Qx | the main spool outlet flow change | 
| M(s) | the total transfer function of the system | 
| Pk | the transfer function of the forward path | 
| Δ | the characteristic expression of the flow graph | 
| M1(s) | the closed loop transfer function of traditional proportional relief valve control system | 
| Dm | the displacement of hydraulic motor. w is the rotary speed of the hydraulic motor | 
| ηm | the volume efficiency of the hydraulic motor | 
| w | the rotary speed of hydraulic motor | 
| W1 | the input energy of relief valve. W2 is the regenerated energy of battery | 
| p | the input pressure of the relief valve. q is the input flow of the relief valve | 
| t | the energy regeneration time | 
| U | the voltage of the battery. I is the current of the battery | 
| po | the pre-set open pressure of the relief valve | 
| Qm | the flow rate of the hydraulic motor | 
| Qrt | the threshold value of flow rate for energy recovery of relief valve | 
References
- Kagoshima, M.; Komiyama, M.; Nanjo, T. Development of new hybrid excavator. Kobelco Technol. Rev. 2007, 27, 39–42. [Google Scholar]
- Ge, L.; Quan, L.; Zhang, X.; Dong, Z.; Yang, J. Power Matching and Energy Efficiency Improvement of Hydraulic Excavator Driven with Speed and Displacement Variable Power Source. Chin. J. Mech. Eng. 2019, 32, 1–12. [Google Scholar] [CrossRef]
- Mahato, A.C.; Ghoshal, S.K. Energy-saving strategies on power hydraulic system: An overview. Proc. Inst. Mech. Eng. Part I J. Syst. Control Eng. 2020, 235, 095965182093162. [Google Scholar] [CrossRef]
- Lin, T.; Chen, Q.; Ren, H.; Miao, C.; Chen, Q.; Fu, S. Influence of the energy regeneration unit on pressure characteristics for a proportional relief valve. Proc. Inst. Mech. Eng. Part I J. Syst. Control Eng. 2017, 231, 095965181769247. [Google Scholar] [CrossRef]
- Quan, Z.; Quan, L.; Zhang, J. Review of energy efficient direct pump controlled cylinder electro-hydraulic technology. Renew. Sustain. Energy Rev. 2014, 35, 336–346. [Google Scholar] [CrossRef]
- Hippalgaonkar, R.; Ivantysynova, M. Fuel savings of a mini-excavator through a hydraulic hybrid displacement controlled system. In Proceedings of the International Conference on Fluid Power, Dresden, Germany, 26–28 March 2012. [Google Scholar]
- Joshua, Z.; Monika, I. Hybrid displacement controlled multi-actuator hydraulic systems. In Proceedings of the 12th Scandinavian International Conference on Fluid Power, Tampere, Finland, 18–20 May 2011. [Google Scholar]
- Xu, B.; Yang, J.; Yang, H. Comparison of energy-saving on the speed control of the VVVF hydraulic elevator with and without the pressure accumulator. Mechatronics 2005, 15, 1159–1174. [Google Scholar] [CrossRef]
- Kilic, E.; Dolen, M.; Caliskan, H.; Koku, A.B.; Balkan, T. Pressure prediction on a variable-speed pump controlled hydraulic system using structured recurrent neural networks. Control Eng. Pract. 2014, 26, 51–71. [Google Scholar] [CrossRef]
- Lin, T.; Chen, Q.; Ren, H.; Lv, R.; Miao, C.; Chen, Q. Computational fluid dynamics and experimental analysis of the influence of the energy recovery unit on the proportional relief valve. Proc. Inst. Mech. Eng. Part C J. Mech. Eng. Sci. 2017, 232, 697–705. [Google Scholar] [CrossRef]
- Lin, T.; Chen, Q.; Ren, H.; Zhao, Y.; Miao, C.; Fu, S.; Chen, Q. Energy Regeneration Hydraulic System via a Relief Valve with Energy Regeneration Unit. Appl. Ences 2017, 7, 613. [Google Scholar] [CrossRef]
- Zhang, Z.; Zhou, H.; Teng, B.; Xiao, W.; Li, X. Method and System for Feedback Control of Braking Energy in Pure Electric Vehicle. WO. Patent CN2011/079235, 22 November 2012. [Google Scholar]
- Liang, X. On improving energy utilization in hydraulic booms. Acta Polytech. Scand. Mech. Eng. 2002, 56, 1025–1029. [Google Scholar]
- Li, J.; Zhao, J.; Zhang, X. A Novel Energy Recovery System Integrating Flywheel and Flow Regeneration for a Hydraulic Excavator Boom System. Energies 2020, 13, 315. [Google Scholar] [CrossRef]
- Wei, W.; Li, Q.; Xu, F.; Zhang, X.; Jin, J.; Jin, J.; Sun, F. Research on an Electromagnetic Actuator for Vibration Suppression and Energy Regeneration. Actuators 2020, 9, 42. [Google Scholar] [CrossRef]
- Diego-Ayala, U.; Martinez-Gonzalez, P.; McGlashan, N.; Pullen, K.R. The mechanical hybrid vehicle: An investigation of a flywheel-based vehicular regenerative energy capture system. Drive Syst. Tech. 2011, 222, 2087–2101. [Google Scholar] [CrossRef]
- Dutta, R.; Wang, F.; Bohlmann, B.F.; Stelson, K.A. Analysis of Short-Term Energy Storage for Mid-Size Hydrostatic Wind Turbine. J. Dyn. Syst. Meas. Control 2012, 136, 813–822. [Google Scholar]
- Chen, Q.; Lin, T.; Ren, H.; Fu, S. Novel potential energy regeneration systems for hybrid hydraulic excavators. Math. Comput. Simul. (MATCOM) 2019, 163, 130–145. [Google Scholar] [CrossRef]
- Lin, T.; Wang, Q.; Hu, B.; Gong, W. Research on the energy regeneration systems for hybrid hydraulic excavators. Autom. Constr. 2010, 19, 1016–1026. [Google Scholar] [CrossRef]
- Lin, T.; Wang, Q. Hydraulic Accumulator-Motor-Generator Energy Regeneration System for a Hybrid Hydraulic Excavator. Chin. J. Mech. Eng. 2012, 25, 1121–1129. [Google Scholar] [CrossRef]
- Wang, T.; Wang, Q. Coupling effects of a novel integrated electro-hydraulic energy conversion unit. Int. J. Appl. Electromagn. Mech. 2015, 47, 153–162. [Google Scholar] [CrossRef]
- Wang, T.; Wang, Q. Design and analysis of compound potential energy regeneration system for hybrid hydraulic excavator. Proc. Inst. Mech. Eng. Part I J. Syst. Control. Eng. 2012, 226, 1323–1334. [Google Scholar] [CrossRef]
- Jeng, S.L.; Roy, R.; Chieng, W.H. A Matrix Approach for Analyzing Signal Flow Graph. J. Inf. Sci. 2020, 11, 1–17. [Google Scholar]



































| Parameters | Value | 
|---|---|
| Displacement of pump | 50 mL/r | 
| Speed of electric motor | 0–2000 rpm | 
| Displacement of motor | 100 m/r | 
| Maximum torque of motor | 300 Nm | 
| Opening pressure of relief valve | 0.5 MPa | 
| Maximum displacement of main valve core | 4.6 mm | 
| Main spool area | 226 mm2 | 
| Spring factor | 6 N/mm | 
| Flow coefficient | 0.7 | 
| Maximum flow | 100 L/min | 
| Publisher’s Note: MDPI stays neutral with regard to jurisdictional claims in published maps and institutional affiliations. | 
© 2021 by the authors. Licensee MDPI, Basel, Switzerland. This article is an open access article distributed under the terms and conditions of the Creative Commons Attribution (CC BY) license (http://creativecommons.org/licenses/by/4.0/).
Share and Cite
Li, Z.; Su, L.; Lin, T. Overflow Energy Loss Recovery System Based on Hydraulic Motor-Electric Generator. Appl. Sci. 2021, 11, 941. https://doi.org/10.3390/app11030941
Li Z, Su L, Lin T. Overflow Energy Loss Recovery System Based on Hydraulic Motor-Electric Generator. Applied Sciences. 2021; 11(3):941. https://doi.org/10.3390/app11030941
Chicago/Turabian StyleLi, Zhongshen, Ling Su, and Tianliang Lin. 2021. "Overflow Energy Loss Recovery System Based on Hydraulic Motor-Electric Generator" Applied Sciences 11, no. 3: 941. https://doi.org/10.3390/app11030941
APA StyleLi, Z., Su, L., & Lin, T. (2021). Overflow Energy Loss Recovery System Based on Hydraulic Motor-Electric Generator. Applied Sciences, 11(3), 941. https://doi.org/10.3390/app11030941
 
        

 
       