Measuring Current in a Power Converter Using Fuzzy Automatic Gain Control
Abstract
:1. Introduction
2. Materials and Methods
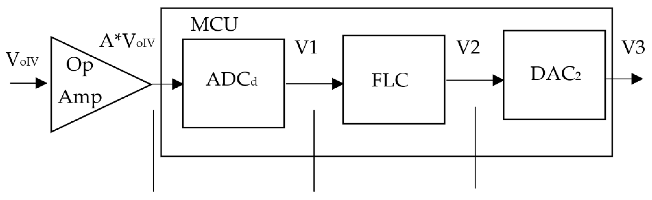
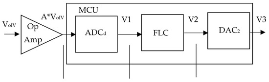
- The PGA amplifier measures the input voltage over time (tp) in VinPGA(tp);
- The ADC converter supplies conversion data (tADC) in (VinPGA(tp+tADC));
- Determine the gain value (APGA) in MCU (talg);
- Send the order from MCU to the PGA amplifier (tconv).
2.1. Structure of the Automatic Gain Control
2.2. Structure of the Fuzzy Controller
- (1)
- For the module (implemented Mamdani-type inference):
- -
- input:
- -
- output: Aid*,
- -
- rule:
| Algorithm 1. Fuzzy AGC. |
| 1. Measure: ADCd=(VoIV(t)); |
| 2. Compute: d(VoIV(nT))/dt; |
| 3. loop(){ |
| 4. If (VoIV(nT) >0.2){ |
| 5. Input of fuzzy controller: VoIV(nT)*; d(VoIV(nT)*)/dt; |
| 6. Fuzzification of input data |
| 7. Inference: |
| 8. weight of the rule: wj=min[µAj(VoIV(nT)*), µBj(d(VoIV(nT)*/dt)]; |
| 9. generate decision Cj’: µcj’(Ad)=wi*µci(Ad); |
| 10. conclusion: µC(Ad) =max[wi*µcj(Ad), wk*µck(Ad)]; |
| 11. Defuzzification (COG): |
| 12. Ad*=(∑µC(Ad(i))* Ad(i))/(∑µC(Ad(i))) |
| 13. } |
| 14. Elseif If (VoIV(nT)>0.5) {64-rules, range: input[0 0.5][0 89], output[0 8]} |
| 15. Elseif If (VoIV(nT)>1.2) {64-rules, range: input[0 0.1.2][0 89], output[0 3.5]} |
| 16. } |
2.3. Simulations of AGC System
3. Results and Analysis
Accuracy of AGC
4. Discussion
4.1. Current Shunt
4.2. First Stage of Amplification
4.3. Automatic Gain Control Using PGA Amplifier
4.4. Fuzzy Automatic Gain Control
5. Conclusions
Funding
Institutional Review Board Statement
Informed Consent Statement
Data Availability Statement
Conflicts of Interest
Appendix A. Workbench of AGC Circuit
| Resources | Parameters |
|---|---|
| DAC2 | 12-bit |
| MCU3 | ADC 10-bit SAR |
| MCU2 | ADC 12-bit SAR |

References
- Steczek, M.; Chudzik, P.; Szeląg, A. Application of a Non-carrier-Based Modulation for Current Harmonics Spectrum Control during Regenerative Braking of the Electric Vehicle. Energies 2020, 13, 6686. [Google Scholar] [CrossRef]
- Kaleybar, H.J.; Brenna, M.; Foiadelli, F.; Fazel, S.S.; Zaninelli, D. Power Quality Phenomena in Electric Railway Power Supply Systems: An Exhaustive Framework and Classification. Energies 2020, 13, 6662. [Google Scholar] [CrossRef]
- Signorino, D.; Giordano, D.; Mariscotti, A.; Gallo, D.; Delle Femine, A.; Balic, F.; Quintana, J.; Donadio, L.; Biancucci, A. Dataset of measured and commented pantograph electric arcs in DC railways. Data Brief 2020, 31, 105978. [Google Scholar] [CrossRef] [PubMed]
- Hayashiya, H.; Kondo, K. Recent Trends in Power Electronics Applications as Solutions in Electric Railways. IEEJ Trans. Electr. Electron. Eng. 2020, 15, 632–645. [Google Scholar] [CrossRef]
- Pérez, J.P.A.; Pueyo, S.C.; Lopez, B.C. Automatic Gain Control Techniques and Architectures for RF Receivers; Springer: Berlin/Heidelberg, Germany, 2011. [Google Scholar]
- Cheng, H.; Cao, Z. Preamplifier Design for Smart Electric Meters. In Proceedings of the 2018 International Conference on Sensor Networks and Signal Processing (SNSP), Xi’an, China, 28–31 October 2018. [Google Scholar]
- Cheng, X.; Xie, G.; Zhang, Z.; Yang, Y. Fast-Settling Feedforward Automatic Gain Control Based on a New Gain Control Approach. IEEE Trans. Circuits Syst. II Express Briefs 2014, 61, 651–655. [Google Scholar] [CrossRef]
- Menduni, G.; Sampaolo, A.; Patimisco, P.; Giglio, M.; Dello Russo, S.; Zifarelli, A.; Elefante, A.; Wieczorek, P.Z.; Starecki, T.; Passaro, V.M.N.; et al. Front-end amplifiers for tuning forks in quartz enhanced photoacoustic spectroscopy. Appl. Sci. 2020, 10, 2947. [Google Scholar] [CrossRef]
- Li, X.; Zhang, X. An AGC system with a PGA for GPS/BDS dual system compatible receiver. Analog. Integr. Circuits Signal Process. 2016, 87, 49–56. [Google Scholar] [CrossRef]
- Martinez-Gonzalez, R. Design of an automatic gain control circuit in current-mode using a digitally controlled feedback. In Proceedings of the 2016 IEEE International Engineering Summit, II Cumbre Internacional de las Ingenierias (IE-Summit), Boca del Rio, Mexico, 2–5 March 2016. [Google Scholar]
- Han, J.; Jiang, Y.; Guo, G.; Cheng, X. A Reconfigurable Analog Baseband Circuitry for LFMCW RADAR Receivers in 130-nm SiGe BiCMOS Process. Electronics 2020, 9, 831. [Google Scholar] [CrossRef]
- Zhang, L.; Kim, J.W. Design and Pass Band Analysis of Automatic Gain Control Circuit Using Fuzzy Logic. In Proceedings of the 2016 12th International Conference on Natural Computation, Fuzzy Systems and Knowledge Discovery (ICNC-FSKD), Changsha, China, 13–15 August 2016; pp. 995–1000. [Google Scholar]
- Baskaran, A.R.; Aravindh, S.; Prabhu, E. Smart Energy Meter for Power Grid Using Fuzzy Logic. In Proceedings of the Computational Intelligence and Computing Research (ICCIC) 2017 IEEE International Conference, Coimbatore, India, 14–16 December 2017; pp. 1–5. [Google Scholar]
- Baliuta, S.; Kopylova, L.; Kuievda, I.; Kuevda, V.; Kovalchuk, O. Fuzzy logic energy management system of food manufacturing processes. Ukr. Food J. 2020, 9, 221–239. [Google Scholar] [CrossRef]
- Kontogiannis, D.; Bargiotas, D.; Daskalopulu, A. Fuzzy Control System for Smart Energy Management in Residential Buildings Based on Environmental Data. Energies 2021, 14, 752. [Google Scholar] [CrossRef]
- Dominikowski, B.; Pacholski, K.; Anuszczyk, J.; Gocek, A. Improving metrological properties of electric traction energy meters using fuzzy controllers. Transp. Probl. 2018, 13, 147–158. [Google Scholar] [CrossRef] [Green Version]
- Sheingold, D.H. (Ed.) Nonlinear Circuits Handbook; Analog Devices: Norwood, MA, USA, 1974. [Google Scholar]
- Hosseinzadeh, M.; Sadati, N.; Zamani, I. H∞ disturbance attenuation of fuzzy large-scale systems. In Proceedings of the 2011 IEEE International Conference on Fuzzy Systems (FUZZ-IEEE 2011), Taipei, Taiwan, 27–30 June 2011. [Google Scholar]
- Tao, C.W.; Taur, J.S. Robust fuzzy control for a plant with fuzzy linear model. IEEE Trans. Fuzzy Syst. 2005, 13, 30–41. [Google Scholar] [CrossRef]
- Yager, R.R.; Filev, D.P. Essentials of Fuzzy Modeling and Control; Wiley: Hoboken, NJ, USA, 1994. [Google Scholar]
- Oprea, S.-V.; Bâra, A.; Preda, Ş.; Tor, O.B. A Smart Adaptive Switching Module Architecture Using Fuzzy Logic for an Efficient Integration of Renewable Energy Sources. A Case Study of a RES System Located in Hulubesti, Romania. Sustainability 2020, 12, 6084. [Google Scholar] [CrossRef]
- Espitia, H.; Soriano, J.; Machón, I.; López, H. Design Methodology for the Implementation of Fuzzy Inference Systems Based on Boolean Relations. Electronics 2019, 8, 1243. [Google Scholar] [CrossRef] [Green Version]
- Munir, M.S.; Bajwa, I.S.; Naeem, M.A.; Ramzan, B. Design and implementation of an IoT system for smart energy consumption and smart irrigation in tunnel farming. Energies 2018, 11, 3427. [Google Scholar] [CrossRef] [Green Version]
- Piegat, A. Fuzzy Modeling and Control; Springer: Berlin/Heidelberg, Germany, 2001. [Google Scholar]
- Babuska, R. Construction of fuzzy systems-interplay between precision and transparency. In Proceedings of the ESIT 2000, Aachen, Germany, 14–15 September 2000. [Google Scholar]
- Pham, D.T.; Castellani, M. Action aggregation and defuzzification in Mamdani-type fuzzy systems. Proc. Inst. Mech. Eng. Part C J. Mech. Eng. Sci. 2002, 216, 747–759. [Google Scholar] [CrossRef] [Green Version]
- Ho, T.-J.; Chang, C.-H. Robust Speed Tracking of Induction Motors: An Arduino-Implemented Intelligent Control Approach. Appl. Sci. 2018, 8, 159. [Google Scholar] [CrossRef] [Green Version]
- Tir, Z.; Malik, O.; Hamida, M.A.; Cherif, H.; Bekakra, Y.; Kadrine, A. Implementation of a fuzzy logic speed controller for a permanent magnet dc motor using a low-cost Arduino platform. In Proceedings of the 2017 5th International Conference on Electrical Engineering—Boumerdes (ICEE-B), Boumerdes, Algeria, 29–31 October 2017. [Google Scholar]
- Moffat, R.J. Describing the uncertainties in experimental results. Exp. Therm. Fluid Sci. 1988, 1, 3–17. [Google Scholar] [CrossRef] [Green Version]
- Texas Instruments Incorporated. Choosing the Voltage Reference for Your Automotive Application; SNVA842; Texas Instruments Incorporated: Dallas, TX, USA, 1 July 2018. [Google Scholar]
- Zubaidi, S.L.; Al-Bugharbee, H.; Ortega-Martorell, S.; Gharghan, S.K.; Olier, I.; Hashim, K.S.; Al-Bdairi, N.S.S.; Kot, P. A Novel Methodology for Prediction Urban Water Demand by Wavelet Denoising and Adaptive Neuro Fuzzy Inference System Approach. Water 2020, 12, 1628. [Google Scholar] [CrossRef]
- Üneş, F.; Demirci, M.; Zelenakova, M.; Çalışıcı, M.; Taşar, B.; Vranay, F.; Kaya, Y.Z. River Flow Estimation Using Artificial Intelligence and Fuzzy Techniques. Water 2020, 12, 2427. [Google Scholar] [CrossRef]








| Input Voltage VoiV (V) | PGA Unused Transition | PGA + VGA Unused Transition | Fuzzy AGC Unused Transition |
|---|---|---|---|
| 0.1 (Ish = 1 A) | 655 | 349 | 2 |
| 0.2 (Ish = 2 A) | 655 | 349 | 312 |
| 0.5 (Ish = 5 A) | 0 | 15 | 11 |
| 0.7 (Ish = 7 A) | 983 | 52 | 50 |
| 1.5 (Ish = 12 A) | 819 | NOT_P | 327 |
| Error of op Amp | Error of ADC 12-bit | Error of FLC | Error of DAC 12-bit |
|---|---|---|---|
| Δamp | ΔVos [V] | e1 | ΔVos [LSB] |
| Gain [LSB] | Gain [LSB] | ||
| INL [LSB] | INL [LSB] |
Publisher’s Note: MDPI stays neutral with regard to jurisdictional claims in published maps and institutional affiliations. |
© 2021 by the author. Licensee MDPI, Basel, Switzerland. This article is an open access article distributed under the terms and conditions of the Creative Commons Attribution (CC BY) license (https://creativecommons.org/licenses/by/4.0/).
Share and Cite
Dominikowski, B. Measuring Current in a Power Converter Using Fuzzy Automatic Gain Control. Appl. Sci. 2021, 11, 5793. https://doi.org/10.3390/app11135793
Dominikowski B. Measuring Current in a Power Converter Using Fuzzy Automatic Gain Control. Applied Sciences. 2021; 11(13):5793. https://doi.org/10.3390/app11135793
Chicago/Turabian StyleDominikowski, Bartosz. 2021. "Measuring Current in a Power Converter Using Fuzzy Automatic Gain Control" Applied Sciences 11, no. 13: 5793. https://doi.org/10.3390/app11135793
APA StyleDominikowski, B. (2021). Measuring Current in a Power Converter Using Fuzzy Automatic Gain Control. Applied Sciences, 11(13), 5793. https://doi.org/10.3390/app11135793
