Assessment of the Impact of Electric Vehicles on the Design and Effectiveness of Electric Distribution Grid with Distributed Generation
Abstract
1. Introduction
2. Current and Future Challenges of the Electric Distribution System
2.1. Current Status
2.2. Electric Distribution System in Smart Grids with Distributed Generation
2.3. Electric Distribution Systems and Information and Communications Technology Interactions
2.4. Electric Distribution System and Future Smart Grids
3. Electric Vehicle Impact Simulations
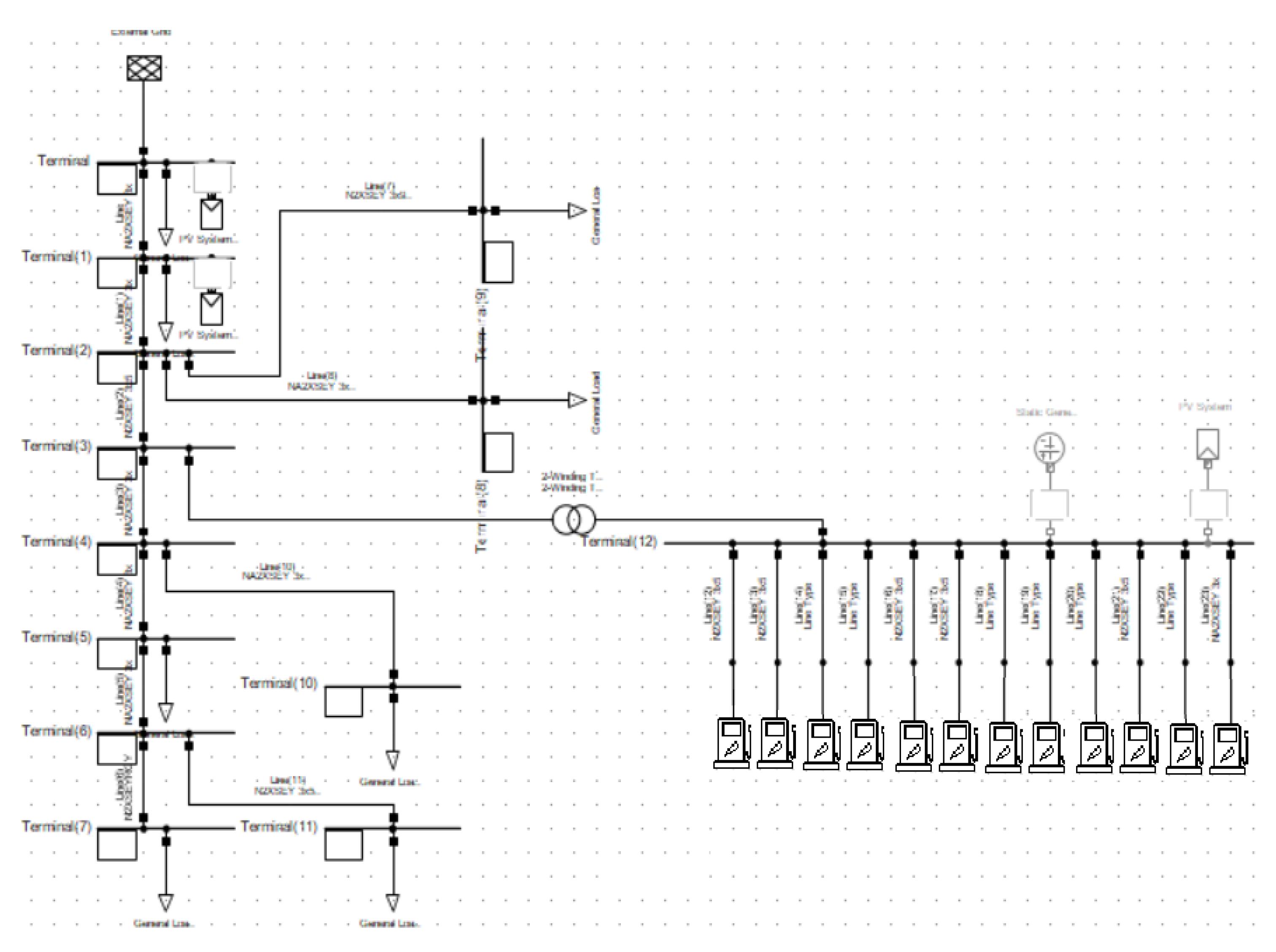
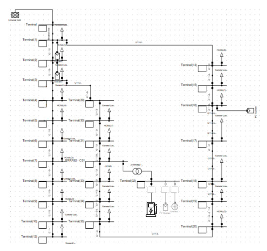
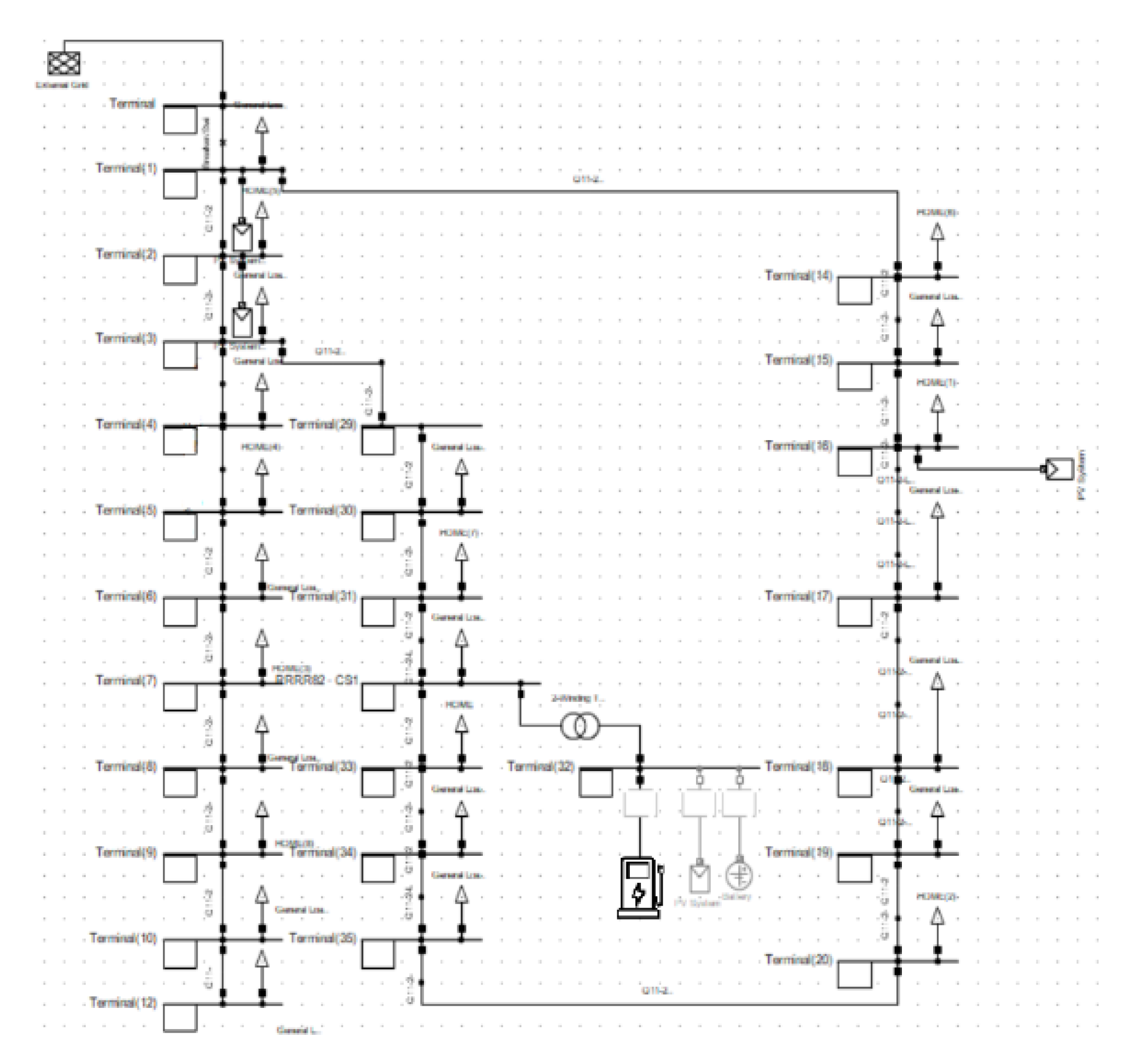
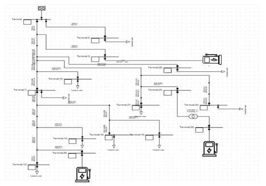
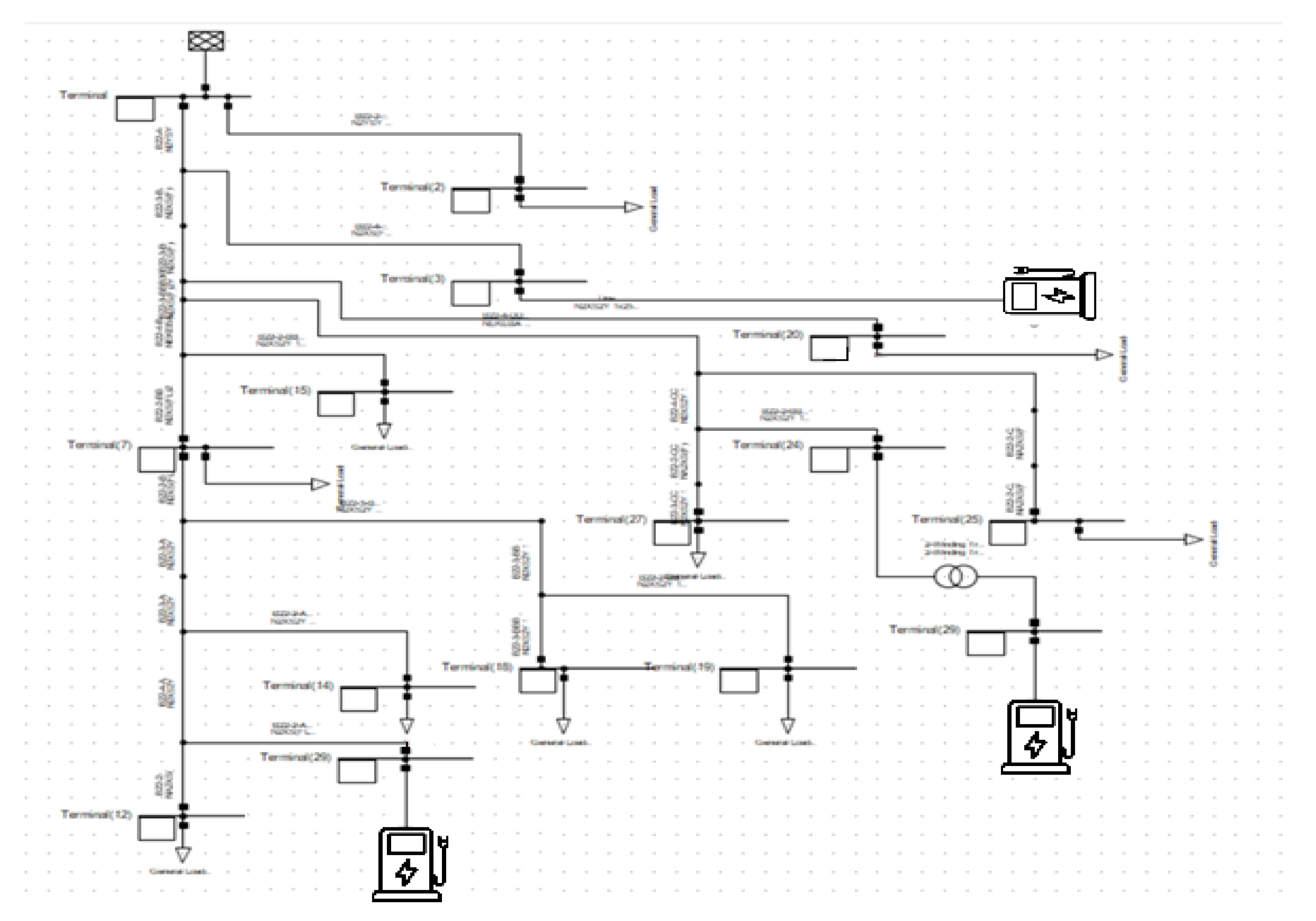
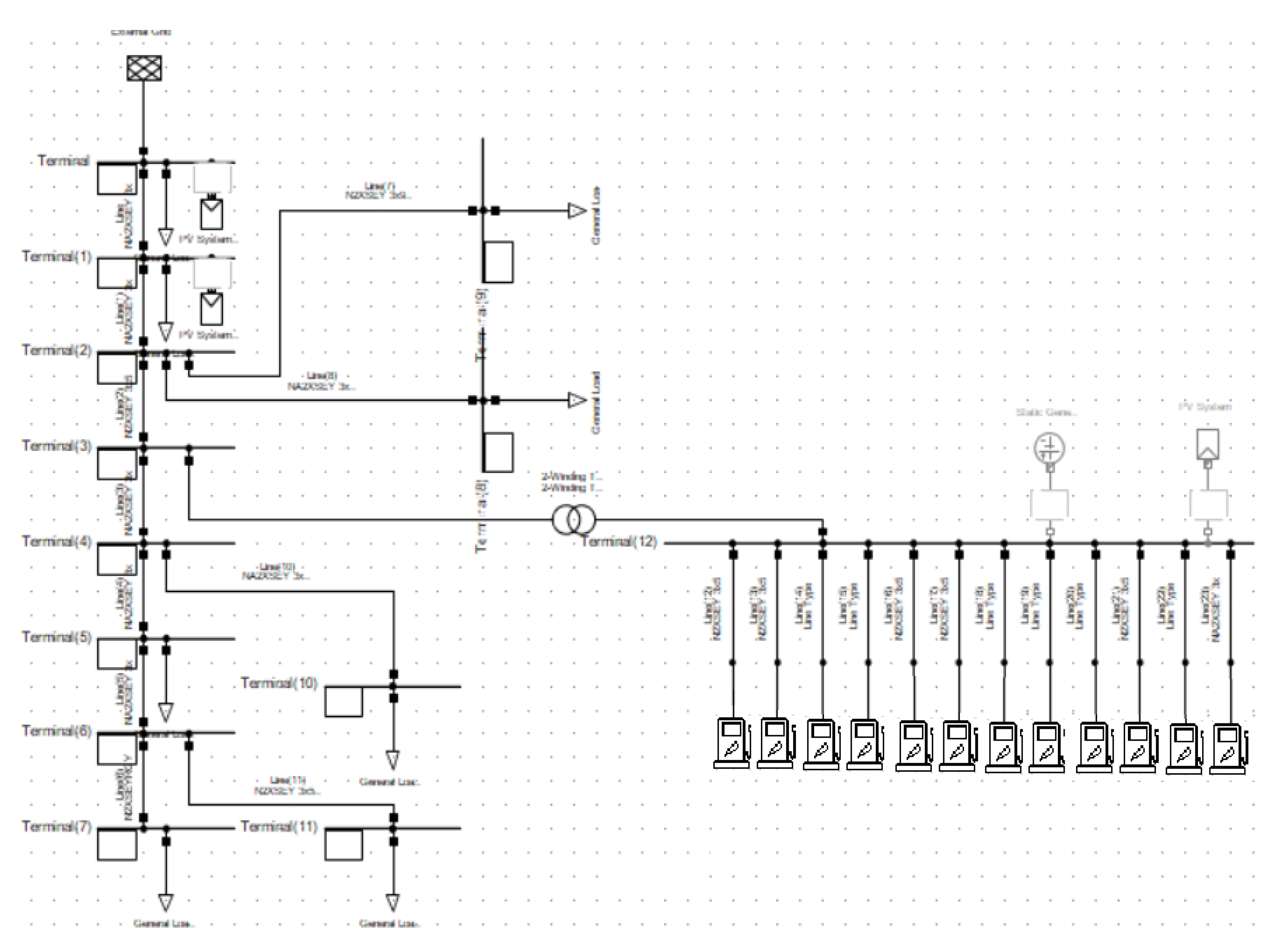
3.1. Case Study Definition
- urban network,
- rural network,
- commercial network.
- 20% penetration of electric vehicles,
- 40% penetration of electric vehicles,
- 60% penetration of electric vehicles,
- 80% penetration of electric vehicles.
3.2. Charging and Base Load Profiles
3.3. Battery Energy Storage System (BESS) and Photovoltaic (PV) Models and Control Strategies
4. Results and Analysis
4.1. Electric Vehicle (EV) Penetration in Urban Network
4.1.1. Case 1: 20% EV Penetration in Urban Network
4.1.2. Case 2: 40% EV Penetration in Urban Network
4.1.3. Case 3: 60% EV Penetration in Urban Network
4.1.4. Case 4: 80% EV Penetration in Urban Network
4.2. EV Penetration in Rural Network
4.2.1. Case 5: 20% EV Penetration in Rural Network
4.2.2. Case 6: 40% EV Penetration in Rural Network
4.2.3. Case 7: 60% EV Penetration in Rural Network
4.2.4. Case 8: 80% EV Penetration in Rural Network
4.3. Fast Charging Station
5. Discussion of the Results
6. Recommended Solutions
6.1. Smart Charging
6.2. Peak Shaving and Load Levelling
7. Conclusions
Author Contributions
Funding
Conflicts of Interest
References
- Anastasiadis, A.G.; Kondylis, G.P.; Polyzakis, A.; Vokas, G. Effects of Increased Electric Vehicles into a Distribution Network. Energy Procedia 2019, 157, 586–593. [Google Scholar] [CrossRef]
- Sioshansi, R.; Denholm, P. The Value of Plug-In Hybrid Electric Vehicles as Grid Resources. Energy J. 2010, 31. [Google Scholar] [CrossRef]
- Qiu, C.; Wang, G. New evaluation methodology of regenerative braking contribution to energy efficiency improvement of electric vehicles. Energy Convers. Manag. 2016, 119, 389–398. [Google Scholar] [CrossRef]
- UE. Available online: https://europa.eu (accessed on 19 June 2020).
- Parlemento Europeo E Del Consiglio. Direttiva 2014/94/UE, sulla realizzazione di un infrastruttura per i combustibili salternativi. 2014, pp. 1–20. Available online: https://eur-lex.europa.eu/legal-content/IT/TXT/PDF/?uri=CELEX:32014L0094&from=EN (accessed on 19 June 2020).
- Rajakaruna, S.; Shahnia, F.; Ghosh, A. Plug in Electric Vehicles in Smart Grids—Integration Techniques; Springer Science and Business Media: Singapore, 2015; ISBN 978-981-287-298-2. [Google Scholar]
- Putrus, G.A.; Suwanapingkarl, P.; Johnston, D.; Bentley, E.C.; Narayana, M. Impact of electric vehicles on power distribution networks. In Proceedings of the 2009 IEEE Vehicle Power and Propulsion Conference, Dearborn, MI, USA, 7–10 September 2009; pp. 827–831. [Google Scholar]
- International Energy Agency. World Energy Outlook 2019; International Energy Agency: Paris, France, 2019; Available online: https://www.iea.org/reports/world-energy-outlook-2019 (accessed on 19 June 2020).
- Tomić, J.; Kempton, W. Using fleets of electric-drive vehicles for grid support. J. Power Sources 2007, 168, 459–468. [Google Scholar] [CrossRef]
- Dyke, K.J.; Schofield, N.; Barnes, M. The Impact of Transport Electrification on Electrical Networks. IEEE Trans. Ind. Electron. 2010, 57, 3917–3926. [Google Scholar] [CrossRef]
- Hadley, S.W. Evaluating the impact of Plug-in Hybrid Electric Vehicles on regional electricity supplies. In Proceedings of the 2007 iREP Symposium—Bulk Power System Dynamics and Control—VII. Revitalizing Operational Reliability, Charleston, SC, USA, 19–24 August 2007; pp. 1–12. [Google Scholar]
- Anastasiadis, A.G.; Konstantinopoulos, S.; Kondylis, G.; Vokas, G.A. Electric vehicle charging in stochastic smart microgrid operation with fuel cell and RES units. Int. J. Hydrogen Energy 2017, 42, 8242–8254. [Google Scholar] [CrossRef]
- Clement-Nyns, K.; Haesen, E.; Driesen, J. The Impact of Charging Plug-In Hybrid Electric Vehicles on a Residential Distribution Grid. IEEE Trans. Power Syst. 2009, 25, 371–380. [Google Scholar] [CrossRef]
- Hua, L.; Wang, J.; Zhou, C. Adaptive Electric Vehicle Charging Coordination on Distribution Network. IEEE Trans. Smart Grid 2014, 5, 2666–2675. [Google Scholar] [CrossRef]
- Voumvoulakis, E.; Leonidaki, E.; Papoutsis, G.; Hatziargyriou, N. Evaluation of the impact of plug-in electric vehicles in Greek distribution network. CIRED—Open Access Proc. J. 2017, 2017, 2270–2274. [Google Scholar] [CrossRef]
- European Environment Agency. Available online: https://www.eea.europa.eu/highlights/towards-clean-and-smart-mobility (accessed on 19 June 2020).
- Anastasiadis, A.G.; Kondylis, G.; Vokas, G.A.; Konstantinopoulos, S.A.; Salame, C.-T.; Polyzakis, A.; Tsatsakis, K. Economic benefits from the coordinated control of Distributed Energy Resources and different Charging Technologies of Electric Vehicles in a Smart Microgrid. Energy Procedia 2017, 119, 417–425. [Google Scholar] [CrossRef]
- De Nigris, M.; Gianinoni, I.; Grillo, S.; Massucco, S.; Silvestro, F. Impact evaluation of plug-in electric vehicles (PEV) on electric distribution networks. In Proceedings of the 14th International Conference on Harmonics and Quality of Power—ICHQP 2010, Bergamo, Italy, 26–29 September 2010; pp. 1–6. [Google Scholar]
- Anastasiadis, A.G.; Polyzakis, A.; Vokas, G.A. Economic impact of V2G technology in a smart microgrid. AIP Conf. Proc. 2018, 1968, 020028. [Google Scholar] [CrossRef]
- Available online: http://ec.europa.eu/transport/road_safety/vehicles/categories_en.htm (accessed on 19 June 2020).
- Abul’Wafa, A.R. A network-topology-based load flow for radial distribution networks with composite and exponential load. Electr. Power Syst. Res. 2012, 91, 37–43. [Google Scholar] [CrossRef]
- Anastasiadis, A.G.; Konstantinopoulos, S.; Kondylis, G.; Vokas, G.A.; Salame, M.J. Carbon tax, system marginal price and environmental policies on Smart Microgrid operation. Manag. Environ. Qual. Int. J. 2018, 29, 76–88. [Google Scholar] [CrossRef]
- Tan, K.M.; Ramachandaramurthy, V.K.; Yong, J.Y. Integration of electric vehicles in smart grid: A review on vehicle to grid technologies and optimization techniques. Renew. Sustain. Energy Rev. 2016, 53, 720–732. [Google Scholar] [CrossRef]
- Brenna, M.; Longo, M.; Yaïci, W. Modelling and Simulation of Electric Vehicle Fast Charging Stations Driven by High Speed Railway Systems. Energies 2017, 10, 1268. [Google Scholar] [CrossRef]
- Bryden, T.S.; Hilton, G.; Cruden, A.; Holton, T. Electric vehicle fast charging station usage and power requirements. Energy 2018, 152, 322–332. [Google Scholar] [CrossRef]
- Liu, J.-P.; Zhang, T.-X.; Zhu, J.; Ma, T.-N. Allocation optimization of electric vehicle charging station (EVCS) considering with charging satisfaction and distributed renewables integration. Energy 2018, 164, 560–574. [Google Scholar] [CrossRef]
- Luo, L.; Gu, W.; Zhou, S.; Huang, H.; Gao, S.; Han, J.; Wu, Z.; Dou, X. Optimal planning of electric vehicle charging stations comprising multi-types of charging facilities. Appl. Energy 2018, 226, 1087–1099. [Google Scholar] [CrossRef]
- Diaz-Londono, C.; Colangelo, L.; Ruiz, F.; Patino, D.; Novara, C.; Chicco, G. Optimal Strategy to Exploit the Flexibility of an Electric Vehicle Charging Station. Energies 2019, 12, 3834. [Google Scholar] [CrossRef]
- Domínguez-Navarro, J.A.; Dufo-López, R.; Yusta, J.; Sevil, J.S.A.; Bernal-Agustín, J.L. Design of an electric vehicle fast-charging station with integration of renewable energy and storage systems. Int. J. Electr. Power Energy Syst. 2019, 105, 46–58. [Google Scholar] [CrossRef]
- Ma, C.-T. System Planning of Grid-Connected Electric Vehicle Charging Stations and Key Technologies: A Review. Energies 2019, 12, 4201. [Google Scholar] [CrossRef]
- Khalid, M.R.; Alam, M.S.; Sarwar, A.; Asghar, M.J. A Comprehensive review on electric vehicles charging infrastructures and their impacts on power-quality of the utility grid. eTransportation 2019, 1, 100006. [Google Scholar] [CrossRef]
- Mwasilu, F.; Justo, J.J.; Kim, E.-K.; Do, T.D.; Jung, J.-W. Electric vehicles and smart grid interaction: A review on vehicle to grid and renewable energy sources integration. Renew. Sustain. Energy Rev. 2014, 34, 501–516. [Google Scholar] [CrossRef]
- Habib, S.; Kamran, M.; Rashid, U. Impact analysis of vehicle-to-grid technology and charging strategies of electric vehicles on distribution networks—A review. J. Power Sources 2015, 277, 205–214. [Google Scholar] [CrossRef]
- Van der Kam, M.; Van Sark, W. Smart charging of electric vehicles with photovoltaic power and vehicle-to-grid technology in a microgrid; a case study. Appl. Energy 2015, 152, 20–30. [Google Scholar] [CrossRef]
- Mozafar, M.R.; Amini, M.H.; Moradi, M.H. Innovative appraisement of smart grid operation considering large-scale integration of electric vehicles enabling V2G and G2V systems. Electr. Power Syst. Res. 2018, 154, 245–256. [Google Scholar] [CrossRef]
- Jordehi, A.R. Optimisation of electric distribution systems: A review. Renew. Sustain. Energy Rev. 2015, 51, 1088–1100. [Google Scholar] [CrossRef]
- Crozier, C.; Morstyn, T.; McCulloch, M. The opportunity for smart charging to mitigate the impact of electric vehicles on transmission and distribution systems. Appl. Energy 2020, 268, 114973. [Google Scholar] [CrossRef]
- Ramadhani, U.H.; Shepero, M.; Munkhammar, J.; Widén, J.; Etherden, N. Review of probabilistic load flow approaches for power distribution systems with photovoltaic generation and electric vehicle charging. Electr. Power Energy Syst. 2020, 120, 106003. [Google Scholar] [CrossRef]
- Muttaqi, K.M.; Aghaei, J.; Ganapathy, V.; Nezhad, A.E. Technical challenges for electric power industries with implementation of distribution system automation in smart grids. Renew. Sustain. Energy Rev. 2015, 46, 129–142. [Google Scholar] [CrossRef]
- Borges, C.L.T. An overview of reliability models and methods for distribution systems with renewable energy distributed generation. Renew. Sustain. Energy Rev. 2012, 16, 4008–4015. [Google Scholar] [CrossRef]
- Ruiz-Romero, S.; Colmenar-Santos, A.; Perez, F.M.; López-Rey, Á. Integration of distributed generation in the power distribution network: The need for smart grid control systems, communication and equipment for a smart city—Use cases. Renew. Sustain. Energy Rev. 2014, 38, 223–234. [Google Scholar] [CrossRef]
- Worighi, I.; Maach, A.; Hafid, A.; Hegazy, O.; Van Mierlo, J. Integrating renewable energy in smart grid system: Architecture, virtualization and analysis. Sustain. Energy Grids Netw. 2019, 18, 100226. [Google Scholar] [CrossRef]
- Salihi, J. Energy Requirements for Electric Cars and Their Impact on Electric Power Generation and Distribution Systems. IEEE Trans. Ind. Appl. 1973, 9, 516–532. [Google Scholar] [CrossRef]
- Tao, M.; Sarfi, R.; Gemoets, L. Assessing the Impact of Electric Vehicles to the Distribution Infrastucture. In Proceedings of the Power Grid 2009 Conference, Cologne, Germany, 1 May 2009. [Google Scholar]
- Jenkins, N.; Allan, R.; Crossley, P.; Kirschen, D.; Strbac, G. Embedded Generation; IEE Power and Energy Series; Institution of Engineering and Technology: London, UK, 2000; Volume 31. [Google Scholar]
- Barbier, C.; Maloyd, A.; Putrus, G. Embedded Controller for LV Network with Distributed Generation; DTI Project, Contract Number: K/El/00334/00/Rep; Department of Trade and Industry: London, UK, May 2007.
- ARERA. Indagine Annuale sui Settori Regolati. 2019. Available online: https://www.arera.it/it/comunicati/19/indagine2019.htm (accessed on 19 June 2020).
- A2A. Italian Energy Market Overview, 2015 & 2016 Market Analysis & Price Forecasting. March 2017. Available online: https://s3-eu-west-1.amazonaws.com/a2a-be/a2a/2017-03/Overview-Italian-Energy-Market-2015-2016.pdf (accessed on 20 June 2020).
- Lyons, P.; Taylor, P.; Cipcigan, L.; Trichakis, P.; Wilson, A. Small Scale Energy Zones and the Impacts of High Concentrations of Small Scale Embedded Generators. In Proceedings of the 41st International Universities Power Engineering Conference, Newcastle-upon-Tyne, UK, 6–8 September 2006; Volume 1, pp. 128–132. [Google Scholar]
- Ingram, S.; Probert, S.; Jackson, K. The Impact of Small Scale Embedded Generation on the Operating Parameters of Distribution Networks; Report Number: K/EL/00303/04/01; Department of Trade and Industry: London, UK, 2003.
- European Commission. European Smart Grids Technology Platform: Vision and Strategy for Europe’s Electricity Networks of the Future. EUR22040. 2006. Available online: https://ec.europa.eu/research/energy/pdf/smartgrids_en.pdf (accessed on 19 June 2020).
- Harris, A. Charge of the Electric Car, IET. Eng. Technol. 2009, 4, 52–53. [Google Scholar] [CrossRef]
- The Stationary Office Limited. The Electricity Safety, Quality and Continuity Regulations 2002; The Stationary Office Limited: London, UK, 2002; ISBN 0 11 042920 6. [Google Scholar]
- Engineering Recommendation P29. Planning Limits for Voltage Unbalance in the United Kingdom; Electricity Association, Engineering and Safety Publications, 1990. Available online: https://www.nienetworks.co.uk/documents/d-code/distribution-system-security-and-planning-standard/ena_er_p29.aspx (accessed on 19 June 2020).
- DIgSILENT PowerFactory 2018, User Manual. Available online: https://www.digsilent.de/en/newsreader/digsilent-releases-powerfactory-2018.html (accessed on 19 June 2020).
- ENTSO-E. Available online: https://www.entsoe.eu/data/power-stats/hourly_load/ (accessed on 19 June 2020).
- Mauri, G.; Bertini, D.; Fasciolo, E.; Fratti, S. The impact of EV’s fast charging stations on the MV distribution grids of the Milan metropolitan area. In Proceedings of the 22nd International Conference and Exhibition on Electricity Distribution (CIRED 2013), Stockholm, Sweden, 10–13 June 2013; pp. 1–3. [Google Scholar]
- Evtech. 2020. Available online: https://www.evtec.ch/en/products/espressoandcharge-usp/ (accessed on 20 June 2020).
- CEI. 2019. Available online: https://www.ceinorme.it/doc/norme/016021_2019/0-16_2019.pdf (accessed on 20 June 2020).



















| EV Penetration | Max. Loading (%) | Time Point Max. | Min. Loading (%) | Time Point Min. | 
|---|---|---|---|---|
| 20% | 121.811 | 19:00:00 | 18.471 | 13:00:00 | 
| 40% | 132.561 | 19:00:00 | 23.252 | 14:00:00 | 
| 60% | 139.561 | 19:00:00 | 28.952 | 14:00:00 | 
| 80% | 152.561 | 19:00:00 | 29.742 | 07:00:00 | 
| EV Penetration | Max. Loading (%) | Time Point Max. | Min. Loading (%) | Time Point Min. | 
|---|---|---|---|---|
| 20% | 86.531 | 19:00:00 | 24.484 | 08:00:00 | 
| 40% | 102.213 | 19:00:00 | 20.961 | 10:00:00 | 
| 60% | 111.563 | 19:00:00 | 22.188 | 11:00:00 | 
| 80% | 128.344 | 19:00:00 | 33.997 | 09:00:00 | 
© 2020 by the authors. Licensee MDPI, Basel, Switzerland. This article is an open access article distributed under the terms and conditions of the Creative Commons Attribution (CC BY) license (http://creativecommons.org/licenses/by/4.0/).
Share and Cite
Mancini, E.; Longo, M.; Yaici, W.; Zaninelli, D. Assessment of the Impact of Electric Vehicles on the Design and Effectiveness of Electric Distribution Grid with Distributed Generation. Appl. Sci. 2020, 10, 5125. https://doi.org/10.3390/app10155125
Mancini E, Longo M, Yaici W, Zaninelli D. Assessment of the Impact of Electric Vehicles on the Design and Effectiveness of Electric Distribution Grid with Distributed Generation. Applied Sciences. 2020; 10(15):5125. https://doi.org/10.3390/app10155125
Chicago/Turabian StyleMancini, Enrico, Michela Longo, Wahiba Yaici, and Dario Zaninelli. 2020. "Assessment of the Impact of Electric Vehicles on the Design and Effectiveness of Electric Distribution Grid with Distributed Generation" Applied Sciences 10, no. 15: 5125. https://doi.org/10.3390/app10155125
APA StyleMancini, E., Longo, M., Yaici, W., & Zaninelli, D. (2020). Assessment of the Impact of Electric Vehicles on the Design and Effectiveness of Electric Distribution Grid with Distributed Generation. Applied Sciences, 10(15), 5125. https://doi.org/10.3390/app10155125
 
        



 
       