Next Article in Journal
A Design Method for Road Vehicles with Autonomous Driving Control
Previous Article in Journal
A Two-Finger Gripper Actuated by Shape Memory Alloy for Applications in Automation Technology with Minimized Installation Space
 
 
Font Type:
Arial Georgia Verdana
Font Size:
Aa Aa Aa
Line Spacing:
Column Width:
Background:
Article

Research on Thickness Error Optimization Method of Rolling System Based on Improved Sparrow Search Algorithm–Bidirectional Long Short-Term Memory Network–Attention

1
College of Engineering Science and Technology, Shanghai Ocean University, Shanghai 201306, China
2
Shanghai LongView Automation Technology Co., Ltd., Shanghai 200940, China
*
Author to whom correspondence should be addressed.
Actuators 2024, 13(10), 426; https://doi.org/10.3390/act13100426
Submission received: 23 August 2024 / Revised: 6 October 2024 / Accepted: 15 October 2024 / Published: 21 October 2024
(This article belongs to the Section Actuators for Manufacturing Systems)

Abstract

With the development of technology, the working processes of rolling equipment have become more and more complex, and the traditional rolling model encounters difficulties in meeting current demands for accuracy. To reduce the thickness error of the rolling system, we propose a high-precision rolling force prediction method based on SSA–Bilstm–Attention, which reduces the thickness error of the rolling system by predicting the high-precision rolling force. Firstly, a mechanical model is established, and the parameters involved are analyzed to extract suitable parameters as inputs to the network to reduce the feature loss of the network inputs. Secondly, an improved sparrow search algorithm is used to search for the hyperparameters of the network to obtain better training results. Finally, the attention mechanism is introduced to increase the network’s training accuracy. A stochastic small-batch gradient descent method is used to improve the training speed of the network. In addition, this paper establishes a web-based host computer, which provides an effective data source for the experimental analysis. The experimental results show that the optimized model has a mean square error of 1.22%, which is more accurate than other models, and has good generalization ability. The experiments confirm the method’s effectiveness in improving the thickness accuracy of the rolling system and provide a new optimization scheme for the industry.

1. Introduction

In recent years, global rolling technology has advanced by leaps and bounds; China has made a significant breakthrough in the hot strip rolling system, and the goal of localization of complete sets of equipment for the hot strip rolling of broadband steel has been achieved. Rolling is a metal processing method that generally involves using a hob to rotate metal materials. Rolls are commonly used in the production of steel [1]. As the world’s largest steel producer, China has a rolling capacity and production share that represent a large proportion of the world’s total production, equalling more than 50%. As the second largest steel producer, India has also seen a gradual increase in rolling share over the years. The rolling industry in the United States mainly focuses on high-end products with relatively low production. Rolling facilities can be primarily categorized into cold rolling, hot rolling, and medium and heavy plate rolling. Cold rolling is characterized by rolling at room temperature and can improve the strength and hardness of the material. The production environment is not demanding, and the rolled product has a smooth surface. It is commonly used in the automotive and home appliance fields. Hot rolling needs to be carried out above the recrystallization temperature of the metal material so that the method is convenient for forming metal. Medium plate rolling technology is commonly used to produce medium-thickness plates, usually with thicker raw materials, mainly used in construction, machinery, and other industries.
Rolling force is a significant parameter in the rolling work process, and the final thickness error of the rolling equipment cannot be separated from accurate rolling force predictions. Traditional rolling force calculations are performed with the help of mathematical models, and the setting accuracy is not high [2]. With the development of modern industry, the working process of rolling equipment is becoming increasingly complex, and the traditional control method cannot cope with the current demand for accuracy. Therefore, there is an urgent need to improve the rolling accuracy of rolling equipment and reduce system thickness errors. Generally speaking, a rolling system contains three important parts: an AGC automatic thickness control system, an AFC automatic plate control system, and a rolling model. Establishing the rolling model and setting the AGC automatic thickness control system are the key technologies in the rolling system. For AGC systems, the automatic strip thickness correction system used in almost all modern wide-strip hot rolling mills is a deviation controller with first-order statism and a considerable transport delay. A pulse control method can be used to achieve maximum response speed and good stability. In this case, the system has a special unit for calculating the average thickness deviation in a strip section of a given length and a device for distributing control among the stands. AGC systems are important for improving product quality, rolling efficiency, and rolling accuracy. This paper focuses on the analysis of the rolling model to determine the input of the network as well as the optimization of the rolling force forecasting accuracy to reduce the thickness error of the system.
With the continuous development of machine learning technology, more and more companies are beginning to apply it to traditional equipment. One of the principles is to use a suitable neural network model, which has excellent nonlinear approximation ability and learning ability, is highly adaptive, and can track the trend of the signal very well [3]. Then, the actual production data on-site for rolling force forecasting can be used to reduce the system thickness error. However, the long training time of the network, slow convergence, and local minima limit the application of traditional neural networks in modern industry. Therefore, selecting a suitable neural network to combine with the rolling model and optimizing the network’s accuracy are problems that need to be solved. The thickness error optimization of the rolling system is currently roughly divided into the following two categories of research: (1) the optimization of the AGC system and (2) the optimization of the rolling force forecast. For the optimization of rolling system thickness control, optimization methods are generally based on the improvement of the AGC system and the traditional rolling force forecast model, and then with the mathematical model of the AGC system for in-depth analysis, while combining it with the traditional rolling force model to cooperate with the rolling mill to complete the export thickness control together. The advantage of this method lies in its relative simplicity. To improve the accuracy of rolling force forecasting, Chen Shuzong et al. proposed a rolling force optimization method based on the objective function, taking the deformation resistance and friction coefficient as the optimization parameters to obtain the adaptive coefficients to meet the accuracy of the rolling force. The results show that the forecasting accuracy can be improved for a specific rolling mill [4]. As for the optimization of rolling system rolling force prediction, most scholars have adopted comprehensive neural networks to achieve high-accuracy rolling force prediction, but other methods, such as fuzzy theory, wavelet transform, Fourier transform, etc., can also be used in combination with neural networks to establish a high-accuracy rolling force prediction model. Wang Xiumei et al. of Northeastern University used the BP neural network method to forecast the rolling force of a hot rolling finishing unit. Through training data preprocessing and the use of genetic algorithms to optimize the network structure parameters and according to the steel grade division of the training samples, they improved the accuracy of the network’s prediction [5]. The prediction results and the measured data error were within 7%. Liu Xinyu et al., with the help of the Matlab BP neural network, established a three-roll Y-type mill rolling force prediction model, using each measured current value to calculate the rolling force; the experimental results show the accuracy of the BP network model of rolling force prediction and the actual value of the error of 0.247% or so, and this model is relatively simple [6]. To solve the complex model of some parameter measurement problems, the Northeastern University continuous rolling laboratory of Zhang Yahua et al. used the fuzzy theory to calculate the rolling force; the experimental results show that the method is basically within the range of 6% compared to the traditional mechanical modeling prediction accuracy error [7]. In summary, reducing the thickness error of rolling equipment is essentially to obtain a more accurate rolling force forecast. The data collection of industrial equipment is often accompanied by time information, and the traditional neural network makes it difficult to combine time information to accurately predict the rolling force effectively. Therefore, this paper selects the Bilstm to optimize the rolling system and introduces the attention mechanism, which is used to obtain the weighted value of the context vector from the output of the network and dynamically calculates the weighted value of each time step in the input sequence according to the output of the network to improve the performance of the model’s sequential task and to improve the accuracy of the rolling force prediction. At the same time, for the difficulty of setting hyperparameters for deep learning, this paper introduces the sparrow search algorithm for hyperparameter optimization of the network, which makes the network’s prediction performance better and reduces ineffective training time. With the increase in device data input, the training speed of the network will become slower and slower, so this paper introduces the stochastic small batch gradient descent method to improve the overfitting phenomenon of the network and improve the training speed of the network. In addition, to improve the training accuracy of the network, the method of randomly dividing the training set and validation set is introduced in the training process. The main innovation of the algorithm is that an improved bidirectional LSTM network based on the attention mechanism is proposed and optimized using the sparrow algorithm. The device parameters with high correlation with the thickness error are derived through the traditional mechanical model analysis to greatly reduce the number of invalid inputs to the network or low-impact inputs.

2. Model Construction

2.1. Mechanical Modeling

From the point of view of the control process, the final thickness error is caused by two related models, the mill bounce model and the rolling force forecast model; the rolling force forecast will be explained in detail below. Therefore, mechanical modeling mainly considers the analysis of the mill bounce model, as well as the modeling of some related factors. The main task of the bounce model is to set the roll gap and the soft measurement of the exit thickness of the pass (i.e., the use of the bounce equation, the measured rolling force, the measured roll gap, and other parameters to back-calculate the exit thickness of the pass)—the main factors affecting the accuracy of the bounce model in the rolling process of the medium-thickness plate are the stiffness of the mill itself, the width of the rolled parts, the thickness of the oil film, the wear of the rolls, the rolls of the thermal expansion, etc. The following form of the bounce model is used in the comprehensive consideration of the factors affecting it [8]:
h = S S 0 + f ( F ) f ( F 0 ) + S w + S 0 + S e + S r + 0
In the formula, h denotes the thickness, and f ( F ) denotes the roll curve function. F is the rolling force.  S w , S 0 , S e , and S r denote the width compensation amount, oil film thickness compensation, roll thermal expansion compensation, and roll seam wear compensation, respectively, and 0 denotes the bouncing model correction amount. Since the rolling equipment comes with the Machine Feeling system, which has been corrected for the compensation amount, the influence of the compensation term is not considered in the actual modeling.
Secondly, in the actual production process, the working condition of the rolls and the plate convexity model will also significantly impact the final thickness error. Nippon Steel has proposed an online plate convexity mathematical model, i.e.,
C h = ξ · C 0 + η · C H
C h represents the exit plate convexity, C H represents the entrance plate convexity, C 0 represents the mechanical convexity when the rolling force is applied, and ξ and η represent the convexity transformation coefficient and the convexity heredity coefficient, respectively. The model has a simple structure and reasonably takes into account the effect of deformation on the rolling equipment during its operation, which is quantified by two coefficients.
In summary, we have improved this with the current equipment theory. With the use of mathematical methods, the addition of rolling braking force, and the interference under the influence of the bending rollers after exploring its expression and the effect on the thickness error [9], it is easy to derive the following:
C 0 = K F · F + K B · F B
K F represents the rolling force influence coefficient; K B represents the bending roll force influence coefficient; F represents the rolling force; F B represents the bending roll force.

2.2. Thickness Analysis

The ability to fully comply with end-use thickness requirements is a significant indicator for rolling equipment. This indicator can be considered in two dimensions:
(1)
Along the length of the strip—usually referred to as the ‘GAUGE’ thickness;
(2)
Along the width of the strip—usually referred to as the ‘PROFILE’ convexity profile.
Described in this paper is the thickness in the lengthwise direction, as shown in Figure 1.
Thickness is measured at a point across the width of a metal strip. It is usually measured at the strip’s center, down the strip’s length as it is rolled. Thickness metrics are often expressed using the difference between the measured value and the desired value, also known as the thickness error, expressed as
h = h r h s h s × 100
We expect the thickness error to be close to zero during the rolling process. The variation in thickness along the length is usually expressed statistically, with thickness measurements roughly conforming to a normal distribution. The thickness distribution is usually expressed as 3, with a standard deviation formula:
σ = 1 N i = 1 N ( h i h ¯ ) 2

3. Materials and Methods

3.1. LSTM

A recurrent neural network (RNN) is a neural network proposed by researchers for analyzing time series data, where the current output of a sequence is also correlated with the previous outputs, which is manifested by the fact that the network remembers the previous information and applies it to the current output computation; i.e., the nodes between the hidden layers are no longer unconnected but connected. The input of its hidden layers not only includes the output of the input layer but also provides for the output of the hidden layer at the previous moment. However, when the number of layers of the RNN increases, or the value of w is not selected correctly, and the loss function is not properly selected, the RNN is prone to gradient vanishing and gradient explosion [10]. Its network structure is shown in Figure 2.
The final output of this network is
y i = m h i
At this point, we define the error function as [11].
L = y i l g y i *
The cross-entropy function is
s o f t m a x ( y ) = e y i e y i
Then, the loss function of this network is
L i = i L
This network is trained using gradient descent, and the partial derivatives of the loss function for the model are
L i m = L i y i · y i S t · t = 1 i S i t · S t m
S i S t = k = t i 1 S k + 1 S k
S k + 1 S k = σ · w
At this point, if S i t 0 , it would cause the gradient to vanish; if S i S t , it would cause the gradient to explode.
To solve this problem, Hochreiter and Schmidhuber proposed a particular recurrent neural network based on RNN in 1997, which they called Long Short-Term Memory (LSTM); this network can effectively solve the problems facing the traditional RNN networks and can better access the dependencies in time series data [12].
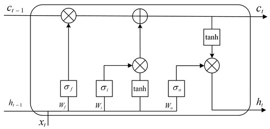
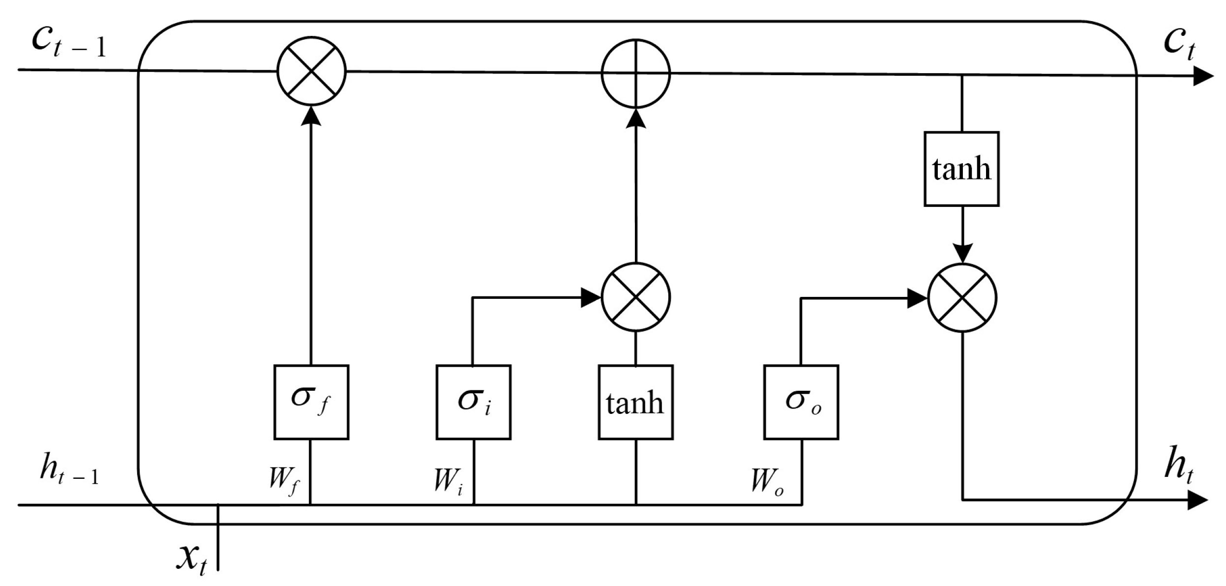
The LSTM network consists of four main parts: memory cells, input gates, forgetting gates, and output gates. The memory cells are used to store and update historical memory information. Figure 3 shows the structure of the LSTM network.
In Figure 3, C t 1 represents the memory of the previous moment, C t represents the memory of the current moment, h t 1 is the value of the hidden layer in the previous moment, and the input of the current moment is shown.
The role of the input gate is mainly to control the hidden state of the previous moment and the percentage of inputs from this step that can enter the network, which is used to update the inputs of the network [13], and the output function of the input gate is defined as g ( t ) .
g ( t ) = σ i ( W i g x t + b i g + W h g h t 1 + b h g )
i t = t a n h ( W c x t + b i i + W c t h t 1 + b c )
C t = f t · C t 1 + i t · g ( t )
where σ i denotes the sigmoid activation function of the input gate, W i g and W c denote the weights of the inputs, b i g and b i i are the biases of the input gate, W h g and W c t denote the weights of the hidden values of the previous moment, and b h g and b c are the biases of the forgetting gate. C t denotes the memory of the current moment.
The role of the forgetting gate is to determine what percentage of the information from the previous time step enters the network and multiply it by the memory from the last time step, i.e., to decide which information to keep and which to discard. Its output value is between 0 and 1; a value closer to 1 means that it should be retained. The output function of the forgetting gate is defined as [14]
f t = σ f ( W f x t + b f + W h f h t 1 + b h f )
where σ f is the sigmoid activation function, and W f and b f are the weight and bias of forgetting, respectively.
The output gate is mainly used to determine the value of the hidden state at the next moment, which contains the previous input information. The output function of the output gate is defined as h t .
O t = σ 0 ( W i 0 x t + b i 0 + W h 0 h t 1 + b h 0 )
h t = O t · t a n h ( C t )
where h t is the output at moment t, W i 0 and b i 0 are the weights and biases of the output gates, and W h 0 and b h 0 are the weights and biases of the hidden values at the previous moment. At this point, the forward computation of the LSTM network is complete.

3.2. Bilstm

Bilstm (Bidirectional Long Short-Term Memory Network), as an improved algorithm of the traditional LSTM, consists of two independent LSTM networks responsible for processing the input sequences from two directions (forward and reverse), which allows the model to acquire information before and after the current time step at the same time, and its outputs usually consist of the hidden states spliced together from the two directions. The Bilstm can be used for the processing of rolling equipment data, and it can also be used for the processing of rolling equipment data. By using the Bilstm, it is possible to consider historical and future information on the rolling equipment data for better processing of the sequence data. The network structure of Bilstm is shown in Figure 4 [15].
In each time step t, the LSTM network receives an input and the cell state and hidden state of the previous time step and outputs the current time step’s cell state and hidden state. The output of the current time and the hidden state of the previous time step are first accepted after a forgetting gate, which is calculated as [16]
f t = σ ( w f [ h t 1 , x t ] + b f )
σ ( x ) = 1 1 + e x
The input gate will decide what information needs to be input into the memory cell based on the input of the current moment and the hidden state of the previous moment, which is calculated as follows:
i t = σ ( w i [ h t 1 , x i ] + b i )
q t = t a n h ( w c [ h t 1 , x t ] + b c )
C t = f t C t 1 + i t q t
t a n h = e x e x e x + e x
where w i , w c and b i , b c denote the weight and bias matrices, respectively.
At this point, the output gate is still similar to the LSTM network, which sends some of the demanded information to the next layer based on the output of the present moment and the hidden state of the previous moment. The details are as follows:
O t = σ ( w 0 [ h t 1 , x t ] + b 0 )
h t = O t t a n h ( C t )
where w 0 and b 0 denote the weight matrix and bias matrix, respectively [17].
Finally, the state of the hidden layer is more different from the traditional LSTM. At this point, it is divided into forward-input LSTM hidden state and backward-input LSTM hidden state, which we define as h t f and h t b , respectively. h t f and h t b are computed with their corresponding weights, and then the final hidden layer state value can be obtained; i.e., we obtain the output of the Bilstm as y t .
y t = w t f h t f + w t b h t b + b y
where w t f and w t b denote the connection weights of the forward and backward input layers, respectively, and b y denotes the output bias.

3.3. Algorithm Optimization

3.3.1. Adding an Attention Layer

Attention mechanisms originally referred to the brain’s ability to deliberately focus on specific pieces of information while ignoring others when processing certain information. The attention mechanism is one of the most commonly used optimization methods in deep learning algorithms. It mainly involves two aspects: (1) the user decides which part of the input needs to be paid special attention to and (2) allocates limited processing resources to the essential parts. The structure of the attention mechanism is shown in Figure 5 [18].
The Attention layer is introduced mainly for processing sequence data and is used to obtain weighted context vectors from the output of Bilstm. The above figure represents the input features, and Q, K, and V represent the Query, Key, and Value values, respectively. The formula for the self-attention mechanism is given as follows:
b = i = 1 s o f t m a x ( Q i K i t d k ) v i
In this model, the addition of the Attention layer makes full use of Bilstm’s extraction of information features for past states. The specific steps are to splice the hidden and cellular states of the previous time step of Bilstm into a vector and add a dimension to it to make it a three-dimensional tensor. Afterward, the attention weight is obtained using bulk matrix multiplication, and this weight is normalized. Eventually, a weighted vector is obtained for subsequent prediction tasks, and the normalized attention weights are used to analyze how much attention the model pays to each part of the input sequence during prediction.

3.3.2. Improved Sparrow Search Algorithm (SSA)

The Sparrow Search Algorithm is a group intelligence optimization algorithm proposed in 2020, which has fast convergence and good optimization results. The algorithm was created by mimicking the biological behaviors of sparrows, like foraging and counterfishing [19]. The algorithm explicitly divides sparrows into three roles: discoverer, follower, and vigilant, based on which the discoverer’s main task is to search for resources and guide the group’s foraging direction, the follower acquires food resources under the guidance of the discoverer, and the vigilant is in charge of alerting peers to threats and guiding the group to take evasive measures. The advantages of the sparrow algorithm are excellent global optimization performance, high solution accuracy, fast convergence of the algorithm, and excellent parameter optimization results [20].
The specific steps of the algorithm for sparrows during predation are as follows:
(1) Set the population size of the test sample, the number of iterations, the followers, and the proportion of producers.
(2) Calculate the fitness function of the sample population.
(3) Update the specific position of the discoverer, represented by the following function [21]:
X i , j t + 1 = X i , j · exp i α · i t e r m a x , R 2 < ST X i , j + Q · L , R 2 ST
where ST is the safety value and R 2 is the warning value. If R 2 < S T , it means that the follower is safe at this time, and vice versa, it means that at this time, the discoverer has threatened the safety status of the follower and needs to be transferred to a safe area. i t e r m a x denotes the maximum number of iterations.
In the ordinary sparrow algorithm, the initial position in the entire search space is relatively fixed when the number of populations is set up. At this time, the weights for updating the position of the discoverer are unchanged, which may cause the algorithm to fall into the local optimum or the search accuracy to deteriorate, which leads to the optimization of the rolling system error effect being less than expected. Therefore, this paper optimizes the weight update of the finder’s position in the sparrow algorithm and introduces dynamic adaptive weights, which can make the algorithm better use the set search space at the beginning of the search, and with the increase in the number of algorithmic iterations, the dynamic weights can better improve the algorithm’s performance of convergence and parameter search. The specific expression is as follows:
X i , j t + 1 = X i , j · exp i α · i t e r m a x · ω , R 2 < S T X i , j + Q · L , R 2 S T
(4) Update the location information of the followers according to the above formula. The details are as follows:
X i , j t + 1 = Q X i , j · exp X w o r s t X i , j t α · i t e r m a x , i > n 2 X p t + 1 + X i , j X p t + 1 · A + L ,   otherwise
where n denotes the value of the follower, X p denotes the best position of the finder at this time, and X w o r s t denotes the worst position in the entire search space at this time. When i > n 2 , it indicates that the ith follower is less adapted and is in a hungry state at this time, and then it needs to travel to other places for foraging.
(5) Updating the position of the vigilant individuals
X i , j t + 1 = X b t + 1 + β X i , j t X b t   ,   f i > f g X i , j t + α · X i , j t X w o r s t t f i f w + ε   ,   f i = f g
where X b denotes the optimal position of an individual in the current cycle, i.e., the current optimal solution. α and β denote random numbers in a specific interval. When the individual fitness f i is greater than the global fitness f g , it means that the sparrow is in a dangerous position and vulnerable to attack.
(6) Update the sparrow position and calculate the fitness to update the current optimal solution.
(7) After reaching the maximum number of iterations, output the optimal solution [22].

3.4. Construction of SSA–Bilstm–Attention

The parameters of the Bilstm–Attention model, such as the number of implicit layers, the number of recurrent cycles, and the learning rate, greatly impact the experimental results. Setting the learning rate too small will lead to under representation of information relevance. Setting the learning rate too large will result in a reduced dataset and insufficient learning by the neural network. These parameters are often set based on human experience and optimized in experiments, and if these parameters are not set correctly, it will lead to poor model performance. Therefore, in the design of the model architecture, this paper uses SSA to optimize Bilstm–Attention in the following steps:
(1)
Firstly, the extracted data are periodically sampled to ensure they do not contain a lot of duplicates or invalid data.
(2)
Perform normalization on the data and divide the training and test sets.
(3)
Determine the number of iterations, population size, search space, and search dimension of the SSA. Perform hyperparameter optimization for the learning rate, the number of cycles, the number of hidden layers, and the number of LSTM layers of the network, and determine the upper and lower bounds of optimization for each parameter.
(4)
Calculate the fitness function; in this paper, we take the mean square error of the test set as the fitness function.
(5)
Start iteration to obtain the optimal hyperparameters of the Bilstm–Attention network.
(6)
Output the optimal results and use the optimal network parameters to train the Bilstm–Attention for predicting rolling force.
At this point, the flow of the improved SSA–Bilstm–Attention algorithm we constructed is shown in Figure 6.
In summary, the SSA–Bilstm–Attention neural network model proposed in this paper is shown in Figure 7.

4. Discuss

4.1. Evaluation Indicators

In order to accurately assess the model’s performance, based on the analysis of the thickness error in the previous section, this paper chooses two indicators, the mean square error (MSE) and the mean absolute error (MAE), to assess the model’s prediction performance. The formulas are as follows:
M A E = 1 n i = 1 n y i ^ y i
M S E = 1 n i = 1 n y i ^ y i 2
In summary, the smaller the values of MAE and MSE, the smaller the error in prediction and the better the model.

4.2. Data Acquisition and Processing

The rolling equipment studied in this paper has a comprehensive backend server and data collection and organization. By placing various sensors at the site and in the equipment itself, the signals of the rolling mill equipment can be transmitted to the server in real time. Therefore, this paper adopts the method of establishing a web page host computer through the ‘get’ and ‘post’ request methods, according to the required volume number, from the background server to obtain the production data of the equipment.
First of all, according to the results of the previous mechanical modeling analysis, as well as in the actual production process of the experience of analysis, the background data access restrictions are taken into account. In this paper, the inlet and outlet strip speed, inlet and outlet tension, rolling oil pressure, bending rolls, tilting force, turbine power, rolling force, and other parameters are selected as input parameters of the neural network. Figure 8 and Figure 9 show some of the data.
The above waveform shows the thickness error and rolling force data for aluminum coil number 20111121, which has an inlet thickness of 0.7 mm and an outlet target thickness of 0.4 mm.
Since the backend server collects data at a frequency of 1 s, but the actual data update frequency of the rolling equipment is not so fast, the data obtained through this method will cause many duplication problems, and a large amount of duplicated data will have an impact on the optimization results of the network. Therefore, we considered manually eliminating the duplicated data but still retaining the temporal continuity to avoid bias in the results.
In this paper, 1000 data were taken for each of the 10 parameters, totaling 10,000. They are divided according to a 90% training set and 10% validation set. The details are shown in Table 1.

4.3. Data Normalization

Normalization is a common step in neural network training, and its purposes are mainly as follows:
(1)
Normalization accelerates the convergence speed of the model during training;
(2)
Normalization scales the feature values to a smaller range, usually [0, 1];
(3)
Normalization reduces the impact of different feature scales and makes the model more stable.
y i = x i x ¯ s , i = 1,2 ,   , t

4.4. Improved Hyperparameter Settings for the Model

4.4.1. SSA Hyperparameter Optimization Results

In this paper, we use SSA to find the optimal learning rate, the number of hidden layers, the number of LSTM layers, and the number of cycles in the Bilstm model. The initial population of SSA is set to 20, the maximum number of iterations is 50, the discoverers account for 20% of the whole population number, the warning value is set to 0.8, and the validation set mean square error is used as the fitness function.
It is important to note that in our pre-feasibility experiments, we performed experiments with manually pre-set hyperparameters for the network. We chose multiple learning rates in the range of 10,000–30,000 to observe whether the results could satisfy us. When our experiments were completed, we found that the manually set hyperparameters could not bring out the maximum potential of the model, and eventually, under the team’s consideration, we chose to add the sparrow algorithm for hyperparameter optimization. In the experiment of manually setting hyperparameters, we also found that when the learning rate is between 15,000 and 25,000 times, slightly increasing the learning rate will make the MSE value of the model show a decreasing trend, but we do not know what the lower limit of this decreasing is. In addition, when our learning rate is set to 30,000, the MSE value will be significantly higher, which means that the training error increases when the number of training times more than 30,000 is overfitting, and unable to converge. After using the sparrow algorithm to solve our doubts, the algorithm concluded that when the number of training times is 24,411, the MSE value of the network at this time reached a minimum value of 1.22%, proving our conjecture. Ultimately, we chose the interval 20,000–30,000 as the optimization interval of the sparrow algorithm because our experience and actual experiments tell us that the optimal learning rate is highly likely to be in this interval. Therefore, we set the search range for the number of cycles in the sparrow algorithm.
The final hyperparameter optimization search is presented in Table 2.

4.4.2. Network Parameter Setting and Training

(1)
Number of LSTM layers. Generally, 1–2 layers; after experiments, it is concluded that the effect is better when the number of layers is set to 5.
(2)
Learning rate. This model adopts the Adam optimizer, which can quickly achieve good results. The experimental results show that the prediction effect of the Adam optimizer is better than other stochastic methods. According to the sparrow algorithm, the optimal parameter learning rate is 0.00474, beta1 is 0.9, beta2 is 0.999, and epsilon is a certain value.
(3)
Dropout is 0.2.
(4)
The model’s accuracy can be improved by using the training and test sets divided as they go.
(5)
According to the results of the optimization of the parameters of the sparrow algorithm, it is concluded that the effect is optimal when the number of hidden layers is 42.
(6)
The number of iterations: according to the actual model building experience and through several validation experiments, this paper finally selected four different training times, 15,000, 20,000, 24,411, and 30,000, to analyze the impact on the results.
(7)
The training method is stochastic gradient descent.

4.5. Analysis of Results

4.5.1. Network Loss for Different Number of Trainings

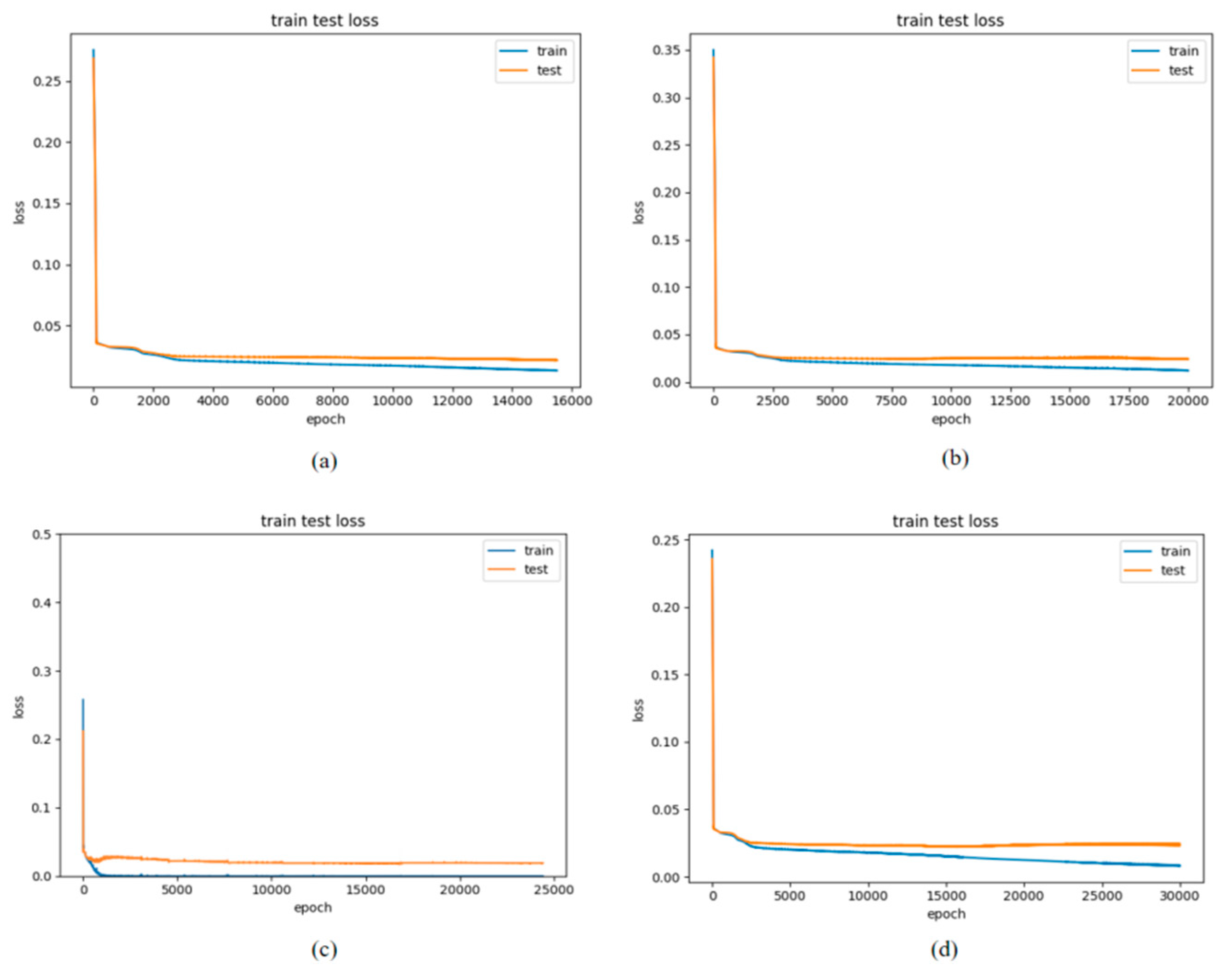
With the increasing training times, the model may suffer from the overfitting phenomenon, or the loss value is consistently elevated. In this regard, four different training times, such as 15,000 times, 20,000 times, 24,411 times and 30,000 times, are selected in this paper, and their corresponding loss images are shown in Figure 10.
In the above figure, (a)–(d) are the final loss values of the network when MSE is selected as the loss function; the training times for (a)–(d) are 15,000, 20,000, 24,411, and 30,000 times, respectively. As shown in the figure, it can be seen that after using dropout to alleviate the overfitting phenomenon, either too large or too small, several training times can significantly impact the results, leading to a lack of accuracy in the prediction. When using the sparrow algorithm resulting in 24,411 times, the MSE value of the network is the lowest, indicating that the rolling force prediction is the most accurate this time, which also shows that the thickness error has reached the minimum. The training error is almost close to 0. To be more sure of the effectiveness of the sparrow algorithm, we chose training times near that number of times for comparison; when the number of times of training is 20,000, the MSE value of the network is not the same as that of 15,000 times. When the number of training times is 20,000, the MSE value of the network is not significantly different from that of 15,000 times, and it is only slightly lower. When the number of training times is 30,000, the MSE value of the network is significantly higher and cannot reach the optimization goal—the final result of selecting MAE as the loss function is shown in Figure 11.
In the above figure, (a)–(d) are the final loss values of the network when MAE is selected as the loss function; the number of training times set in this experiment is the same as before. As can be seen from Figure 11, when we pick MAE as the loss function, the final network training results obtained are unsatisfactory regardless of the number of training times, even if the number of training times derived from the sparrow algorithm is used.

4.5.2. Selection of Evaluation Indicators

The two metrics MAE and MSE were selected to evaluate this model, and when training the network, selecting different loss functions will produce different results for the model, as shown in Table 3.
From Table 3, it can be concluded that for this network model, MSE is more reasonable when selected as the evaluation metric, and the training results are better.

4.5.3. Rolling Force Prediction Results

Figure 12 shows the curve relationship between the actual value of rolling force and the predicted value under four training times. It can be concluded from the above figure that the curve fitting results are better at 24,411 times of training, and the minimum rolling force prediction error can be obtained; i.e., at this time, the rolling system has the smallest thickness error and the best optimization effect. The resulting thickness variation curve at this point in the rolling force is shown in Figure 13.
Figure 13a–d represent the final aluminum coil thickness obtained with the predicted rolling force when the number of training times is 15,000, 20,000, 24,411, and 25,000, when the rolling force prediction has been completed. The vertical coordinate of this graph indicates the thickness value, and the horizontal coordinate indicates the number of predictions. The target exit thickness of the aluminum coil is 0.4 mm. From this figure, it can be seen that when the number of training times is 24,411 times, the thickness deviation is minimal, basically close to the target thickness.
In summary, the model optimized by the SSA–Bilstm–Attention network can reach a minimum error of 1.22%. The original equipment thickness error varies between 5% and 8%, and it can be seen that after optimization, the error reduction is significant for the same equipment, and an excellent rolling force prediction can be obtained.

4.5.4. Comparative Analysis

To verify the effectiveness of the proposed SSA–Bilstm–Attention model, we compared it with the following models:
(1)
Bilstm–Attention: This model is the one that does not use the sparrow algorithm in this paper, and it is trained separately to compare it with the network after adding the sparrow algorithm.
(2)
LSTM: Long Short-Term Memory Network, a variant of RNN network, can learn the long-term dependencies in the data, commonly used in predicting time series.
(3)
Improved BP network: The BP network, also called the backpropagation network, is a kind of network structured according to error backward transmission and is able to predict nonlinear problems. This improved BP network adopts the method of fuzzy clustering to select samples to achieve the purpose of using fewer learning samples to achieve better learning results.
(4)
Fuzzy theory: Fuzzy theory is mainly applied in the control field, where fuzzy control unexpectedly solves problems that cannot be solved or are challenging to solve by traditional control theory.
(5)
Objective function method: The objective function refers to designing a variable to pursue the form of the goal. As often expressed in engineering, it establishes an objective function to find the relationship between the variable and the target, such as the relationship between rolling force and error, commonly used in traditional control schemes.
The results of the comparison with the above models are shown in Table 3.
To further analyze the prediction effect of the SSA–Bilstm–Attention model, we analyze it by evaluating the metrics, as shown in Table 3. The error of rolling force prediction is the main focus of this paper because it is a more intuitive and understandable metric, and its accuracy is directly related to the final thickness error. As can be seen from Table 4, the model optimized in this paper has very high accuracy. In comparison with the mainstream methods of other scholars, the improved model can achieve rapid convergence of the network with 10,000 data inputs and tens of thousands of training times, and the final error is much lower. Next is the LSTM model, which has a simple network structure and fast training speed. However, its prediction results are more affected by the device parameters and hyperparameters, and the training results are unstable. In several experiments, the Bilstm–Attention model showed high accuracy. The Bilstm model can better learn the feature information in the device parameters. Still, under more complex parameters, whether there is difficulty in setting hyperparameters artificially or an increase in prediction data, the prediction accuracy of the network will be reduced to some extent. It can be seen that the optimization of the Bilstm–Attention model using SSA is quite apparent, and the accuracy of the model can be effectively improved using the hyperparameters obtained from SSA. After the introduction of the attention mechanism, the model has a certain degree of portability; it only needs to change the object of the attention mechanism according to the demand for other rolling equipment and can also achieve good results.
Through the optimization method of forecasting rolling force, the final thickness error of the rolling system is reduced. In summary, the proposed model can meet the practical needs, and the optimized model achieves the desired error.

5. Conclusions

Aiming at the problem of thickness error optimization of the rolling system, we propose a thickness error optimization algorithm for rolling equipment based on the SSA–Bilstm–Attention network, which essentially solves the problem of rolling force prediction, thus reducing the thickness error of the rolling system. The focus of the proposed algorithm is to optimize the input parameters of the neural network based on the analysis of the mechanical rolling model, to introduce the attention mechanism and the improved sparrow algorithm to improve the prediction accuracy of the network, and to improve the training speed of the network through the use of the stochastic gradient descent method and the Bidirectional Long Short-Term Memory Network. The optimization algorithm provides a new control idea for the industrial rolling field.
This paper mainly improves the following parts:
(1)
By combining traditional mechanical modeling with deep learning, input parameters that significantly impact the results are filtered out to reduce redundant inputs and improve the efficiency of the network’s operation.
(2)
A web-based host computer was established, enabling the operator to access the server data at any time, greatly improving work efficiency.
(3)
Based on the Attention mechanism, the training process of the network is optimized, which makes the final prediction accuracy very high.
(4)
The traditional LSTM network is optimized by introducing the Bidirectional Long Short-Term Memory Network concept, which greatly reduces the occurrence of overfitting and improves the network’s forecasting accuracy and training speed.
(5)
Based on the sparrow search algorithm, the sparrow algorithm is first optimized and improved to improve the gradient problem of the sparrow algorithm in the late stage of the search and reduce the probability of the search result falling into the local optimum. It is used to perform a hyperparameter optimization search for Bilstm, which solves the pain point of deep learning hyperparameters that are difficult to set and improves the training speed and training accuracy of the network.
(6)
Different loss functions are compared, and the appropriate loss function is chosen to evaluate the network optimally.
To validate the effectiveness of the proposed SSA–Bilstm–Attention network model, we constructed a real dataset containing 10 input parameters of the rolling equipment and the thickness error. Through extensive experiments, it is shown that the SSA–Bilstm–Attention model outperforms the other models. Specifically, it can achieve a minimum MSE of 1.22%, about 2% lower than the other models on average, and has a faster training speed.
In summary, the optimization model proposed in this paper provides a new method of equipment production optimization in the industrial field, which is not limited to the traditional probabilistic and mechanical models. Combining it with deep learning can achieve very good results at the lowest cost. Producers can use rolling force prediction algorithms combined with traditional control theories such as PID, which will significantly improve the efficiency and accuracy of industrial rolling.
In the future, fault prediction and diagnosis can be added to the model so that the occurrence of faults can be detected in real time through channels such as the host computer or the server, and rapid fault diagnosis can be implemented in combination with deep learning, which will provide a completely new solution for future industrial automation equipment.

Author Contributions

Conceptualization, X.L.; methodology, X.L.; software, X.L.; validation, X.L.; formal analysis, X.L.; investigation, J.J.; resources, X.L. and J.J.; data curation, X.L.; writing—original draft preparation, X.L.; writing—review and editing, Q.W. and X.L.; visualization, X.L.; supervision, Q.W. and B.X.; project administration, Q.W. and B.X.; funding acquisition, Q.W. and B.X.; All authors have read and agreed to the published version of the manuscript.

Funding

This research was funded by the Ministry of Education Industry-University Co-operation Collaborative Education Project (220801388223220).

Data Availability Statement

The data presented in this study are available on request from the corresponding author.

Conflicts of Interest

Author Jiafei Ji was employed by the company Shanghai LongView Automation Technology Co., Ltd. The remaining authors declare that the research was conducted in the absence of any commercial or financial relationships that could be construed as a potential conflict of interest.

References

  1. Lv, J. Research on automatic control system of cold continuous rolling thickness. Xi’an Univ. Archit. Technol. 2004, 3, 65. [Google Scholar]
  2. Liu, X.; Pan, L.; Shuai, M. Matlab-based BP neural network rolling force predictionmodel and application. J. Chongqing Inst. Sci. Technol. (Nat. Sci. Ed.) 2016, 18, 96–98+103. [Google Scholar] [CrossRef]
  3. Chen, S.; Peng, W.; Ji, Y.; Zhang, D.H. Adaptation of cold rolling force model parameters based on objective function. J. Northeast. Univ. (Nat. Sci. Ed.) 2013, 34, 1128–1131. [Google Scholar]
  4. Wang, Z.; Tian, Y.; Zhao, Z.; Wang, G.D. Self-learning of gauge control model for plate rolling. J. Northeast. Univ. (Nat. Sci.) 2006, 27, 771–774. [Google Scholar]
  5. Zhang, Y.; Liu, X.; Wang, G. Learning algorithm of rolling force for medium-thick plate based on fuzzy theory. J. Iron Steel Res. 2005, 17, 43–46. [Google Scholar] [CrossRef]
  6. Wang, X.; Lu, C.; Wang, G.; Liu, S.H. Neural network and mathematical model for rolling force prediction. J. Northeast. Univ. 1999, 20, 97–99. [Google Scholar]
  7. Ding, W.; Lu, M.; Yang, Z.; Chen, L. Recommendation fusion model based on LSTM with deep matrix decomposition. Softw. Guide 2024, 23, 41–47. [Google Scholar]
  8. Zhang, H. Research on thickness control of high-precision medium-thickness plate rolling. J. Shaanxi Univ. Sci. Technol. 2006, 24, 88–92. [Google Scholar]
  9. Zhai, Y.; Qiao, Z.; Qiao, Y. Teleconsultation demand prediction based on LSTM and attention mechanism. Comput. Sci. 2024, 51, 1081–1087. [Google Scholar]
  10. Zhang, W.; Lu, Z.; Zhang, A.; Xue, W.; Zhang, N. Liquid rocket motor fault detection based on attention mechanism recurrent neural network. Missile Space Launch Technol. 2024, 25–31. Available online: https://mall.cnki.net/magazine/article/DDYH202402005.htm (accessed on 22 August 2024). (In Chinese and English).
  11. Nguyen, V.; Le, P.; Nguyen, P.; Pham, T.; Phung, T.; Novoselov, K.; El Ghaoui, L. Learnable features for predicting properties of metal-organic frameworks with deep neural networks. Cell Rep. Phys. Sci. 2024, 5, 102101. [Google Scholar] [CrossRef]
  12. Mao, H.; Fang, X.; Wang, B.; Sun, Y. Design of intelligent analysis algorithm for power engineering data based on improved BiLSTM. Electron. Des. Eng. 2024, 32, 69–73. [Google Scholar] [CrossRef]
  13. Klyuev, R.V.; Morgoev, I.D.; Morgoeva, A.D.; Gavrina, O.A.; Martyushev, N.V.; Efremenkov, E.A.; Mengxu, Q. Methods of Forecasting Electric Energy Consumption: A Literature Review. Energies 2022, 15, 8919. [Google Scholar] [CrossRef]
  14. Zhang, Y.; Liu, X.; Wang, G. Comprehensive application of BP neural network and mathematical model in the forecasting of plate convexity of medium-thickness plates. J. Plast. Eng. 2005, 12, 58–61. [Google Scholar]
  15. Mao, C.; Zhang, M.; Zhang, J. Rolling bearing fault diagnosis based on MSSA-VMD and CNN-BiLSTM. J. Chongqing Gongshang Univ. (Nat. Sci. Ed.) 2024, 7, 1–10. Available online: https://www.cnki.com.cn/Article/CJFDTotal-YZZK20240705001.htm (accessed on 22 August 2024).
  16. Ma, Z.; Zhang, L.; Bayintana; Xie, M.; Zhang, P.; Wang, X. Ultrashort-term wind power prediction based on adaptive quadratic decomposition with CNN-BiLSTM. J. Sol. Energy 2024, 45, 429–435. [Google Scholar] [CrossRef]
  17. Liu, Y.; Shi, Y. Remaining life prediction of complex equipment with CNN-BiLSTM based on attention mechanism. Mech. Des. 2024, 41, 58–63. [Google Scholar] [CrossRef]
  18. Carrera, B.; Kim, K. Comparative Analysis of Machine Learning Techniques in Predicting Wind Power Generation: A Case Study of 2018–2021 Data from Guatemala. Energies 2024, 17, 3158. [Google Scholar] [CrossRef]
  19. Ma, L.; Lv, R. Optimisation of CNN-LSTM-SEnet prediction model for wind turbine fault early warning with SSA. Electr. Power Sci. Eng. 2024, 40, 1–10. [Google Scholar]
  20. Sejan, M.A.S.; Rahman, M.H.; Aziz, M.A.; Tabassum, R.; You, Y.-H.; Hwang, D.-D.; Song, H.-K. Interference Management for a Wireless Communication Network Using a Recurrent Neural Network Approach. Mathematics 2024, 12, 1755. [Google Scholar] [CrossRef]
  21. Wang, Z.; Wang, D. Short-term load forecasting of power system based on SSA-LSTM network. Technol. Innov. 2024, 117–119. [Google Scholar] [CrossRef]
  22. Cao, Y.; Li, C. Research on air quality prediction based on SSA-LSTM model. Mod. Inf. Technol. 2024, 8, 142–146+152. [Google Scholar] [CrossRef]
Figure 1. Thickness example.
Figure 1. Thickness example.
Actuators 13 00426 g001
Figure 2. RNN network structure.
Figure 2. RNN network structure.
Actuators 13 00426 g002
Figure 3. LSTM network structure.
Figure 3. LSTM network structure.
Actuators 13 00426 g003
Figure 4. Bilstm structure.
Figure 4. Bilstm structure.
Actuators 13 00426 g004
Figure 5. Attention mechanism.
Figure 5. Attention mechanism.
Actuators 13 00426 g005
Figure 6. Algorithm flow chart.
Figure 6. Algorithm flow chart.
Actuators 13 00426 g006
Figure 7. SSA–Bilstm–Attention mechanism.
Figure 7. SSA–Bilstm–Attention mechanism.
Actuators 13 00426 g007
Figure 8. Thickness error.
Figure 8. Thickness error.
Actuators 13 00426 g008
Figure 9. Rolling force.
Figure 9. Rolling force.
Actuators 13 00426 g009
Figure 10. Loss values under the MSE indicator.
Figure 10. Loss values under the MSE indicator.
Actuators 13 00426 g010
Figure 11. Loss values under the MAE indicator.
Figure 11. Loss values under the MAE indicator.
Actuators 13 00426 g011
Figure 12. Rolling force prediction results.
Figure 12. Rolling force prediction results.
Actuators 13 00426 g012
Figure 13. Curves of thickness variations.
Figure 13. Curves of thickness variations.
Actuators 13 00426 g013
Table 1. Data.
Table 1. Data.
Data NameData Volume
Entry strip speed1000
Export strip speed1000
Rolling force1000
Rolling oil pressure1000
Entrance tension1000
Exit tension1000
Curved rolls1000
Tilting force1000
Turbine power1000
Turbine current1000
Table 2. Optimization results.
Table 2. Optimization results.
ModelHyperparameterSetting RangeSSA Results
BilstmLearning rate[0.01, 0.0001]0.00474
Number of hidden layers[10, 100]42
LSTM layers[1, 5]5
Cycle times[20,000, 30,000]24,411
Table 3. Comparison of MSE and MAE results.
Table 3. Comparison of MSE and MAE results.
Training Numbers/LossMSE (%)MAE (%)
15,0001.491.74
20,0001.671.78
24,4111.221.45
30,0001.641.81
Table 4. Results of comparison of different algorithms.
Table 4. Results of comparison of different algorithms.
Models of AlgorithmsMSE
Proposed model1.22%
Improved BP3.4%
LSTM2.47%
Bilstm + Attention1.47%
Fuzzy theory ± 6 %
Objective function method 3.2 %
Disclaimer/Publisher’s Note: The statements, opinions and data contained in all publications are solely those of the individual author(s) and contributor(s) and not of MDPI and/or the editor(s). MDPI and/or the editor(s) disclaim responsibility for any injury to people or property resulting from any ideas, methods, instructions or products referred to in the content.

Share and Cite

MDPI and ACS Style

Wu, Q.; Li, X.; Ji, J.; Xing, B. Research on Thickness Error Optimization Method of Rolling System Based on Improved Sparrow Search Algorithm–Bidirectional Long Short-Term Memory Network–Attention. Actuators 2024, 13, 426. https://doi.org/10.3390/act13100426

AMA Style

Wu Q, Li X, Ji J, Xing B. Research on Thickness Error Optimization Method of Rolling System Based on Improved Sparrow Search Algorithm–Bidirectional Long Short-Term Memory Network–Attention. Actuators. 2024; 13(10):426. https://doi.org/10.3390/act13100426

Chicago/Turabian Style

Wu, Qingyun, Xinchen Li, Jiafei Ji, and Bowen Xing. 2024. "Research on Thickness Error Optimization Method of Rolling System Based on Improved Sparrow Search Algorithm–Bidirectional Long Short-Term Memory Network–Attention" Actuators 13, no. 10: 426. https://doi.org/10.3390/act13100426

APA Style

Wu, Q., Li, X., Ji, J., & Xing, B. (2024). Research on Thickness Error Optimization Method of Rolling System Based on Improved Sparrow Search Algorithm–Bidirectional Long Short-Term Memory Network–Attention. Actuators, 13(10), 426. https://doi.org/10.3390/act13100426

Note that from the first issue of 2016, this journal uses article numbers instead of page numbers. See further details here.

Article Metrics

Back to TopTop