Investigation into the Bearing Capacity and Mechanics Behavior of the Diaphragm Connection Form of a Utility Tunnel
Abstract
1. Introduction
2. Engineering Background and Connection Scheme
2.1. Engineering Background
2.2. Introduction of Connection Scheme
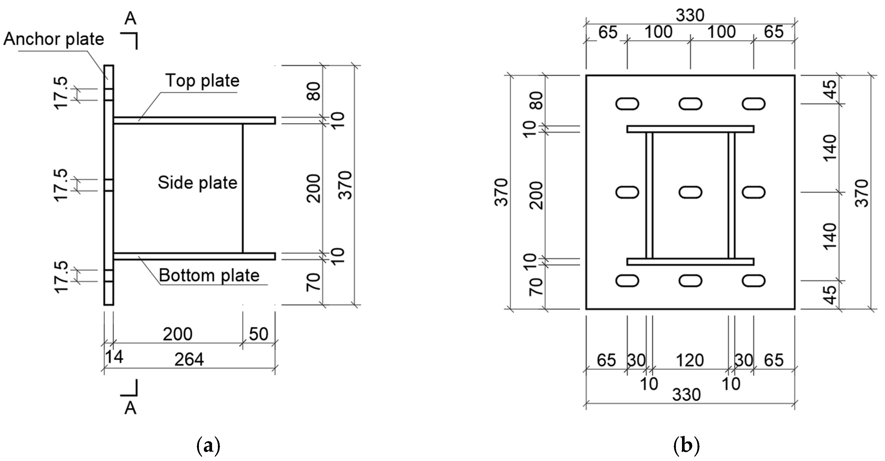
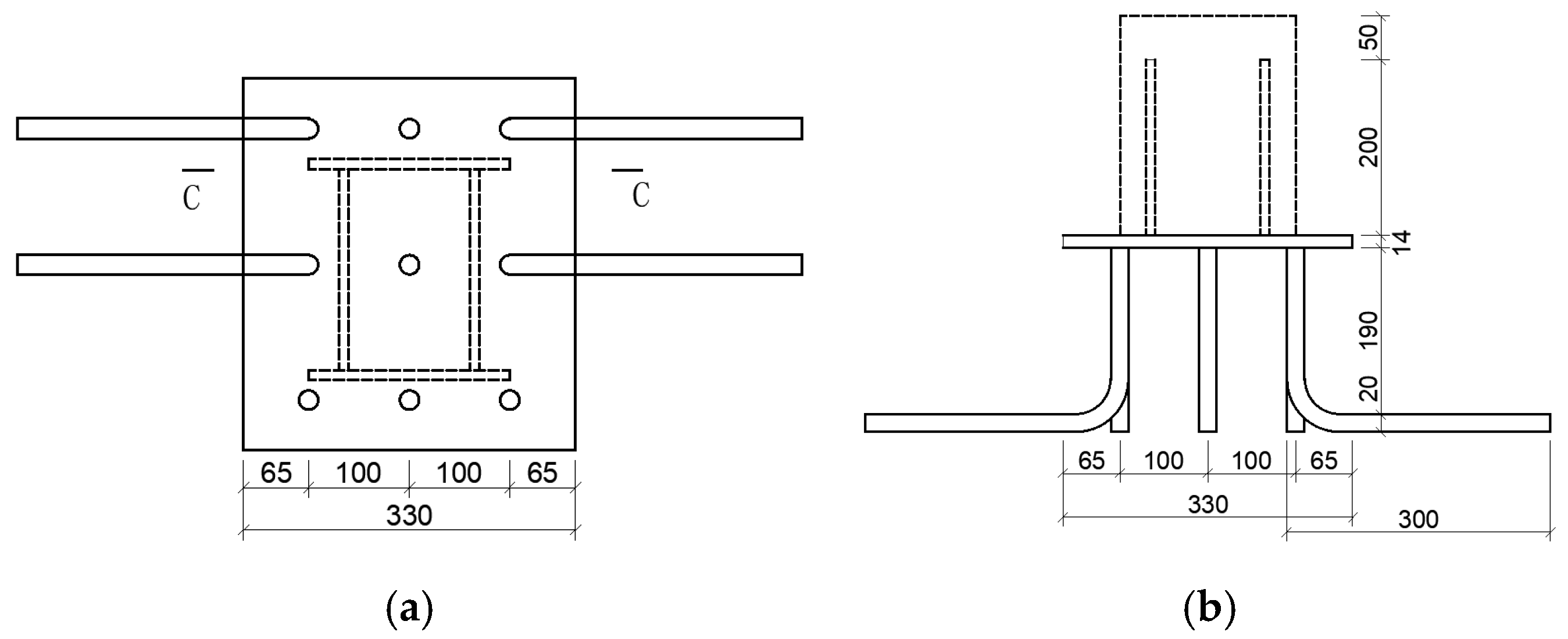
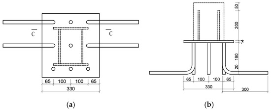
2.2.1. Steel Corbel and Rear Expansion Anchor Bolt
2.2.2. Embedded Part and Steel Corbel
2.2.3. Reinforced Concrete Corbel
3. Experimental and Numerical Simulation Design
3.1. Experiment Design
3.1.1. Test Conditions
3.1.2. Experimental Materials
3.2. Numerical Simulation Design
4. Analysis of Experimental and Numerical Simulation Results
4.1. Steel Corbel and Six Rear Expansion Anchor Bolts
4.1.1. Analysis of Steel Corbel
4.1.2. Analysis of the Anchor Bolt
4.1.3. Analysis of Concrete Damage
4.2. Steel Corbel and Nine Rear Expansion Anchor Bolts
4.2.1. Analysis of Steel Corbel
4.2.2. Analysis of Anchor Bolt
4.2.3. Analysis of Concrete Damage
4.3. Embedded Parts and Steel Corbel
4.3.1. Analysis of Steel Corbel
4.3.2. Analysis of Anchored Bar
4.3.3. Analysis of Concrete Damage
4.4. Reinforced Concrete Corbel
4.5. Scheme Comparison
4.6. Analysis of the Influence of Anchor Bolt Arrangement Form
5. Conclusions
- The critical point in the steel corbel and rear expansion anchor bolt connection scheme lies in the connection region, where we observed bolt shear failure and concrete cracking. The number of bolts significantly influences the load-bearing capacity of the steel corbel. Adhering to the criterion that the steel bar and steel plate remain within their respective yield strengths during the elastic working phase and ensuring that the concrete damage area around the bolt remains unconnected, we achieved a bearing capacity of 180 kN when utilizing six rear expansion anchor bolts. However, when employing nine rear expansion anchor bolts, the load-bearing capacity decreased to 170 kN, resulting in a 5.6% reduction in bearing capacity.
- The arrangement of bolts has a notable impact on the structural load-bearing capacity. The upper-side anchor bolts bear larger forces, while the lower-side anchor bolts handle less load. Arranging the six anchor bolts in a configuration of two rows and three columns enhances the load-bearing capacity. Still, avoiding forming a damaged area due to inappropriate bolt spacing is crucial. This study’s recommended transverse bolt spacing falls within the 66.7 mm to 100 mm range. The third row experiences the most significant vertical deformation among the anchor bolts, while the first row exhibits the greatest axial elongation. Deformation in the anchor bolts is predominantly concentrated within the 5 cm to 6 cm range near the bracket. The anchorage depth should not be less than 6 cm. In the case of this scheme, the anchorage depth can be preferably selected from the range of 11 cm to 15 cm.
- The connection scheme involving embedded parts and a steel corbel exhibits robust load-bearing capacity, capable of withstanding a 220 kN load within the elastic stage. The anchor bar demonstrates strong anchoring ability, and the steel corbel experiences minimal deformation. Anchor bar deformation primarily concentrates within the 5 cm range near the corbel, with the upper-side anchor bar showing the most significant deformation.
- The reinforced concrete corbel connection scheme boasts a bearing capacity of 240 kN, with its load-bearing capacity primarily governed by crack formation. Initially, cracks emerge symmetrically on both sides of the corbel, progressively extending to encompass the width and height of the corbel structure.
Author Contributions
Funding
Data Availability Statement
Conflicts of Interest
References
- Liang, N.; Lan, F.; Zhuang, Y. Current Situation and Existing Problems of Urban Utility Tunnel Construction. J. Undergr. Space Eng. 2020, 16, 1622–1635. [Google Scholar]
- Huang, C. Study on Seismic Response of Precast Utility Tunnel with Upper and Lower Assembly; South China University of Technology: Chengdu, China, 2018. [Google Scholar]
- Fan, F. Study on Evolution and Repair Mechanism of Structural Crack Damage and Leakage in Urban Underground Integrated Pipeline Gallery; Shandong Jianzhu University: Jinan, China, 2022. [Google Scholar]
- Mao, Q. Finite Element Analysis and Experiment Study on Mechanical Properties of Precast Utility Tunnel Joints; Huazhong University of Science and Technology: Wuhan, China, 2021. [Google Scholar]
- Zhu, B.; Chen, L.; Du, X. Application of Shield Method to Utility Tunnel on Huagong Road in Harbin. Tunn. Constr. 2019, 39, 459–464. [Google Scholar]
- Chen, J. Application of Shield Utility Tunneling in Existing Urban Downtown. Munic. Eng. Technol. 2019, 37, 192–194, 223. [Google Scholar]
- Dong, L. Study on the Influence of the Staggered Segment of Shield Tunnel on the Mechanical Properties of Tunnel; Shenyang Jianzhu University: Shenyang, China, 2021. [Google Scholar]
- Peng, Y.; Ding, W.; Yan, Z.; Huang, X.; Xiao, B. Analysis and calculation method of effective bending rigidity ratio in the modified routine method. Chin. J. Geotech. Eng. 2013, 35, 495–500. [Google Scholar]
- Zeng, D.; He, C. Comparison and Analysis Research of Different Shield Tunnel Lining Internal Forces Design Methods. Chin. J. Undergr. Space Eng. 2005, 1, 707–712. [Google Scholar]
- Zhu, H.; Tao, L. Study on Two Beam-spring Models for the Numerical Analysis of Segments in Shield Tunnel. Rock Soil Mech. 1998, 19, 26–32. [Google Scholar]
- Huang, Z. Study on the Mechanical Behavior of Segmental Lining of Shield Tunnel Based on Shell-Spring Model; Hohai University: Nanjing, China, 2007. [Google Scholar]
- Zhu, W.; Huang, Z.; Liang, J. Studies on shell-spring design model for segment of shield tunnels. Chin. J. Geotech. Eng. 2006, 28, 940–947. [Google Scholar]
- Dong, X.; Xie, F. Analytical solution of segment joint model for segmented tunnel lining. Chin. J. Geotech. Eng. 2013, 35, 1870–1875. [Google Scholar]
- Wang, H.; Gao, X.; Li, P.; Jia, Z. Analysis of compressive bending capacity in bolted circumferential joint of shield tunnels. J. Beijing Jiaotong Univ. 2022, 46, 114–122. [Google Scholar]
- Liu, X.; Zhang, C. Investigation on the ultimate bearing capacity of longitudinal joints in segmental tunnel lining. China Civ. Eng. J. 2016, 49, 110–122. [Google Scholar]
- Yu, H.; Cai, C.; Bobet, A.; Zhao, X.; Yuan, Y. Analytical solution for longitudinal bending stiffness of shield tunnels. Tunn. Undergr. Space Technol. 2019, 83, 27–34. [Google Scholar] [CrossRef]
- Shi-ping, G.E.; Dong-wu, X.I.; Wen-qi, D.I.; Wen-biao, O.U. Simplified numerical simulation method for segment joints of shield tunnels. Chin. J. Geotech. Eng. 2013, 35, 1600–1605. [Google Scholar]
- Wang, F. Study on Mechanical Properties of Segment Lining Structure for Medium and Small Diameter Shield Tunnel; Southwest Jiaotong University: Chengdu, China, 2018. [Google Scholar]
- Zhao, Q. Study on Three Dimensional Numerical Modeling Method of Shield Tunnel and Mechanical Properties of Lining; Southwest Jiaotong University: Chengdu, China, 2017. [Google Scholar]
- Zhang, L.; Feng, K.; He, C.; Xu, P.K.; Zhang, J.X.; Liao, C.T. Three-dimensional Refined Numerical Simulation of Segmental Joint of Shield Tunnel. Tunn. Constr. 2020, 40, 1169–1175. [Google Scholar]
- Zeng, D.; He, C. Numerical Simulation of Segment Joint Bending Stiffness of Metro Shield Tunnel. J. Southwest Jiaotong Univ. 2004, 39, 744–748. [Google Scholar]
- Liu, S.-J.; Feng, K.; He, C.; He, Z.-S. Study on the Bending Mechanical Model of Segmental Joint in Shield Tunnel with Large Cross-section. Eng. Mech. 2015, 32, 215–224. [Google Scholar]
- Xu, G.; Wang, S.; Wang, D. Shell-Spring-Contact-Ground Model Based on Segment Joint Stiffness Nonlinearity. Eng. Mech. 2016, 33, 158–166. [Google Scholar]
- Tian, L.G.; Wang, X.; Cheng, Z.L. Numerical Study on the Fracture Properties of Concrete Shield Tunnel Lining Segments. Geofluids 2021, 2021, 9975235. [Google Scholar] [CrossRef]
- Epel, T.; Mooney, M.A.; Gutierrez, M. The influence of face and shield annulus pressure on tunnel liner load development. Tunn. Undergr. Space Technol. 2021, 117, 104096. [Google Scholar] [CrossRef]
- Blom CB, M.; Van der Horst, E.J.; Jovanovic, P.S. Three-dimensional structural analyses of the shield-driven “Green Heart” tunnel of the high-speed line South. Tunn. Undergr. Space Technol. 1999, 14, 217–224. [Google Scholar] [CrossRef]
- Zhang, H.; Lei, M.; Liu, L.; Li, Y.; Tang, Q.; Wang, L. Study on the influence law of underpass construction of new tunnel on the disturbance of existing upper shield tunnel. J. Railw. Sci. Eng. 2020, 17, 396–404. [Google Scholar]
- Huang, Z.; Liao, S.; Hou, X. Research on Shear Model of Ring Joint Bolts in Stagger-Jointed Segmental Linings. Chin. J. Rock Mech. Eng. 2004, 23, 952–958. [Google Scholar]























































| Specimen Number | Leading Feature | Size of Reinforced Concrete Specimen | Grade of Concrete Segment | Grade of Concrete Corbel |
|---|---|---|---|---|
| 1 | Steel corbel and 6 rear expansion anchor bolts | 1.5 m × 1.2 m × 0.3 m | C50 | |
| 2 | Steel corbel and 9 rear reamed anchor bolts | C50 | ||
| 3 | Embedded part and steel corbel | C50 | ||
| 4 | Reinforced concrete corbel | C50 | C50 |
| Material | Elastic Modulus (GPa) | Poisson’s Ratio | Yield Strength (MPa) | Tensile Strength (MPa) | Plastic Strain |
|---|---|---|---|---|---|
| Q355B steel plate | 206 | 0.25 | 380 | 503 | 0.1 |
| Grade 8.8 bolt | 200 | 0.25 | 640 | 800 | 0.12 |
| HRB400 | 200 | 0.3 | 400 | 540 | 0.075 |
| HPB300 | 210 | 0.3 | 300 | 420 | 0.1 |
| Connection Schemes | Mechanical Property | Construction Convenience | Conclusion |
|---|---|---|---|
| Steel corbel and six rear expansion anchor bolts | Following elastic design principles, the bearing capacity of this configuration is determined to be 180 kN. The ultimate failure mode involves significant shear deformation of the bolt, tearing of the anchor bolt sleeve, and cracking of the concrete surface. | The anchor bolt requires fewer drilled holes, making it easier to install. | Its use is recommended, and there is potential for further optimization. |
| Steel corbel and nine rear expansion anchor bolts | The bearing capacity is 170 kN, and the failure is characterized by severe shear deformation of bolts, deformation of the bolt sleeve, cracking, and the propagation of cracks on the concrete surface. | The anchor bolt requires more drilling holes, which leads to increased installation difficulty and higher costs. | The bearing capacity is reduced, the cost is high, and its use is not recommended. |
| Embedded part and steel corbel | The bearing capacity is up to 220 kN, and the corbel exhibits minimal deformation and excellent mechanical properties. | On-site welding quality is challenging to ensure, and the construction process is inconvenient. | After addressing the construction convenience issue, it is not recommended as a whole based on the specific circumstances. |
| Reinforced concrete corbel | Load capacity 240 kN | It needs to be prefabricated simultaneously with the segment, which can be inconvenient for transportation and installation. | It is necessary to address the issue of construction convenience; as a whole, it is not recommended. |
Disclaimer/Publisher’s Note: The statements, opinions and data contained in all publications are solely those of the individual author(s) and contributor(s) and not of MDPI and/or the editor(s). MDPI and/or the editor(s) disclaim responsibility for any injury to people or property resulting from any ideas, methods, instructions or products referred to in the content. |
© 2024 by the authors. Licensee MDPI, Basel, Switzerland. This article is an open access article distributed under the terms and conditions of the Creative Commons Attribution (CC BY) license (https://creativecommons.org/licenses/by/4.0/).
Share and Cite
Dai, Y.; Zeng, Y.; Shi, B.; Li, H. Investigation into the Bearing Capacity and Mechanics Behavior of the Diaphragm Connection Form of a Utility Tunnel. Buildings 2024, 14, 695. https://doi.org/10.3390/buildings14030695
Dai Y, Zeng Y, Shi B, Li H. Investigation into the Bearing Capacity and Mechanics Behavior of the Diaphragm Connection Form of a Utility Tunnel. Buildings. 2024; 14(3):695. https://doi.org/10.3390/buildings14030695
Chicago/Turabian StyleDai, Yongxing, Yi Zeng, Bolun Shi, and Hongbo Li. 2024. "Investigation into the Bearing Capacity and Mechanics Behavior of the Diaphragm Connection Form of a Utility Tunnel" Buildings 14, no. 3: 695. https://doi.org/10.3390/buildings14030695
APA StyleDai, Y., Zeng, Y., Shi, B., & Li, H. (2024). Investigation into the Bearing Capacity and Mechanics Behavior of the Diaphragm Connection Form of a Utility Tunnel. Buildings, 14(3), 695. https://doi.org/10.3390/buildings14030695
