Seismic Fragility Analysis of Existing RC Frame Structures Strengthened with the External Self-Centering Substructure
Abstract
:1. Introduction
2. Basic Information of RC Frame Structures
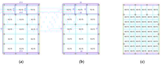
2.1. Frame KJ1
2.2. Frame KJ2
3. Establishment and Verification of Finite Element Models
3.1. Finite Element Modelling Methods
3.2. One-Story One-Span Frame Structures
3.2.1. Test Overview
3.2.2. Model Establishment of One-Story One-Span Frame Structures
3.2.3. Model Verification of One-Story One-Span Frame Structures
3.3. RC Frame Structures
3.3.1. Model Establishment of RC Frame Structures
3.3.2. Verification of RC Frame Structures
4. Earthquake Ground Motion Input
5. Incremental Dynamic Analysis of RC Frame Structures
5.1. Distribution Diagram of Maximum Inter-Story Drifts
5.2. Distribution Diagram of Residual Inter-Story Drifts
5.3. Incremental Dynamic Analysis
6. Seismic Fragility Analysis of RC Frame Structures
6.1. Probabilistic Seismic Demand Models
6.2. Seismic Fragility Curve of Frame Structures
7. Conclusions
- (1)
- The proposed modeling method was reasonable, and the error between the experiment results and finite element simulation results was small;
- (2)
- Under the same peak ground acceleration, the maximum inter-story drift of frame KJ1 decreased with the increase in storeys. However, the maximum inter-story drift of frame KJ2 moved upwards, and was significantly reduced;
- (3)
- When the peak ground acceleration was small, the IDA curves showed a linear increase. As the peak ground acceleration increased, the slope of the IDA curves gradually decreased;
- (4)
- Based on the results of IDA, the probabilistic seismic demand model curve was fitted, and the fitting effect was good;
- (5)
- When the same peak ground acceleration was applied to the frame structures, the exceedance probability of frame KJ2 was significantly lower than that of frame KJ1 at various performance levels.
Author Contributions
Funding
Data Availability Statement
Conflicts of Interest
References
- GB 50011-2010; Code for Seismic Design of Buildings. China Architecture and Building Press: Beijing, China, 2016. (In Chinese)
- Heydari, P.; Mostofinejad, D.; Mostafaei, H.; Ahmadi, H. Strengthening of deep RC coupling beams with FRP composites: A numerical study. Structures 2023, 51, 435–454. [Google Scholar] [CrossRef]
- Ortiz, J.D.; Khedmatgozar Dolati, S.S.; Malla, P.; Nanni, A.; Mehrabi, A. FRP-reinforced/strengthened concrete: State-of-the-art review on durability and mechanical effects. Materials 2023, 16, 1990. [Google Scholar] [CrossRef]
- Zhou, C.Y.; Wang, L.N.; Wang, Y.; Fang, Z. Experimental study on the flexural strengthening of one-way RC slabs with end-buckled and/or externally bonded CFRP sheets. Eng. Struct. 2023, 282, 115832. [Google Scholar] [CrossRef]
- Li, J.B.; Gong, J.X.; Wang, L.H. Experimental study on seismic behavior of corroded reinforced concrete columns strengthened with concrete jacket and CFRP. China Civ. Eng. J. 2009, 42, 17–26. (In Chinese) [Google Scholar] [CrossRef]
- Huang, J.F.; Zhu, C.M.; Gong, Z.G.; Zhang, F.W. Experimental study on seismic behavior of earthquake-damaged RC frame strengthened by enlarging cross-section. China Civ. Eng. J. 2012, 45, 9–17. (In Chinese) [Google Scholar]
- Song, L.L.; Guo, T.; Gu, Y.; Cao, Z.-L. Experimental study of a self-centering prestressed concrete frame subassembly. Eng. Struct. 2015, 88, 176–188. [Google Scholar] [CrossRef]
- Priestley, M.H.N. Overview of PRESSS research program. PCI J. 1991, 36, 50–67. [Google Scholar] [CrossRef]
- Priestley, M.H.N. The PRESSS program current status and proposed plans for phase III. PCI J. 1996, 41, 22–40. [Google Scholar] [CrossRef]
- Lu, X.L.; Cui, Y.; Liu, J.J.; Gao, W. Shaking table test and numerical simulation of a 1/2-scale self-centering reinforced concrete frame. Earthq. Eng. Struct. Dyn. 2015, 44, 1899–1917. [Google Scholar] [CrossRef]
- Cui, Y.; Lu, X.L.; Jiang, C. Experimental investigation of tri-axial self-centering reinforced concrete frame structures through shaking table tests. Eng. Struct. 2017, 132, 684–694. [Google Scholar] [CrossRef]
- Kurosawa, R.; Sakata, H.; Qu, Z.; Suyama, T. Precast prestressed concrete frames for seismically retrofitting existing RC frames. Eng. Struct. 2019, 184, 345–354. [Google Scholar] [CrossRef]
- Eldin, M.N.; Dereje, A.J.; Kim, J. Seismic retrofit of framed buildings using self-centering PC frames. J. Struct. Eng. 2020, 146, 04020208. [Google Scholar] [CrossRef]
- Huang, Z.H.; Cai, L.P.; Pandey, Y.; Tao, Y.; Telone, W. Hysteresis effect on earthquake risk assessment of moment resisting frame structures. Eng. Struct. 2021, 242, 112532. [Google Scholar] [CrossRef]
- Ge, F.W.; Tong, M.N.; Zhao, Y.G. A structural demand model for seismic fragility analysis based on three-parameter lognormal distribution. Soil Dyn. Earthq. Eng. 2021, 147, 106770. [Google Scholar] [CrossRef]
- Ji, J.; Elnashai, A.S.; Kuchma, D.A. An analytical framework for seismic fragility analysis of RC high-rise buildings. Eng. Struct. 2007, 29, 3197–3209. [Google Scholar] [CrossRef]
- Sarno, L.D.; Pugliese, F. Seismic fragility of existing RC buildings with corroded bars under earthquake sequences. Soil Dyn. Earthq. Eng. 2020, 134, 106169. [Google Scholar] [CrossRef]
- Sarno, L.D.; Pugliese, F. Effects of mainshock-aftershock sequences on fragility analysis of RC buildings with ageing. Eng. Struct. 2021, 232, 111837. [Google Scholar] [CrossRef]
- Kumar, P.; Samanta, A. Seismic fragility assessment of existing reinforced concrete buildings in Patna, India. Structures 2020, 27, 54–69. [Google Scholar] [CrossRef]
- Choudhury, T.; Kaushik, H.B. Treatment of uncertainties in seismic fragility assessment of RC frames with masonry infill walls. Soil Dyn. Earthq. Eng. 2019, 126, 105771. [Google Scholar] [CrossRef]
- Pitilakis, D.; Petridis, C. Fragility curves for existing reinforced concrete buildings, including soil-structure interaction and site amplification effects. Eng. Struct. 2022, 269, 114733. [Google Scholar] [CrossRef]
- Gautam, D.; Adhikari, R.; Rupakhety, R. Seismic fragility of structural and non-structural elements of Nepali RC buildings. Eng. Struct. 2021, 232, 111879. [Google Scholar] [CrossRef]
- Palagala, V.Y.; Singhal, V. Structural score to quantify the vulnerability for quick seismic assessment of RC framed buildings in India. Eng. Struct. 2021, 243, 112659. [Google Scholar] [CrossRef]
- Dalal, S.P.; Dalal, P. Strength, deformation and fragility assessment of reinforced concrete moment resisting frame designed by force based design and the performance based plastic design method for seismic loads. Structures 2021, 29, 1154–1164. [Google Scholar] [CrossRef]
- Cao, X.Y.; Feng, D.C.; Wu, G. Seismic performance upgrade of RC frame buildings using precast bolt-connected steel-plate reinforced concrete frame-braces. Eng. Struct. 2019, 195, 382–399. [Google Scholar] [CrossRef]
- Mander, J.B.; Priestley MJ, N.; Park, R. Theoretical stress-strain model for confined concrete. J. Struct. Eng. 1988, 114, 1804–1826. [Google Scholar] [CrossRef]
- Liu, H.; Zeng, Y.X.; Han, M.J.; Fan, Y.L.; Zhang, G.W.; Qin, C.A. Experimental research of seismic behavior of existing RC frame strengthened with attached diagonal cable brace. Build. Struct. 2023. (In Chinese) [Google Scholar] [CrossRef]
- Fan, Y.L.; Liu, H.; Han, M.J.; Zeng, Y.X.; Zhang, G.W.; Qin, C.A. Study on seismic performance of self-centering member reinforced frame based on finite element. Archit. Technol. 2023, 54, 1174–1177. (In Chinese) [Google Scholar]
- Vamvatsikos, D.; Cornell, C.A. Incremental dynamic analysis. Earthq. Eng. Struct. Dyn. 2002, 31, 491–514. [Google Scholar] [CrossRef]
- American Society of Civil Engineers; Federal Emergency Management Agency. Prestandard and Commentary for the Seismic Rehabilitation of Buildings; Federal Emergency Management Agency: Washington, DC, USA, 2000.
- Cornell, C.A.; Jalayer, F.; Hamburger, R.O.; Foutch, D.A. Probabilistic basis for 2000 SAC Federal Emergency Management Agency steel moment frame guidelines. J. Struct. Eng. 2002, 128, 526–533. [Google Scholar] [CrossRef]
- Yu, X.H. Probabilistic Seismic Fragility and Risk Analysis of Reinforced Concrete Frame Structures; Harbin Institute of Technology: Harbin, China, 2012. (In Chinese) [Google Scholar]




















| Concrete Strength Grade | fcu/MPa | Ec/(×104 N/mm2) |
|---|---|---|
| C20 | 25.0 | 2.80 |
| C40 | 39.3 | 3.25 |
| Steel Type | fy/MPa | Es/(×105 N/mm2) |
|---|---|---|
| A6 | 293 | 2.05 |
| A8 | 298 | 2.05 |
| C12 | 497 | 2.01 |
| C14 | 443 | 2.01 |
| C18 | 459 | 2.00 |
| As12.5 | 1680 | 1.95 |
| Frame Number | Calculation Software | T1/s | T2/s | T3/s |
|---|---|---|---|---|
| KJ1 | YJK | 1.159 | 1.143 | 1.015 |
| OpenSees | 0.966 | 0.954 | 0.869 | |
| KJ2 | YJK | 0.511 | 0.443 | 0.382 |
| OpenSees | 0.498 | 0.487 | 0.389 |
| No. | Database Code | Year | Magnitude | PGA/Gal | Duration Time/s | Time Interval/s |
|---|---|---|---|---|---|---|
| 1 | NGA_no_40_A-SON033 | 1968 | 6.63 | 40.252 | 39.995 | 0.005 |
| 2 | NGA_no_366_H-VC6090 | 1983 | 6.36 | 74.745 | 39.990 | 0.010 |
| 3 | NGA_no_1010_5082A-325 | 1994 | 6.69 | 247.560 | 55.325 | 0.005 |
| 4 | NGA_no_1184_CHY010-W | 1999 | 7.62 | 222.011 | 131.996 | 0.004 |
| 5 | NGA_no_2676_TTN024-V | 1999 | 6.20 | 4.225 | 34.995 | 0.005 |
| 6 | NGA_no_2721_CHY057-N | 1999 | 6.20 | 24.109 | 49.995 | 0.005 |
| 7 | NGA_no_2787_HWA039-V | 1999 | 6.20 | 15.959 | 48.995 | 0.005 |
| 8 | NGA_no_2914_TTN018-N | 1999 | 6.20 | 10.057 | 42.995 | 0.005 |
| 9 | NGA_no_3160_TCU014-N | 1999 | 6.20 | 14.362 | 61.990 | 0.005 |
| 10 | NGA_no_3291_CHY061-N | 1999 | 6.30 | 27.555 | 50.990 | 0.005 |
| 11 | NGA_no_3454_TCU046-N | 1999 | 6.30 | 25.643 | 47.945 | 0.005 |
| 12 | NGA_no_3485_TCU095-V | 1999 | 6.30 | 16.870 | 66.995 | 0.005 |
| 13 | 000538ZA | 1992 | 5.48 | 18.031 | 33.140 | 0.010 |
| 14 | 001967YA | 1985 | 5.50 | 8.349 | 13.080 | 0.010 |
| 15 | 006968ZA | 1999 | 6.20 | 3.267 | 33.780 | 0.010 |
| 16 | AKT016908222_M | 2017 | - | 95.404 | 95.000 | 0.020 |
| 17 | AKT0130807240026NS | 2008 | 6.80 | 23.963 | 174.000 | 0.010 |
| 18 | AKTH01618222_M | 2019 | - | 44.269 | 204.000 | 0.020 |
| 19 | AKTH02311144_M | 2011 | - | 70.392 | 300.000 | 0.020 |
| 20 | SZO0190908110507EW | 2009 | 6.50 | 96.006 | 138.000 | 0.010 |
| Performance States | Immediate Occupancy (IO) | Life Safe (LS) | Collapse Prevention (CP) |
|---|---|---|---|
| θmax | 1/100 | 1/50 | 1/25 |
| Performance States | DS1 | DS2 | DS3 |
|---|---|---|---|
| θR | 1/500 | 1/200 | 1/100 |
Disclaimer/Publisher’s Note: The statements, opinions and data contained in all publications are solely those of the individual author(s) and contributor(s) and not of MDPI and/or the editor(s). MDPI and/or the editor(s) disclaim responsibility for any injury to people or property resulting from any ideas, methods, instructions or products referred to in the content. |
© 2023 by the authors. Licensee MDPI, Basel, Switzerland. This article is an open access article distributed under the terms and conditions of the Creative Commons Attribution (CC BY) license (https://creativecommons.org/licenses/by/4.0/).
Share and Cite
Liu, W.; Zhang, J.; Liu, H.; Wang, F.; Liu, J.; Han, M. Seismic Fragility Analysis of Existing RC Frame Structures Strengthened with the External Self-Centering Substructure. Buildings 2023, 13, 2117. https://doi.org/10.3390/buildings13082117
Liu W, Zhang J, Liu H, Wang F, Liu J, Han M. Seismic Fragility Analysis of Existing RC Frame Structures Strengthened with the External Self-Centering Substructure. Buildings. 2023; 13(8):2117. https://doi.org/10.3390/buildings13082117
Chicago/Turabian StyleLiu, Weiheng, Jianwei Zhang, Hang Liu, Fei Wang, Juan Liu, and Mingjie Han. 2023. "Seismic Fragility Analysis of Existing RC Frame Structures Strengthened with the External Self-Centering Substructure" Buildings 13, no. 8: 2117. https://doi.org/10.3390/buildings13082117
APA StyleLiu, W., Zhang, J., Liu, H., Wang, F., Liu, J., & Han, M. (2023). Seismic Fragility Analysis of Existing RC Frame Structures Strengthened with the External Self-Centering Substructure. Buildings, 13(8), 2117. https://doi.org/10.3390/buildings13082117

