Experimental Study on Impact Behavior of Concrete Panel with and without Polypropylene Macrofibers
Abstract
1. Introduction
2. Experimental Program
2.1. Test Material Sample Preparation
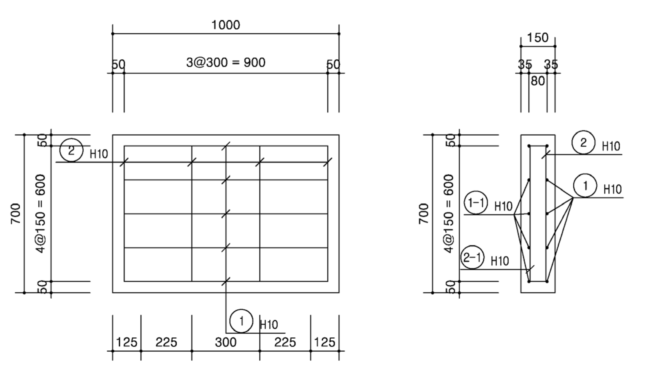
2.2. Concrete-Panel Specimens
2.3. Drop-Weight Test Setup
3. Test Results
3.1. Material Test Results
3.2. Data Filtering of Drop-Weight Test Results
3.3. Drop-Weight Test Results and Discussion
3.3.1. Failure Modes
3.3.2. Impact Behavior
4. Conclusions
- (1)
- The Fast Fourier Transform results showed that both the load cell and accelerometer data contained a significant number of large amplitudes in the low-frequency region of 100 Hz or less, and the CFC60 filter (cutoff frequency of 100 Hz) is suitable for acceleration and load cell data filtering. The maximum discrepancy in the impact force obtained from the load cell and accelerometer was 4.32% for the CFC60 filter.
- (2)
- The drop-weight impact test showed that the main damage was a flexural crack in both the FRC and NC specimens. The crack width of the FRC specimen was comparatively smaller than that of the NC specimen for a similar residual deflection after the impact test. This may be attributed to the bridging effect of the macrofibers.
- (3)
- The average impact force was calculated from the impact force–time curves. Subsequently, the calculated average impact forces of each specimen were compared to the static ultimate load of the specimen. A comparison of results showed that the static ultimate load without the effect of residual strength and ductility exhibited in the flexural and direct tension tests for FRC mixtures agreed with the impact test results. This may be attributed to the hardening effect after the sharp reduction in strength demonstrated in the static test of FRC, which is not effective for the impact test due to its high strain rate compared to that of the static test. However, it should be noted that limited impact tests were conducted in this study, and various specimen scales, boundaries, and loading conditions should be examined in order to quantify the effect of PP macrofibers on the impact behavior. Additionally, a detailed finite element study with the validated model should be used for further parametric analysis.
Author Contributions
Funding
Conflicts of Interest
References
- Ismail, M.K.; Hassan, A.A.A.; Lachemi, M. Performance of Self-Consolidating Engineered Cementitious Composite under Drop-Weight Impact Loading. J. Mater. Civ. Eng. 2019, 31, 04018400. [Google Scholar] [CrossRef]
- Blazy, J.; Blazy, R. Polypropylene Fiber Reinforced Concrete and Its Application in Creating Architectural Forms of Public Spaces. Case Stud. Constr. Mater. 2021, 14, e00549. [Google Scholar] [CrossRef]
- Madjlessi, N.; Cotsovos, D.M.; Moatamedi, M. Drop-Weight Testing of Slender Reinforced Concrete Beams. Struct. Concr. 2021, 22, 2070–2088. [Google Scholar] [CrossRef]
- Yoo, D.Y.; Banthia, N. Impact Resistance of Fiber-Reinforced Concrete—A Review. Cem. Concr. Compos. 2019, 104, 103389. [Google Scholar] [CrossRef]
- ACI Committee 544; American Concrete Institute. Report on Indirect Method to Obtain Stress-Strain Response of Fiber-Reinforced Concrete (FRC); American Concrete Institute: Farmington Hills, MI, USA, 2016; ISBN 9781942727729. [Google Scholar]
- Mindess, S.; Zhang, L. Impact Resistance of Fibre-Reinforced Concrete. Proc. Inst. Civ. Eng. Struct. Build. 2009, 162, 69–76. [Google Scholar] [CrossRef]
- Chorzepa, M.G.; Masud, M.; Yaghoobi, A.; Jiang, H. Impact Test: Multi-Scale Fiber-Reinforced Concrete Including Polypropylene and Steel Fibers. ACI Struct. J. 2017, 114, 1429–1444. [Google Scholar] [CrossRef]
- Zhang, Q.; Baral, K. Development of High Performance Impact Resistant Concrete Mixtures for Crash Barrier Application LTRC (No. FHWA/LA.17); Louisiana Department of Transportation and Development: Baton Rouge, LA, USA, 2018. [Google Scholar]
- Feng, J.; Sun, W.; Zhai, H.; Wang, L.; Dong, H.; Wu, Q. Experimental Study on Hybrid Effect Evaluation of Fiber Reinforced Concrete Subjected to Drop Weight Impacts. Materials 2018, 11, 2563. [Google Scholar] [CrossRef] [PubMed]
- Altalabani, D.; Bzeni, D.K.H.; Linsel, S. Mechanical properties and load deflection relationship of polypropylene fiber reinforced self-compacting lightweight concrete. Constr. Build. Mater. 2020, 252, 119084. [Google Scholar] [CrossRef]
- Karimipour, A.; Ghalehnovi, M.; Brito, J.; Attari, M. The effect of polypropylene fibres on the compressive strength, impact and heat resistance of self-compacting concrete. Structures 2020, 25, 72–87. [Google Scholar] [CrossRef]
- Yoo, D.Y.; Banthia, N. Mechanical Properties of Ultra-high-Performance Fiber-Reinforced Concrete: A Review. Cem. Concr. Compos. 2016, 73, 267–280. [Google Scholar] [CrossRef]
- ACI Committee 544. 544.2R-89 Measurement of Properties of Fiber Reinforced Concrete; American Concrete Institute: Farmington Hills, MI, USA, 1999; Volume 544. [Google Scholar]
- Liu, Y.; Wei, Y. Drop-Weight Impact Resistance of Ultrahigh-Performance Concrete and the Corresponding Statistical Analysis. J. Mater. Civ. Eng. 2022, 34, 04021409. [Google Scholar] [CrossRef]
- Chen, Y.; May, I.M. Reinforced Concrete Members under Drop-Weight Impacts. Proc. Inst. Civ. Eng. Struct. Build. 2009, 162, 45–56. [Google Scholar] [CrossRef]
- Abid, S.R.; Murali, G.; Ahmad, J.; Al-Ghasham, T.S.; Vatin, N.I. Repeated Drop-Weight Impact Testing of Fibrous Concrete: State-of-the-Art Literature Review, Analysis of Results Variation and Test Improvement Suggestions. Materials 2022, 15, 3948. [Google Scholar] [CrossRef] [PubMed]
- Ranade, R.; Li, V.C.; Heard, W.F.; Williams, B.A. Impact Resistance of High Strength-High Ductility Concrete. Cem. Concr. Res. 2017, 98, 24–35. [Google Scholar] [CrossRef]
- Rehacek, S.; Hunka, P.; Kolisko, J.; Kratochvile, L. Two Type of Impact Load Tests, Tested on Fibre Reinforced Concrete Specimens. Procedia Eng. 2013, 65, 278–283. [Google Scholar] [CrossRef]
- Wu, M.; Chen, Z.; Zhang, C. Determining the Impact Behavior of Concrete Beams through Experimental Testing and Meso-Scale Simulation: I. Drop-Weight Tests. Eng. Fract. Mech. 2015, 135, 94–112. [Google Scholar] [CrossRef]
- Abbas, H.; Siddiqui, N.; Almusallam, T.; Abadel, A.; Al-Salloum, Y. Prediction of Ballistic Limit of Strengthened Reinforced Concrete Slabs Using Quasi-Static Punching Test. Buildings 2022, 12, 1815. [Google Scholar] [CrossRef]
- American Society of Testing and Materials C1609. Standard Test Method for Flexural Performance of Fiber-Reinforced Concrete (Using Beam with Third-Point Loading); ASTM International: Conshohocken, PA, USA, 2012. [Google Scholar] [CrossRef]
- Uchida, Y.; Tanaka, Y.; Katagiri, M.; Niwa, J. Outlines of JSCE “Recommendations for Design and Construction of Ultra High Strength Fiber Reinforced Concrete Structures (Draft)”. Concr. J. 2005, 43, 3–8. [Google Scholar] [CrossRef] [PubMed]
- ACI Committee 318. 318-14 Building Code Requirements for Structural. Concrete (ACI 318-14) and Commentary (ACI 318R-14); American Concrete Institute: Farmington Hills, MI, USA, 2017. [Google Scholar]
- SAE J211-1; Instrumentation for Impact Test, Part 1. Electronic Instrumentation. SAE International: Warrendale, PA, USA, 1995.
- ISO 6487; Road Vehicles: Measurement Techniques in Impact Tests: Instrumentation. International Organization for Standardization (ISO): Geneva, Switzerland, 2000.













| Item | NC | FRC |
|---|---|---|
| Type 1 OPC (kg/m3) | 315 | 270 |
| GGBS (kg/m3) | 40 | 180 |
| Fly ash (kg/m3) | 40 | N/A |
| Fine aggregate (kg/m3) | 833 | 831 |
| Coarse aggregate (kg/m3) | 902 | 834 |
| Water (kg/m3) | 167 | 180 |
| Admixture (kg/m3) | 2.77 | 5.4 |
| Fibers by volume (%) | N/A | 1.125% |
| Test Specimen | Mixture | Drop Height (m) | Impact Velocity (m/s) |
|---|---|---|---|
| NC-3 | NC | 0.306 | 2.45 |
| NC-5 | NC | 0.508 | 3.16 |
| NC-10 | NC | 1.000 | 4.43 |
| FRP-3 | FRC | 0.302 | 2.43 |
| FRP-5 | FRC | 0.503 | 3.14 |
| FRP-10 | FRC | 1.002 | 4.43 |
| Test Specimen | Drop Height (m) | Impact Energy (kJ) | Max. Deflection (mm) | Residual Deflection (mm) | Max. Crack Width (mm) |
|---|---|---|---|---|---|
| NC-3 | 0.306 | 2.155 | 10.26 | 5.47 | 4.0 |
| NC-5 | 0.508 | 3.578 | 13.42 | 9.57 | 7.0 |
| NC-10 | 1.000 | 7.044 | 33.17 | 28.00 | 18.0 |
| FRP-3 | 0.302 | 2.127 | 10.37 | 5.10 | 2.0 |
| FRP-5 | 0.503 | 3.543 | 11.37 | 5.09 | 2.0 |
| FRP-10 | 1.002 | 7.058 | 17.20 | 12.56 | 10.0 |
| Test Specimen | Drop Height (m) | Impact Energy (kJ) | Max. Impact Force from CFC60 (kN) | Avg. Impact Force (kN) | Pu (Static, kN) | Avg. Impact Force/Pu |
|---|---|---|---|---|---|---|
| NC-3 | 0.306 | 2.155 | 174.83 | 107.75 | 128.1 | 0.84 |
| NC-5 | 0.508 | 3.578 | 211.43 | 130.67 | 128.1 | 1.02 |
| NC-10 | 1.000 | 7.044 | 201.85 | 126.90 | 128.1 | 0.99 |
| FRC-3 | 0.302 | 2.127 | 197.11 | 114.29 | 143.8 | 0.79 |
| FRC-5 | 0.503 | 3.543 | 214.20 | 125.55 | 143.8 | 0.87 |
| FRC-10 | 1.002 | 7.058 | 237.73 | 152.51 | 143.8 | 1.06 |
Disclaimer/Publisher’s Note: The statements, opinions and data contained in all publications are solely those of the individual author(s) and contributor(s) and not of MDPI and/or the editor(s). MDPI and/or the editor(s) disclaim responsibility for any injury to people or property resulting from any ideas, methods, instructions or products referred to in the content. |
© 2023 by the authors. Licensee MDPI, Basel, Switzerland. This article is an open access article distributed under the terms and conditions of the Creative Commons Attribution (CC BY) license (https://creativecommons.org/licenses/by/4.0/).
Share and Cite
Youm, K.; Moon, J. Experimental Study on Impact Behavior of Concrete Panel with and without Polypropylene Macrofibers. Buildings 2023, 13, 303. https://doi.org/10.3390/buildings13020303
Youm K, Moon J. Experimental Study on Impact Behavior of Concrete Panel with and without Polypropylene Macrofibers. Buildings. 2023; 13(2):303. https://doi.org/10.3390/buildings13020303
Chicago/Turabian StyleYoum, Kwangsoo, and Jiho Moon. 2023. "Experimental Study on Impact Behavior of Concrete Panel with and without Polypropylene Macrofibers" Buildings 13, no. 2: 303. https://doi.org/10.3390/buildings13020303
APA StyleYoum, K., & Moon, J. (2023). Experimental Study on Impact Behavior of Concrete Panel with and without Polypropylene Macrofibers. Buildings, 13(2), 303. https://doi.org/10.3390/buildings13020303

