Increasing Wear Resistance of Low-Carbon Steel by Anodic Plasma Electrolytic Sulfiding
Abstract
:1. Introduction
2. Materials and Methods
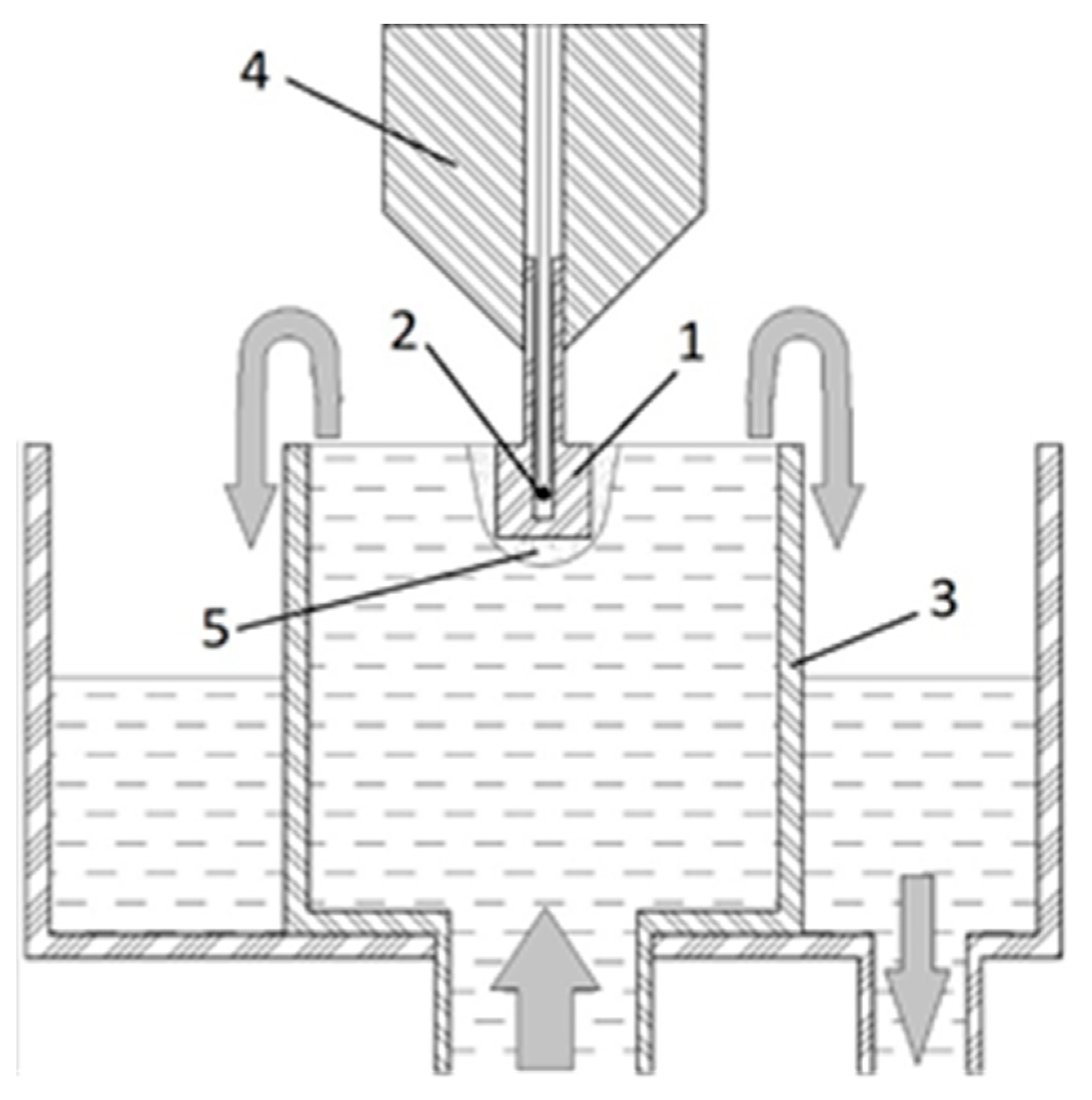
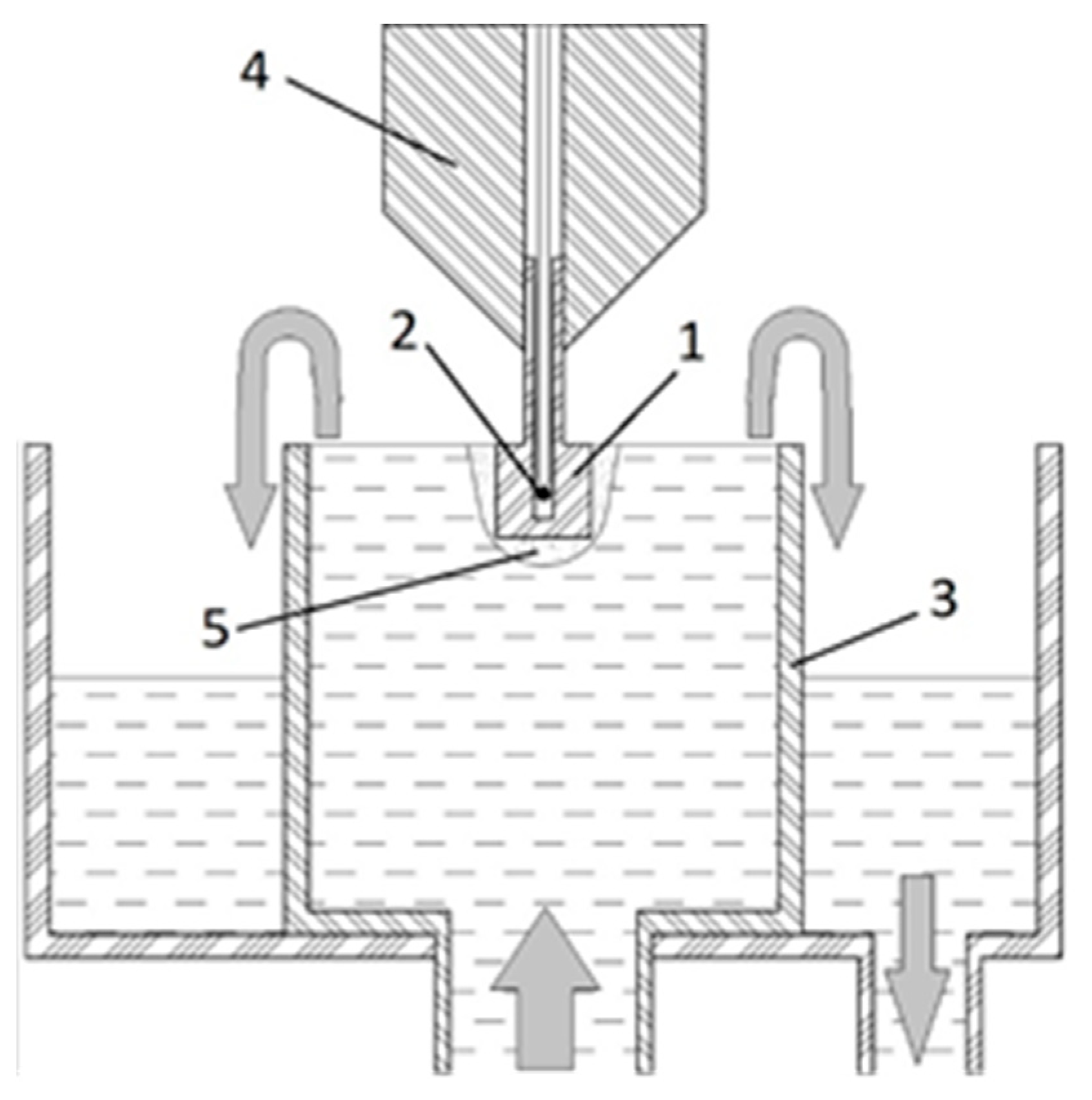
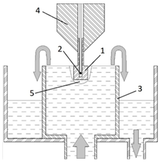
2.1. Sample Processing
2.2. Surface Characterization
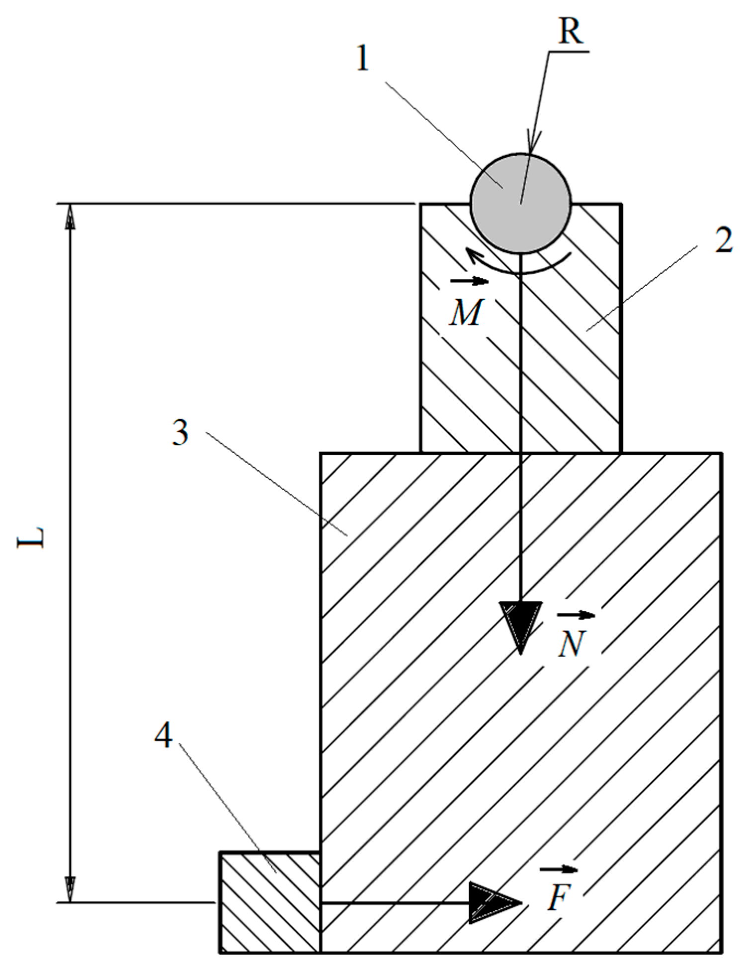
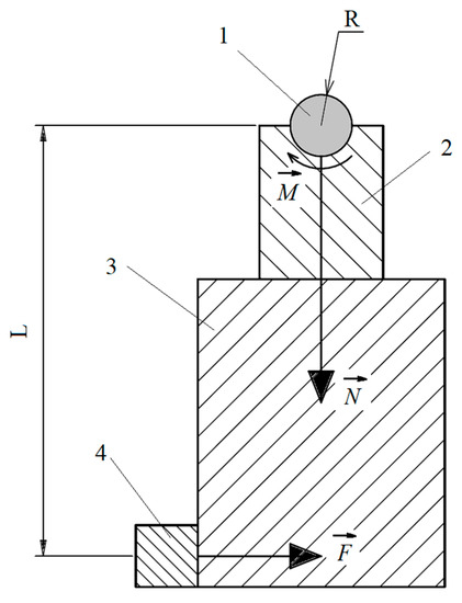
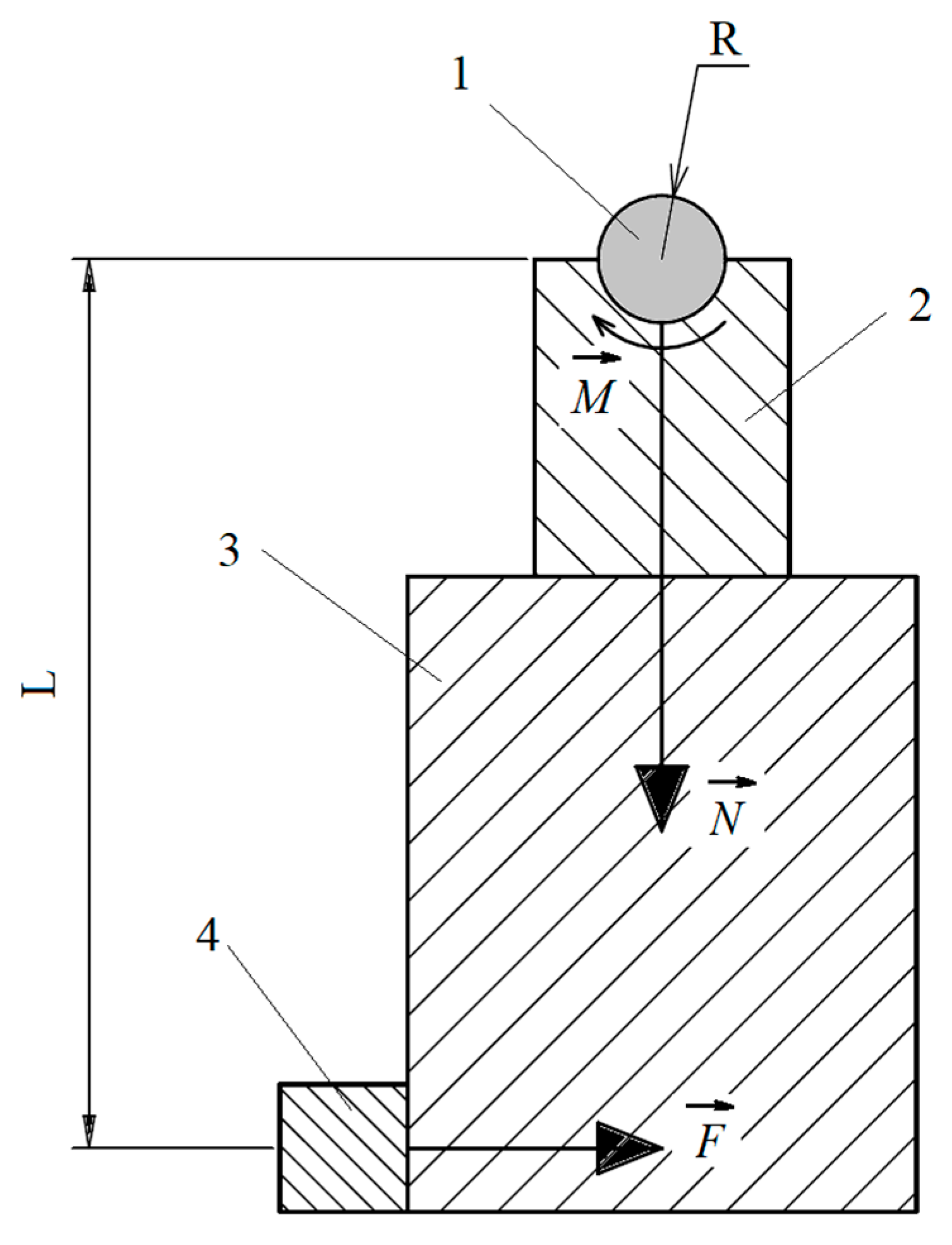
2.3. Calculation of the Wear Mechanism
3. Results
3.1. Temperature–Voltage and Current–Voltage Characteristics of PES
3.2. Structure, Elemental Composition, and Phase Composition of the Surface Layer after PES
3.3. Friction and Wear Characteristics
4. Discussion
5. Conclusions
- The principal possibility of saturating low-carbon steel with sulfur in an electrolyte based on ammonium sulfate and dimethyl sulfoxide with the formation of iron sulfide FeS in the surface layer is shown. The maximum sulfur content in the surface layer is reached at a treatment temperature of 500 °C, when the intensity of competing high-temperature oxidation is low.
- It has been established that the dominant factor in reducing the friction coefficient and weight wear is the thickness of the sulfide zone and the relative amount of FeS in it, and not the microhardness of the diffusion layer. The greatest decrease in the friction coefficient by 5.5 times and weight wear by 64 times occurs after sulfiding at 500 °C for 10 min.
- It was revealed that the mechanism of wear of sulfided samples is fatigue wear during dry friction and plastic contact. Using the example of varying the sliding speed, it is shown that a decrease in the friction coefficient with an increase in the sliding speed is provided by the localization of plastic deformation in a smaller near-surface volume, and a decrease in weight wear is due to an increase in the bearing capacity of the surface roughness.
Author Contributions
Funding
Data Availability Statement
Conflicts of Interest
References
- Grigoriev, S.N.; Vereschaka, A.A.; Fyodorov, S.V.; Sitnikov, N.N.; Batako, A.D. Comparative analysis of cutting properties and nature of wear of carbide cutting tools with multi-layered nano-structured and gradient coatings produced by using of various deposition methods. Int. J. Adv. Manuf. Technol. 2017, 90, 3421–3435. [Google Scholar] [CrossRef]
- Apelfeld, A.; Grigoriev, S.; Krit, B.; Ludin, V.; Suminov, I.; Chudinov, D. Improving the stability of the coating properties for group plasma electrolytic oxidation. Manuf. Lett. 2022, 33, 54–59. [Google Scholar] [CrossRef]
- Metel, A.S.; Grigoriev, S.N.; Melnik, Y.A.; Panin, V.V. Filling the vacuum chamber of a technological system with homogeneous plasma using a stationary glow discharge. Plasma Phys. Rep. 2009, 35, 1058–1067. [Google Scholar] [CrossRef]
- Grigoriev, S.N.; Sinopalnikov, V.A.; Tereshin, M.V.; Gurin, V.D. Control of parameters of the cutting process on the basis of diagnostics of the machine tool and workpiece. Meas. Tech. 2012, 55, 555–558. [Google Scholar] [CrossRef]
- Volosova, M.; Grigoriev, S.; Metel, A.; Shein, A. The Role of Thin-Film Vacuum-Plasma Coatings and Their Influence on the Efficiency of Ceramic Cutting Inserts. Coatings 2008, 8, 287. [Google Scholar] [CrossRef]
- Grigoriev, S.N.; Volosova, M.A.; Okunkova, A.A.; Fedorov, S.V.; Hamdy, K.; Podrabinnik, P.A.; Pivkin, P.M.; Kozochkin, M.P.; Porvatov, A.N. Electrical Discharge Machining of Oxide Nanocomposite: Nanomodification of Surface and Subsurface Layers. J. Manuf. Mater. Process. 2020, 4, 96. [Google Scholar] [CrossRef]
- Grigoriev, S.N.; Kondratsky, I.O.; Krit, B.L.; Ludin, V.B.; Medvetskova, V.M.; Morozova, N.V.; Suminov, I.V.; Apelfeld, A.V.; Wu, R.Z. Protective and Thermophysical Characteristics of Plasma-Electrolytic Coatings on the Ultralight Magnesium Alloy. J. Eng. Mater. Technol. 2022, 144, 021006. [Google Scholar] [CrossRef]
- Yerokhin, A.L.; Leyland, A.; Tsotsos, C.; Wilson, A.D.; Nie, X.; Matthews, A. Duplex surface treatments combining plasma electrolytic nitrocarburising and plasma-immersion ion-assisted deposition. Surf. Coat. Technol. 2001, 142–144, 1129–1136. [Google Scholar] [CrossRef]
- Tsotsos, C.; Yerokhin, A.L.; Wilson, A.D.; Leyland, A.; Matthews, A. Tribological evaluation of AISI 304 stainless steel duplex treated by plasma electrolytic nitrocarburising and diamond-like carbon coating. Wear 2002, 253, 986–993. [Google Scholar] [CrossRef]
- Wu, J.; Deng, J.; Dong, L.; Hou, D. Direct growth of oxide layer on carbon steel by cathodic plasma electrolysis. Surf. Coat. Technol. 2018, 338, 63–68. [Google Scholar] [CrossRef]
- Nie, X.; Wang, L.; Yao, Z.C.; Zhang, L.; Cheng, F. Sliding wear behaviour of electrolytic plasma nitrided cast iron and steel. Surf. Coat. Technol. 2005, 200, 1745–1750. [Google Scholar] [CrossRef]
- Skakov, M.; Yerygina, L.; Scheffler, M. Impact of Electrolytic-Plasma Nitriding on 34CrNi1Mo Steel Surface Layer Properties. Appl. Mech. Mater. 2015, 698, 439–443. [Google Scholar] [CrossRef]
- Ioshinori, T. Electrolytic Thermocemical treatment. Mech. Technol. 1977, 25, 118–119. [Google Scholar]
- Hua, X.-Z.; Zhou, L.; Cui, X.; Zou, A.-H.; Xu, W.-B.; Zhou, X.-L. The Effect Of Ammonia Water On The Microstructure And Performance Of Plasma Electrolytic Saturation Nitriding Layer Of 38CrMoAl Steel. Phys. Proc. 2013, 50, 304–314. [Google Scholar] [CrossRef]
- Belkin, P.N.; Pasinkovsky, E.A.; Tkachenko, Y.G.; Faktorovich, A.A.; Yulyugin, V.K. Effect of plasma electrolytic nitriding on the friction characteristics of 40Ch steel. Surf. Eng. Appl. Electrochem. 1981, 4, 43–45. [Google Scholar]
- Kusmanov, S.A.; Smirnov, A.A.; Silkin, S.A.; Belkin, P.N. Increasing wear and corrosion resistance of low-alloy steel by anode plasma electrolytic nitriding. Surf. Coat. Technol. 2016, 307, 1350–1356. [Google Scholar] [CrossRef]
- Kusmanov, S.A.; Dyakov, I.G.; Kusmanova, Y.V.; Belkin, P.N. Surface Modification of Low-Carbon Steels by Plasma Electrolytic Nitrocarburising. Plasma Chem. Plasma Proc. 2016, 36, 1271–1286. [Google Scholar] [CrossRef]
- Taheri, P.; Dehghanian, C.; Aliofkhazraei, M.; Rouhaghdam, A.S. Evaluation of Nanocrystalline Microstructure, Abrasion, and Corrosion Properties of Carbon Steel Treated by Plasma Electrolytic Boriding. Plasma Process. Polym. 2007, 4, S711–S716. [Google Scholar] [CrossRef]
- Kuzenkov, S.E.; Saushkin, B.P. Borating of steel 45 in electrolytic plasma. Surf. Eng. Appl. Electrochem. 1996, 6, 10–15. [Google Scholar]
- Kusmanov, S.A.; Tambovskiy, I.V.; Sevostyanova, V.S.; Savushkina, S.V.; Belkin, P.N. Anode plasma electrolytic boriding of medium carbon steel. Surf. Coat. Technol. 2016, 291, 334–341. [Google Scholar] [CrossRef]
- Tavakoli, H.; Sobhani, M. Morphological and Electrochemical Study of Sulfide/Nitride Nanostructure Deposited Through Pulsed Plasma Electrolysis. J. Mater. Eng. Perform. 2017, 26, 1657–1663. [Google Scholar] [CrossRef]
- ASTM C1624-05; Standard Test Method for Adhesion Strength and Mechanical Failure Modes. ASTM International: West Conshohocken, PA, USA, 2010.
- Matlin, M.M.; Kazankina, E.M.; Kazankin, V.A. Calculation of the actual contact area between a single microasperity and the smooth surface of a part when the hardnesses of their materials are similar. J. Frict. Wear 2011, 32, 140. [Google Scholar] [CrossRef]
- Kragelsky, I.V.; Dobychin, M.N.; Kombalov, V.S. Friction and Wear Calculation Methods; Pergamon Press Ltd.: Oxford, UK, 1982; Available online: https://books.google.ru/books?id=QLcgBQAAQBAJ&hl=ru (accessed on 22 October 2013).
- Demkin, N.B.; Izmailov, V.V. Surface topography and properties frictional contacts. Trib. Int. 1991, 24, 21–24. [Google Scholar] [CrossRef]
- Graenwood, I.A. Between Rough Surfaces and Flats; Series E, N 1; ASME: Washington, DC, USA, 1967. [Google Scholar]
- Mukhacheva, T.L.; Belkin, P.N.; Dyakov, I.G.; Kusmanov, S.A. Wear mechanism of medium carbon steel after its plasma electrolytic nitrocarburising. Wear 2020, 462–463, 203516. [Google Scholar] [CrossRef]
- Belkin, P.N.; Yerokhin, A.L.; Kusmanov, S.A. Plasma Electrolytic Saturation of Steels with Nitrogen and Carbon. Surf. Coat. Technol. 2016, 307, 1194–1218. [Google Scholar] [CrossRef]
- Kusmanov, S.A.; Kusmanova, Y.V.; Naumov, A.R.; Belkin, P.N. Formation of diffusion layers by anode plasma electrolytic nitrocarburising of low carbon steel. J. Mater. Eng. Perform. 2015, 24, 3187–3193. [Google Scholar] [CrossRef]
























| T (°C) | 500 | 550 | 600 | 650 | 700 | 750 | 800 | 850 | 900 |
| 5 min treatment | |||||||||
| h/r | 0.048 | 0.046 | 0.051 | 0.050 | 0.052 | 0.066 | 0.072 | 0.074 | 0.089 |
| 10 min treatment | |||||||||
| h/r | 0.042 | 0.050 | 0.048 | 0.052 | 0.058 | 0.062 | 0.071 | 0.068 | 0.079 |
Publisher’s Note: MDPI stays neutral with regard to jurisdictional claims in published maps and institutional affiliations. |
© 2022 by the authors. Licensee MDPI, Basel, Switzerland. This article is an open access article distributed under the terms and conditions of the Creative Commons Attribution (CC BY) license (https://creativecommons.org/licenses/by/4.0/).
Share and Cite
Mukhacheva, T.; Kusmanov, S.; Suminov, I.; Podrabinnik, P.; Khmyrov, R.; Grigoriev, S. Increasing Wear Resistance of Low-Carbon Steel by Anodic Plasma Electrolytic Sulfiding. Metals 2022, 12, 1641. https://doi.org/10.3390/met12101641
Mukhacheva T, Kusmanov S, Suminov I, Podrabinnik P, Khmyrov R, Grigoriev S. Increasing Wear Resistance of Low-Carbon Steel by Anodic Plasma Electrolytic Sulfiding. Metals. 2022; 12(10):1641. https://doi.org/10.3390/met12101641
Chicago/Turabian StyleMukhacheva, Tatiana, Sergei Kusmanov, Igor Suminov, Pavel Podrabinnik, Roman Khmyrov, and Sergey Grigoriev. 2022. "Increasing Wear Resistance of Low-Carbon Steel by Anodic Plasma Electrolytic Sulfiding" Metals 12, no. 10: 1641. https://doi.org/10.3390/met12101641
APA StyleMukhacheva, T., Kusmanov, S., Suminov, I., Podrabinnik, P., Khmyrov, R., & Grigoriev, S. (2022). Increasing Wear Resistance of Low-Carbon Steel by Anodic Plasma Electrolytic Sulfiding. Metals, 12(10), 1641. https://doi.org/10.3390/met12101641

