Tribological Performance of CoCrMo Alloys with Boron Additions in As-Cast and Heat-Treated Conditions
Abstract
1. Introduction
2. Materials and Methods
2.1. Materials
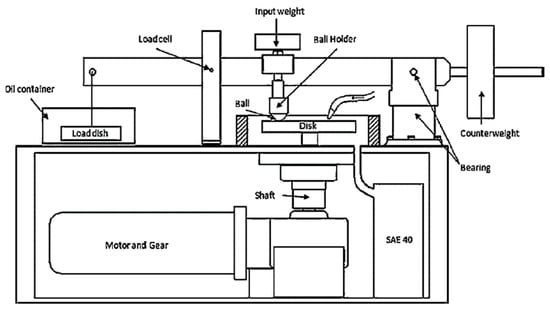
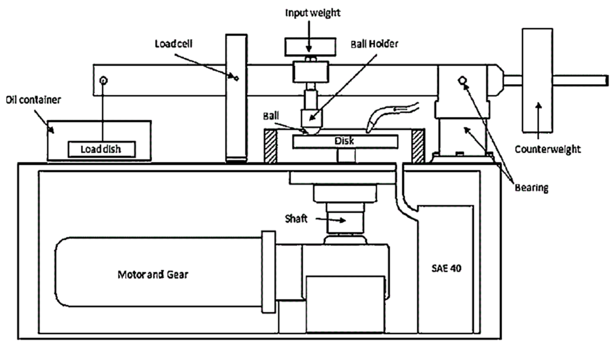
2.2. Tribological Tests
3. Results and Discussion
3.1. Microstructure
3.2. Hardness and Roughness
3.3. Tribological
3.4. Surface Analysis
4. Conclusions
- Wear resistance was significantly improved by the presence of boron. The more boron content, the less was the wear loss. It was attributed to the precipitation of the harder secondary phases and the even distribution of these phases.
- The wear resistance was not influenced by the roughness or friction coefficient, but by microstructure, the number of secondary phases and their hardness.
- The main wear mechanism observed was abrasion caused by the harder secondary phases.
- Surface delamination due to fatigue was observed after longer sliding distances. It noticeably diminished in 0.5 and 1%B as-cast alloy.
- Heat treatment at 1200 °C improved the wear resistance of alloy without boron. The alloys with some content of this element had a similar volumetric wear loss in the as-cast and heat-treated condition. However, heat treatment increased surface delamination.
Author Contributions
Funding
Conflicts of Interest
References
- Chen, Q.; Thouas, G.A. Metallic implant biomaterials. Mater. Sci. Eng. R Rep. 2015, 87, 1–57. [Google Scholar] [CrossRef]
- Hussein, M.; Mohammed, A.; Al-Aqeeli, N.; Hussein, M.A.; Mohammed, A.S.; Al-Aqeeli, N. Wear Characteristics of Metallic Biomaterials: A Review. Materials 2015, 8, 2749–2768. [Google Scholar] [CrossRef]
- Prasad, K.; Bazaka, O.; Chua, M.; Rochford, M.; Fedrick, L.; Spoor, J.; Symes, R.; Tieppo, M.; Collins, C.; Cao, A.; et al. Metallic Biomaterials: Current Challenges and Opportunities. Materials 2017, 10, 884. [Google Scholar] [CrossRef] [PubMed]
- Hanawa, T. Metal ion release from metal implants. Mater. Sci. Eng. C 2004, 24, 745–752. [Google Scholar] [CrossRef]
- Yan, Y.; Neville, A.; Dowson, D.; Williams, S. Tribocorrosion in implants—assessing high carbon and low carbon Co–Cr–Mo alloys by in situ electrochemical measurements. Tribol. Int. 2006, 39, 1509–1517. [Google Scholar] [CrossRef]
- Toh, W.Q.; Tan, X.; Bhowmik, A.; Liu, E.; Tor, S.B. Tribochemical Characterization and Tribocorrosive Behavior of CoCrMo Alloys: A Review. Materials 2018, 11, 30. [Google Scholar] [CrossRef]
- Manam, N.S.; Harun, W.S.W.; Shri, D.N.A.; Ghani, S.A.C.; Kurniawan, T.; Ismail, M.H.; Ibrahim, M.H.I. Study of corrosion in biocompatible metals for implants: A review. J. Alloys Compd. 2017, 701, 698–715. [Google Scholar] [CrossRef]
- Long, P.H. Medical devices in orthopedic applications. Toxicol. Pathol. 2008, 36, 85–91. [Google Scholar] [CrossRef]
- Lord, J.K.; Langton, D.J.; Nargol, A.V.F.; Joyce, T.J. Volumetric wear assessment of failed metal-on-metal hip resurfacing prostheses. Wear 2011, 272, 79–87. [Google Scholar] [CrossRef]
- Clemow, A.J.T.; Daniell, B.L. Solution treatment behavior of Co-Cr-Mo alloy. J. Biomed. Mater. Res. 1979, 13, 265–279. [Google Scholar] [CrossRef]
- Antunes Altobelli, R.; de Oliveira Lopes, M.C. Corrosion fatigue of biomedical metallic alloys: Mechanisms and mitigation. Acta Biomater. 2012, 8, 937–962. [Google Scholar] [CrossRef]
- Herrera, M.; Espinoza, A.; Méndez, J.; Castro, M.; López, J.; Rendón, J. Effect of C content on the mechanical properties of solution treated as-cast ASTM F-75 alloys. J. Mater. Sci. Mater. Med. 2005, 16, 607–611. [Google Scholar] [CrossRef]
- Taylor, R.N.J.; Waterhouse, R.B. A study of the ageing behaviour of a cobalt based implant alloy. J. Mater. Sci. 1983, 18, 3265–3280. [Google Scholar] [CrossRef]
- Caudillo, M.; Herrera-Trejo, M.; Castro, M.R.; Ramírez, E.; González, C.R.; Juárez, J.I. On carbide dissolution in an as-cast ASTM F-75 alloy. J. Biomed. Mater. Res. 2002, 59, 378–385. [Google Scholar] [CrossRef] [PubMed]
- Ramírez, L.E.; Castro, M.; Méndez, M.; Lacaze, J.; Herrera, M.; Lesoult, G. Precipitation path of secondary phases during solidification of the Co-25.5%Cr-5.5%Mo-0.26%C alloy. Scr. Mater. 2002, 47, 811–816. [Google Scholar] [CrossRef]
- Tipper, J.L.; Firkins, P.J.; Ingham, E.; Fisher, J.; Stone, M.H.; Farrar, R. Quantitative analysis of the wear and wear debris from low and high carbon content cobalt chrome alloys used in metal on metal total hip replacements. J. Mater. Sci. Mater. Med. 1999, 10, 353–362. [Google Scholar] [CrossRef] [PubMed]
- Scholes, S.C.; Unsworth, A. Citation for published item: Permission of Kluwer Law International. Additional information: Use policy Pin-on-plate studies on the effect of rotation on the wear of metal-on-metal samples. J. Mater. Sci. Mater. Med. 2001, 12, 299–303. [Google Scholar] [CrossRef]
- St. John, K.R.; Zardiackas, L.D.; Poggie, R.A. Wear evaluation of cobalt-chromium alloy for use in a metal-on-metal hip prosthesis. J. Biomed. Mater. Res. 2004, 68B, 1–14. [Google Scholar] [CrossRef]
- Bedolla-Gil, Y.; Hernandez-Rodriguez, M.A.L. Tribological Behavior of a Heat-Treated Cobalt-Based Alloy. J. Mater. Eng. Perform. 2012, 22, 541–547. [Google Scholar] [CrossRef]
- Wang, Z.; Yan, Y.; Xing, L.; Su, Y.; Qiao, L. The role of hard phase carbides in tribocorrosion processes for a Co-based biomedical alloy. Tribol. Int. 2017, 113, 370–376. [Google Scholar] [CrossRef]
- Bermingham, M.; Bermingham, M.J.; Mcdonald, S.D.; Stjohn, D.H.; Dargusch, M.S. The effect of boron on the refinement of microstructure in cast cobalt alloys. J. Mater. Res. 2011, 26, 951–956. [Google Scholar] [CrossRef]
- Opiekun, Z. Kinetics of secondary carbide precipitation in boron-modified cobalt alloys of MAR-M509 type. J. Mater. Sci. 1991, 26, 3386–3391. [Google Scholar] [CrossRef]
- Bocchini, P.J.; Sudbrack, C.K.; Noebe, R.D.; Dunand, D.C.; Seidman, D.N. Microstructural and creep properties of boron- and zirconium-containing cobalt-based superalloys. Mater. Sci. Eng. A 2017, 682, 260–269. [Google Scholar] [CrossRef]
- Kolb, M.; Freund, L.P.; Fischer, F.; Povstugar, I.; Makineni, S.K.; Gault, B.; Raabe, D.; Müller, J.; Spiecker, E.; Neumeier, S.; et al. On the grain boundary strengthening effect of boron in γ/γ′ Cobalt-base superalloys. Acta Mater. 2018, 145, 247–254. [Google Scholar] [CrossRef]
- Zhuang, L.Z.; Langer, E.W. Effects of alloy additions on the microstructures and tensile properties of cast Co-Cr-Mo alloy used for surgical implants. J. Mater. Sci. 1989, 24, 4324–4330. [Google Scholar] [CrossRef]
- Zhuang, L.Z.; Langer, E.W. Effects of alloy additions on the fatigue properties of cast Co-Cr-Mo alloy used for surgical implants. J. Mater. Sci. 1990, 25, 683–689. [Google Scholar] [CrossRef]
- Rodríguez-Castro, G.A.; Reséndiz-Calderon, C.D.; Jiménez-Tinoco, L.F.; Meneses-Amador, A.; Gallardo-Hernández, E.A.; Campos-Silva, I.E. Micro-abrasive wear resistance of CoB/Co2B coatings formed in CoCrMo alloy. Surf. Coat. Technol. 2015, 284, 258–263. [Google Scholar] [CrossRef]
- Mu, D.; Shen, B.; Zhao, X. Effects of boronizing on mechanical and dry-sliding wear properties of CoCrMo alloy. Mater. Des. 2010, 31, 3933–3936. [Google Scholar] [CrossRef]
- Rosas-Becerra, G.; Mejía-Caballero, I.; Martínez-Trinidad, J.; Palomar-Pardavé, M.; Romero-Romo, M.; Pérez-Pasten-Borja, R.; Campos-Silva, I. Electrochemical Corrosion Behavior of Borided CoCrMo Alloy Immersed in Hanks’ Solution. J. Mater. Eng. Perform. 2017, 26, 704–714. [Google Scholar] [CrossRef]
- Alvarez-Vera, M.; Juarez-Hernandez, A.; Gonzalez-Rivera, C.E.; Mercado-Solis, R.D.; Hernandez-Rodriguez, M.A.L. Biotribological response of CoCr alloy with added boron under ball-on-disc tests. Wear 2013, 301, 243–249. [Google Scholar] [CrossRef]
- Hernandez-Rodriguez, M.; Laverde-Cataño, D.; Lozano, D.; Martinez-Cazares, G.; Bedolla-Gil, Y.; Hernandez-Rodriguez, M.A.L.; Laverde-Cataño, D.A.; Lozano, D.; Martinez-Cazares, G.; Bedolla-Gil, Y. Influence of Boron Addition on the Microstructure and the Corrosion Resistance of CoCrMo Alloy. Metals 2019, 9, 307. [Google Scholar] [CrossRef]
- Hernandez-Rodriguez, M.A.L.; Mercado-Solis, R.D.; Presbítero, G.; Lozano, D.E.; Martinez-Cazares, G.M.; Bedolla-Gil, Y.; Hernandez-Rodriguez, M.A.L.; Mercado-Solis, R.D.; Presbítero, G.; Lozano, D.E.; et al. Influence of Boron Additions and Heat Treatments on the Fatigue Resistance of CoCrMo Alloys. Materials 2019, 12, 1076. [Google Scholar] [CrossRef]
- Sage, M.; Guillaud, C. Méthode d’analyse quantitative des variétés allotropiques du cobalt par les rayons X. Rev. Métallurgie 1950, 47, 139–145. [Google Scholar] [CrossRef]
- Saldívar-García, A.J.; López, H.F. Microstructural effects on the wear resistance of wrought and as-cast Co-Cr-Mo-C implant alloys. J. Biomed. Mater. Res. Part A 2005, 74A, 269–274. [Google Scholar] [CrossRef] [PubMed]
- Hassani, F.Z.; Ketabchi, M.; Bruschi, S.; Ghiotti, A. Effects of carbide precipitation on the microstructural and tribological properties of Co–Cr–Mo–C medical implants after thermal treatment. J. Mater. Sci. 2016, 51, 4495–4508. [Google Scholar] [CrossRef]
- Chiba, A.; Kumagai, K.; Nomura, N.; Miyakawa, S. Pin-on-disk wear behavior in a like-on-like configuration in a biological environment of high carbon cast and low carbon forged Co-29Cr-6Mo alloys. Acta Mater. 2007, 55, 1309–1318. [Google Scholar] [CrossRef]
- Chen, Y.; Li, Y.; Kurosu, S.; Yamanaka, K.; Tang, N.; Koizumi, Y.; Chiba, A. Effects of sigma phase and carbide on the wear behavior of CoCrMo alloys in Hanks’ solution. Wear 2014, 310, 51–62. [Google Scholar] [CrossRef]









| Cr | Mo | C | Si | Fe | B | Co |
|---|---|---|---|---|---|---|
| 27–30 | 8–11 | 0.08–0.26 | 0.17–0.74 | 0.3–0.8 | 0–1 | balance |
| %B | 0 | 0.06 | 0.25 | 0.5 | 1 |
|---|---|---|---|---|---|
| As-cast | 0B-AC | 0.06B-AC | 0.25B-AC | 0.5B-AC | 1B-AC |
| Heat-treated | 0B-HT | 0.06B-HT | 0.25B-HT | 0.5B-HT | 1B-HT |
| B | 0 | 0.06 | 0.25 | 0.5 | 1 |
|---|---|---|---|---|---|
| As-cast | 55 | 53 | 53 | 46 | 40 |
| Heat-treated | 49 | 47 | 57 | 53 | 52 |
| Alloy | HRC | HV (Matrix) | HV (Precipitates) | Ra (µm) | ||||
|---|---|---|---|---|---|---|---|---|
| AC | HT | AC | HT | AC | HT | AC | HT | |
| 0B | 32 | 28 | 352 | 317 | 408 | 444 | 0.026 | 0.024 |
| 0.06B | 33 | 34 | 342 | 363 | 448 | 477 | 0.022 | 0.023 |
| 0.25B | 34 | 36 | 401 | 338 | 525 | 516 | 0.030 | 0.026 |
| 0.5B | 37 | 39 | 438 | 352 | 556 | 598 | 0.031 | 0.024 |
| 1B | 39 | 45 | 511 | 416 | 610 | 643 | 0.044 | 0.030 |
Publisher’s Note: MDPI stays neutral with regard to jurisdictional claims in published maps and institutional affiliations. |
© 2021 by the authors. Licensee MDPI, Basel, Switzerland. This article is an open access article distributed under the terms and conditions of the Creative Commons Attribution (CC BY) license (http://creativecommons.org/licenses/by/4.0/).
Share and Cite
Hernandez-Rodriguez, M.A.L.; Lozano, D.E.; Martinez-Cazares, G.M.; Bedolla-Gil, Y. Tribological Performance of CoCrMo Alloys with Boron Additions in As-Cast and Heat-Treated Conditions. Metals 2021, 11, 355. https://doi.org/10.3390/met11020355
Hernandez-Rodriguez MAL, Lozano DE, Martinez-Cazares GM, Bedolla-Gil Y. Tribological Performance of CoCrMo Alloys with Boron Additions in As-Cast and Heat-Treated Conditions. Metals. 2021; 11(2):355. https://doi.org/10.3390/met11020355
Chicago/Turabian StyleHernandez-Rodriguez, Marco A. L., Diego E. Lozano, Gabriela M. Martinez-Cazares, and Yaneth Bedolla-Gil. 2021. "Tribological Performance of CoCrMo Alloys with Boron Additions in As-Cast and Heat-Treated Conditions" Metals 11, no. 2: 355. https://doi.org/10.3390/met11020355
APA StyleHernandez-Rodriguez, M. A. L., Lozano, D. E., Martinez-Cazares, G. M., & Bedolla-Gil, Y. (2021). Tribological Performance of CoCrMo Alloys with Boron Additions in As-Cast and Heat-Treated Conditions. Metals, 11(2), 355. https://doi.org/10.3390/met11020355

