Effect of Hydrogen on the Deformation Behavior and Localization of Plastic Deformation of the Ultrafine-Grained Zr–1Nb Alloy
Abstract
1. Introduction
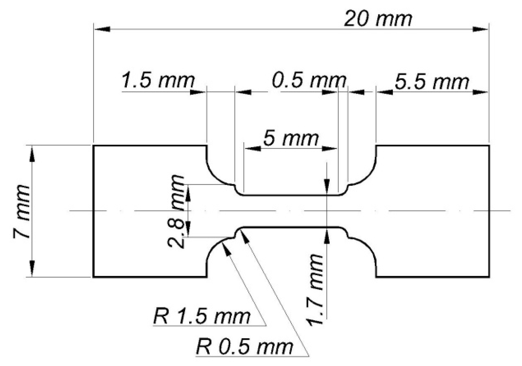
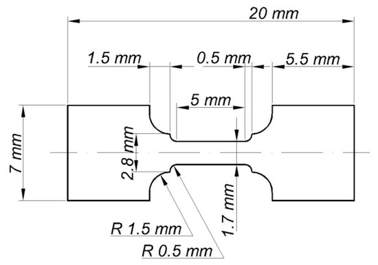
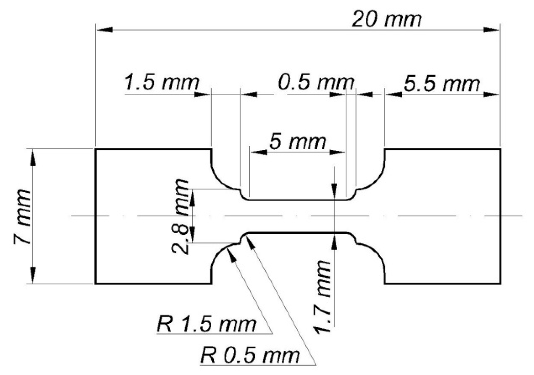
2. Materials and Methods
3. Results
4. Discussion
5. Conclusions
Author Contributions
Funding
Acknowledgments
Conflicts of Interest
References
- Keys, L.H.; Johanson, G.; Malin, A.S. The physical metallurgy of high strength zirconium alloys. J. Nucl. Mater. 1976, 59, 137–148. [Google Scholar] [CrossRef]
- Motta, A.T.; Yilmazbayhan, A.; Da Silva, M.J.G.; Comstock, R.J.; Was, G.S.; Busby, J.T.; Gartner, E.; Peng, Q.; Jeong, Y.H.; Park, J.Y. Zirconium alloys for supercritical water reactor applications: Challenges and possibilities. J. Nucl. Mater. 2007, 371, 61–75. [Google Scholar] [CrossRef]
- Zinkle, S.J.; Was, G.S. Materials challenges in nuclear energy. Acta Mater. 2013, 61, 735–758. [Google Scholar] [CrossRef]
- Ryabchikov, A.I.; Kashkarov, E.B.; Shevelev, A.E.; Obrosov, A.; Sivin, D.O. Surface modification of Al by high-intensity low-energy Ti-ion implantation: Microstructure, mechanical and tribological properties. Surf. Coat. Technol. 2019, 372, 1–8. [Google Scholar] [CrossRef]
- Pushilina, N.S.; Lider, A.M.; Kudiyarov, V.N.; Chernov, I.P.; Ivanova, S.V. Hydrogen effect on zirconium alloy surface treated by pulsed electron beam. J. Nucl. Mater. 2015, 456, 311–315. [Google Scholar] [CrossRef]
- Hao, S.; Dong, C.; Li, M.; Zhang, X.; Wu, P. Surface modification of metallic materials by high current pulsed electron beam. Int. J. Mod. Phys. B 2009, 23, 1713–1718. [Google Scholar] [CrossRef]
- Koch, C.C.; Langdon, T.G.; Lavernia, E.J. Bulk Nanostructured Materials. Metall. Mat. Trans. A 2017, 48, 5181–5199. [Google Scholar] [CrossRef]
- Valiev, R.Z.; Alexandrov, I.V. Nanostructured Materials Produced by Severe Plastic Deformation; Logos: Moscow, Russia, 2000. [Google Scholar]
- Rudskoy, A.I.; Bogatov, A.A.; Nukhov, D.S.; Tolkushkin, A.O. New Method of Severe Plastic Deformation of Metals. Met. Sci. Heat Treat. 2018, 60, 3–6. [Google Scholar] [CrossRef]
- Zhilyaev, A.P.; Langdon, T.G. Using high-pressure torsion for metal processing: Fundamentals and applications. Prog. Mater. Sci. 2008, 53, 893–979. [Google Scholar] [CrossRef]
- Valiev, R.Z.; Zhilyaev, A.P.; Langdon, T.G. Bulk Nanostructured Materials: Fundamentals and Applications; John Wiley & Sons, Inc.: Hoboken, NJ, USA, 2014. [Google Scholar] [CrossRef]
- Valiev, R.Z.; Estrin, Y.; Horita, Z.; Langdon, T.G.; Zehetbauer, M.J.; Zhu, Y.T. Fundamentals of superior properties in bulk NanoSPD materials. Mater. Res. Lett. 2016, 4, 1–21. [Google Scholar]
- Nikulin, S.A.; Rozhnov, A.B.; Rogachev, S.O.; Turchenko, V.A. Investigation of structure, phase composition, and mechanical properties of Zr–2.5% Nb alloy after ECAP. Mater. Res. 2016, 169, 223–226. [Google Scholar] [CrossRef]
- Yang, Z.N.; Xiao, Y.Y.; Zhang, F.C.; Yan, Z.G. Effect of cold rolling on microstructure and mechanical properties of pure Zr. Mater. Sci. Eng. A 2012, 556, 728–733. [Google Scholar] [CrossRef]
- Valiev, R.Z.; Estrin, Y.; Horita, Z.; Langdon, T.G.; Zehetbauer, M.J.; Zhu, Y.T. Producing bulk ultrafine-grained materials by severe plastic deformation: Ten years later. JOM 2016, 68, 1216–1226. [Google Scholar] [CrossRef]
- Yuan, C.; Fu, R.; Zhang, F.; Zhang, X.; Liu, F. Microstructure evolution and mechanical properties of nanocrystalline zirconium processed by surface circulation rolling treatment. Mater. Sci. Eng. A. 2013, 565, 27–32. [Google Scholar] [CrossRef]
- Kassner, M.E.; Perez-Prado, M.T.; Hayes, T.A.; Jiang, L.; Barrabes, S.R.; Lee, I.F. Elevated temperature deformation of Zr to large strains. J. Mater. Sci. 2013, 48, 4492–4500. [Google Scholar] [CrossRef]
- Jiang, L.; Perez-Prado, M.T.; Gruber, P.A.; Arzt, E.; Ruano, O.A.; Kassner, M.E. Texture, microstructure and mechanical properties of equiaxed ultrafine-grained Zr fabricated by accumulative roll bonding. Acta Mater. 2008, 56, 1228–1242. [Google Scholar] [CrossRef]
- Soyama, J.; Floriano, R.; Leiva, D.R.; Guo, Y.; Junior, A.M.J.; Da Silva, E.P.; Pinto, H.C.; Bolfarini, C.; Kiminami, C.S.; Botta, W.J. Severely deformed ZK60 + 2.5% Mm alloy for hydrogen storage produced by two different processing routes. Int. J. Hydrogen Energy 2016, 41, 11284–11292. [Google Scholar] [CrossRef]
- Geld, P.V.; Ryabov, P.A.; Kodes, E.S. Hydrogen and Imperfections of Metal Structure; Metallurgiya: Moscow, Russia, 1979. (In Russian) [Google Scholar]
- Leiva, D.R.; Jorge, A.M.; Ishikawa, T.T.; Huot, J.; Fruchart, D.; Miraglia, S.; Kiminami, C.S.; Botta, W.J. Nanoscale grain refinement and H-sorption properties of MgH2 processed by high-pressure torsion and other mechanical routes. Adv. Eng. Mater. 2010, 12, 786–792. [Google Scholar] [CrossRef]
- Jorge, A.M.; Prokofiev, E.; De Lima, G.F.; Rauch, E.; Veron, M.; Botta, W.J.; Kawasaki, M.; Langdon, T.G. An investigation of hydrogen storage in a magnesium-based alloy processed by equal-channel angular pressing. Int. J. Hydrogen Energy 2013, 38, 8306–8312. [Google Scholar] [CrossRef]
- Zielinski, A.S.; Sobieszczyk, S. Hydrogen-enhanced degradation and oxide effects in zirconium alloys for nuclear applications. Int. J. Hydrogen Energy 2011, 36, 8619–8629. [Google Scholar] [CrossRef]
- Suman, S.; Khan, M.K.; Pathak, M.; Singh, R.N.; Chakravartty, J.K. Hydrogen in Zircaloy: Mechanism and its impacts. Int. J. Hydrogen Energy 2015, 40, 5976–5994. [Google Scholar] [CrossRef]
- Zhao, C.; Song, X.; Yang, Y.; Zhang, B. Hydrogen absorption cracking of zirconium alloy in the application of nuclear industry. Int. J. Hydrogen Energy 2013, 38, 10903–10911. [Google Scholar] [CrossRef]
- Sawatzky, A.; Ells, C.E. Understanding Hydrogen in Zirconium, Zirconium in the Nuclear Industry. Proceedings of the 12th International Symposium, Washington, DC, USA, 9–11 February 2020; ASTM STP 1354; Sabol, H.G.P., Moan, G.D., Eds.; American Society for Testing and Materials: West Conshohocken, PA, USA, 2000; pp. 32–48. [Google Scholar]
- Tewari, R.; Srivastava, D.; Dey, G.K.; Chakravarty, J.K.; Banerjee, S. Microstructural evolution in zirconium-based alloys. J. Nucl. Mater. 2008, 383, 153–171. [Google Scholar] [CrossRef]
- Goltsov, V.A. (Ed.) Progress in Hydrogen Treatment of Materials; Kassiopeya: Donetsk-Coral Gables, Ukraine, 2001; p. 543. [Google Scholar]
- Bair, J.; Zaeem, M.A.; Tonks, M. A review on hydride precipitation in zirconium alloys. J. Nucl. Mater. 2015, 466, 12–20. [Google Scholar] [CrossRef]
- Grabovetskaya, G.P.; Mishin, I.P.; Stepanova, E.N.; Chernov, I.P.; Bulynko, D.Y. Forming and deformation behavior of the ultrafine-grained Zr–1Nb alloy. Steel Transl. 2015, 45, 111–115. [Google Scholar] [CrossRef]
- Saltikov, S.A. Stereometric Metallography; Metallurgiya: Moscow, Russia, 1970. (In Russian) [Google Scholar]
- Syrtanov, M.; Garanin, G.; Kashkarov, E.; Pushilina, N.; Kudiiarov, V.; Murashkina, T. Laboratory X-ray Diffraction Complex for In Situ Investigations of Structural Phase Evolution of Materials under Gaseous Atmosphere. Metals 2020, 10, 447. [Google Scholar] [CrossRef]
- Gorelik, S.S.; Skakov, Y.A.; Rastorguev, L.N. X-Ray and Electron-Optical Analysis; Publishing House of Moscow Institute of Steels and Alloys: Moscow, Russia, 2002. (In Russian) [Google Scholar]
- Grabovetskaya, G.P.; Stepanova, E.N.; Dubrovskaya, A.S. Effect of hydrogen on the creep of the ultrafine-grained zirconium Zr–1Nb alloy at 673 K. Int. J. Hydrogen Energy 2017, 42, 22633–22640. [Google Scholar] [CrossRef]
- Stepanova, E.N.; Grabovetskaya, G.P.; Mishin, I.P.; Kudiiarov, V.N. Structural and phase state and deformation behavior of the hydrogenated ultrafine-grained Zr–1Nb Alloy. AIP Conf. Proc. 2016, 1783, 020219. [Google Scholar]
- Stepanova, E.N.; Grabovetskaya, G.P.; Mishin, I.P.; Bulinko, D.Y. Structure and mechanical properties of a Zr-1Nb Alloy, obtained by the method of severe plastic deformation. Mater. Today Proc. 2015, 2, 365–369. [Google Scholar] [CrossRef]
- Dudarev, E.F.; Bakach, G.P.; Grabovetskaya, G.P.; Kolobov, Y.R.; Kashin, O.A.; Chernova, L.V. Plastic deformation behavior and localization in submicrocrystalline titanium at meso- and macroscale levels. Phys. Mesomech. 2001, 4, 89–95. [Google Scholar]
- Meyers, M.A.; Mishra, A.; Benson, D.J. Mechanical properties of nanocrystalline materials. Prog. Mater. Sci. 2006, 51, 427–556. [Google Scholar] [CrossRef]
- Panin, V.E.; Egorushkin, V.E.; Panin, A.V. Physical mesomechanics of a deformed solid as a multilevel system. I. Physical fundamentals of the multilevel approach. Phys. Mesomech. 2006, 9, 9–20. [Google Scholar]
- Robertson, I.M. The effect of hydrogen on dislocation dynamics. Eng. Fract. Mech. 2001, 68, 671–692. [Google Scholar] [CrossRef]
- Kolachev, B.A.; Livanov, V.A.; Buhanova, A.A. Mechanical Properties of Titanium and Its Alloys; Metallurgiya: Moscow, Russia, 1974. (In Russian) [Google Scholar]














© 2020 by the authors. Licensee MDPI, Basel, Switzerland. This article is an open access article distributed under the terms and conditions of the Creative Commons Attribution (CC BY) license (http://creativecommons.org/licenses/by/4.0/).
Share and Cite
Stepanova, E.; Grabovetskaya, G.; Syrtanov, M.; Mishin, I. Effect of Hydrogen on the Deformation Behavior and Localization of Plastic Deformation of the Ultrafine-Grained Zr–1Nb Alloy. Metals 2020, 10, 592. https://doi.org/10.3390/met10050592
Stepanova E, Grabovetskaya G, Syrtanov M, Mishin I. Effect of Hydrogen on the Deformation Behavior and Localization of Plastic Deformation of the Ultrafine-Grained Zr–1Nb Alloy. Metals. 2020; 10(5):592. https://doi.org/10.3390/met10050592
Chicago/Turabian StyleStepanova, Ekaterina, Galina Grabovetskaya, Maxim Syrtanov, and Ivan Mishin. 2020. "Effect of Hydrogen on the Deformation Behavior and Localization of Plastic Deformation of the Ultrafine-Grained Zr–1Nb Alloy" Metals 10, no. 5: 592. https://doi.org/10.3390/met10050592
APA StyleStepanova, E., Grabovetskaya, G., Syrtanov, M., & Mishin, I. (2020). Effect of Hydrogen on the Deformation Behavior and Localization of Plastic Deformation of the Ultrafine-Grained Zr–1Nb Alloy. Metals, 10(5), 592. https://doi.org/10.3390/met10050592

