Next Article in Journal
Petrology and Geochemistry Features of the Middle Triassic Anisian Shale in Sichuan Basin, South China: Implications for Climatic and Environmental Condition Change
Previous Article in Journal
Metallogenic Controls of the Jurassic Arc, Xizang: Insights from Geochemistry, Zircon Chronology, Hf Isotopes, and In Situ Trace Elements
Previous Article in Special Issue
Preparation and Performance Study of Alkali-Activated Conductive Mortar via Response Surface Methodology
 
 
Font Type:
Arial Georgia Verdana
Font Size:
Aa Aa Aa
Line Spacing:
Column Width:
Background:
Article

Iron-Rich Slag-Based Alkali-Activated Materials for Radioactive Waste Management: Characterization and Performance

by
Shymaa Ali Fathi Ali
1,*,
Lander Frederickx
2,
Emile Mukiza
2,
Michael I. Ojovan
1 and
Hans-Jürgen Steinmetz
1
1
Department of Chemistry and Biotechnology, Aachen University of Applied Sciences, Heinrich-Mußmann-Straße 1, 52428 Jülich, Germany
2
R&D Disposal, Belgian Nuclear Research Centre (SCK CEN), Boeretang 200, 2400 Mol, Belgium
*
Author to whom correspondence should be addressed.
Minerals 2025, 15(12), 1229; https://doi.org/10.3390/min15121229
Submission received: 30 September 2025 / Revised: 7 November 2025 / Accepted: 16 November 2025 / Published: 21 November 2025
(This article belongs to the Special Issue Development in Alkali-Activated Materials and Applications)

Abstract

Iron-rich metallurgical slag is an underutilized precursor in alkali-activated materials (AAMs), despite its abundance and potential in sustainable construction and waste immobilization. This study evaluates a binary AAM system (Aachen GP), comprising 50 wt.% blast furnace slag (BFS) and 50 wt.% iron-rich slag (Fe2O3 ≈ 24.6 wt.%), against a BFS-only reference (Ref GP). Characterization included isothermal calorimetry, Fourier Transform Infrared Spectroscopy (FTIR), X-ray diffraction (XRD), thermogravimetric analysis (TGA), Scanning Electron Microscopy with Energy Dispersive X-ray spectroscopy (SEM–EDX), Brunauer–Emmett–Teller (BET) surface area, water permeability, porosity, and compressive strength. Aachen GP showed delayed setting (32.9 h), reduced cumulative heat (∼70 J/g), and lower bound water (4.6% at 28 days), indicating limited gel formation. Compared to Ref GP, it had higher porosity (38.4%), water permeability ( 1.42 × 10 10 m/s), and BET surface area (12.4 m2/g), but lower 28-day strength (14.4 MPa vs. 43 MPa). Structural analysis revealed unreacted crystalline phases and limited amorphous gel. While Aachen GP meets regulatory strength thresholds (≥8 MPa) for low- to intermediate-level wasteforms in Belgium and Germany, its elevated porosity may impact long-term containment. Further studies on radionuclide leaching and durability under thermal and radiation stress are recommended.

1. Introduction

Radioactive waste originates from a variety of sources, including nuclear power generation, medical procedures, industrial applications, research activities, and defense operations. This waste exhibits a wide range of physical states, radioactivity levels, and half-lives, necessitating classification into categories such as very low-, low-, intermediate-, and high-level waste [1,2]. Once classified, radioactive wastes undergo a series of processes—treatment, conditioning, and immobilization—that convert them into stable forms suitable for long-term storage and deep geological disposal. Given the heterogeneity of their composition and radioactivity, the selection of an effective immobilization method is critical to ensure safety and stability [2,3].
Historically, Ordinary Portland cement (OPC) has been the predominant immobilization material for radioactive waste due to its proven effectiveness, cost-efficiency, and widespread availability [4]. However, the production of Portland cement presents significant environmental challenges, primarily its high carbon footprint. Cement manufacturing contributes approximately 5%–8% of global anthropogenic CO2 emissions [5], mainly due to the calcination of limestone and the energy-intensive nature of the process [6]. With annual global production exceeding 2.9 Gt, OPC accounts for nearly 14% of total industrial energy consumption, emitting between 0.82 t and 1.0 t of CO2 per tonne produced [7].
These environmental concerns have prompted life cycle assessments advocating for a transition from OPC to alternative low-carbon binders that substantially reduce CO2 emissions [8,9]. Among these alternatives, alkali-activated materials (AAMs), calcium sulfoaluminate cements (CSACs), phosphate cements, and magnesium silicate hydrate cements (M-S-H) show promise, with AAMs being particularly suitable for immobilizing intermediate- and high-level radioactive waste [4,10,11].
Alkali-activated materials (AAMs) are inorganic binders produced through the reaction of amorphous or semicrystalline aluminosilicate precursors—such as fly ash, metakaolin, or metallurgical slags—with alkaline activators (e.g., NaOH or Na2SiO3) under moderate temperatures [4,12,13]. The alkali activation process involves the dissolution and polycondensation of aluminosilicate species, forming gel networks whose composition and structure are primarily governed by the Ca/Si ratio of the precursor. High-Ca systems such as blast furnace slag (BFS), steel slag, or phosphorus slag predominantly yield calcium–(alumino)–silicate–hydrate (C–(A)–S–H) gels resembling tobermorite, whereas low-Ca systems such as metakaolin or fly ash form sodium–aluminosilicate–hydrate (N–A–S–H) networks [13,14]. Consequently, low-Ca systems are commonly referred to as geopolymers, while high-Ca systems are more accurately described as alkali-activated materials (AAMs). Among these, BFS-based AAMs are particularly noteworthy for their rapid setting, high early strength, and chemical durability, which make them suitable matrices for hazardous and radioactive waste immobilization [15]. Recent studies have also demonstrated the capability of BFS-based AAMs to incorporate and immobilize radionuclides such as Cs+ and Sr2+ through formation of C–(A)–S–H and N–(C)–A–S–H gels with low diffusion coefficients and high leachability indices [15]. Together, these insights establish the scientific foundation for the present investigation of iron-rich slag–BFS blends (Aachen GP and Ref GP) as sustainable binders for nuclear waste management.
AAMs exhibit exceptional chemical durability due to their cross-linked aluminosilicate network, which offers strong resistance to chemical degradation and radionuclide leaching [16,17]. Their inorganic, dense network structure also imparts radiation resistance, maintaining stability under irradiation [18,19]. Additionally, their low permeability limits water ingress and radionuclide migration [20]. AAMs also have a high waste-loading capacity, enabling encapsulation of a wide range of waste types, including complex and reactive wastes [21]. From a sustainability perspective, the use of industrial by-products in AAM production reduces waste and lowers the embodied carbon footprint compared to traditional OPC [4,22], while still enabling efficient radionuclide immobilization [12].
Many studies have investigated the use of AAMs for the solidification and immobilization of radioactive waste due to their excellent chemical and physical properties. Early work by Davidovits et al. pioneered this area in the late 1990s, focusing on the potential of AAMs for radioactive waste encapsulation [3]. Walkley et al. [23] explored the immobilization mechanisms of Sr and Ca in metakaolin-based AAMs, finding that Sr2+ and Ca2+ cations can be structurally incorporated into metakaolin-based AAM gels without disrupting their fundamental aluminosilicate framework while inducing minor, predictable changes in gel chemistry that are favorable for radioactive waste immobilization.
A study by El Alouani et al. [24] demonstrated that metakaolin-based AAMs possess a highly porous, amorphous structure with abundant active sites for contaminant binding, showing high adsorption capacities for heavy metals and radionuclides and maintaining effectiveness through multiple reuse cycles. Lin et al. [25] confirmed that metakaolin-based AAM binders can effectively solidify spent ion exchange resins with up to 12 wt.% resin loading, achieving compressive strengths exceeding 13.6 MPa after 28 days curing. Their formulations also demonstrated low leachability for radionuclides Cs+ and Sr2+ with leaching indices greater than 10 according to ANSI/ANS 16.1 standards, indicating strong immobilization performance. Additionally, the AAM matrix significantly reduced radionuclide release in aggressive environments such as sodium chloride solutions, underscoring the necessity of solidification prior to disposal. Girke et al. [26] demonstrated that AAMs effectively immobilize hydrophobic nuclear graphite waste, yielding compressive strengths up to 60 MPa and excellent long-term durability, including freeze–thaw resistance. This highlights the potential of AAMs not only for radionuclide encapsulation but also for stabilizing complex radioactive waste forms such as reactor graphite. Frederickx et al. [27] reported superior mechanical strength and lower leaching of Cs+ and Sr2+ in metakaolin-based matrices compared to BFS-based AAMs.
AAMs offer multiple advantages including high alkalinity, low porosity, excellent chemical durability, and strong resistance to radionuclide leaching under repository-relevant conditions [16,18,28]. Their dense, cross-linked gel networks limit ion diffusion and provide long-term stability even under aggressive chemical and radiative environments [17]. These characteristics, combined with their tunable composition and low permeability, make AAMs promising matrices for waste immobilization in nuclear repositories. Furthermore, Criado et al. [29] identified curing conditions as critical in influencing carbonation and gel development in fly ash-based AAMs, underscoring the importance of microstructural control during synthesis.
Iron-rich metallurgical slags, characterized by Fe2O3 content exceeding 20%, are abundantly produced by the steel industry, but their influence on alkali activation remains not fully understood [30,31,32]. Findings have been mixed; some studies suggest iron incorporation enhances material properties [33], while others indicate that it inhibits gel formation [34]. Lemougna et al. [30] employed 57Fe Mössbauer spectroscopy to reveal that Fe ions can integrate into the binder network without substantially improving gel quality, whereas Mancini et al. [35] showed that residual metallic Fe(0) may oxidize under certain conditions, producing expansive corrosion products such as magnetite, goethite, and hematite, potentially causing microcracking.
Iron can substitute aluminum in tetrahedral sites, act as a network modifier, or form distinct iron-rich phases, each affecting gel chemistry, microstructure, and chemical durability [36,37]. Despite several studies investigating Fe-rich precursors, comprehensive research specifically addressing high-Fe slag blends for radioactive waste immobilization remains scarce [31,38].
To address these gaps, this study evaluates an AAM made from a 50/50 blend of blast furnace slag and iron-rich slag (Fe2O3 = 24.559%), referred to as “Aachen GP” in comparison with a blast furnace slag-only reference “Ref GP”. Specifically, the objectives are to:
  • Quantify early-age reaction kinetics (setting time, heat evolution) to identify potential retardation from iron-rich slag addition.
  • Characterize total porosity and pore-size distribution to evaluate the impact of iron oxides on microstructural development.
  • Assess permeability and mechanical properties (7- and 28-day compressive strength) relative to regulatory standards.
  • Compare results against a conventional blast furnace slag-only AAM reference (Ref GP).
Through a comprehensive multi-technique approach, incorporating isothermal calorimetry, FTIR, XRD, TGA, BET, SEM–EDX, and mechanical/permeability testing, this study aims to advance the understanding of Fe-rich AAMs as sustainable, low-carbon immobilization matrices. Durability and radionuclide leaching performance will be assessed in subsequent investigations.

2. Materials and Experimental Methods

Two alkali-activated materials (AAMs) were synthesized: a reference blast furnace slag AAM (Ref GP) [39] and an experimental iron-rich slag AAM (Aachen GP). The blast furnace slag (BFS) used in the reference geopolymer concrete was obtained from Ecocem Benelux (Roermond, The Netherlands) and conformed to EN 15167-1 specifications [40] featuring a Blaine fineness of 397 m2 kg−1 to 451 m2 kg−1, a maximum particle size of 63 μm, and a density of 2890 kg m−3. Its chemical composition was provided by the supplier (Ecocem Benelux B.V., 1 January 2023) and is included in Table 1.
The iron-rich slag used in Aachen GP was supplied by Siempelkamp GmbH (Krefeld, Germany). It was initially delivered in coarse form (5cm to 20 cm, as shown in Figure 1) and subsequently ground to a particle size distribution comparable to BFS (≤63 μm) using a Retsch PM 100 planetary ball mill.
Unlike commercial GGBFS, the iron-rich slag is an industrial by-product and is not covered by EN 15167-1 or any other harmonized cementitious standard. After in-house grinding to ≤63 μm, its oxide composition (Table 1) was determined using a portable X-ray fluorescence (XRF) analyzer, Thermo Scientific Niton XL3t (Thermo Fisher Scientific Inc., Waltham, MA, USA) on multiple representative fragments, and the averaged values are reported. Entries marked “n.m.” denote constituents not measurable by portable XRF (e.g., Cl); entries marked “n.a.” denote indices not applicable to slag precursors (e.g., Na2O equivalent). A dash (–) indicates constituents below the instrument’s detection capability or not reported by the supplier. Because this by-product is used as a research precursor rather than a standardized commercial binder, its suitability is assessed through its reactivity and resulting AAM performance rather than by industrial classification.
Information regarding trace-element content (e.g., Cr, Pb, Ni, V) was not provided by the supplier, and no independent leachate or ICP analysis was available at the time of this study. Therefore, the material was handled solely as an experimental precursor under standard laboratory safety procedures. Its suitability for waste-immobilization applications is evaluated here based on reactivity and mechanical performance, while a full trace-element screening will be included in future work.
Several formulations using iron-rich slag as the sole precursor were evaluated through small-scale trial mixes, which varied in water-to-binder W/B ratio and alkali activator dosage. All formulations using only iron-rich slag failed to set within 48 h. To overcome this issue, a binary system combining iron-rich slag and BFS was developed. To overcome the limitations observed in the preliminary iron-rich slag-only formulations, a binary binder system comprising 50 wt.% iron-rich slag and 50 wt.% blast furnace slag (BFS) was developed, hereafter referred to as Aachen GP. For comparison, the reference alkali-activated material Ref GP was prepared using 100 wt.% BFS.
Both formulations were designed to achieve comparable workability and mechanical integrity, with water-to-binder ratios of 0.475 for Aachen GP and 0.45 for Ref GP. In these formulations, the binder mass included both the aluminosilicate precursor (BFS and/or iron-rich slag) and the solid fraction of the alkaline activator, while the water content included both free water and the water present in the sodium silicate solution.
The alkaline activators differed between the two systems. For Aachen GP, activation was carried out using only 10 mol/L NaOH. The NaOH solution was prepared in advance from reagent-grade NaOH pellets (98.0 wt.%, Sigma-Aldrich, St. Louis, MO, USA), stored in sealed polypropylene containers, and allowed to equilibrate at room temperature (20–22 °C) for at least 24 h prior to mixing. For Ref GP, a combination of 10 mol/L NaOH and a commercial sodium disilicate solution (54.5 wt.% SiO2, 27.5 wt.% Na2O, 18.0 wt.% H2O) was used. The NaOH solution was prepared under the same conditions as described for Aachen GP, while the sodium disilicate solution was added on the day of casting. The mix proportions are summarized in Table 2.

2.1. Sample Preparation

Sample preparation was performed using a Matest E093N mortar mixer (Matest S.p.A., Treviolo, Italy; 230 V/50 Hz; 450 × 480 × 760 mm). The mixing sequence began with homogenization of the activating solution and water at low speed (140 rpm) for 2 min, followed by incorporation of the binder materials for an additional 2 min at the same speed. After scraping down the bowl, the mixture was mixed at high speed (3000 rpm) for 2 min. Subsequently, fine sand (≤2 mm) was added and mixed at low speed for 4 min. This procedure ensured homogeneous distribution of all components and consistent fresh properties. The prepared pastes were then cast into the following molds:
  • Prismatic molds (40 × 40 × 160 mm) for flexural strength testing.
  • Cubic molds (40 × 40 × 40 mm) for compressive strength, water-accessible porosity, and microstructural analysis.
  • Cylindrical molds (25 × 97 mm) for water permeability testing.
For Ref GP and Aachen GP, theoretical oxide molar ratios (SiO2/Al2O3, Na2O/SiO2, Na2O/Al2O3, CaO/SiO2, H2O/Na2O) were computed by converting the oxide wt.% of precursors in Table 1 and the activator doses in Table 2 to oxide masses (including Na2O, SiO2, and H2O from sodium disilicate; Na2O as Na2O-equivalent from NaOH; all batch water), and then to moles using molecular weights; ratios are reported in Table 3.

2.2. Curing Conditions

All specimens were cured under controlled conditions at 20 °C and 95% relative humidity. Due to their different setting behaviors, Ref GP samples were demolded after 24 h, while Aachen GP samples were demolded after 48 h. Figure 2 shows the Aachen GP cubic specimens (40 × 40 × 40 mm), and Figure 3 shows the corresponding prismatic specimens (40 × 40 × 160 mm).
After demolding, all specimens were maintained under the same curing conditions for either 7 or 28 days, depending on the intended testing schedule. These curing periods were selected to evaluate both early-age and longer-term development of mechanical, microstructural, and transport properties.

2.3. Characterization Methods

2.3.1. Fresh-State Behavior: Workability, Viscosity, and Setting Time

The fresh-state behavior of the AAMs was evaluated through a series of tests assessing workability, viscosity, setting time, and heat evolution. These properties provide essential insights into early reactivity.
Workability was assessed using a mini-slump test (cone: 70 mm top diameter, 100 mm bottom diameter, 60 mm height). The spread percentage was calculated using the following equation:
Spread   ( % )   = D f D i D i × 100
where D i is the initial diameter of the mini-slump cone (70 mm) and D f is the measured final diameter of the spread mortar after lifting the cone.
Viscosity measurements were performed using an RM100 viscometer (Lamy Rheology Instruments, Champlaurent, France) equipped with the MS-R4 spindle. Each test used 20 g of fresh mortar, measured over a 1-h period at 21.4 °C, with a constant shear rate of 30 s−1. The device directly recorded a torque value of 0.317 mN·m and a corresponding shear stress of 95.1 kPa, as provided by the instrument’s internal calibration system. The calculation method used by the viscometer software was not disclosed by the manufacturer, and the values were taken as reported. The device operated using the factory-installed RM100 software; the version number was not available on the instrument interface.
Setting time was measured in accordance with EN 196-3:1995 [41] using an automatic VICAT apparatus (MPM-6, Bluhm & Feuerherdt GmbH, Berlin, Germany) at 20 °C. Measurements were taken at 12-min intervals. The initial setting time corresponded to a penetration depth of 37 mm, while the final setting time was defined as the point at which the penetration depth reached 0.5 mm.
Heat evolution was monitored using an I-Cal 8000 HPC isothermal calorimeter (Calmetrix Inc., Boston, MA, USA) at a constant temperature of 20 °C over 15 days. Three 100 g samples were analyzed:
  • Ref GP (100 wt.% BFS);
  • Aachen GP (50 wt.% iron-rich slag: 50 wt.% BFS);
  • Modified Aachen GP (75 wt.% iron-rich slag: 25 wt.% BFS).

2.3.2. Mechanical Performance: Flexural and Compressive Strength Testing

Mechanical performance was assessed using a Servo Plus Evolution hydraulic press (Matest S.p.A., Treviolo, Italy), equipped with two loading cells: 250 kN for compression and 15 kN for flexural testing. Prior to testing, all specimens were visually inspected to ensure the absence of surface defects or irregularities.
Flexural strength testing was conducted on prismatic specimens (40 × 40 × 160 mm) at both 7 and 28 days of curing. Tests were performed according to ASTM standards using a loading rate of 0.05 kN/s, with a 10% post-peak load stop criterion. For each test, three specimens were evaluated per mix composition and curing age to ensure statistical reliability.
Compressive strength was determined on cubic specimens (40 × 40 × 40 mm) after 7 and 28 days of curing, using a loading rate of 2.4 kN/s in accordance with ASTM guidelines. Each test was terminated at 10% below the peak load to avoid post-failure deformation. Three specimens per mix and curing age were tested, and the mean value was used for analysis.

2.3.3. Porous Structure Analysis: Water-Accessible Porosity (WAP), Water Permeability (WP), and Nitrogen Adsorption (N2-Ads)

Three complementary techniques were employed for pore structure characterization: Water Accessible Porosity (WAP), Water Permeability (WP), and nitrogen adsorption (N-ads).
WAP was evaluated using a vacuum saturation and boiling procedure developed by SCK CEN, Belgium [42], on samples cured for 7 and 28 days. The six-step process involved drying specimens at 110 °C, vacuum saturation for 48 h, and subsequent boiling for 5 h. WAP (%) was calculated as follows:
WAP ( % ) = m sat m o m sat m app × 100
where m o is the oven-dry mass, m sat is the saturated mass, and m app is the apparent mass under water.
WP was measured at 28 days using the constant-flow method on cylindrical specimens (25 × 97 mm), according to protocols developed by SCK CEN, Belgium, and described by Phung et al. [43]. Specimens were vacuum-saturated and tested under pressure gradients of 2–5 bar. The permeability coefficient ( k w ) was calculated using Darcy’s law, once stable flow conditions were achieved, defined as a pressure difference variation below 10% over at least 24 h:
k w = Q × H × g × ρ A × Δ P
where Q is flow rate, H is sample thickness (0.025 m), g is gravitational acceleration (9.81 m/s2), ρ is water density (997 kg/m3), A is exposed area (0.007462 m2), and Δ P is pressure gradient.
Nitrogen adsorption (N-ads) measurements were performed using a TriStar II 3020 analyzer (Micromeritics Instrument Corporation, Norcross, GA, USA) to assess the porous structure in the mesopore range (2–50 nm). Samples were isopropanol-dried for 15 days, ground to 500 µm, and degassed at 150 °C under a vacuum of ∼10−3 mbar for 24 h before analysis. Surface area was calculated using the Brunauer–Emmett–Teller (BET) method within the relative pressure range of 0.05–0.30:
A = Q m × N A × a 22400
where Q m is monolayer capacity, N A is Avogadro’s number, and a is nitrogen molecule cross-sectional area (0.162 nm2).

2.3.4. Morphological and Microstructural Analysis: Scanning Electron Microscopy (SEM), Fourier-Transform Infrared Spectroscopy (FTIR), X-Ray Diffraction (XRD), Thermogravimetric Analysis (TGA)

Scanning Electron Microscopy (SEM) imaging was conducted using a Phenom tabletop SEM operating at 15 kV in high-vacuum mode with the secondary-electron detector. The working distance was maintained at 10 mm, and a spot size of 3 nm was used. Approximately 1 cm3 cubic samples were embedded in Epofix resin, polished to a 1 µm surface finish, and gold-coated with a 5 nm layer. Sample preparation followed the SCK CEN resin-impregnation and polishing method [44], and image quality was verified by optical microscopy during preparation. For each sample, multiple micrographs were acquired at different magnifications to assess morphological variation.
Attenuated Total Reflectance–Fourier Transform Infrared Spectroscopy (ATR-FTIR) spectra were collected using a Bruker Tensor II spectrometer (Bruker Optics GmbH & Co. KG, Ettlingen, Germany), equipped with a diamond ATR crystal. Measurements were performed over the range 4000–400 cm−1 with a spectral resolution of 4 cm−1 and 32 scans averaged per spectrum. For five samples, raw iron-rich slag powder and cured Ref GP and Aachen GP samples were used at 7 and 28 days. Prior to testing, all samples were dried in isopropanol for 15 days, ground, and sieved to 125 µm to ensure consistency in particle size.
Phase identification was carried out using a Bruker D8 diffractometer (Bruker AXS GmbH, Karlsruhe, Germany) equipped with Cu K α radiation (40 kV, 40 mA) and a Ni K β filter to suppress the Cu K β line. Powdered samples (sieved to 125 μm) were blended with 10 wt.% ZnO as an internal standard to quantify amorphous content by Rietveld calibration. Scanning was performed over a 2 θ range of 5–60° using a step size of 0.02° and a dwell time of 0.2 s per step. This range was chosen to capture all major crystalline phases expected in slag-based and alkali-activated material (AAM) systems, including low-angle amorphous humps and key silicate or iron-bearing phases. XRD analyses were conducted on:
  • Raw iron-rich slag powder (to establish baseline mineralogy);
  • Cured Ref GP and Aachen GP samples at 7 and 28 days.
Phase quantification was conducted using Rietveld refinement in Profex (version 3.14) [45], an open-source graphical interface for the BGMN program commonly applied in mineralogical phase analysis. The refinement employed a pseudo-Voigt peak profile, a sixth-order Chebyshev polynomial for background fitting, and simultaneous refinement of scale factors, unit-cell parameters, and phase weight fractions.
Phase identification and refinement were performed in Profex/BGMN using BGMN structure files (.str). Where available, the corresponding ICDD PDF reference numbers encoded in the .str headers are listed in Table 4 for traceability. No direct access to the ICDD database was required. ZnO was the only internal standard; any fitted corundum, when present, was treated as a minor accessory phase rather than an internal standard.
Thermogravimetric Analysis (TGA) was performed using a Netzsch STA 409PC instrument (NETZSCH-Gerätebau GmbH, Selb, Germany) on four samples: Ref GP and Aachen GP at 7 and 28 days.
Measurements were conducted from 25 °C to 1000 °C at a heating rate of 10 °C/min under an argon atmosphere (50 mL/min). Derivative thermogravimetric (DTG) curves were smoothed and fitted to identify peak positions and full width at half maximum (FWHM) values. Temperature intervals for mass loss interpretation were defined based on DTG peak fitting and used to assign thermal degradation mechanisms.

3. Results and Discussion

3.1. Workability, Viscosity, and Setting Time

Fresh-state characterization revealed distinct rheological behaviors between the BFS-based reference (Ref GP) and the iron-rich slag formulation (Aachen GP). Mini-slump tests ( n = 1 ; spread measured as the percentage increase over the 25 mm mold diameter) showed spreads of 242.86% for Ref GP and 171.4% for Aachen GP. The substantially lower spread for Aachen GP indicates reduced workability upon replacing blast-furnace slag with iron-rich slag.
Viscosity measurements ( n = 1 ; rotational viscometer with ± 3 % reading precision) confirmed the trends observed in the mini-slump tests (see Figure 4). Ref GP exhibited an initial viscosity of 870.6 mPa · s with a viscosity increase rate of 18.9 mPa · s/min, whereas Aachen GP showed a higher initial viscosity of 2001 mPa · s and a slightly steeper increase rate of 19.4 mPa · s/min. The higher initial viscosity and faster thickening rate of Aachen GP indicate reduced workability and quicker structural build-up due to the stiffening effect of the iron-rich slag. In Figure 4, the purple line represents Ref GP (100% BFS), and the green line represents Aachen GP (50% BFS + 50% iron-rich slag).
These viscosity trends align well with previous rheological investigations of Fe-rich alkali-activated systems. Beersaerts et al. demonstrated that alkali-activated Fe-rich slag suspensions exhibit markedly higher apparent viscosity and yield-like behavior compared with BFS-based systems, primarily due to the formation of flocculated particle networks sustained by electrostatic and van der Waals interactions [46]. The higher viscosity was also correlated with the activator chemistry—an increase in the SiO 2 / Na 2 O ratio or a decrease in water content enhanced polymerized silicate species within the activator, resulting in denser suspension structures and greater resistance to flow. These mechanisms are consistent with the higher initial viscosity observed for the Aachen GP paste, which contains a larger proportion of Fe-rich slag and therefore develops stronger interparticle interactions and faster structural build-up than the BFS reference. Similar relationships between slag composition, activator ratio, and workability have been reported for Fe-rich and blended alkali-activated materials [31,32,47]. Overall, the viscosity behavior of Aachen GP reflects both its reduced calcium reactivity and the flocculating influence of iron-bearing phases, which limit early flowability while promoting early structural rigidity.
The setting time results further highlight the differences in early-age behavior between the two AAM formulations. Aachen GP required 32.9 h to reach its final set—nearly double the 16.4 h observed for Ref GP. Consistent with these kinetics, demoulding was performed when specimens could be handled without visible deformation. Ref GP, which reached final set sooner and showed lower initial viscosity with earlier calorimetric events, was safely demoulded after 24 h. Aachen GP, which exhibited higher initial viscosity, delayed final set, and attenuated/shifted heat-flow peaks, required 48 h before demoulding to ensure dimensional stability. Thus, the different demoulding times reflect measured setting behavior rather than an imposed procedural difference. These findings indicate that iron incorporation substantially reduces flowability, increases viscosity, and prolongs setting.
These characteristics can be attributed to the physicochemical effects of iron under alkaline activation. Beersaerts et al. [46] demonstrated that Fe-rich slag particles promote surface flocculation and intensified interparticle interactions in high-pH suspensions. This leads to increased mortar viscosity and early structural build-up prior to substantial gel formation. In addition, Fe2+ undergoes precipitation reactions to form Fe(OH)2 and Fe(OH)3, which consume local hydroxide ions and inhibit the dissolution of reactive aluminosilicate species. Bernal et al. [34] showed that this effect suppresses the initial dissolution stage in iron-containing AAMs, delaying the onset of gel nucleation. These phenomena collectively hinder the workability of the fresh mix while prolonging the setting time, consistent with our experimental observations for Aachen GP.

3.2. Reaction Kinetics: Isothermal Calorimetry

The isothermal calorimetry results reveal distinct differences in reaction kinetics among the three AAM formulations: Ref GP (100% BFS), Aachen GP (50% BFS + 50% iron-rich slag), and Modified Aachen GP (25% BFS + 75% iron-rich slag). The heat flow patterns recorded over a 15-day period are presented in Figure 5. The reference AAM (Ref GP) exhibited the highest total heat release, whereas incorporation of iron-rich slag into the mix reduced both the intensity and duration of the exothermic reactions, indicating lower reactivity and slower formation of the alkali-activated gel network. The reactivity further decreases with increasing content of iron-rich slag.
The corresponding cumulative heat release profiles are shown in Figure 6, where the total cumulative heat release was approximately 90 J/g for Ref GP, 70 J/g for Aachen GP, and 60 J/g for Modified Aachen GP. The observed decline in cumulative heat with increasing iron slag content further supports the conclusion that higher iron content leads to a reduced extent of reaction and a slower development of the alkali-activated matrix. The onset of significant heat evolution occurred at approximately 0.8 h for Ref GP, 1.5 h for Aachen GP, and 2.1 h for Modified Aachen GP. The first exothermic peak was observed at approximately 2.5 h for Ref GP, 4.2 h for Aachen GP, and 5.7 h for Modified Aachen GP. A second acceleration peak was present in all formulations but delayed and attenuated in iron-rich systems. The peak intensities of the first exothermic peak were highest for Ref GP, reaching 1.45 mW/g, compared to 0.92 mW/g for Aachen GP and 0.75 mW/g for Modified Aachen GP. The time to reach the second heat evolution peak was also formulation-dependent: 11.2 h for Ref GP, 15.6 h for Aachen GP, and 18.3 h for Modified Aachen GP.
The integrated results and interpretation reveal pronounced differences in reaction kinetics between the BFS-based Ref GP and the iron-rich Aachen GP. In Aachen GP, both the initial dissolution and acceleration peaks were delayed and attenuated, while cumulative heat release over 15 days was significantly lower. Such suppressed or delayed exothermic events are consistent with prior observations in alkali-activated systems, where inadequate silica availability or low precursor reactivity leads to a weak second-stage gel formation [29]. In similar systems, oxidation of Fe2+ to Fe3+ has been associated with redox-related kinetic delays, as Lemougna et al. [30] observed using Mössbauer spectroscopy. A comparable effect may contribute to the delayed kinetics observed in Aachen GP, although this has not been directly confirmed here. This aligns with the flatter calorimetric curves and suppressed second exothermic peak observed in Aachen GP. Furthermore, Ponomar et al. [31] explained that in systems lacking external silicate activators—such as our Aachen GP—the reliance on internal slag dissolution limits silica availability and gel formation. This limited silica availability hampers early gel nucleation and reaction front propagation, leading to a suppressed heat release profile. Criado et al. [29] reported similar findings in fly ash systems where curing constraints or low silicate levels delayed the onset and reduced the intensity of exothermic reactions. Fe incorporation is hypothesized to disrupt network connectivity—possibly through distorted tetrahedral or fivefold coordination—which may reduce the extent of polymerization, as suggested in prior studies. Additionally, the absence of a silicate activator in the Aachen GP mix further hampers early gelation and delays reaction front propagation. This condition has been shown to reduce heat release rates and prolong setting times in Fe-rich formulations [31]. Finally, Beersaerts et al. [46] reported that interfacial Fe-oxyhydroxide layers may form around slag particles in Fe-rich AAMs. These layers act as passive diffusion barriers, hindering the transport of reactive ions such as OH and dissolved silicates, thereby slowing down the alkali-activation process. This mechanism aligns with our observations of reduced cumulative heat release and suppressed intensity of the second heat evolution peak in Aachen GP and Modified Aachen GP. Together, these effects result in a flattened calorimetric response, with cumulative heat release reduced by up to 30% and second-stage peaks nearly suppressed in high-Fe formulations.
These delayed and attenuated exothermic features in Aachen GP are fully consistent with its longer demoulding time reported in Section 2.2, where final set and handling stability were achieved later than in Ref GP.

3.3. Flexural and Compressive Strength Testing

Mechanical testing revealed clear trends in strength development for both AAM systems over time. To ensure statistical reliability, all reported mechanical data represent the mean of three independent specimens, with standard deviation shown as error bars in Figure 7 and Figure 8. As shown in Figure 7, Aachen GP exhibited flexural strengths of 4 M Pa at 7 days and 5 M Pa at 28 days. In comparison, the Ref GP achieved 8 M Pa and 10 M Pa at the same curing intervals, respectively. All values for both mixes exceeded the minimum flexural strength requirement of 1 M Pa defined in the Belgian waste acceptance criteria [48].
Compressive strength results, shown in Figure 8, demonstrate that Aachen GP reached 10 MPa at 7 days and increased to 14.4 MPa at 28 days. The reference Ref GP showed significantly higher strengths of 30 MPa and 43 MPa, respectively. Notably, all measured values exceed the acceptance thresholds for compressive strength: 8 MPa for Belgium [48] and 10 MPa for Germany [49]. These results confirm that both materials meet regulatory strength requirements for radioactive waste immobilization.
Although both mixes exceeded national waste acceptance criteria, the compressive and flexural strengths of the Aachen GP mortar were markedly lower than those of the BFS-based Ref GP. This performance gap reflects not only differences in reactivity but also in the underlying gel chemistry and microstructural development induced by iron incorporation. Nonetheless, the compressive strength values measured for Aachen GP (10.0 MPa at 7 days and 14.4 MPa at 28 days) are within the range reported by Girke et al. [26] for alkali-activated material–graphite mixtures, which exhibited compressive strengths between 5 MPa and 26 MPa depending on mixture composition. In systems like Ref GP, calcium-rich BFS reacts readily under alkaline activation to form C–A–S–H-type gels with dense morphology and strong load-bearing capacity. In contrast, the binary Fe-rich system in Aachen GP produces a more porous and weaker matrix. As highlighted in Ponomar et al. [31], the reduced mechanical integrity observed in Aachen GP may be linked to partial substitution of Al or Si by Fe in tetrahedral sites, which has been associated with lower polymerization degrees and discontinuous gel networks in related systems [31]. Moreover, iron-rich phases such as fayalite and Fe-bearing metallic phase ( α -Fe/Fe-martensite/Fe–silicide, minor), detected in XRD patterns of the iron-rich slag and Aachen GP are largely inert under alkaline conditions and do not participate in the binding gel formation. Bernal et al. [34] showed that such phases tend to persist post-activation and contribute minimally to matrix strength. This finding is further reinforced by Mancini et al. [35], who used advanced X-ray spectroscopy to show that Fe-bearing crystalline phases in BFS-based cements remain chemically inert under alkaline conditions and are not incorporated into the gel structure. The absence of soluble silicate in the activator in Aachen GP further exacerbates the issue. Without external silicate input, gel formation relies entirely on precursor dissolution, which is slower and less efficient in iron-dominated systems. As Lemougna et al. [30] noted, redox cycling of Fe2+/Fe3+ creates structural instability during gelation, weakening the cohesion of the developing matrix. These chemical limitations are compounded by the morphological consequences of iron incorporation. The SEM observations revealed increased heterogeneity and unreacted particle remnants in Aachen GP, which remained visible in the SEM micrographs at 28 days. This is consistent with Beersaerts et al. [46], who reported that iron-rich slag mortars tend to exhibit weaker interfacial zones and a more porous transition layer between aggregates and paste. Thus, the reduced mechanical performance of Aachen GP is not solely due to slower reaction kinetics but arises from a synergistic interplay between incomplete dissolution, gel disruption by Fe coordination, redox-induced structural accommodation, and microstructural heterogeneity. These results confirm that while Fe-rich AAMs are viable for low- to intermediate-level waste immobilization, their mechanical limitations must be carefully managed through optimized mix design and activation strategies. The observed high porosity and permeability of Aachen GP may accelerate radionuclide transport under repository conditions, warranting targeted leach testing in future campaigns.
The substantial reduction in compressive strength observed for Aachen GP may be attributed to incomplete dissolution and the persistence of inert Fe-bearing phases, as will be further demonstrated in the microstructural and phase analyses (Section 3.5 and Section 3.6.2).

3.4. Water Accessible Porosity (WAP), Water Permeability (WP) and Nitrogen Adsorption (N-Ads)

The water-accessible porosity (WAP) and water permeability (WP) results for Aachen GP and Ref GP are presented in Table 5. Aachen GP exhibited WAP values of 37.4 ± 0.33% ( n = 2 ) at 7 days and 38.4 ± 0.14% ( n = 2 ) at 28 days, with a WP coefficient of 1.42 × 10 10 m / s (single measurement; SD not applicable). In contrast, the BFS-based reference (Ref GP) showed lower porosities of 34.4 ± 1.48% ( n = 2 ) at 7 days and 35.5 ± 0.13% ( n = 3 ), and a WP nearly three orders of magnitude lower at 2.8 × 10 13 m / s (single measurement; SD not applicable). These data confirm that Aachen GP possesses a more open pore network and substantially higher permeability than Ref GP, consistent with its lower degree of alkali activation and the persistence of Fe-rich inert phases [12,34].
The WAP results clearly indicate that the incorporation of iron-rich slag in Aachen GP leads to higher porosity compared to the BFS-based Ref GP. This is attributed to the lower degree of alkali activation and the presence of undissolved Fe-rich particles, which limit the overall gel yield and leave voids between particles, thereby producing a looser microstructure. Bernal et al. [34] observed similar behavior in BFS systems containing residual iron phases that remained chemically inert under activation, thereby reducing matrix continuity and densification. In Aachen GP, the slower kinetics of gel formation—as evidenced by calorimetry and FTIR—may also contribute to a looser microstructure, where pore networks remain unsealed during early hydration. This leads to a greater retention of interconnected voids, directly influencing WAP at both early and later curing stages.
The water permeability measurements revealed that Aachen GP exhibits water transport rates more than three orders of magnitude higher than Ref GP. This substantial difference cannot be explained by WAP alone and instead reflects the nature of the pore network. Beersaerts et al. [46] reported that Fe-rich slag systems often form porous interfacial transition zones around unreacted particles, which act as preferential flow channels. These zones are particularly prominent when slag particles are not effectively encapsulated by gel, which appears to be the case in Aachen GP based on SEM observations. As a result, permeability is not only a function of total porosity but also of pore connectivity and tortuosity, both of which are negatively impacted by the heterogeneous microstructure introduced by iron.
The nitrogen adsorption–desorption isotherms for the 28 day samples, shown in Figure 9, exhibit Type IV behavior with H3 hysteresis loops for both Ref GP and Aachen GP samples, confirming the presence of mesoporous structures. At the highest relative pressure ( P / P 0 1 ), Aachen GP adsorbs nearly five times more nitrogen than Ref GP, indicating a substantially larger mesopore volume. The corresponding BET surface areas and pore characteristics are summarized in Table 6. Aachen GP exhibits significantly higher BET surface areas (8.2 m2 g−1 at 7 days and 12.4 m2 g−1 at 28 days) compared to Ref GP (4.1 m2 g−1 and 6.8 m2 g−1, respectively), confirming the increased mesoporosity induced by iron-rich slag [34].
The BET results and nitrogen adsorption isotherms reinforce the conclusion that Aachen GP possesses a more open, mesoporous structure. The higher surface area and pore volume, particularly the increase from 7 to 28 days, indicate that porosity is not refined over time but continues to evolve—suggesting an extended window of incomplete densification. Ponomar et al. [31] linked similar trends to poorly cross-linked gel systems in Fe-rich AAMs, where incomplete alkali-activation limits pore closure.
The pore size distribution (Figure 10) reveals that Aachen GP exhibits significantly higher incremental pore volumes across almost all pore sizes compared to Ref GP, with a prominent peak at approximately 40–50 nm. These wider pore throats, coupled with higher total volume, reflect less efficient space filling during gel growth. The lack of silicate activators in Aachen GP likely contributes to this outcome, as soluble silicates are known to refine porosity and accelerate polymer condensation.
The cumulative pore volume measurements (Figure 11) show that Aachen GP reaches a total pore volume of approximately 0.09 cm3 g−1, more than four times higher than that 0.02 cm3 g−1 observed for Ref GP. Over the curing period from 7 to 28 days, both materials exhibited a slight decrease in average pore width—from 35 nm to 32 nm for Aachen GP, and from 33 nm to 31 nm for Ref GP—indicating a limited but consistent refinement of pore structure during curing.
The BJH-derived pore size distribution revealed that Aachen GP exhibits a multimodal distribution, with a prominent peak in the mesopore region, particularly between 40 and 50 nm, indicating dominant features in this range. These wider pore throats, coupled with higher total volume, reflect less efficient space filling during gel growth. These features are indicative of ineffective particle encapsulation and poor gel-to-particle adhesion, both of which increase permeability and reduce mechanical integrity [30,46]. The persistence of such mesoporous networks also helps explain the elevated water-accessible porosity and the significantly higher permeability values observed in Aachen GP. Together, these characteristics suggest a more open and less consolidated microstructure, which can affect long-term durability and performance in radioactive waste immobilization scenarios.

3.5. Scanning Electron Microscopy (SEM)

SEM investigations revealed clear contrasts in microstructural development between the iron-rich Aachen GP and the BFS-based Ref GP systems. At 7 days, Aachen GP displayed a heterogeneous and incompletely reacted microstructure with visible porosity and unreacted slag grains. By 28 days, the matrix showed partial densification and a more continuous gel, yet residual porosity and inclusions remained, indicating slower reaction kinetics associated with the high Fe content of the precursor. In contrast, Ref GP already exhibited a dense and homogeneous matrix at 7 days with minimal visible porosity; at 28 days further consolidation of the gel network was evident, consistent with a higher degree of precursor reactivity relative to Aachen GP. Across both AAM systems, three distinct microstructural components were consistently identified:
  • Unreacted Precursor Particles: Residual materials observed as bright angular inclusions; EDX indicated high Ca, Si, Al, and Mg with low Na content.
  • Pore Networks: Ref GP exhibited smaller, more uniformly distributed pores, whereas Aachen GP displayed larger, irregular, and often interconnected pores, aligning with its initially higher porosity.
  • AAM Gel Matrix: Ref GP developed a more homogeneous gel structure with Si/Al ratios typically between 1.5 and 3.0, while Aachen GP showed a heterogeneous gel matrix with visible variations in density and composition.
At low magnification (350×), clear differences in the extent of reaction and gel densification were observed. Aachen GP at 7 days (Figure 12) showed a porous, heterogeneous network with many unreacted slag particles. Pixel-based image analysis confirmed a porosity of approximately 14.8%. By 28 days (Figure 13), the porosity remained high at 13.9%, with bright inclusions of inert Fe-rich particles embedded in the matrix. In contrast, Ref GP exhibited a denser structure from the outset: at 7 days (Figure 14) the porosity was 11.9%, decreasing slightly to 10.6% at 28 days (Figure 15). These results confirm that BFS-based mixes achieve more efficient matrix densification than Fe-rich systems at equivalent curing times.
At intermediate magnification (790×), pore morphology became more distinct. Aachen GP at 28 days (Figure 16) showed large, irregular, and interconnected pores with 15.2% porosity, indicating incomplete gel encapsulation. By contrast, Ref GP at 28 days (Figure 17) exhibited finer, tortuous pores with a lower porosity of 9.8%, consistent with advanced alkali-activation and denser gel network formation.
At high magnification (5000×), the contrasts between systems became most pronounced. Aachen GP at 28 days (Figure 18) displayed rough, discontinuous gel regions with bright Fe-rich inclusions and irregular pore morphologies, corresponding to 16.5% porosity. In contrast, Ref GP at 28 days (Figure 19) showed a refined, densely packed gel matrix with smooth gel regions, limited residual particles, and homogeneously distributed microporosity, with a much lower porosity of 8.7%.
Quantitative analyses supported these observations. Surface porosity (Fiji) showed that Aachen GP had 15% porosity at 7 days versus 12% for Ref GP; by 28 days, both systems converged to ∼10%, although Aachen GP retained greater textural irregularity, indicating slower and less efficient densification. Pixel-level segmentation confirmed porosity ranges of 14.8%–16.5% for Aachen GP and 8.7%–11.9% for Ref GP across scales.
EDX compositional ranges further highlighted the contrast: Ref GP contained oxygen (39.64%–54.88%), silicon (8.76%–19.86%), calcium (6.18%–20.27%), sodium (3.41%–7.36%), aluminum (3.18%–7.04%), and minimal iron (0.00%–0.17%). Aachen GP exhibited oxygen (32.60%–55.13%), silicon (10.13%–18.37%), calcium (4.21%–31.40%), sodium (2.95%–8.34%), aluminum (3.22%–7.24%), and higher iron (0.00%–4.27%).
These findings are consistent with prior observations in Fe-rich AAM systems. Beersaerts et al. [46] showed that Fe-rich slag suspensions form interfacial oxide layers during early hydration, hindering complete dissolution and yielding loosely bound, porous microstructures. Lemougna et al. [30] reported that iron species can adopt distorted tetrahedral or fivefold coordination, disrupting gel continuity and delaying matrix organization. In the present study, the rougher matrix morphology and persistent unreacted particles in Aachen GP are consistent with these mechanisms. This microstructural evidence also explains the lower compressive strength and higher permeability observed in Aachen GP compared with Ref GP. The EDX analysis further supports this interpretation: Aachen GP exhibited Fe contents up to 4.27%, whereas Ref GP showed only trace levels (≤0.17%). Such elevated Fe signatures align with the presence of iron-rich phases that, as Bernal et al. [34] noted, remain largely inert and physically embedded rather than contributing to the reactive gel, potentially acting as stress concentrators.

3.6. Microstructural and Phase Development

3.6.1. Gel Structure: Attenuated Total Reflectance Fourier Transform Infrared Spectroscopy (ATR-FTIR) Analysis

ATR-FTIR spectroscopy was used to evaluate the molecular structure evolution of Ref GP and Aachen GP at 7 and 28 days.
All spectra were processed and analyzed using the Bruker OPUS software (version 8.5) supplied with the ATR-FTIR instrument. Band positions were manually identified from the raw spectra without automated peak fitting, and their corresponding vibration assignments were made based on previously published studies on alkali-activated and Fe-rich slag systems [30,32,50,51,52]. This approach ensured that each reported wavenumber corresponds to a well-established stretching or bending vibration group verified in the literature. The FTIR spectra for all samples are presented in Figure 20, and a detailed overview of the major FTIR bands and their structural assignments for Aachen GP at 28 days is summarized in Table 7.
Broad absorption bands were observed around 3400 cm−1 across all samples, corresponding to O–H stretching vibrations from physically bound water and hydroxyl groups [32,50,52,53]. These bands remained approximately stable over time. H–O–H bending vibrations appeared at 1650 cm−1 for all formulations and curing ages, consistent with characteristic water-related features in alkali-activated slag systems [32,50,52,53]. For Aachen GP, the carbonate-related C–O stretching band was observed at 1410 cm−1 after 7 days and at 1475 cm−1 after 28 days [50,52,53], while for Ref GP, the carbonate band appeared at 1400 cm−1. The Si–O–T asymmetric stretching band in Aachen GP appeared at 970 cm−1 after 7 days and shifted to 960 cm−1 after 28 days [46,50]. This evolution indicates a gradual progression in network polymerization. However, the broad shape and relatively high initial wavenumber of the band suggest an incomplete or less connected gel network, particularly at early age. In contrast, the Ref GP sample shows a consistently lower and sharper Si–O–T band (around 960 cm−1), indicating a more advanced degree of silicate polymerization. The delayed and diffuse band response in Aachen GP may be attributed to iron disrupting the aluminosilicate framework or participating in alternate bonding environments, as reflected by the broader FTIR features and slower structural development [53].
In the case of Aachen GP, additional peaks were detected in the lower wavenumber region, particularly at 670 cm−1 and 514 cm−1, which are tentatively assigned to Si–O–Fe linkages. These features are consistent with literature reports on iron-rich alkali-activated materials, especially in KOH-activated systems, indicating possible incorporation of iron into the silicate network [52]. In NaOH-activated matrices such as Aachen GP, however, the intensity of these bands is typically lower and may overlap with Al–O or Si–O bending modes, warranting cautious interpretation. Additionally, a weak band near 550 cm−1, shifting slightly to 560 cm−1 at 28 days, may correspond to Fe–O stretching vibrations [32,51,54]. Similar low-wavenumber features were not observed in the Ref GP spectra, further highlighting the influence of iron in the Aachen GP formulation. Si–O–Si bending and O–Si–O deformation bands were observed in the 790 cm−1 to 650 cm−1 range for both systems, with a distinct Si–O–Si bending band at 700 cm−1 [50]. Additional features in the 625 cm−1 to 830 cm−1 region may include overlapping Si–O vibrations and fayalite-related bands, as previously reported in FTIR analysis of iron-rich slags [32]. The spectra of Aachen GP, particularly in the low wavenumber region (400 cm−1 to 800 cm−1), appeared more complex, with multiple overlapping bands and greater intensity variation, likely due to iron-containing bonds. Similar features have been reported in prior studies on iron-rich slag systems [50]. The ATR-FTIR spectra of Aachen GP therefore revealed higher band positions for the main Si–O–T stretching vibration compared to Ref GP, suggesting a lower degree of polymerisation and altered gel composition. This shift can be attributed to the partial substitution of Fe into the silicate network. As shown by Lemougna et al. [30], Fe in alkali-activated systems can be incorporated into the gel network in distorted tetrahedral or five-fold coordination, influencing the band shape and position in the 950–1000 cm−1 region. Tentative low-intensity bands at 670 and 514 cm−1 in Aachen GP may indicate Si–O–Fe linkages, although overlap with Al–O or Si–O bending modes makes this interpretation cautious [52]. Additionally, a weak shoulder at 880 cm−1 may reflect delayed gel development or early Fe substitution, though this assignment remains speculative.
The absence of a strong silicate activator in Aachen GP likely exacerbated these effects, as the system must rely on in situ dissolution of the iron-rich slag to supply reactive silica. This condition limits gel reorganisation and condensation, leading to broader and higher wavenumber bands, consistent with lower polymerisation [31]. The complexity of the low-frequency region, including a weak Fe–O vibration near 550–560 cm−1, supports the conclusion that iron is not merely inert but chemically participates in gel formation, albeit in a structurally disruptive manner. The limited early-age binder formation was reflected in both the delayed stabilization of the Si–O–T band and the persistence of broad, low-intensity features in the 900 cm−1 to 1000 cm−1 region. The absence of a sharp and well-defined framework vibration at early age implies incomplete network polymerization at 7 days, further correlating with low calorimetric heat release and slow setting behavior.

3.6.2. Phase Evolution and Crystalline Interference: X-Ray Diffraction (XRD) Analysis

X-ray diffraction (XRD) analysis was performed to investigate the crystalline and amorphous phase composition of the raw iron-rich slag precursor (Figure 21). The pattern shows a broad amorphous hump between 15° and 35° 2 θ , characteristic of a partially glassy matrix, superimposed with distinct crystalline reflections. Identified crystalline phases include fayalite (Fe2SiO4; 25.0°, 31.7°, 34.4°, 51.3°, 52.5°), the iron oxides hematite (Fe2O3; 24.2°, 37.7°, 49.8°) and magnetite (Fe3O4; 43.3°), feldspar/melilite-type (28.1°), and the silica polymorphs cristobalite (21.9°) and quartz (26.6°), together with minor Fe–silicide (FeSi; 26.6°). These crystalline phases confirm the metallurgical origin and high Fe content of the slag, with fayalite representing the dominant Fe-bearing component. The coexistence of hematite and magnetite reflects partial oxidation of Fe2+ species during slag cooling, while fayalite and Fe–silicide are expected to remain largely inert under alkaline activation, persisting as unreacted crystalline inclusions within the hardened matrix.
For clarity, the principal reflections are attributed as follows: fayalite (Fe2SiO4; 25.0°, 31.7°, 34.4°, 51.3°, 52.5°), hematite (Fe2O3; 24.2°, 37.7°, 49.8°; strongest 33–36° peaks overlap ZnO internal-standard reflections), magnetite (Fe3O4; 43.3°), quartz (26.6°), cristobalite (21.9°), feldspar/melilite-type (28.1°), and minor Fe–silicide (FeSi; 26.6°, tentative). This explicit mapping allows straightforward identification of each crystalline phase from the labeled 2 θ values.
The 7-day and 28-day XRD patterns of Aachen GP (Figure 22 and Figure 23) display the typical broad amorphous hump between 20–36° 2 θ , indicating the formation of an alkali-activated gel, together with faint crystalline peaks attributed to calcite, corundum ( α -Al2O3), cristobalite, quartz, and fayalite. After 28 days, the amorphous fraction remained stable, while weak reflections corresponding to metallic Fe-bearing phases (Fe0/Fe–silicide signatures at higher angles only) and low-cristobalite SiO2 became slightly more visible, suggesting minor secondary crystallization and redox-related transformations within the Fe-rich matrix. In contrast, the reference BFS-based Ref GP shows a more intense amorphous hump and clearer quartz and calcite peaks, consistent with greater BFS dissolution and gel reorganization.
Figure 24 provides a direct comparison of all diffraction patterns (Ref GP and Aachen GP at 7 and 28 days). Both systems exhibit the characteristic 20–36° 2 θ amorphous hump of alkali-activated gels. Ref GP shows more distinct residual quartz and calcite reflections, whereas Aachen GP retains broader features linked to Fe-bearing residues. The attenuation of fayalite-related reflections (e.g., 25.0°) compared with the raw slag and the emergence of a dominant amorphous hump confirm partial dissolution of Fe–silicates during activation. The persistence of faint Fe-bearing peaks in Aachen GP indicates incomplete precursor dissolution and slower calcium-assisted gel polymerization in the Fe-rich matrix, despite an overall amorphous content of approximately 80%–85%.
Quantitative phase compositions derived from Rietveld refinement are illustrated in Figure 25, and the corresponding numerical values are summarized in Table 8. These results corroborate that both binders are largely amorphous (>75%) with only minor crystalline residues that evolve modestly with curing age.
Overall, the XRD data demonstrate that Fe-rich AAMs (Aachen GP) undergo slower dissolution and incomplete phase reorganization compared with the Ca-dominant Ref GP. Persistent inert phases such as fayalite and Fe oxides, together with the delayed emergence of SiO2 and Fe–silicide, indicate slower gel maturation and secondary precipitation processes. These findings agree with Bernal et al. [34], Lemougna et al. [30], and Mancini et al. [35], who reported that Fe-bearing phases in slag-based binders remain largely undissolved and localize within the amorphous fraction. Consequently, only a small fraction of iron becomes chemically incorporated into the gel network, while most persists as crystalline residues that influence redox balance and reduce long-range structural ordering—consistent with the lower mechanical strength and more heterogeneous microstructure observed for Aachen GP. The textural persistence of Fe-bearing residues (e.g., fayalite) and residual quartz aligns with SEM-observed heterogeneity and the delayed reaction kinetics indicated by calorimetry.

3.7. Thermal Stability and Gel Hydration: Thermogravimetric Analysis (TGA)

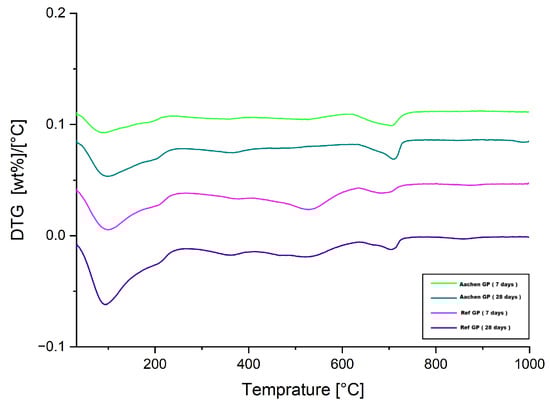
Thermogravimetric analysis (TGA) was conducted to examine the thermal decomposition profiles of Ref GP and Aachen GP samples at 7 and 28 days of curing. The TGA curves in Figure 26 illustrate temperature-dependent mass loss across all samples, with multistep decomposition behavior observed in the range of 25 to 950 °C. All samples exhibited an initial mass loss below 105 °C, associated with the evaporation of physically adsorbed moisture. A second dominant mass loss step was recorded between 105 and 600 °C, corresponding to the release of chemically bound water from gel phases. Beyond 600 °C, further weight loss was observed, attributed to the decomposition of carbonate phases and the formation of crystalline residues.
The derivative thermogravimetric (DTG) curves in Figure 27 provide further insight into the decomposition kinetics, showing distinct peaks corresponding to each decomposition stage. For clarity, vertically shifted DTG curves are presented in Figure 28 to aid in distinguishing overlapping thermal events. Quantitative evaluation of mass loss showed that Ref GP samples had higher total weight loss than Aachen GP samples at both curing times. The calculated values for total mass loss (up to 950 °C) and bound water content (105–600 °C) are summarized in Table 9. Longer curing times resulted in increased bound water and overall mass loss for both material systems.
The higher bound water content observed in Ref GP—reflected by greater mass loss in the 105–600 °C range—indicates more extensive gel formation. This trend is consistent with the calorimetric data, which showed higher cumulative heat release and more pronounced exothermic activity in Ref GP, reflecting a more complete dissolution–polycondensation sequence. In contrast, the reduced bound water content in Aachen GP correlates with its lower reactivity, as evidenced by isothermal calorimetry, lower mechanical strength, and greater microstructural porosity. These results confirm that iron-rich formulations under NaOH activation produce fewer reactive monomers. As demonstrated by Bernal et al. [34] and Adediran et al. [53], Fe-rich slags often contain phases that do not participate in gel formation and instead persist as inert inclusions—consistent with the limited mass loss observed during gel dehydroxylation and secondary phase breakdown.
Moreover, the weaker decomposition peaks associated with layered double hydroxides (LDH) and carbonates in Aachen GP indicate fewer secondary hydration products, complementing the FTIR and XRD findings that revealed delayed gel formation and incomplete phase evolution. Adediran et al. [53] highlighted that higher gel maturity corresponds to increased thermal signals from stable LDH and carbonate phases, a characteristic more evident in the Ref GP matrix.
Taken together, the thermal stability trends observed in TGA reinforce the broader interpretation from SEM and porosity data: Aachen GP forms a less dense, poorly hydrated matrix with elevated water-accessible porosity and higher permeability. The lower dissolution of iron slag confirms that iron not only reduces reaction kinetics but also limits gel yield, thereby weakening the material’s structural cohesion. These findings underscore the need for tailored mix designs or silicate-enhanced activation strategies when using Fe-rich slag systems for durable waste immobilization applications.
The lower bound-water content quantified by TGA (Aachen GP: 4.6% vs Ref GP: 9.1%) is consistent with the reduced reaction extent inferred from calorimetry and with the XRD and SEM evidence of persistent inert phases and higher residual porosity, thereby providing an additional quantitative basis for the ≈65% lower compressive strength of Aachen GP.

4. Conclusions

This study investigated the fresh, mechanical, and microstructural performance of two alkali-activated materials prepared from blast furnace slag (Ref GP) and a 50:50 blend of blast furnace slag and iron-rich slag (Aachen GP) to assess their suitability for nuclear waste immobilization.
The results demonstrate that the presence of iron markedly influenced the reaction kinetics and final structure of the alkali-activated matrix. Compared with the reference mix, the iron-rich system showed lower workability and delayed setting (final setting time of 32.9 h compared with 16.4 h for Ref GP) due to increased paste viscosity and slower gel formation. Isothermal calorimetry confirmed a delayed and less intense exothermic profile, with cumulative heat release reduced from approximately 90 J/g in Ref GP to 70 J/g in Aachen GP, indicating suppressed precursor dissolution and slower gel growth.
At 28 days, Ref GP achieved a compressive strength of 43 MPa, while Aachen GP reached 14.4 MPa, still exceeding the minimum mechanical threshold (8–10 MPa) required for cementitious waste forms. Flexural strength followed the same trend (9.6 MPa for Ref GP and 4.8 MPa for Aachen GP), confirming that iron substitution significantly reduced matrix cohesion but retained sufficient load-bearing capacity for low- and intermediate-level waste encapsulation.
Transport and porosity tests revealed that the iron-rich geopolymer had higher water-accessible porosity (38.4%) and a permeability coefficient three orders of magnitude greater ( 1.4 × 10 10 m/s) than Ref GP ( 2.8 × 10 13 m/s). BET analysis showed a higher specific surface area (12.4 m2/g versus 6.8 m2/g), consistent with a more open pore network and increased mesoporosity. These differences confirm that iron incorporation disrupts gel densification and contributes to a coarser pore structure.
Microstructural and spectroscopic analyses supported these findings. XRD showed that both matrices were largely amorphous but that Aachen GP retained crystalline Fe-bearing phases (fayalite and Fe–silicide), while FTIR spectra displayed a Si–O–T band shift from 970 cm−1 to 960 cm−1 and additional Fe–O vibrations near 550–670 cm−1, signifying partial Fe incorporation within the aluminosilicate framework. SEM images further revealed a more heterogeneous and porous microstructure for Aachen GP, with unreacted slag grains embedded in an Fe-modified gel matrix.
Thermogravimetric analysis (TGA) confirmed these microstructural differences, showing lower bound water and total mass losses for Aachen GP (4.59% and 8.32%, respectively) compared with Ref GP (9.13% and 13.43%), reflecting reduced gel formation and limited hydration.
Overall, the findings demonstrate that iron addition slows alkali activation, limits polymerization, and leads to increased porosity and reduced mechanical performance, although the final product still satisfies the regulatory strength criteria for radioactive waste immobilization. The combination of high thermal stability, low heat evolution, and adequate strength indicates that iron-rich alkali-activated binders can serve as sustainable matrices for low- to intermediate-level waste forms. Future work should focus on optimizing silicate activator composition, assessing long-term leaching and radiation stability, and refining the mix design to balance iron’s benefits with microstructural integrity.

Author Contributions

S.A.F.A.: Conceptualization, Methodology, Investigation, Formal analysis, Data curation, Visualization, Writing—original draft; L.F.: Methodology, Technical support, Validation, Writing—review & editing; E.M.: Investigation, Formal analysis, Validation, Writing—review & editing; M.I.O.: Supervision, Writing—review & editing; H.-J.S.: Conceptualization, Supervision, Project administration, Partial funding acquisition. All authors have read and agreed to the published version of the manuscript.

Funding

This research did not receive an external research grant. The work was supported by FH Aachen–University of Applied Sciences (Aachen, Germany), which funded a three-month internship undertaken by the first author. The fourth month of the internship at the Belgian Nuclear Research Centre (SCK CEN, Mol, Belgium) was self-funded by the first author. SCK CEN provided full access to laboratory facilities and instrumentation for the entire four-month period without any financial contribution. No funding number is applicable.

Data Availability Statement

The data that support the findings of this study are available from the first author, Shymaa Ali Fathi Ali, upon reasonable request. Raw data and analysis files from scanning electron microscopy (SEM–EDX), X-ray diffraction (XRD), FTIR spectroscopy, isothermal calorimetry, and other characterization techniques are held by the first author, with archival copies maintained at Aachen University of Applied Sciences. The iron-rich slag samples used in this study were provided by Siempelkamp GmbH (Germany) to Aachen University of Applied Sciences. The blast furnace slag and other materials were accessed through the Belgian Nuclear Research Centre (SCK CEN) during the master’s thesis internship. Material specifications and characterization data are available upon reasonable request from the first author.

Acknowledgments

The authors thank Siempelkamp GmbH (Germany) for supplying the iron-rich slag samples used in this study. We acknowledge Hans-Jürgen Steinmetz (FH Aachen University of Applied Sciences) for project oversight and administrative support, and Michael I. Ojovan (Imperial College London) for academic supervision. Special thanks are extended to Lander Frederickx and Emile Mukiza (SCK CEN) for their continuous technical guidance, progress meetings, and practical support during the experimental program. During the preparation of this work, the authors used Claude 3.5 Sonnet (Anthropic) to assist with grammar checks, readability improvements, and verification of LaTeX formatting. After using this tool, the authors reviewed and edited all content as needed and take full responsibility for the final manuscript.

Conflicts of Interest

The authors declare no conflicts of interest.

References

  1. International Atomic Energy Agency. Status and Trends in Spent Fuel and Radioactive Waste Management; Technical Report NW-T-1.14 (Rev. 1); International Atomic Energy Agency: Vienna, Austria, 2022. [Google Scholar]
  2. Ojovan, M.I.; Steinmetz, H.J. Approaches to Disposal of Nuclear Waste. Energies 2022, 15, 7804. [Google Scholar] [CrossRef]
  3. Davidovits, J. Geopolymers: Inorganic Polymeric New Materials. J. Therm. Anal. 1991, 37, 1633–1656. [Google Scholar] [CrossRef]
  4. Ayele, T.B.; Duguma, A.B.; Bekele, A.M.; Huang, W.; Abegaz, F. Recent Advances in Alternative Cementitious Materials for Nuclear Waste Immobilization: A Review. Sustainability 2023, 15, 689. [Google Scholar] [CrossRef]
  5. Andrew, R.M. Global CO2 emissions from cement production, 1928–2017. Earth Syst. Sci. Data 2018, 10, 195–217. [Google Scholar] [CrossRef]
  6. Gartner, E. Industrially interesting approaches to “low-CO2” cements. Cem. Concr. Res. 2004, 34, 1489–1498. [Google Scholar] [CrossRef]
  7. Thwe, E.; Khatiwada, D.; Gasparatos, A. Life cycle assessment of a cement plant in Naypyitaw, Myanmar. Clean. Environ. Syst. 2021, 2, 100007. [Google Scholar] [CrossRef]
  8. Teh, S.; Wiedmann, T.; Castel, A.; de Burgh, J. Hybrid life cycle assessment of greenhouse gas emissions from cement, concrete and geopolymer concrete in Australia. J. Clean. Prod. 2017, 152, 312–320. [Google Scholar] [CrossRef]
  9. McLellan, B.; Williams, R.; Lay, J.; van Riessen, A.; Corder, G. Costs and carbon emissions for geopolymer pastes in comparison to ordinary Portland cement. J. Clean. Prod. 2011, 19, 1080–1090. [Google Scholar] [CrossRef]
  10. UN Environment; Scrivener, K.; John, V.; Gartner, E. Eco-efficient cements: Potential economically viable solutions for a low-CO2 cement-based materials industry. Cem. Concr. Res. 2018, 114, 2–26. [Google Scholar] [CrossRef]
  11. Provis, J.L.; Bernal, S.A. Geopolymers and Related Alkali-Activated Materials. Annu. Rev. Mater. Res. 2014, 44, 299–327. [Google Scholar] [CrossRef]
  12. Provis, J.L.; van Deventer, J.S.J. Alkali-activated Materials: State-of-the-Art Report. In RILEM Technical Committee 224-AAM; Springer: Dordrecht, The Netherlands, 2014; pp. 1–388. [Google Scholar] [CrossRef]
  13. Bhuyan, M.; Kurtulus, C.; Heponiemi, A.; Luukkonen, T. Peracetic acid as a novel blowing agent in the direct foaming of alkali-activated materials. Appl. Clay Sci. 2023, 231, 106727. [Google Scholar] [CrossRef]
  14. Bhuyan, M.; Gebre, R.; Finnilä, M.; Illikainen, M.; Luukkonen, T. Preparation of filter by alkali activation of blast furnace slag and its application for dye removal. J. Environ. Chem. Eng. 2021, 10, 107051. [Google Scholar] [CrossRef]
  15. Komljenović, M.; Tanasijević, G.; Džunuzović, N.; Provis, J. Immobilization of cesium with alkali-activated blast furnace slag. J. Hazard. Mater. 2020, 388, 121765. [Google Scholar] [CrossRef]
  16. Bernal, S.A.; Provis, J.L.; Rose, V.; Mejia de Gutierrez, R. Evolution of binder structure in alkali-activated slag–metakaolin blends. Cem. Concr. Res. 2014, 66, 27–36. [Google Scholar] [CrossRef]
  17. Ojovan, M.I.; Lee, W.E. An Introduction to Nuclear Waste Immobilisation, 2nd ed.; Elsevier: Amsterdam, The Netherlands, 2014. [Google Scholar]
  18. Provis, J.L. Alkali-activated materials. Cem. Concr. Res. 2018, 114, 40–48. [Google Scholar] [CrossRef]
  19. Sugama, T.; Kojima, T. Radiation-resistant alkali–phosphate cements for immobilizing radioactive wastes. J. Mater. Sci. 1996, 31, 1413–1420. [Google Scholar] [CrossRef]
  20. Zhang, Y.; Sun, W.; Li, Z. Permeability of alkali-activated slag and fly ash concrete. Cem. Concr. Res. 2013, 42, 1445–1453. [Google Scholar] [CrossRef]
  21. Vivekanand, V.; Singh, R.; Kumar, S. Utilization of alkali activated materials for high waste loading in radioactive waste immobilization. J. Hazard. Mater. 2020, 399, 123051. [Google Scholar] [CrossRef]
  22. Komnitsas, K.; Zaharaki, D. Geopolymerisation: A Review and Prospects for the Minerals Industry. Miner. Eng. 2007, 20, 1261–1277. [Google Scholar] [CrossRef]
  23. Walkley, B.; Ke, X.; Hussein, O.; Bernal, S.; Provis, J. Incorporation of strontium and calcium in geopolymer gels. J. Hazard. Mater. 2019, 382, 121015. [Google Scholar] [CrossRef]
  24. El Alouani, M. Application of geopolymers for treatment of water contaminated with organic and inorganic pollutants: State-of-the-art review. J. Environ. Chem. Eng. 2021, 9, 105095. [Google Scholar] [CrossRef]
  25. Lin, W. Performance study of ion exchange resins solidification using metakaolin-based geopolymer binder. Prog. Nucl. Energy 2020, 129, 103508. [Google Scholar] [CrossRef]
  26. Girke, N.; Steinmetz, H.; Bukaemsky, A.; Bosbach, D.; Hermann, E.; Griebel, I. Cementation of Nuclear Graphite using Geopolymers. In Proceedings of the Proceedings of the NUWCEM 2011, Avignon, France, 11–14 October 2011; pp. 11–14. [Google Scholar]
  27. Frederickx, L.; Mukiza, E.; Phung, Q.T. Leaching of a Cs- and Sr-Rich Waste Stream Immobilized in Alkali-Activated Matrices. Sustainability 2025, 17, 1756. [Google Scholar] [CrossRef]
  28. Duxson, P.; Fernández-Jiménez, A.; Provis, J.L.; Lukey, G.C.; Palomo, A.; van Deventer, J.S.J. Geopolymer Technology: The Current State of the Art. J. Mater. Sci. 2007, 42, 2917–2933. [Google Scholar] [CrossRef]
  29. Criado, M.; Palomo, A.; Fernández-Jiménez, A. Alkali activation of fly ashes. Part 1: Effect of curing conditions on the carbonation of the reaction products. Fuel 2005, 84, 2048–2054. [Google Scholar] [CrossRef]
  30. Lemougna, P.N.; MacKenzie, K.J.D.; Jameson, G.N.L.; Rahier, H.; Melo, U.F.C. The role of iron in the formation of inorganic polymers (geopolymers) from volcanic ash: A 57Fe Mössbauer spectroscopy study. J. Mater. Sci. 2013, 48, 5280–5286. [Google Scholar] [CrossRef]
  31. Ponomar, V.; Yliniemi, J.; Adesanya, E.; Ohenoja, K.; Illikainen, M. An overview of the utilisation of Fe-rich residues in alkali-activated binders: Mechanical properties and state of iron. J. Clean. Prod. 2022, 330, 129900. [Google Scholar] [CrossRef]
  32. Adediran, A.; Yliniemi, J.; Lemougna, P.N.; Perumal, P.; Illikainen, M. Recycling high volume Fe-rich fayalite slag in blended alkali-activated materials: Effect of ladle and blast furnace slags on the fresh and hardened state properties. J. Build. Eng. 2023, 63, 105436. [Google Scholar] [CrossRef]
  33. Bell, J.L.; Kriven, W.M. Formation of an Iron-based Inorganic Polymer (Geopolymer). J. Ceram. Eng. Sci. Proc. 2009, 30, 301–312. [Google Scholar] [CrossRef]
  34. Bernal, S.; Rose, V.; Provis, J. The fate of iron in blast furnace slag particles during alkali-activation. Mater. Chem. Phys. 2014, 146, 1–5. [Google Scholar] [CrossRef]
  35. Mancini, A.; Lothenbach, B.; Geng, G.; Grolimund, D.; Sanchez, D.F.; Fakra, S.C.; Dähn, R.; Wehrli, B.; Wieland, E. Iron Speciation in Blast Furnace Slag Cements. Cem. Concr. Res. 2021, 140, 106287. [Google Scholar] [CrossRef]
  36. Lemougna, P.N.; Wang, K.t.; Tang, Q.; Cui, X.m. Study on the Development of Inorganic Polymers from Red Mud and Slag System: Application in Mortar and Lightweight Materials. Constr. Build. Mater. 2017, 156, 486–495. [Google Scholar] [CrossRef]
  37. Nikolov, A.; Rostovsky, I.; Nugteren, H. Geopolymer Materials Based on Natural Zeolite. Case Stud. Constr. Mater. 2017, 6, 1–6. [Google Scholar] [CrossRef]
  38. Komnitsas, K.; Zaharaki, D.; Perdikatsis, V. Effect of synthesis parameters on the compressive strength of low-calcium ferronickel slag inorganic polymers. J. Hazard. Mater. 2009, 161, 760–768. [Google Scholar] [CrossRef] [PubMed]
  39. Nguyen, T.N.; Phung, Q.T.; Frederickx, L.; Jacques, D.; Dauzères, A.; Elsen, J.; Pontikes, Y. Microstructural evolution and its impact on the mechanical strength of typical alkali-activated slag subjected to accelerated carbonation. Dev. Built Environ. 2024, 19, 100519. [Google Scholar] [CrossRef]
  40. EN 15167-1; Ground Granulated Blast Furnace Slag for Use in Concrete, Mortar and Grout—Part 1: Definitions, Specifications and Conformity Criteria. European Committee for Standardization: Brussels, Belgium, 2006.
  41. EN 196-3; Methods of Testing Cement—Part 3: Determination of Setting Times and Soundness. European Committee for Standardization: Brussels, Belgium, 1995.
  42. Jacops, E.; Phung, Q.T.; Frederickx, L.; De Schutter, G.; Verhoef, E.; Maes, N. Diffusive Transport of Dissolved Gases in Potential Concretes for Nuclear Waste Disposal. Sustainability 2021, 13, 10007. [Google Scholar] [CrossRef]
  43. Phung, Q.T.; Maes, N.; De Schutter, G.; Jacques, D.; Ye, G. Determination of water permeability of cementitious materials using a controlled constant flow method. Constr. Build. Mater. 2013, 47, 1488–1496. [Google Scholar] [CrossRef]
  44. Phung, Q.T.; Maes, N.; Jacques, D.; Bruneel, E.; Van Driessche, I.; Ye, G.; De Schutter, G. Effect of Limestone Fillers on Microstructure and Permeability Due to Carbonation of Cement Pastes Under Controlled CO2 Pressure Conditions. Constr. Build. Mater. 2015, 82, 376–390. [Google Scholar] [CrossRef]
  45. Döbelin, N.; Kleeberg, R. Profex: A graphical user interface for the Rietveld refinement program BGMN. J. Appl. Crystallogr. 2015, 48, 1573–1580. [Google Scholar] [CrossRef]
  46. Beersaerts, G.; Vananroye, A.; Sakellariou, D.; Clasen, C.; Pontikes, Y. Rheology of an alkali-activated Fe-rich slag suspension. J. Non-Cryst. Solids 2021, 561, 120747. [Google Scholar] [CrossRef]
  47. Jiao, Z.; Wang, Y.; Zheng, W.; Huang, W. Effect of Dosage of Alkaline Activator on the Properties of Alkali-Activated Slag Pastes. Adv. Mater. Sci. Eng. 2018, 2018, 1–12. [Google Scholar] [CrossRef]
  48. ONDRAF/NIRAS. Waste Plan for the Long-Term Management of Conditioned High-Level and/or Long-Lived Radioactive Waste and Overview of Related Issues; Technical Report NIROND 2011-02 E; Belgian Agency for Radioactive Waste and Enriched Fissile Materials: Genappe, Belgium, 2011. [Google Scholar]
  49. Commission on Storage of High-Level Radioactive Waste. Final Report: Responsibility for the Future-Nuclear Waste Management in Germany; Technical Report; Federal Ministry for the Environment, Nature Conservation and Nuclear Safety: Berlin, Germany, 2024.
  50. Nikolov, A. Alkali-activated geopolymers based on iron-rich slag from copper industry. In Proceedings of the IOP Conference Series: Materials Science and Engineering, Chennai, India, 24–29 February 2020; Volume 951, p. 012006. [Google Scholar] [CrossRef]
  51. Ponomar, V.; Adesanya, E.; Ohenoja, K.; Illikainen, M. High-temperature performance of slag-based Fe-rich alkali-activated materials. Cem. Concr. Res. 2022, 161, 106960. [Google Scholar] [CrossRef]
  52. Chemist, A.; ul Amin, N.; Ahmad, H.; Noor, S.; Sultana, S.; Huzaifa, U.; Ahmad, H.; Awwad, F.; Ismail, E. Synthesis and characterization of novel iron-modified geopolymer cement from laterite clay as low energy material. AIP Adv. 2024, 14, 025209. [Google Scholar] [CrossRef]
  53. Adediran, A.; Yliniemi, J.; Moukannaa, S.; Ramteke, D.; Perumal, P.; Illikainen, M. Enhancing the thermal stability of alkali-activated Fe-rich fayalite slag-based mortars by incorporating ladle and blast furnace slags: Physical, mechanical and structural changes. Cem. Concr. Res. 2023, 166, 107098. [Google Scholar] [CrossRef]
  54. Nikolov, A.; Titorenkova, R.; Velinov, N.; Delcheva, Z. Characterization of a novel geopolymer based on acid-activated fayalite slag from local copper industry. Bulg. Chem. Commun. 2019, 50, 54–60. [Google Scholar]
Figure 1. Coarse iron-rich slag feedstock prior to milling and sieving. The photograph shows irregularly shaped slag fragments exhibiting heterogeneous texture and color.
Figure 1. Coarse iron-rich slag feedstock prior to milling and sieving. The photograph shows irregularly shaped slag fragments exhibiting heterogeneous texture and color.
Minerals 15 01229 g001
Figure 2. Demolded Aachen GP cubic specimen (40 × 40 × 40 mm) prior to curing used for compressive strength testing and other analysis.
Figure 2. Demolded Aachen GP cubic specimen (40 × 40 × 40 mm) prior to curing used for compressive strength testing and other analysis.
Minerals 15 01229 g002
Figure 3. Demolded Aachen GP prismatic specimens (40 × 40 × 160 mm) prior to curing used for flexural strength testing.
Figure 3. Demolded Aachen GP prismatic specimens (40 × 40 × 160 mm) prior to curing used for flexural strength testing.
Minerals 15 01229 g003
Figure 4. Viscosity development of Ref GP and Aachen GP over 60 min. Linear trendlines are fitted to the experimental data. Key viscosity values are annotated on the curves: Aachen GP (initial 2000 mPa·s, final ≈ 3110 mPa·s) and Ref GP (initial 870 mPa·s, final ≈ 1970 mPa·s), highlighting the higher viscosity and faster thickening of the iron-rich AAM.
Figure 4. Viscosity development of Ref GP and Aachen GP over 60 min. Linear trendlines are fitted to the experimental data. Key viscosity values are annotated on the curves: Aachen GP (initial 2000 mPa·s, final ≈ 3110 mPa·s) and Ref GP (initial 870 mPa·s, final ≈ 1970 mPa·s), highlighting the higher viscosity and faster thickening of the iron-rich AAM.
Minerals 15 01229 g004
Figure 5. Heat flow curves of alkali-activated materials (AAMs) during isothermal activation, showing full heat evolution over 15 days, the first exothermic peak, and the second acceleration peak for Ref GP, Aachen GP, and Modified Aachen GP. The purple line represents Ref GP (100% BFS), the green line represents Aachen GP (50% BFS + 50% iron-rich slag), and the pink line represents Modified Aachen GP (25% BFS + 75% iron-rich slag).
Figure 5. Heat flow curves of alkali-activated materials (AAMs) during isothermal activation, showing full heat evolution over 15 days, the first exothermic peak, and the second acceleration peak for Ref GP, Aachen GP, and Modified Aachen GP. The purple line represents Ref GP (100% BFS), the green line represents Aachen GP (50% BFS + 50% iron-rich slag), and the pink line represents Modified Aachen GP (25% BFS + 75% iron-rich slag).
Minerals 15 01229 g005
Figure 6. Cumulative heat release of alkali-activated materials (AAMs) during isothermal activation over 15 days. The purple line represents Ref GP (100% BFS), the green line Aachen GP (50% BFS + 50% iron-rich slag), and the pink line Modified Aachen GP (25% BFS + 75% iron-rich slag). Labeled values indicate the final cumulative heat (J g−1) for each formulation, showing a progressive reduction in reaction extent with increasing iron-slag content.
Figure 6. Cumulative heat release of alkali-activated materials (AAMs) during isothermal activation over 15 days. The purple line represents Ref GP (100% BFS), the green line Aachen GP (50% BFS + 50% iron-rich slag), and the pink line Modified Aachen GP (25% BFS + 75% iron-rich slag). Labeled values indicate the final cumulative heat (J g−1) for each formulation, showing a progressive reduction in reaction extent with increasing iron-slag content.
Minerals 15 01229 g006
Figure 7. Flexural strength development of AAMs at 7 and 28 days. The blue line indicates the minimum flexural strength requirement (1MPa) specified by the Belgian nuclear waste acceptance criteria (ONDRAF/NIRAS, 2011) [48]. Error bars represent one standard deviation (±1 SD) from the mean of three independent specimens ( n = 3 ). At 28 days, Ref GP reached 9.62 ± 0.07 MPa, whereas Aachen GP achieved 4.84 ± 0.40 MPa.
Figure 7. Flexural strength development of AAMs at 7 and 28 days. The blue line indicates the minimum flexural strength requirement (1MPa) specified by the Belgian nuclear waste acceptance criteria (ONDRAF/NIRAS, 2011) [48]. Error bars represent one standard deviation (±1 SD) from the mean of three independent specimens ( n = 3 ). At 28 days, Ref GP reached 9.62 ± 0.07 MPa, whereas Aachen GP achieved 4.84 ± 0.40 MPa.
Minerals 15 01229 g007
Figure 8. Compressive strength development of AAMs at 7 and 28 days. The purple bars represent Ref GP (100% BFS), and the green bars represent Aachen GP (50% BFS + 50% iron-rich slag). Blue and turquoise horizontal lines indicate the minimum compressive strength requirements for the Belgian (8 MPa) and German (10 MPa) nuclear waste acceptance criteria, respectively [48,49]. Error bars represent one standard deviation (±1 SD) from the mean of three independent specimens ( n = 3 ). At 28 days, Ref GP reached 43.09 ± 0.10 MPa, whereas Aachen GP achieved 14.24 ± 0.46 MPa.
Figure 8. Compressive strength development of AAMs at 7 and 28 days. The purple bars represent Ref GP (100% BFS), and the green bars represent Aachen GP (50% BFS + 50% iron-rich slag). Blue and turquoise horizontal lines indicate the minimum compressive strength requirements for the Belgian (8 MPa) and German (10 MPa) nuclear waste acceptance criteria, respectively [48,49]. Error bars represent one standard deviation (±1 SD) from the mean of three independent specimens ( n = 3 ). At 28 days, Ref GP reached 43.09 ± 0.10 MPa, whereas Aachen GP achieved 14.24 ± 0.46 MPa.
Minerals 15 01229 g008
Figure 9. Nitrogen adsorption-desorption isotherms of Ref GP (100% BFS) at 28 days and Aachen GP (50% BFS + 50% iron-rich slag) at 28 days showing Type IV behavior with H3 hysteresis loops.
Figure 9. Nitrogen adsorption-desorption isotherms of Ref GP (100% BFS) at 28 days and Aachen GP (50% BFS + 50% iron-rich slag) at 28 days showing Type IV behavior with H3 hysteresis loops.
Minerals 15 01229 g009
Figure 10. Pore size distribution curves of Ref GP (100% BFS) at 28 days and Aachen GP (50% BFS + 50% iron-rich slag) at 28 days derived from BJH analysis.
Figure 10. Pore size distribution curves of Ref GP (100% BFS) at 28 days and Aachen GP (50% BFS + 50% iron-rich slag) at 28 days derived from BJH analysis.
Minerals 15 01229 g010
Figure 11. Cumulative pore volume versus pore diameter for Ref GP (100% BFS) at 28 days and Aachen GP (50% BFS + 50% iron-rich slag) at 28 days showing total accessible pore volume distribution.
Figure 11. Cumulative pore volume versus pore diameter for Ref GP (100% BFS) at 28 days and Aachen GP (50% BFS + 50% iron-rich slag) at 28 days showing total accessible pore volume distribution.
Minerals 15 01229 g011
Figure 12. SEM micrograph of Aachen GP at 7 days (350×) showing a heterogeneous and incompletely reacted microstructure. Bright angular regions labeled U correspond to unreacted slag particles, while the darker continuous areas labeled G represent the early-stage alkali-activated gel matrix. Isolated dark zones labeled P denote pores and incomplete densification. A small bright inclusion labeled F indicates a possible Fe-rich nodule. The observed heterogeneity and porosity suggest a delayed geopolymerization process influenced by the high Fe content of the precursor. Legend: U = Unreacted slag particle; G = Gel matrix; P = Pore or void; F = Fe-rich nodule.
Figure 12. SEM micrograph of Aachen GP at 7 days (350×) showing a heterogeneous and incompletely reacted microstructure. Bright angular regions labeled U correspond to unreacted slag particles, while the darker continuous areas labeled G represent the early-stage alkali-activated gel matrix. Isolated dark zones labeled P denote pores and incomplete densification. A small bright inclusion labeled F indicates a possible Fe-rich nodule. The observed heterogeneity and porosity suggest a delayed geopolymerization process influenced by the high Fe content of the precursor. Legend: U = Unreacted slag particle; G = Gel matrix; P = Pore or void; F = Fe-rich nodule.
Minerals 15 01229 g012
Figure 13. SEM micrograph of Aachen GP at 28 days (350×) showing partial densification and remaining unreacted slag grains (U) embedded within the developing alkali-activated gel (G), and residual pores (P) are visible, consistent with incomplete reaction and hindered gel formation due to the high Fe content of the precursor. Legend: U = Unreacted slag particle; G = Gel matrix; P = Pore.
Figure 13. SEM micrograph of Aachen GP at 28 days (350×) showing partial densification and remaining unreacted slag grains (U) embedded within the developing alkali-activated gel (G), and residual pores (P) are visible, consistent with incomplete reaction and hindered gel formation due to the high Fe content of the precursor. Legend: U = Unreacted slag particle; G = Gel matrix; P = Pore.
Minerals 15 01229 g013
Figure 14. SEM micrograph of Ref GP at 7 days (350×), showing a dense and homogeneous alkali-activated matrix. The continuous gel phase (G) dominates the microstructure, with only isolated unreacted slag particles (U) and few visible pores (P). This morphology reflects high precursor reactivity and efficient polymerization of the BFS-based system. Legend: G = Gel matrix; U = Remnant slag particle; P = Pore or void.
Figure 14. SEM micrograph of Ref GP at 7 days (350×), showing a dense and homogeneous alkali-activated matrix. The continuous gel phase (G) dominates the microstructure, with only isolated unreacted slag particles (U) and few visible pores (P). This morphology reflects high precursor reactivity and efficient polymerization of the BFS-based system. Legend: G = Gel matrix; U = Remnant slag particle; P = Pore or void.
Minerals 15 01229 g014
Figure 15. SEM micrograph of Ref GP at 28 days (350×) showing a refined, consolidated gel matrix. Minimal porosity and few unreacted particles remain, indicating advanced alkali-activation and strong matrix densification compared to the Fe-rich system.
Figure 15. SEM micrograph of Ref GP at 28 days (350×) showing a refined, consolidated gel matrix. Minimal porosity and few unreacted particles remain, indicating advanced alkali-activation and strong matrix densification compared to the Fe-rich system.
Minerals 15 01229 g015
Figure 16. SEM micrograph of Aachen GP at 28 days (790×) showing large, irregular, and interconnected pores with residual slag inclusions. The open pore structure indicates incomplete encapsulation by the alkali-activated gel, consistent with the higher measured porosity and slower reaction kinetics.
Figure 16. SEM micrograph of Aachen GP at 28 days (790×) showing large, irregular, and interconnected pores with residual slag inclusions. The open pore structure indicates incomplete encapsulation by the alkali-activated gel, consistent with the higher measured porosity and slower reaction kinetics.
Minerals 15 01229 g016
Figure 17. SEM micrograph of Ref GP at 28 days (790×) showing a denser gel network with a finer, tortuous pore structure and lower overall porosity compared to Aachen GP. This morphology reflects advanced alkali-activation and higher reactivity of the BFS precursor.
Figure 17. SEM micrograph of Ref GP at 28 days (790×) showing a denser gel network with a finer, tortuous pore structure and lower overall porosity compared to Aachen GP. This morphology reflects advanced alkali-activation and higher reactivity of the BFS precursor.
Minerals 15 01229 g017
Figure 18. SEM micrograph of Aachen GP at 28 days (5000×) showing a rough, discontinuous gel structure with Fe-rich inclusions and irregular micropores. This morphology reflects limited densification and disruption of the gel network by iron-bearing phases.
Figure 18. SEM micrograph of Aachen GP at 28 days (5000×) showing a rough, discontinuous gel structure with Fe-rich inclusions and irregular micropores. This morphology reflects limited densification and disruption of the gel network by iron-bearing phases.
Minerals 15 01229 g018
Figure 19. SEM micrograph of Ref GP at 28 days (5000×) showing a compact, smooth gel matrix with homogeneously distributed microporosity. Residual particles are rare, and the continuous matrix indicates advanced alkali-activation and high structural integrity.
Figure 19. SEM micrograph of Ref GP at 28 days (5000×) showing a compact, smooth gel matrix with homogeneously distributed microporosity. Residual particles are rare, and the continuous matrix indicates advanced alkali-activation and high structural integrity.
Minerals 15 01229 g019
Figure 20. ATR-FTIR spectra of Ref GP and Aachen GP at 7 and 28 days, vertically shifted to aid visualization. The image shows the evolution of Si–O–T, Fe–O, and carbonate vibrations during alkali-activation.
Figure 20. ATR-FTIR spectra of Ref GP and Aachen GP at 7 and 28 days, vertically shifted to aid visualization. The image shows the evolution of Si–O–T, Fe–O, and carbonate vibrations during alkali-activation.
Minerals 15 01229 g020
Figure 21. XRD pattern of the raw iron-rich slag, showing a broad amorphous hump (15°–35° 2 θ ) superimposed with crystalline reflections. Major crystalline phases and diagnostic reflections are: fayalite (Fe2SiO4; 25.0°, 31.7°, 34.4°, 51.3°, 52.5°), hematite (Fe2O3; 24.2°, 37.7°, 49.8°; 33–36° 2 θ peaks coincide with ZnO reflections), magnetite (Fe3O4; 43.3°), quartz (26.6°), cristobalite (21.9°), feldspar/melilite-type (28.1°), and minor Fe–silicide (FeSi; 26.6°, tentative). High-intensity lines at 31.8°, 34.4°, 36.3°, 47.5°, and 56.6° correspond to the ZnO internal standard.
Figure 21. XRD pattern of the raw iron-rich slag, showing a broad amorphous hump (15°–35° 2 θ ) superimposed with crystalline reflections. Major crystalline phases and diagnostic reflections are: fayalite (Fe2SiO4; 25.0°, 31.7°, 34.4°, 51.3°, 52.5°), hematite (Fe2O3; 24.2°, 37.7°, 49.8°; 33–36° 2 θ peaks coincide with ZnO reflections), magnetite (Fe3O4; 43.3°), quartz (26.6°), cristobalite (21.9°), feldspar/melilite-type (28.1°), and minor Fe–silicide (FeSi; 26.6°, tentative). High-intensity lines at 31.8°, 34.4°, 36.3°, 47.5°, and 56.6° correspond to the ZnO internal standard.
Minerals 15 01229 g021
Figure 22. Powder XRD pattern of Aachen GP at 7 days (Bragg–Brentano, θ 2 θ , Cu K α , λ = 1.5406 Å; 5–60° 2 θ ). Black = measured intensity; red = calculated pattern after Rietveld refinement (Profex/BGMN); fitted background is shown; the lower trace is the difference (observed−calculated); colored ticks mark Bragg positions of the refined phases. A broad hump between ∼20–36° 2 θ indicates the amorphous alkali-activated gel. Low-intensity reflections assigned by the refinement include calcite (∼29.4°), cristobalite (∼21.9°), quartz (∼26.6°), and fayalite (e.g., ∼25.0° with supporting peaks at 51–53°). Corundum ( α -Al2O3) is present at low intensity (e.g., ∼25.6°, 52.6°). ZnO internal-standard peaks are visible at ∼31.8°, 34.4°, 36.3°, 47.5°, and 56.6°.
Figure 22. Powder XRD pattern of Aachen GP at 7 days (Bragg–Brentano, θ 2 θ , Cu K α , λ = 1.5406 Å; 5–60° 2 θ ). Black = measured intensity; red = calculated pattern after Rietveld refinement (Profex/BGMN); fitted background is shown; the lower trace is the difference (observed−calculated); colored ticks mark Bragg positions of the refined phases. A broad hump between ∼20–36° 2 θ indicates the amorphous alkali-activated gel. Low-intensity reflections assigned by the refinement include calcite (∼29.4°), cristobalite (∼21.9°), quartz (∼26.6°), and fayalite (e.g., ∼25.0° with supporting peaks at 51–53°). Corundum ( α -Al2O3) is present at low intensity (e.g., ∼25.6°, 52.6°). ZnO internal-standard peaks are visible at ∼31.8°, 34.4°, 36.3°, 47.5°, and 56.6°.
Minerals 15 01229 g022
Figure 23. Powder XRD pattern of Aachen GP at 28 days (Bragg–Brentano, θ 2 θ , Cu K α , λ = 1.5456 Å; 5–60° 2 θ ). Black = measured intensity; red = calculated pattern after Rietveld refinement (Profex/BGMN); grey = fitted background; lower trace = difference (observed–calculated); colored ticks mark Bragg positions of the refined phases. A broad hump between ∼20–36° 2 θ indicates a dominant amorphous gel fraction. Reflections assigned by the refinement include SiO2 polymorphs (quartz at ∼26.6°; cristobalite at ∼21.9°), calcite (e.g., ∼29.4° and higher-angle companions), and an Fe-bearing silicate (fayalite; e.g., ∼25.0° with supporting peaks at ∼51–53°). Additional minor reflections between ∼44–48° 2 θ are observed but remain inconclusive without further confirmation. ZnO internal-standard peaks (∼31.8°, 34.4°, 36.3°, 47.5°, 56.6°) are also visible.
Figure 23. Powder XRD pattern of Aachen GP at 28 days (Bragg–Brentano, θ 2 θ , Cu K α , λ = 1.5456 Å; 5–60° 2 θ ). Black = measured intensity; red = calculated pattern after Rietveld refinement (Profex/BGMN); grey = fitted background; lower trace = difference (observed–calculated); colored ticks mark Bragg positions of the refined phases. A broad hump between ∼20–36° 2 θ indicates a dominant amorphous gel fraction. Reflections assigned by the refinement include SiO2 polymorphs (quartz at ∼26.6°; cristobalite at ∼21.9°), calcite (e.g., ∼29.4° and higher-angle companions), and an Fe-bearing silicate (fayalite; e.g., ∼25.0° with supporting peaks at ∼51–53°). Additional minor reflections between ∼44–48° 2 θ are observed but remain inconclusive without further confirmation. ZnO internal-standard peaks (∼31.8°, 34.4°, 36.3°, 47.5°, 56.6°) are also visible.
Minerals 15 01229 g023
Figure 24. Stacked XRD patterns for Aachen GP, and Ref GP. Attenuation of fayalite-related reflections (∼25.0°) from the raw slag to the activated binders highlights partial dissolution of Fe-silicates, while the broad amorphous hump (20–36°) becomes prominent after activation. Residual quartz (26.6°) remains visible in both systems. Possible Fe-oxide lines in the 33–36° region coincide with ZnO and are not resolved.
Figure 24. Stacked XRD patterns for Aachen GP, and Ref GP. Attenuation of fayalite-related reflections (∼25.0°) from the raw slag to the activated binders highlights partial dissolution of Fe-silicates, while the broad amorphous hump (20–36°) becomes prominent after activation. Residual quartz (26.6°) remains visible in both systems. Possible Fe-oxide lines in the 33–36° region coincide with ZnO and are not resolved.
Minerals 15 01229 g024
Figure 25. Quantitative phase composition of Ref GP and Aachen GP at 7 and 28 days derived from Rietveld refinement. The amorphous fraction dominates in all samples (>75%), while crystalline phases such as quartz, calcite, cristobalite, and minor corundum persist as residual components. Aachen GP exhibits a slightly higher amorphous fraction but comparable crystalline residues across curing ages, confirming limited phase transformation in the Fe-rich system.
Figure 25. Quantitative phase composition of Ref GP and Aachen GP at 7 and 28 days derived from Rietveld refinement. The amorphous fraction dominates in all samples (>75%), while crystalline phases such as quartz, calcite, cristobalite, and minor corundum persist as residual components. Aachen GP exhibits a slightly higher amorphous fraction but comparable crystalline residues across curing ages, confirming limited phase transformation in the Fe-rich system.
Minerals 15 01229 g025
Figure 26. TGA curves of Ref GP and Aachen GP at 7 and 28 days. The TGA curves illustrate the total weight loss as a function of temperature, corresponding to the release of physically adsorbed water, bound water from gel phases, and decomposition of minor crystalline phases.
Figure 26. TGA curves of Ref GP and Aachen GP at 7 and 28 days. The TGA curves illustrate the total weight loss as a function of temperature, corresponding to the release of physically adsorbed water, bound water from gel phases, and decomposition of minor crystalline phases.
Minerals 15 01229 g026
Figure 27. DTG curves (first derivative of weight loss) of Ref GP and Aachen GP at 7 and 28 days. The DTG curves highlight the temperature ranges of maximum mass loss rates, reflecting phase transformations and dehydration behavior linked to gel structure and curing progression.
Figure 27. DTG curves (first derivative of weight loss) of Ref GP and Aachen GP at 7 and 28 days. The DTG curves highlight the temperature ranges of maximum mass loss rates, reflecting phase transformations and dehydration behavior linked to gel structure and curing progression.
Minerals 15 01229 g027
Figure 28. DTG curves of Ref GP and Aachen GP at 7 and 28 days, vertically shifted to aid visualization.
Figure 28. DTG curves of Ref GP and Aachen GP at 7 and 28 days, vertically shifted to aid visualization.
Minerals 15 01229 g028
Table 1. Comparison of the chemical composition of the blast furnace slag (BFS) and the iron-rich slag used in the Aachen GP formulation. Values are reported as oxide weight percentages (wt.%). Legend: “–” = not detected/not reported; “n.m.” = not measurable by portable XRF; “n.a.” = not applicable (cement-specific index).
Table 1. Comparison of the chemical composition of the blast furnace slag (BFS) and the iron-rich slag used in the Aachen GP formulation. Values are reported as oxide weight percentages (wt.%). Legend: “–” = not detected/not reported; “n.m.” = not measurable by portable XRF; “n.a.” = not applicable (cement-specific index).
Chemical ComponentBFS (wt.%)Iron-Rich Slag (wt.%)
CaO39.580.90
SiO235.3759.40
MgO8.660.70
Al2O312.297.60
Fe2O30.3724.60
MnO/Mn2O30.541.80
K2O0.592.50
TiO20.30
SO30.090.90
Na2O0.27
Na2O equivalent0.66n.a.
Cr0.02
Cln.m.
Glass content100
(CaO + MgO + SiO2)83.60
(CaO + MgO)/SiO21.36
Table 2. Summary of mix proportions for the reference AAM (Ref GP) [39] and the developed iron-rich slag-based formulation (Aachen GP) used in this study, normalized to a total of 1000 g per mix. A dash (–) denotes that the quantity was not added.
Table 2. Summary of mix proportions for the reference AAM (Ref GP) [39] and the developed iron-rich slag-based formulation (Aachen GP) used in this study, normalized to a total of 1000 g per mix. A dash (–) denotes that the quantity was not added.
ComponentRef GP (g)Aachen GP (g)
Blast furnace slag465.5236.0
Iron-rich slag236.0
NaOH solution55.660.0
Sodium disilicate15.2
Additional water183.8188.0
Fine sand (≤2 mm)280.0280.0
Water-to-binder ratio0.450.475
Table 3. Theoretical oxide molar ratios for Ref GP and Aachen GP (sand excluded). NaOH solution taken as 10 mol/L with 30.1, wt.% NaOH (balance water).
Table 3. Theoretical oxide molar ratios for Ref GP and Aachen GP (sand excluded). NaOH solution taken as 10 mol/L with 30.1, wt.% NaOH (balance water).
MixSiO2/Al2O3Na2O/SiO2Na2O/Al2O3CaO/SiO2H2O/Na2O
Ref GP5.130.0960.4931.1445.23
Aachen GP8.090.06070.4900.45856.54
Table 4. Reference entries used for Rietveld refinement (Profex/BGMN). Database abbreviations: ICDD = PDF; BGMN = in-house structure model (no external card).
Table 4. Reference entries used for Rietveld refinement (Profex/BGMN). Database abbreviations: ICDD = PDF; BGMN = in-house structure model (no external card).
Phase (Formula)DatabaseReference ID
Zincite (ZnO) *ICDD PDF04-003-2106
Quartz (SiO2, P 3 2 21 )ICDD PDF04-012-0490
Cristobalite (SiO2)ICDD PDF04-007-2134
Calcite (CaCO3)ICDD PDF04-008-0788
Corundum ( α -Al2O3)ICDD PDF04-004-2852
Iron ( α -Fe, Im 3 ¯ m)ICDD PDF04-007-9753
Fe-martensite (Fe–C, tetragonal)ICDD PDF04-014-0361
Iron silicide (FeSi, P 2 1 3 )BGMNnot specified
Fayalite (Fe2SiO4, SG No. 62) BGMNnot specified
Amorphous hump (gel)BGMNn/a
* Used as a 10 wt.% internal standard for amorphous quantification. Implemented in BGMN as P21/n 21/m 21/a (space group 62; alternate setting of Pnma).
Table 5. Water-accessible porosity (WAP) and water permeability (WP) at 7 and 28 days. Reported values represent the mean ± standard deviation (SD). Where only one measurement was available, SD is not applicable.
Table 5. Water-accessible porosity (WAP) and water permeability (WP) at 7 and 28 days. Reported values represent the mean ± standard deviation (SD). Where only one measurement was available, SD is not applicable.
SampleWAP 7 d (%)WAP 28 d (%)WP (m/s)
Aachen GP 37.4 ± 0.33 ( n = 2 ) 38.4 ± 0.14 ( n = 2 ) 1.42 × 10 10 ( n = 1 , SD n / a )
Ref GP 34.4 ± 1.48 ( n = 2 ) 35.5 ± 0.13 ( n = 3 ) 2.8 × 10 13 ( n = 1 , SD n / a )
Table 6. BET analysis results for Aachen GP and Ref GP at different curing ages. Reported values are single measurements; standard deviations are therefore not applicable.
Table 6. BET analysis results for Aachen GP and Ref GP at different curing ages. Reported values are single measurements; standard deviations are therefore not applicable.
SampleSurface Area (m2/g)Pore Volume (cm3/g)Pore Width (nm)
Aachen GP 7 d8.20.0635
Aachen GP 28 d12.40.0932
Ref GP 7 d4.10.0233
Ref GP 28 d6.80.0231
Table 7. FTIR peaks observed in Aachen GP at 28 days, arranged in descending order of wavenumber, with corresponding vibrational assignments.
Table 7. FTIR peaks observed in Aachen GP at 28 days, arranged in descending order of wavenumber, with corresponding vibrational assignments.
Wavenumber (cm−1)Assignment
∼3400O–H stretching (physically bound water and hydroxyl groups)
1650H–O–H bending (molecular water)
1475C–O stretching (carbonate group; shifted from 1410 cm−1 at 7 days)
960Si–O–T asymmetric stretching (aluminosilicate gel network)
900–1000Broad Si–O–T envelope (incomplete or evolving network)
880Si–O–T shoulder (delayed network polymerization; possible Fe substitution)
790–650Si–O–Si and O–Si–O bending vibrations
700Si–O–Si symmetric bending (framework deformation)
670, 514Tentative Si–O–Fe linkages (Fe incorporation; overlapping with Al/Si modes in NaOH-activated systems)
625–830Overlapping Si–O, Fe–O, and fayalite-type lattice vibrations
560Fe–O stretching (possibly shifted from 550 cm−1; weak in NaOH-activated matrices)
400–800Complex Fe- and Si-related overlapping bands (low polymerization, spectral broadening)
Table 8. Quantitative phase analysis (Rietveld refinement) of Ref GP and Aachen GP at 7 and 28 days.
Table 8. Quantitative phase analysis (Rietveld refinement) of Ref GP and Aachen GP at 7 and 28 days.
SampleAgeAmorphous (%)Crystalline (%)Dominant Crystalline Phases
Ref GP7 d7822Quartz, Calcite, Cristobalite
Ref GP28 d8515Residual Quartz, Calcite, Cristobalite
Aachen GP7 d8515Calcite, Cristobalite, Fayalite, Corundum (α-Al2O3)
Aachen GP28 d8515Cristobalite, Fayalite, SiO2, Fe-bearing metallic phase (α-Fe/Fe-martensite/Fe–silicide, minor)
Table 9. Summary of bound water content (105–600 °C) and total mass loss (25–950 °C).
Table 9. Summary of bound water content (105–600 °C) and total mass loss (25–950 °C).
SampleCuring AgeBound Water (%)Total Mass Loss (%)
Ref GP7 days7.911.2
Ref GP28 days9.113.4
Aachen GP7 days3.045.9
Aachen GP28 days4.68.3
Disclaimer/Publisher’s Note: The statements, opinions and data contained in all publications are solely those of the individual author(s) and contributor(s) and not of MDPI and/or the editor(s). MDPI and/or the editor(s) disclaim responsibility for any injury to people or property resulting from any ideas, methods, instructions or products referred to in the content.

Share and Cite

MDPI and ACS Style

Ali, S.A.F.; Frederickx, L.; Mukiza, E.; Ojovan, M.I.; Steinmetz, H.-J. Iron-Rich Slag-Based Alkali-Activated Materials for Radioactive Waste Management: Characterization and Performance. Minerals 2025, 15, 1229. https://doi.org/10.3390/min15121229

AMA Style

Ali SAF, Frederickx L, Mukiza E, Ojovan MI, Steinmetz H-J. Iron-Rich Slag-Based Alkali-Activated Materials for Radioactive Waste Management: Characterization and Performance. Minerals. 2025; 15(12):1229. https://doi.org/10.3390/min15121229

Chicago/Turabian Style

Ali, Shymaa Ali Fathi, Lander Frederickx, Emile Mukiza, Michael I. Ojovan, and Hans-Jürgen Steinmetz. 2025. "Iron-Rich Slag-Based Alkali-Activated Materials for Radioactive Waste Management: Characterization and Performance" Minerals 15, no. 12: 1229. https://doi.org/10.3390/min15121229

APA Style

Ali, S. A. F., Frederickx, L., Mukiza, E., Ojovan, M. I., & Steinmetz, H.-J. (2025). Iron-Rich Slag-Based Alkali-Activated Materials for Radioactive Waste Management: Characterization and Performance. Minerals, 15(12), 1229. https://doi.org/10.3390/min15121229

Note that from the first issue of 2016, this journal uses article numbers instead of page numbers. See further details here.

Article Metrics

Back to TopTop