LSTM-Based Deformation Prediction Model of the Embankment Dam of the Danjiangkou Hydropower Station
Abstract
:1. Introduction
2. Theory of Deformation Prediction for Earth Rock Dam
3. Prediction Model of the Earth Rock Dam Deformation Based on LSTM
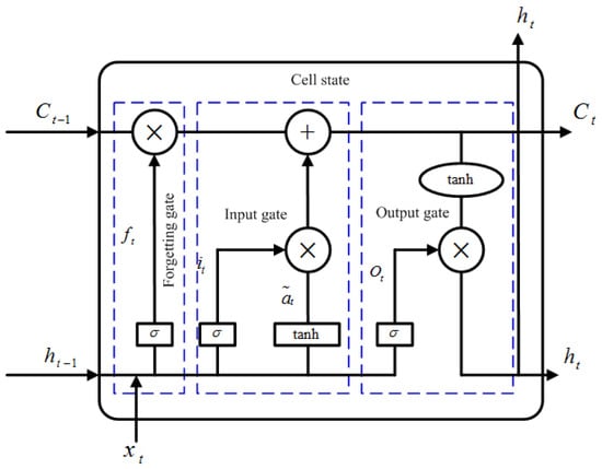
3.1. LSTM Model
3.2. Bidirectional LSTM Model
3.3. Modeling Steps
4. Deformation Prediction of the Earth Rock Dam of the Danjiangkou Hydropower Station
5. Conclusions and Outlook
Author Contributions
Funding
Data Availability Statement
Conflicts of Interest
References
- Xu, W.J.; Wang, S.; Zhang, H.Y.; Zhang, Z.L. Discrete element modelling of a soil-rock mixture used in an embankment dam. Int. J. Rock Mech. Min. Sci. 2016, 86, 141–156. [Google Scholar] [CrossRef]
- Wu, Z. Safety Monitoring Theory and Its Application of Hydraulic Structures, 1st ed.; Higher Education Press: Beijing, China, 2003. [Google Scholar]
- Mata, J.; Tavares de Castro, A.; Sá da Costa, J. Constructing statistical models for arch dam deformation. Struct. Control Health Monit. 2014, 21, 423–437. [Google Scholar] [CrossRef] [Green Version]
- Xi, G.; Yue, J.; Zhou, B.; Tang, P. Application of an artificial immune algorithm on a statistical model of dam displacement. Comput. Math. Appl. 2011, 62, 3980–3986. [Google Scholar] [CrossRef] [Green Version]
- Sigtryggsdottir, F.G.; Snaebjornsson, J.T.; Grande, L. Statistical model for dam-settlement prediction and structural-health assessment. J. Geotech. Geoenviron. Eng. 2018, 144, 04018059. [Google Scholar] [CrossRef]
- Tatin, M.; Briffaut, M.; Dufour, F.; Simon, A.; Fabre, J.-P. Statistical modelling of thermal displacements for concrete dams: Influence of water temperature profile and dam thickness profile. Eng. Struct. 2018, 165, 63–75. [Google Scholar] [CrossRef]
- Borzooei, S.; Teegavarapu, R.; Abolfathi, S.; Amerlinck, Y.; Nopens, I.; Zanetti, M.C. Data mining application in assessment of weather-based influent scenarios for a WWTP: Getting the most out of plant historical data. Water Air Soil Pollut. 2019, 230, 5. [Google Scholar] [CrossRef] [Green Version]
- Borzooei, S.; Teegavarapu, R.; Abolfathi, S.; Amerlinck, Y.; Nopens, I.; Zanetti, M.C. Impact Evaluation of Wet-Weather Events on Influent Flow and Loadings of a Water Resource Recovery Facility. New Trends in Urban Drainage Modelling. UDM 2018. In Green Energy and Technology; Mannina, G., Ed.; Springer: Cham, Switzerland, 2019; pp. 706–711. [Google Scholar]
- Borzooei, S.; Amerlinck, Y.; Panepinto, D.; Abolfathi, S.; Nopens, I.; Scibilia, G.; Meucci, L.; Zanetti, M.C. Energy optimization of a wastewater treatment plant based on energy audit data: Small investment with high return. Environ. Sci. Pollut. Res. 2020, 27, 17972–17985. [Google Scholar] [CrossRef]
- Chatrabgoun, O.; Karimi, R.; Daneshkhah, A.; Abolfathi, S.; Nouri, H.; Esmaeilbeigi, M. Copula-based probabilistic assessment of intensity and duration of cold episodes: A case study of Malayer vineyard region. Agric. For. Meteorol. 2020, 295, 108150. [Google Scholar] [CrossRef]
- Noori, R.; Ghiasi, B.; Salehi, S.; Esmaeili Bidhendi, M.; Raeisi, A.; Partani, S.; Meysami, R.; Mahdian, M.; Hosseinzadeh, M.; Abolfathi, S. An Efficient Data Driven-Based Model for Prediction of the Total Sediment Load in Rivers. Hydrology 2022, 9, 36. [Google Scholar] [CrossRef]
- Shao, C.; Gu, C.; Yang, M.; Xu, Y.; Su, H. A novel model of dam displacement based on panel data. Struct. Control. Health Monit. 2018, 25, e2037. [Google Scholar] [CrossRef]
- Su, H.; Li, X.; Yang, B.; Wen, Z. Wavelet support vector machine-based prediction model of dam deformation. Mech. Syst. Signal Process. 2018, 110, 412–427. [Google Scholar] [CrossRef]
- Chen, Y.L.; Zhang, X.J.; Karimian, H.; Xiao, G.; Huang, J.S. A novel framework for prediction of dam deformation based on extreme learning machine and Levy flight bat algorithm. J. Hydroinformatics 2021, 23, 935–949. [Google Scholar] [CrossRef]
- Kao, C.Y.; Loh, C.H. Monitoring of long-term static deformation data of Fei-Tsui arch dam using artificial neiral network-based approaches. Struct. Control. Health Monit. 2013, 20, 282–303. [Google Scholar] [CrossRef]
- Ghiasi, B.; Noori, R.; Sheikhian, H.; Zeynolabedin, A.; Sun, Y.; Jun, C.; Hamouda, M.; Bateni, S.M.; Abolfathi, S. Uncertainty quantification of granular computing-neural network model for prediction of pollutant longitudinal dispersion coefficient in aquatic streams. Sci. Rep. 2022, 12, 4610. [Google Scholar] [CrossRef]
- Hochreiter, S.; Schmidhuber, J. Long short-term memory. Neural Comput. 1997, 9, 735–1780. [Google Scholar] [CrossRef]
- Frame, J.M.; Kratzert, F.; Raney, A.; Rahman, M.; Salas, F.R.; Nearing, G.S. Post-processing the national water model with long short-term memory networks for streamflow predictions and model diagnostics. J. Am. Water Resour. Assoc. 2021, 57, 885–905. [Google Scholar] [CrossRef]
- Fan, D.Y.; Sun, H.; Yao, J.; Zhang, K.; Yan, X.; Sun, Z.X. Well production forecasting based on ARIMA-LSTM model considering manual operations. Energy 2021, 220, 119708. [Google Scholar] [CrossRef]
- Dai, S.Z.; Li, L.; Li, Z.H. Modeling Vehicle Interactions via Modified LSTM Models for Trajectory Prediction. IEEE Access 2019, 7, 38287–38296. [Google Scholar] [CrossRef]
- Yang, S.; Han, X.; Kuang, C.; Fang, W.; Zhang, J.; Yu, T. Comparative study on deformation prediction models of Wuqiangxi concrete gravity dam based on monitoring data. Comput. Model. Eng. Sci. 2022, 131, 49–72. [Google Scholar] [CrossRef]
- Liu, W.J.; Pan, J.W.; Ren, Y.S.; Wu, Z.G.; Wang, J.T. Coupling prediction model for long-term displacements of arch dams based on long short-term memory network. Struct. Control. Health Monit. 2020, 27, e2548. [Google Scholar] [CrossRef]
- Xing, Y.; Yue, J.P.; Chen, C.; Zhu, F.J.; Cong, K.L.; Cai, D.J. Dam deformation forecasting avoiding social and environment impacts caused by dam break. Fresenius Environ. Bull. 2019, 28, 8831–8838. [Google Scholar]
- Qu, X.D.; Yang, J.; Chang, M. A deep learning model for concrete dam deformation prediction based on RS-LSTM. J. Sens. 2019, 2019, 4581672. [Google Scholar] [CrossRef]
- Wollmer, M.; Eyben, F.; Graves, A.; Schuller, B.; Rigoll, G. Bidirectional LSTM networks for context-sensitive keyword detection in a cognitive virtual agent framework. Cogn. Comput. 2010, 2, 180–190. [Google Scholar] [CrossRef] [Green Version]
- Graves, A.; Schmidhuber, J. Framewise phoneme classification with bidirectional LSTM and other neural network architectures. Neural Netw. 2005, 18, 602–610. [Google Scholar] [CrossRef]
- Zhang, K.; Zhang, K.; Cai, C.; Liu, W.; Xie, J. Displacement prediction of step-like landslides based on feature optimization and VMD-Bi-LSTM: A case study of the Bazimen and Baishuihe landslides in the Three Gorges, China. Bull. Eng. Geol. Environ. 2021, 80, 8481–8502. [Google Scholar] [CrossRef]
- Wei, W.; Gu, C.; Fu, X. Processing method of missing data in dam safety monitoring. Math. Probl. Eng. 2021, 2021, 9950874. [Google Scholar] [CrossRef]
- Le, X.H.; Nguyen, D.H.; Jung, S.; Yeon, M.; Lee, G. Comparison of deep learning techniques for river streamflow forecasting. IEEE Access 2021, 9, 71805–71820. [Google Scholar] [CrossRef]
- Lee, S.; Kim, J. Predicting inflow rate of the Soyang river dam using deep learning techniques. Water 2021, 13, 2447. [Google Scholar] [CrossRef]
- Li, Y.T.; Bao, T.F.; Chen, H.; Zhang, K.; Shu, X.S.; Chen, Z.X.; Hu, Y.H. A large-scale sensor missing data imputation framework for dams using deep learning and transfer learning strategy. Measurement 2021, 178, 109377. [Google Scholar] [CrossRef]
- Feizi, H.; Apaydin, H.; Sattari, M.T.; Colak, M.S.; Sibtain, M. Improving reservoir inflow prediction via rolling window and deep learning-based multi-model approach: Case study from Ermenek Dam, Turkey. Stoch. Hydrol. Hydraul. 2022. Available online: https://www.researchgate.net/publication/358645288_Improving_reservoir_inflow_prediction_via_rolling_window_and_deep_learning-based_multi-model_approach_case_study_from_Ermenek_Dam_Turkey (accessed on 1 July 2022). [CrossRef]
- Wei, B.; Liu, B.; Yuan, D.; Mao, Y.; Yao, S. Spatiotemporal hybrid model for concrete arch dam deformation monitoring considering chaotic effect of residual series. Eng. Struct. 2021, 228, 111488. [Google Scholar] [CrossRef]
- Li, M.; Shen, Y.; Ren, Q.; Li, H. A new distributed time series evolution prediction model for dam deformation based on constituent elements. Adv. Eng. Inform. 2019, 39, 41–52. [Google Scholar] [CrossRef]
- Saberi-Movahed, F.; Najafzadeh, M.; Mehrpooya, A. Receiving more accurate predictions for longitudinal dispersion coefficients in water pipelines: Training group method of data handling using extreme learning machine conceptions. Water Resour. Manag. 2020, 34, 529–561. [Google Scholar] [CrossRef]






| RMSE | MAE | MSE | |
|---|---|---|---|
| PLSR | 0.56456 | 0.42978 | 0.31873 |
| Training set of LSTM | 0.52767 | 0.39556 | 0.27844 |
| Test set of LSTM | 0.47561 | 0.35264 | 0.22621 |
| Total of LSTM | 0.51768 | 0.38698 | 0.26799 |
| Training set of bidirectional LSTM | 0.54676 | 0.41253 | 0.29895 |
| Test set of bidirectional LSTM | 0.45400 | 0.34418 | 0.20612 |
| Total of bidirectional LSTM | 0.52951 | 0.39886 | 0.28038 |
Publisher’s Note: MDPI stays neutral with regard to jurisdictional claims in published maps and institutional affiliations. |
© 2022 by the authors. Licensee MDPI, Basel, Switzerland. This article is an open access article distributed under the terms and conditions of the Creative Commons Attribution (CC BY) license (https://creativecommons.org/licenses/by/4.0/).
Share and Cite
Wang, S.; Yang, B.; Chen, H.; Fang, W.; Yu, T. LSTM-Based Deformation Prediction Model of the Embankment Dam of the Danjiangkou Hydropower Station. Water 2022, 14, 2464. https://doi.org/10.3390/w14162464
Wang S, Yang B, Chen H, Fang W, Yu T. LSTM-Based Deformation Prediction Model of the Embankment Dam of the Danjiangkou Hydropower Station. Water. 2022; 14(16):2464. https://doi.org/10.3390/w14162464
Chicago/Turabian StyleWang, Shuming, Bing Yang, Huimin Chen, Weihua Fang, and Tiantang Yu. 2022. "LSTM-Based Deformation Prediction Model of the Embankment Dam of the Danjiangkou Hydropower Station" Water 14, no. 16: 2464. https://doi.org/10.3390/w14162464
APA StyleWang, S., Yang, B., Chen, H., Fang, W., & Yu, T. (2022). LSTM-Based Deformation Prediction Model of the Embankment Dam of the Danjiangkou Hydropower Station. Water, 14(16), 2464. https://doi.org/10.3390/w14162464
