High-Resolution, In Situ Monitoring of Stable Isotopes of Water Revealed Insight into Hydrological Response Behavior
Abstract
1. Introduction
- I.
- Investigation if the short-term response behavior observed in the previous studies in the Schwingbach Environmental Observatory (SEO), is reflected in isotopic signatures of stream water and groundwater.
- II.
- Estimation of event-based contribution of event and pre-event water to total runoff.
- III.
- Quantification of the event-based response time of maximum event water fraction in stream water and groundwater.
- IV.
- Evaluation of the role of precipitation and antecedent wetness conditions as drivers of event and pre-event water contribution and response time.
2. Materials and Methods
2.1. Study Area
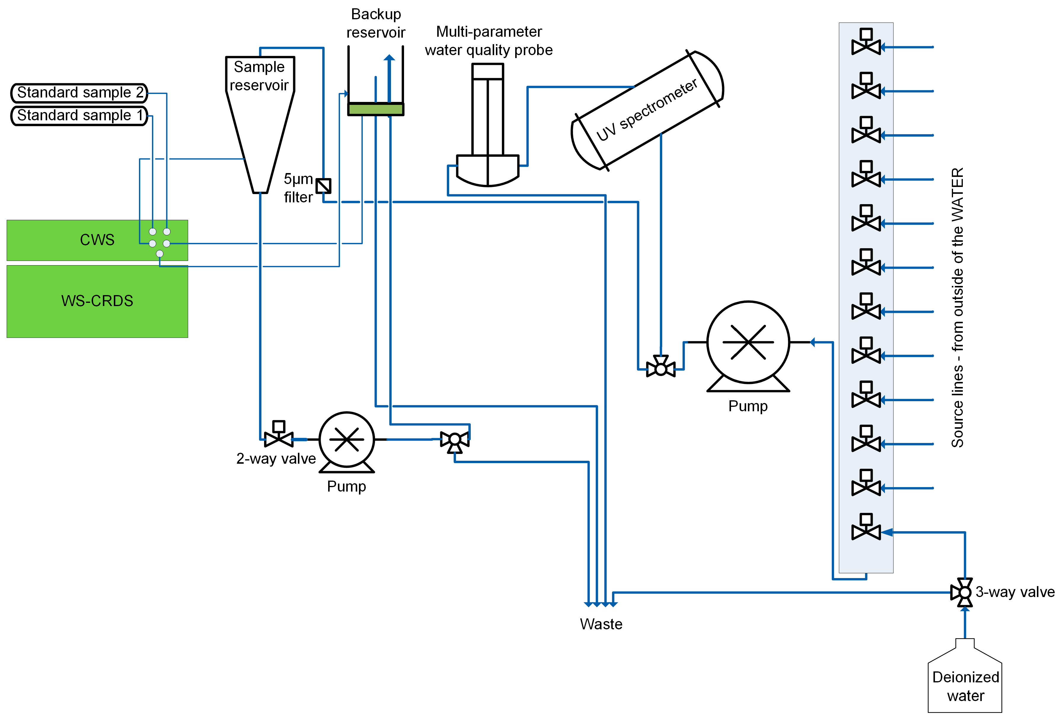
2.2. Water Analysis Trailer for Environmental Research (WATER)
2.3. Sampling Schedule
2.4. Event Definition and Characteristics
2.5. Response Characteristics
3. Results
3.1. Time Series of Isotopic and Hydrometric Observations
3.2. Hydrometrics
3.3. Correlations of Hydrometrics
4. Discussion
4.1. The Schwingbach is Highly Responsive to Precipitation
4.2. Pre-Event Water Dominates Runoff Generation
4.3. Shallow Subsurface Flow Pathways Rapidly Deliver Water to the Stream
4.4. Variable Controls of Runoff Generation
5. Conclusions
Supplementary Materials
Author Contributions
Funding
Conflicts of Interest
References
- Klaus, J.; McDonnell, J.J. Hydrograph separation using stable isotopes: Review and evaluation. J. Hydrol. 2013, 505, 47–64. [Google Scholar] [CrossRef]
- Shanley, J.B.; Kendall, C.; Smith, T.E.; Wolock, D.M.; McDonnell, J.J. Controls on old and new water contributions to stream flow at some nested catchments in Vermont, USA. Hydrol. Process. 2002, 16, 589–609. [Google Scholar] [CrossRef]
- Šanda, M.; Sedlmaierová, P.; Vitvar, T.; Seidler, C.; Kändler, M.; Jankovec, J.; Kulasová, A.; Paška, F. Pre-event water contributions and streamwater residence times in different land use settings of the transboundary mesoscale Lužická Nisa catchment. J. Hydrol. Hydromech. 2017, 65, 154–164. [Google Scholar] [CrossRef]
- Pellerin, B.A.; Wollheim, W.M.; Feng, X.; Vörösmarty, C.J. The application of electrical conductivity as a tracer for hydrograph separation in urban catchments. Hydrol. Process. 2008, 22, 1810–1818. [Google Scholar] [CrossRef]
- James, A.L.; Roulet, N.T. Antecedent moisture conditions and catchment morphology as controls on spatial patterns of runoff generation in small forest catchments. J. Hydrol. 2009, 377, 351–366. [Google Scholar] [CrossRef]
- Fischer, B.M.C.; Stähli, M.; Seibert, J. Pre-event water contributions to runoff events of different magnitude in pre-alpine headwaters. Hydrol. Res. 2017, 48, 28–47. [Google Scholar] [CrossRef]
- Von Freyberg, J.; Studer, B.; Rinderer, M.; Kirchner, J.W. Studying catchment storm response using event- and pre-event-water volumes as fractions of precipitation rather than discharge. Hydrol. Earth Syst. Sci. 2018, 22, 5847–5865. [Google Scholar] [CrossRef]
- Renshaw, C.E.; Feng, X.; Sinclair, K.J.; Dums, R.H. The use of stream flow routing for direct channel precipitation with isotopically-based hydrograph separations: The role of new water in stormflow generation. J. Hydrol. 2003, 273, 205–216. [Google Scholar] [CrossRef]
- Muñoz-Villers, L.E.; McDonnell, J.J. Runoff generation in a steep, tropical montane cloud forest catchment on permeable volcanic substrate. Water Resour. Res. 2012, 48. [Google Scholar] [CrossRef]
- Penna, D.; van Meerveld, H.J.; Oliviero, O.; Zuecco, G.; Assendelft, R.S.; Dalla Fontana, G.; Borga, M. Seasonal changes in runoff generation in a small forested mountain catchment. Hydrol. Process. 2015, 29, 2027–2042. [Google Scholar] [CrossRef]
- McGlynn, B.L.; McDonnell, J.J.; Seibert, J.; Kendall, C. Scale effects on headwater catchment runoff timing, flow sources, and groundwater-streamflow relations. Water Resour. Res. 2004, 40. [Google Scholar] [CrossRef]
- Kirchner, J.W.; Feng, X.; Neal, C.; Robson, A.J. The fine structure of water-quality dynamics: The (high-frequency) wave of the future. Hydrol. Process. 2004, 18, 1353–1359. [Google Scholar] [CrossRef]
- Von Freyberg, J.; Studer, B.; Kirchner, J.W. A lab in the field: High-frequency analysis of water quality and stable isotopes in stream water and precipitation. Hydrol. Earth Syst. Sci. 2017, 21, 1721–1739. [Google Scholar] [CrossRef]
- Heinz, E.; Kraft, P.; Buchen, C.; Frede, H.-G.; Aquino, E.; Breuer, L. Set Up of an Automatic Water Quality Sampling System in Irrigation Agriculture. Sensors 2014, 14, 212–228. [Google Scholar] [CrossRef] [PubMed]
- Mahindawansha, A.; Breuer, L.; Chamorro, A.; Kraft, P. High-Frequency Water Isotopic Analysis Using an Automatic Water Sampling System in Rice-Based Cropping Systems. Water 2018, 10, 1327. [Google Scholar] [CrossRef]
- Orlowski, N.; Lauer, F.; Kraft, P.; Frede, H.-G.; Breuer, L. Linking Spatial Patterns of Groundwater Table Dynamics and Streamflow Generation Processes in a Small Developed Catchment. Water 2014, 6, 3085–3117. [Google Scholar] [CrossRef]
- Orlowski, N.; Kraft, P.; Pferdmenges, J.; Breuer, L. Exploring water cycle dynamics by sampling multiple stable water isotope pools in a developed landscape in Germany. Hydrol. Earth Syst. Sci. 2016, 20, 3873–3894. [Google Scholar] [CrossRef]
- Vogel, M.M.; Zscheischler, J.; Wartenburger, R.; Dee, D.; Seneviratne, S.I. Concurrent 2018 Hot Extremes Across Northern Hemisphere Due to Human-Induced Climate Change. Earth’s Future 2019, 7, 692–703. [Google Scholar] [CrossRef]
- Eijkelkamp RBC Flumes. Available online: https://en.eijkelkamp.com/products/sensors-monitoring_uk/rbc-flumes.html (accessed on 6 February 2020).
- Wenzel, H.G., Jr.; Voorhees, M.L. Evaluation of the Urban Design Storm Concept; University of Illinois at Urbana-Champaign: Champaign, IL, USA, 1981. [Google Scholar]
- Gaál, L.; Molnar, P.; Szolgay, J. Selection of intense rainfall events based on intensity thresholds and lightning data in Switzerland. Hydrol. Earth Syst. Sci. 2014, 18, 1561–1573. [Google Scholar] [CrossRef]
- McDonnell, J.J.; Bonell, M.; Stewart, M.K.; Pearce, A.J. Deuterium Variations in Storm Rainfall: Implications for Stream Hydrograph Separation. Water Resour. Res. 1990, 26, 455–458. [Google Scholar] [CrossRef]
- Genereux, D. Quantifying uncertainty in tracer-based hydrograph separations. Water Resour. Res. 1998, 34, 915–919. [Google Scholar] [CrossRef]
- Buttle, J.M. Isotope hydrograph separations and rapid delivery of pre-event water from drainage basins. Prog. Phys. Geogr. 1994, 18, 16–41. [Google Scholar] [CrossRef]
- McGlynn, B.L.; McDonnell, J.J. Quantifying the relative contributions of riparian and hillslope zones to catchment runoff. Water Resour. Res. 2003, 39. [Google Scholar] [CrossRef]
- Jones, J.P.; Sudicky, E.A.; Brookfield, A.E.; Park, Y.-J. An assessment of the tracer-based approach to quantifying groundwater contributions to streamflow. Water Resour. Res. 2006, 42. [Google Scholar] [CrossRef]
- Merz, R.; Blöschl, G. A regional analysis of event runoff coefficients with respect to climate and catchment characteristics in Austria. Water Resour. Res. 2009, 45. [Google Scholar] [CrossRef]
- Blume, T.; Zehe, E.; Bronstert, A. Rainfall—runoff response, event-based runoff coefficients and hydrograph separation. Hydrol. Sci. J. 2007, 52, 843–862. [Google Scholar] [CrossRef]
- Scherrer, S.; Naef, F.; Faeh, A.O.; Cordery, I. Formation of runoff at the hillslope scale during intense precipitation. Hydrol. Earth Syst. Sci. 2007, 11, 907–922. [Google Scholar] [CrossRef]
- Brown, V.A.; McDonnell, J.J.; Burns, D.A.; Kendall, C. The role of event water, a rapid shallow flow component, and catchment size in summer stormflow. J. Hydrol. 1999, 217, 171–190. [Google Scholar] [CrossRef]
- Beven, K.; Germann, P. Macropores and Water Flow in Soils. Water Resour. Res. 1982, 18, 1311–1325. [Google Scholar] [CrossRef]
- McDonnell, J.J. A Rationale for Old Water Discharge Through Macropores in a Steep, Humid Catchment. Water Resour. Res. 1990, 26, 2821–2832. [Google Scholar] [CrossRef]
- Weiler, M.; Naef, F. An experimental tracer study of the role of macropores in infiltration in grassland soils. Hydrol. Process. 2003, 17, 477–493. [Google Scholar] [CrossRef]
- Jones, J.A.A. Soil piping and catchment response. Hydrol. Process. 2010, 24, 1548–1566. [Google Scholar] [CrossRef]
- Sidle, R.C.; Tsuboyama, Y.; Noguchi, S.; Hosoda, I.; Fujieda, M.; Shimizu, T. Stormflow generation in steep forested headwaters: A linked hydrogeomorphic paradigm. Hydrol. Process. 2000, 14, 369–385. [Google Scholar] [CrossRef]
- Penna, D.; Meerveld, H.J.T.; Gobbi, A.; Borga, M.; Dalla Fontana, G. The influence of soil moisture on threshold runoff generation processes in an alpine headwater catchment. Hydrol. Earth Syst. Sci. 2011, 15, 689–702. [Google Scholar] [CrossRef]








| Metric | Description | Unit |
|---|---|---|
| Precipitation | ||
| Total precipitation per event | mm | |
| Precipitation duration | h | |
| Mean precipitation intensity () | mm h−1 | |
| Antecedent Wetness | ||
| Initial discharge: 1 h averaged discharge before onset of precipitation | mm h−1 | |
| , , | Initial soil moisture: 1 h averaged soil moisture before onset of precipitation at the toeslope (ST) at 5, 30 and 70 cm soil depths | % |
| , , | Initial soil moisture: 1 h averaged soil moisture before onset of precipitation at the footslope (SF) at 5, 30 and 70 cm soil depths | % |
| Discharge | ||
| Total discharge volume per event | mm | |
| Total event water volume | mm | |
| Total pre-event water volume | mm | |
| Runoff coefficient | % | |
| Event water fraction in total runoff | % | |
| Pre-event water fraction in total runoff | % | |
| Maximum event water fraction | % | |
| Response time: time lag between the first detection of precipitation and the maximum event water fraction | h |
| 0.54 | 0.10 | 0.33 | 0.69 | −0.39 | −0.30 | −0.37 | −0.38 | 0.43 | 0.44 | |
| 0.73 | 0.29 | 0.23 | 0.53 | −0.36 | −0.25 | −0.34 | −0.25 | 0.28 | 0.33 | |
| 0.48 | 0.05 | 0.37 | 0.74 | −0.43 | −0.36 | −0.44 | −0.41 | 0.46 | 0.45 | |
| −0.39 | −0.53 | 0.17 | 0.49 | −0.42 | −0.39 | −0.32 | −0.38 | 0.59 | 0.48 | |
| 0.64 | 0.41 | −0.06 | 0.05 | −0.04 | 0.02 | −0.04 | 0.04 | −0.10 | 0.00 | |
| −0.64 | −0.41 | 0.06 | −0.05 | 0.04 | −0.02 | 0.04 | −0.04 | 0.10 | 0.00 | |
| SW1 | 0.75 | 0.58 | −0.12 | 0.25 | −0.18 | −0.17 | −0.10 | −0.29 | −0.14 | 0.05 |
| SW2 | 0.75 | 0.56 | −0.06 | −0.01 | 0.03 | 0.01 | 0.09 | −0.07 | −0.21 | −0.09 |
| GW1 | 0.46 | 0.33 | −0.20 | −0.27 | 0.47 | 0.46 | 0.50 | 0.26 | −0.42 | −0.18 |
| GW2 | 0.52 | 0.44 | −0.20 | −0.21 | 0.46 | 0.48 | 0.49 | 0.34 | −0.34 | −0.07 |
| GW3 | 0.45 | 0.30 | −0.17 | −0.28 | 0.50 | 0.46 | 0.45 | 0.36 | −0.43 | −0.23 |
| SW1 | 0.32 | 0.69 | −0.42 | −0.27 | 0.18 | 0.24 | 0.51 | −0.15 | −0.33 | −0.11 |
| SW2 | 0.31 | 0.34 | −0.13 | −0.08 | 0.03 | −0.03 | 0.13 | −0.26 | −0.23 | −0.16 |
| GW1 | 0.53 | 0.39 | −0.11 | 0.11 | 0.03 | 0.02 | 0.01 | −0.16 | 0.03 | 0.08 |
| GW2 | 0.19 | 0.43 | −0.26 | −0.01 | 0.01 | −0.03 | −0.15 | −0.04 | −0.13 | 0.00 |
| GW3 | 0.53 | 0.45 | −0.13 | −0.37 | 0.38 | 0.23 | 0.15 | 0.15 | −0.38 | −0.33 |
© 2020 by the authors. Licensee MDPI, Basel, Switzerland. This article is an open access article distributed under the terms and conditions of the Creative Commons Attribution (CC BY) license (http://creativecommons.org/licenses/by/4.0/).
Share and Cite
Sahraei, A.; Kraft, P.; Windhorst, D.; Breuer, L. High-Resolution, In Situ Monitoring of Stable Isotopes of Water Revealed Insight into Hydrological Response Behavior. Water 2020, 12, 565. https://doi.org/10.3390/w12020565
Sahraei A, Kraft P, Windhorst D, Breuer L. High-Resolution, In Situ Monitoring of Stable Isotopes of Water Revealed Insight into Hydrological Response Behavior. Water. 2020; 12(2):565. https://doi.org/10.3390/w12020565
Chicago/Turabian StyleSahraei, Amir, Philipp Kraft, David Windhorst, and Lutz Breuer. 2020. "High-Resolution, In Situ Monitoring of Stable Isotopes of Water Revealed Insight into Hydrological Response Behavior" Water 12, no. 2: 565. https://doi.org/10.3390/w12020565
APA StyleSahraei, A., Kraft, P., Windhorst, D., & Breuer, L. (2020). High-Resolution, In Situ Monitoring of Stable Isotopes of Water Revealed Insight into Hydrological Response Behavior. Water, 12(2), 565. https://doi.org/10.3390/w12020565

