A 10–20 GHz 6-Bit High-Accuracy Digital Step Attenuator with Low Insertion Loss in 0.15 µm GaAs p-HEMT Technology
Abstract
:1. Introduction
2. The Adopted Technology
3. Modified and Simplified T-Type Structure Designed for Low Attenuation Units
3.1. Analysis of the Mechanism Contributing to the Phase Error
3.2. Proposed Structure of the Attenuator with Bypass Compensation Technology
3.3. Design of 1 dB and 2 dB Attenuation Units with Low IL
4. High Attenuation Units and Level Shifter Structure Design
4.1. Analysis and Design of Modified π-Type and Switched-Path Type Structures for 4 dB, 8 dB and 16 dB Units
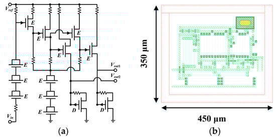
4.2. Level Shifter Structure
5. Broadband 6-Bit High-Accuracy Digital Step Attenuator
6. Conclusions
Author Contributions
Funding
Data Availability Statement
Conflicts of Interest
References
- Park, K.; Lee, S.; Jeon, S. A new compact CMOS distributed digital attenuator. IEEE Trans. Microw. Theory Tech. 2020, 68, 4631–4640. [Google Scholar] [CrossRef]
- Song, I.; Cho, M.-K.; Cressler, J.D. Design and analysis of a low loss, wideband digital step attenuator with minimized amplitude and phase variations. IEEE J. Solid-State Circuits 2018, 53, 2202–2213. [Google Scholar] [CrossRef]
- Zhang, Q.; Zhao, C.; Yu, Y.; Wu, Y.; Liu, H.; Che, W.; Xue, Q.; Kang, K. A K a-band CMOS phase-invariant and ultralow gain error variable gain amplifier with active cross-coupling neutralization and asymmetric capacitor techniques. IEEE Trans. Microw. Theory Tech. 2022, 70, 85–100. [Google Scholar] [CrossRef]
- Zhu, W.; Wang, J.; Wang, R.; Wang, Y. 14.5 A 1V W-band bidirectional transceiver front-end with <1 dB T/R switch loss <1°/dB phase/gain resolution and 12.3% TX PAE at 15.1 dBm output power in 65 nm CMOS technology. In Proceedings of the 2021 IEEE International Solid-State Circuits Conference (ISSCC), San Francisco, CA, USA, 13–22 February 2021; pp. 226–228. [Google Scholar]
- Meng, F.; Zhu, N. An MSCL-Based Attenuator with Ultralow Insertion Loss and Intrinsic ESD-Protection for Millimeter-Wave and Terahertz Applications. IEEE Trans. Microw. Theory Tech. 2023, 71, 240–249. [Google Scholar] [CrossRef]
- Gao, W.; Gu, P.; Zhao, D. A DC-87.8-GHz Switched-Type Attenuator with Switched Capacitor Branch in 40-nm CMOS. IEEE Trans. Circuits Syst. II Express Briefs 2023, 70, 3253–3257. [Google Scholar] [CrossRef]
- Gao, L.; Rebeiz, G.M. A 22–44-GHz phased-array receive beamformer in 45-nm CMOS SOI for 5G applications with 3–3.6-dB NF. IEEE Trans. Microw. Theory Tech. 2020, 68, 4765–4774. [Google Scholar] [CrossRef]
- Zhao, C.; Guo, J.; Liu, H.; Yu, Y.; Wu, Y.; Kang, K. A 33–41-GHz SiGe-BiCMOS digital step attenuator with minimized unit impedance variation. IEEE Trans. Very Large Scale Integr. (VLSI) Syst. 2021, 29, 568–579. [Google Scholar] [CrossRef]
- Cheon, C.D.; Rao, S.G.; Lim, W.; Cardoso, A.S.; Cho, M.-K.; Cressler, J.D. Design Methodology for a Wideband, Low Insertion Loss, Digital Step Attenuator in SiGe BiCMOS Technology. IEEE Trans. Circuits Syst. II Express Briefs 2022, 69, 744–748. [Google Scholar] [CrossRef]
- Li, N.; Zhang, Z.; Li, M.; Gao, H.; Wang, S.; Song, C.; Xu, Z. A DC–28-GHz 7-Bit High-Accuracy Digital-Step Attenuator in 55-nm CMOS. IEEE Microw. Wirel. Compon. Lett. 2022, 32, 157–160. [Google Scholar] [CrossRef]
- Rao, S.G.; Cheon, C.D.; Cressler, J.D. A millimeter-wave, transformer-based, SiGe distributed attenuator. IEEE Microw. Wirel. Compon. Lett. 2022, 32, 145–148. [Google Scholar] [CrossRef]
- Xiang, Y.; Han, C.; Wang, C.; Wu, J.; Chen, Y. A Current-Mode, 30 dB Range with 0.5 dB Step, 0.1 to 6 GHz Attenuator for Wideband Receiver. In Proceedings of the 2022 IEEE 65th International Midwest Symposium on Circuits and Systems (MWSCAS), Fukuoka, Japan, 7–10 August 2022; pp. 1–4. [Google Scholar]
- Ross, T.N.; Ansari, K.T.; Tiller, S.; Repeta, M. A 5-bit, 0.25 dB step variable attenuator at E-band. In Proceedings of the 2018 IEEE Radio Frequency Integrated Circuits Symposium (RFIC), Philadelphia, PA, USA, 10–12 June 2018; pp. 156–159. [Google Scholar]
- Sjogren, L.; Ingram, D.; Biedenbender, M.; Lai, R.; Allen, B.; Hubbard, K. A low phase-error 44-GHz HEMT attenuator. IEEE Microw. Guid. Wave Lett. 1998, 8, 194–195. [Google Scholar] [CrossRef]
- Bae, J.; Nguyen, C. A 44 GHz CMOS RFIC dual-function attenuator with band-pass-filter response. IEEE Microw. Wirel. Compon. Lett. 2015, 25, 241–243. [Google Scholar] [CrossRef]
- Bae, J.; Nguyen, C. A novel concurrent 22–29/57–64-GHz dual band CMOS step attenuator with low phase variations. IEEE Trans. Microw. Theory Tech. 2016, 64, 1867–1875. [Google Scholar] [CrossRef]
- Wang, K.; Zhou, T.; Zhang, H.; Qiu, L. A 28–40-GHz digital step attenuator with low amplitude and phase variations. IEEE Microw. Wirel. Compon. Lett. 2021, 31, 64–67. [Google Scholar] [CrossRef]
- Zhao, C.; Zeng, X.; Zhang, L.; Liu, H.; Yu, Y.; Wu, Y.; Kang, K. A 37–40-GHz low-phase-imbalance CMOS attenuator with tail-capacitor compensation technique. IEEE Trans. Circuits Syst. I Regul. Pap. 2020, 67, 3400–3409. [Google Scholar] [CrossRef]
- Zhang, Z.; Li, N.; Gao, H.; Li, M.; Wang, S.; Kuan, Y.-C.; Song, C.; Yu, X.; Gu, Q.J.; Xu, Z. A DC–Ka-band 7-bit passive attenuator with capacitive compensation-based bandwidth extension technique in 55-nm CMOS. IEEE Trans. Microw. Theory Tech. 2021, 69, 3861–3874. [Google Scholar] [CrossRef]
- Khabbaz, B.; Pospishil, A.; Singh, H.P. DC-to-20-GHz MMIC multibit digital attenuators with on-chip TTL control. IEEE J. Solid State Circuits 1992, 27, 1457–1462. [Google Scholar] [CrossRef]
- Yang, J.G.; Yang, K. Broadband compact InGaAs pin 5-bit digital attenuator using π-type resistive network. Electron. Lett. 2012, 48, 702–704. [Google Scholar] [CrossRef]
- Ku, B.-H.; Hong, S. 6-bit CMOS digital attenuators with low phase variations for X-band phased-array systems. IEEE Trans. Microw. Theory Tech. 2010, 58, 1651–1663. [Google Scholar]
- Cho, M.-K.; Kim, J.-G.; Baek, D. A broadband digital step attenuator with low phase error and low insertion loss in 0.18-μm SOI CMOS technology. Electron. Telecommun. Res. Inst. J. 2013, 35, 638–643. [Google Scholar]
- Ding, Y.; Chen, Z.; Wang, W.; Jiang, S.; Sun, S.; Chen, Z.; Chi, B. A fully integrated 27.5–30.5 GHz 8-element phased-array transmit front-end module in 65 nm CMOS. In Proceedings of the 2019 IEEE Asian Solid-State Circuits Conference (A-SSCC), Macau, China, 4–6 November 2019; pp. 153–156. [Google Scholar]
- Gu, P.; Zhao, D.; You, X. A DC-50 GHz CMOS switched-type attenuator with capacitive compensation technique. IEEE Trans. Circuits Syst. I Regul. Pap. 2020, 67, 3389–3399. [Google Scholar] [CrossRef]
- Min, B.-W.; Rebeiz, G.M. A 10–50-GHz CMOS distributed step attenuator with low loss and low phase imbalance. IEEE J. Solid-State Circuits 2007, 42, 2547–2554. [Google Scholar] [CrossRef]
- Davulcu, M.; Burak, A.; Gurbuz, Y. A 7-bit reverse-saturated SiGe HBT discrete gain step attenuator. IEEE Trans. Circuits Syst. II Express Briefs 2020, 67, 665–669. [Google Scholar] [CrossRef]
- Jeong, J.-C.; Yom, I.-B.; Kim, J.-D.; Lee, W.-Y.; Lee, C.-H. A 6–18-GHz GaAs multifunction chip with 8-bit true time delay and 7-bit amplitude control. IEEE Trans. Microw. Theory Tech. 2018, 66, 2220–2230. [Google Scholar] [CrossRef]
- Nguyen, D.P.; Pham, B.L.; Pham, A.-V. A 1.5–45-GHz high-power 2-D distributed voltage-controlled attenuator. IEEE Trans. Microw. Theory Tech. 2017, 65, 4208–4217. [Google Scholar] [CrossRef]
- He, Y.; Zhang, T.; Tang, Y.; Fan, C.; Yan, B. Wideband pHEMT Digital Attenuator With Positive Voltage Control Driver. IEEE Microw. Wirel. Compon. Lett. 2023, 33, 295–298. [Google Scholar] [CrossRef]
- Wu, Y.; Hu, J.; Ma, K. A DC-4GHz 6-bit digital attenuator with high accuracy and low insertion loss. In Proceedings of the 2021 IEEE 4th International Conference on Electronics Technology (ICET), Chengdu, China, 7–10 May 2021; pp. 352–355. [Google Scholar]
- Zhang, Q.; Zhao, C.; Zhang, S.; Wu, Y.; Yu, Y.; Liu, H.; Kang, K. Mechanism Analysis and Design of a Switched T-Type Attenuator With Capacitive Phase Compensation Technique. IEEE Microw. Wirel. Compon. Lett. 2023, 33, 1438–1441. [Google Scholar] [CrossRef]
- Sivakumar, T.; Nagaveni, H.; Karthik, S. A 1–18 GHz Single Supply 5-Bit Low Power Consumption MMIC Digital Attenuator. In Proceedings of the 2022 IEEE Microwaves, Antennas, and Propagation Conference (MAPCON), Bangalore, India, 12–16 December 2022; pp. 823–826. [Google Scholar]
- Bangar, N.; Yadav, A.P.S.; Chaturvedi, S.; Naik, A.A. Design of Monolithic 5–18 GHz Digital Attenuator with Low Attenuation and Phase Error. In Proceedings of the 2022 IEEE Microwaves, Antennas, and Propagation Conference (MAPCON), Bangalore, India, 12–16 December 2022; pp. 796–799. [Google Scholar]
- Sim, S.; Jeon, L.; Kim, J.G. A Compact X-Band Bi-Directional Phased-Array T/R Chipset in 0.13 µm CMOS Technology. IEEE Trans. Microw. Theory Tech. 2013, 61, 562–569. [Google Scholar] [CrossRef]
- Lee, H.; Kim, Y.; Lee, I.; Kim, D.; Park, K.; Jeon, S. ‘A Ku-band GaAs multifunction transmitter and receiver chipset. Electronics 2020, 9, 1327. [Google Scholar] [CrossRef]

















| Rs | Rp | L1 | LT | M1 | M2 | |
|---|---|---|---|---|---|---|
| 4-dB | 21.3 Ω | 109 Ω | 86.5 pH | 0.315 nH | 4 × 50 µm | 1 × 15 µm |
| 8-dB | 35.3 Ω | 13.5 Ω | 67.5 pH | N/A | 4 × 25 µm | 1 × 15 µm |
| Ref. | [2] | [33] | [34] | [35] # | [28] # | [36] # | This work $ |
| Freq. (GHz) | DC-20 | 1–18 | 5–18 | 8.5–10.5 | 6–18 | 12–18 | 10–20 |
| Integrated Control | No | No | No | No | Yes | Yes | Yes |
| Technology | 0.13 µm BiCMOS | 0.25 µm GaAs pHEMT | 0.13 µm GaAs pHEMT | 0.13 µm CMOS | 0.25 µm GaAs pHEMT | 0.18 µm GaAs pHEMT | 0.15 µm GaAs pHEMT |
| Attenuation range (dB) | 31.5 (6 bit) | 15.5 (5 bit) | 31.5 (6 bit) | 30 (5 bit) | 31.75 (7 bit) | 15.5 (5 bit) | 31.5 (6 bit) |
| IL (dB) | 1.7–7.2 | <5.7 | <6.2 | N.A. | <9 | 5–7.5 | 4.0–5.3 |
| RL (dB) | >12 | >10 | >10 | >11 | >12 | >12.5 | >15 |
| RMS amp. error (dB) | <0.37 | <0.55 | <1.1 | <0.3 | <0.6 | <1 | <0.2 |
| RMS/Max phase error (°) | 4/15 | N.A./20 | 2/4 | 7/N.A. | 5/7 | 2.2/N.A. | 2/3 |
| Area (mm2) | 1.3 × 0.75 | 1.46 × 1.6 | 2.5 × 1.5 | 2.06 × 0.58 | 2.7 × 2 | 4.2 × 2.8 | 1.2 × 1.8 0.5 × 1.8 * |
Disclaimer/Publisher’s Note: The statements, opinions and data contained in all publications are solely those of the individual author(s) and contributor(s) and not of MDPI and/or the editor(s). MDPI and/or the editor(s) disclaim responsibility for any injury to people or property resulting from any ideas, methods, instructions or products referred to in the content. |
© 2023 by the authors. Licensee MDPI, Basel, Switzerland. This article is an open access article distributed under the terms and conditions of the Creative Commons Attribution (CC BY) license (https://creativecommons.org/licenses/by/4.0/).
Share and Cite
He, D.; Yu, Z.; Chen, J.; Du, K.; Zhu, Z.; Cheng, P.; Tan, C. A 10–20 GHz 6-Bit High-Accuracy Digital Step Attenuator with Low Insertion Loss in 0.15 µm GaAs p-HEMT Technology. Micromachines 2024, 15, 84. https://doi.org/10.3390/mi15010084
He D, Yu Z, Chen J, Du K, Zhu Z, Cheng P, Tan C. A 10–20 GHz 6-Bit High-Accuracy Digital Step Attenuator with Low Insertion Loss in 0.15 µm GaAs p-HEMT Technology. Micromachines. 2024; 15(1):84. https://doi.org/10.3390/mi15010084
Chicago/Turabian StyleHe, Ding, Zhentao Yu, Jie Chen, Kaiyuan Du, Zhiqiang Zhu, Pu Cheng, and Cheng Tan. 2024. "A 10–20 GHz 6-Bit High-Accuracy Digital Step Attenuator with Low Insertion Loss in 0.15 µm GaAs p-HEMT Technology" Micromachines 15, no. 1: 84. https://doi.org/10.3390/mi15010084
APA StyleHe, D., Yu, Z., Chen, J., Du, K., Zhu, Z., Cheng, P., & Tan, C. (2024). A 10–20 GHz 6-Bit High-Accuracy Digital Step Attenuator with Low Insertion Loss in 0.15 µm GaAs p-HEMT Technology. Micromachines, 15(1), 84. https://doi.org/10.3390/mi15010084

