Design and Implementation of a SiC-Based VRFB Power Conditioning System
Abstract
1. Introduction
2. The VRFB System and the Proposed PCS Topology
3. Controller Design of VRFB PCS
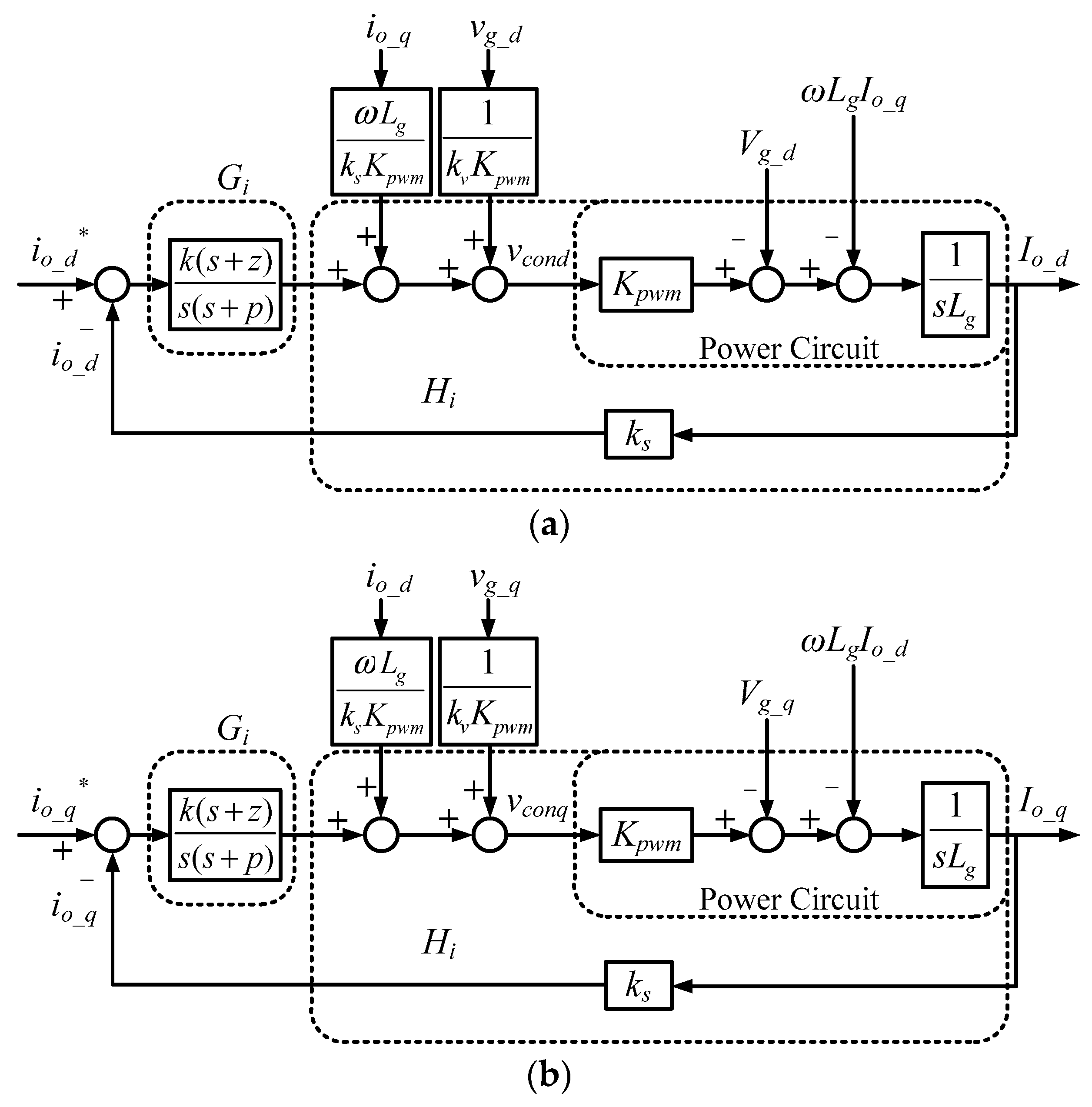
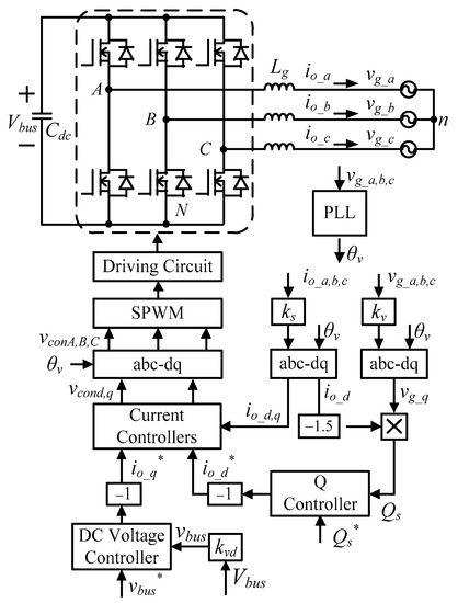
3.1. Grid-Tie Inverter Modeling and Design of Controllers
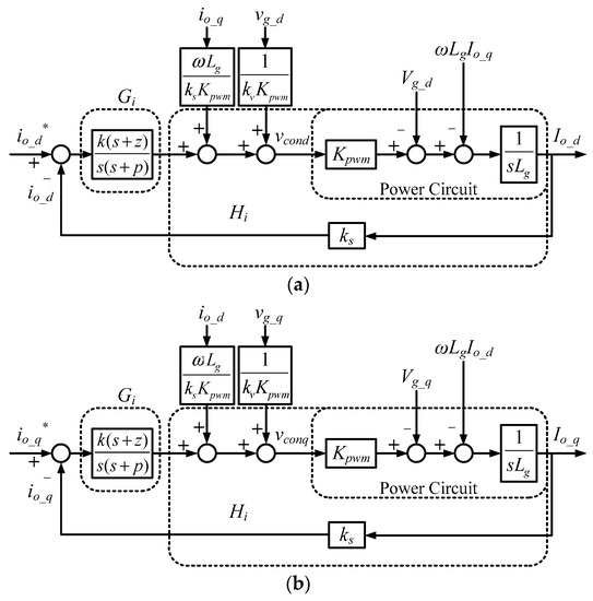
3.1.1. Design of Inductor Current Controllers
3.1.2. Design of the DC Bus Voltage Controller
3.1.3. Design of Reactive Power Controller
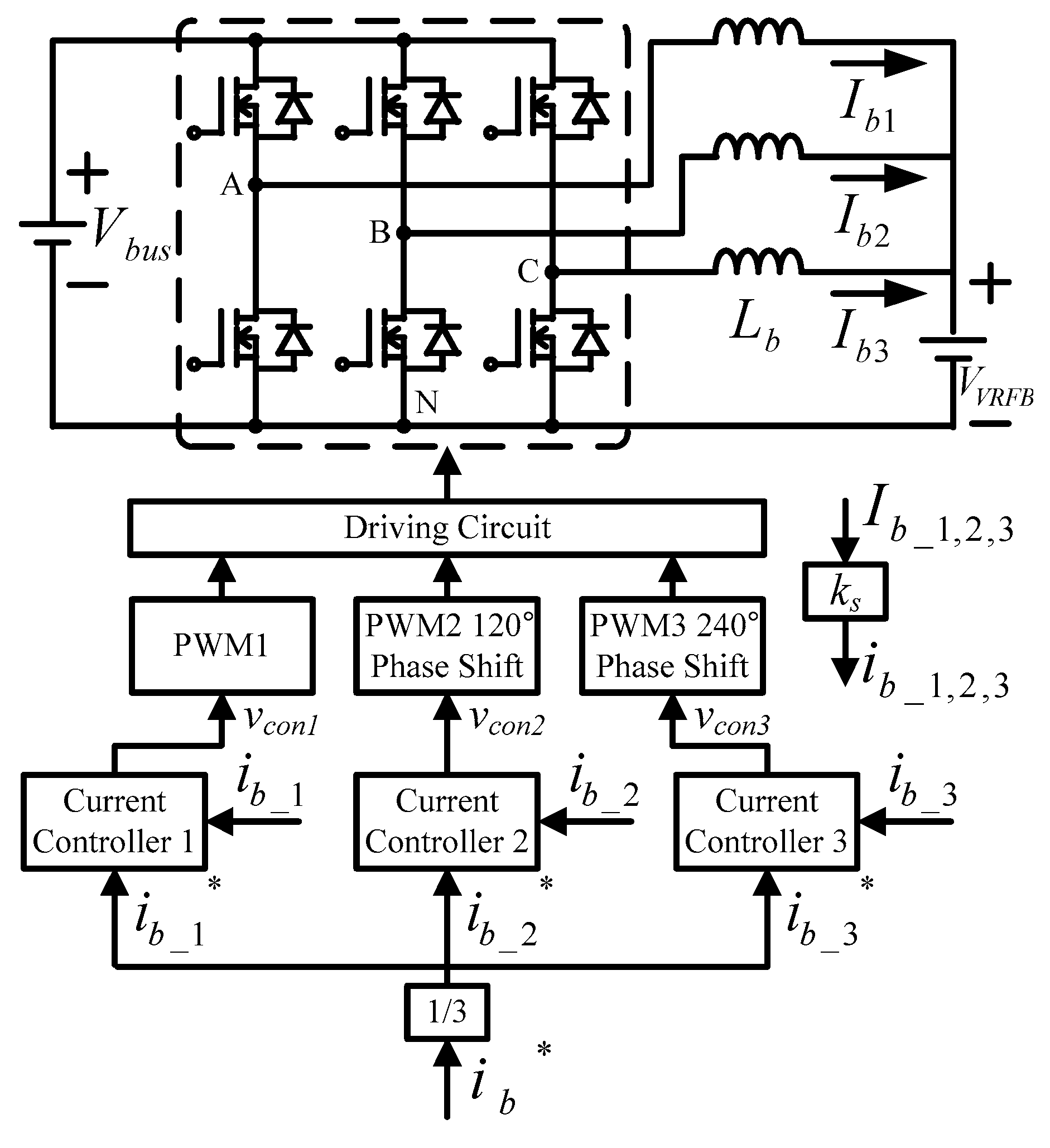
3.2. Interleaved Buck-Boost Converter Controllers
Design of Inductor Current Controller
4. Cases Simulation
4.1. Ramp-Up Procedure
4.2. Charging/Discharging with P-Q Four-Quadrant Control of the Grid-Tie Inverter
5. Hardware Implementation and Test Results
6. Conclusions
Author Contributions
Funding
Acknowledgments
Conflicts of Interest
References
- Energy Information Administration. International Energy Outlook 2019; Office of Energy Analysis: Washington, DC, USA, 2019.
- She, X.; Wang, F.; Burgos, R.; Huang, A.Q. Solid state transformer interfaced wind energy system with integrated active power transfer, reactive power compensation and voltage conversion functions. In Proceedings of the IEEE Energy Conversion Congress and Exposition (ECCE) 2012, Raleigh, NC, USA, 15–20 September 2012; pp. 3140–3147. [Google Scholar]
- Herrera, R.S.; Salmeron, P. Instantaneous Reactive Power Theory: A Reference in the Nonlinear Loads Compensation. IEEE Trans. Ind. Electron. 2009, 56, 2015–2022. [Google Scholar] [CrossRef]
- Sheng, H.; Chen, Z.; Wang, F.; Millner, A. Investigation of 1.2 kV SiC MOSFET for high frequency high power applications. In Proceedings of the Twenty-Fifth Annual IEEE Applied Power Electronics Conference and Exposition (APEC), Palm Springs, CA, USA, 21–25 February 2010; pp. 1572–1577. [Google Scholar]
- Jones, E.A.; Wang, F.F.; Costinett, D. Review of Commercial GaN Power Devices and GaN-Based Converter Design Challenges. IEEE J. Emerg. Sel. Top. Power Electron. 2016, 4, 707–719. [Google Scholar] [CrossRef]
- Figueiredo, J.P.M.; Tofoli, F.L.; Silva, B.L.A. A review of single-phase PFC topologies based on the boost converter. In Proceedings of the 2010 9th IEEE/IAS International Conference on Industry Applications-INDUSCON 2010, Sao Paulo, Brazil, 8–10 November 2010; pp. 1–6. [Google Scholar]
- Bellar, M.D.; Wu, T.S.; Tchamdjou, A.; Mahdavi, J.; Ehsani, M. A review of soft-switched DC-AC converters. IEEE Trans. Ind. Appl. 1998, 34, 847–860. [Google Scholar] [CrossRef]
- Mohammad Noor, S.Z.; Omar, A.M.; Mahzan, N.N.; Ibrahim, I.R. A review of single-phase single stage inverter topologies for photovoltaic system. In Proceedings of the IEEE 4th Control and System Graduate Research Colloquium 2013, Shah Alam, Malaysia, 19–20 August 2013; pp. 69–74. [Google Scholar]
- Aryal, A.; Hellany, A.; Nagrial, M.; Rizk, J. A Critical Review of Single Phase Inverter Grid Synchronization Topologies. In Proceedings of the 2016 International Conference on Power, Energy Engineering and Management (PEEM 2016), Bangkok, Thailand, 24–25 January 2016. [Google Scholar]
- Mechouma, R.; Azoui, B.; Chaabane, M. Three-phase grid connected inverter for photovoltaic systems, a review. In Proceedings of the 2012 First International Conference on Renewable Energies and Vehicular Technology, Hammamet, Tunisia, 26–28 March 2012; pp. 37–42. [Google Scholar]
- Lee, H.; Smet, V.; Tummala, R. A Review of SiC Power Module Packaging Technologies: Challenges, Advances, and Emerging Issues. IEEE J. Emerg. Sel. Top. Power Electron. 2020, 8, 239–255. [Google Scholar] [CrossRef]
- Spaziani, L.; Lu, L. Silicon, GaN and SiC: There’s room for all: An application space overview of device considerations. In Proceedings of the IEEE 30th International Symposium on Power Semiconductor Devices and ICs (ISPSD) 2018, Chicago, IL, USA, 13–17 May 2018; pp. 8–11. [Google Scholar]
- Viswan, V. A review of silicon carbide and gallium nitride power semiconductor devices. Int. J. Res. Eng. Sci. Manag. 2018, 1, 224–225. [Google Scholar]
- Ma, C.-T.; Gu, Z.-H. Review of GaN HEMT Applications in Power Converters over 500 W. Electronics 2019, 8, 1401. [Google Scholar] [CrossRef]
- Ma, C.-T.; Gu, Z.-H. Design and Implementation of a GaN-Based Three-Phase Active Power Filter. Micromachines 2020, 11, 134. [Google Scholar] [CrossRef] [PubMed]
- Eghtedarpour, N.; Farjah, E. Distributed charge/discharge control of energy storages in a renewable-energy-based DC micro-grid. IET Renew. Power Gener. 2014, 8, 45–57. [Google Scholar] [CrossRef]
- Zhang, K.; Mao, C.; Xie, J.; Lu, J.; Wang, D.; Zeng, J.; Chen, X.; Zhang, J. Determination of characteristic parameters of battery energy storage system for wind farm. IET Renew. Power Gener. 2014, 8, 22–32. [Google Scholar] [CrossRef]
- Sarkar, A.; Bhattacharjee, H.; Samanta, K.; Bhattacharya, K.; Saha, H. Optimal design and implementation of solar PV-wind-biogas-VRFB storage integrated smart hybrid microgrid for ensuring zero loss of power supply probability. Energy Convers. Manag. 2019, 191, 102–118. [Google Scholar] [CrossRef]
- Ma, C.-T. A Novel State of Charge Estimating Scheme Based on an Air-Gap Fiber Interferometer Sensor for the Vanadium Redox Flow Battery. Energies 2020, 13, 291. [Google Scholar] [CrossRef]
- Drobnič, K.; Grandi, G.; Hammami, M.; Mandrioli, R.; Viatkin, A.; Vujacic, M. A Ripple-Free DC Output Current Fast Charger for Electric Vehicles Based on Grid-Tied Modular Three-Phase Interleaved Converters. In Proceedings of the 2018 International Symposium on Industrial Electronics (INDEL), Banja Luka, Bosnia and Herzegovina, 1–3 November 2018. [Google Scholar]
- Veneri, O.; Capasso, C.; Iannuzzi, D. Experimental evaluation of DC charging architecture for fully-electrified low-power two-wheeler. Appl. Energy 2016, 162, 1428–1438. [Google Scholar] [CrossRef]
- Kim, B.; Kim, H.; Choi, S. Three-Phase On-board Charger with Three Modules of Single-stage Interleaved Soft-switching AC-DC Converter. In Proceedings of the 2018 IEEE Applied Power Electronics Conference and Exposition (APEC), San Antonio, TX, USA, 4–8 March 2018. [Google Scholar]
- Monteiro, V.; Exposto, B.; Pinto, J.G.; Sepúlveda, M.J.; Meléndez, A.A.N.; Yue, M. Three-Phase Three-Level Current-Source Converter for EVs Fast Battery Charging Systems. In Proceedings of the 2015 IEEE International Conference on Industrial Technology (ICIT), Seville, Spain, 17–19 March 2015. [Google Scholar]
- Monteiro, V.; Ferreira, J.C.; Meléndez, A.A.N.; Couto, C.; Afonso, J.L. Experimental Validation of a Novel Architecture Based on a Dual-Stage Converter for Off-Board Fast Battery Chargers of Electric Vehicles. IEEE Trans. Veh. Technol. 2018, 67, 1000–1011. [Google Scholar] [CrossRef]
- Mortezaei, A.; Abdul-Hak, M.; Simoes, M.G. A Bidirectional NPC-based Level 3 EV Charging System with Added Active Filter Functionality in Smart Grid Applications. In Proceedings of the 2018 IEEE Transportation Electrification Conference and Expo (ITEC), Long Beach, CA, USA, 13–15 June 2018. [Google Scholar]
- Kamble, A.S.; Swami, P.S. On-Board Integreted Charger for Electric Vehicle Based on Split Three Phase Insuction Motor. In Proceedings of the 2018 International Conference on Emerging Trends and Innovations In Engineering And Technological Research (ICETIETR), Ernakulam, India, 11–13 July 2018. [Google Scholar]
- Yong, J.Y.; Fazeli, S.M.; Ramachandaramurthy, V.K.; Tan, K.M. Design and development of a three-phase off-board electric vehicle charger prototype for power grid voltage regulation. Energy 2017, 133, 128–141. [Google Scholar] [CrossRef]






































| Component | Item | Value |
|---|---|---|
| Grid | Three-phase line voltage | 220 Vrms, VLL |
| Voltage frequency | 60 Hz | |
| Interleaved buck-boost converter | Rated power | 5 kW |
| Number of channels | 3 | |
| VRFB pack voltage | 136–153.6 V (48 cells) | |
| Switching frequency | 100 kHz | |
| Switching device | SiC MOSFET | |
| Filter inductor | 383 µH (20%) | |
| Current sensing factor | 0.05 V/A | |
| Grid-tie inverter | Rated power | 5 kVA |
| DC bus voltage | 400 V | |
| Switching frequency | 100 kHz | |
| Carrier voltage | 5 V | |
| LPF | 1st order (270 µH) | |
| DC bus capacitor | 600 V/1620 µF | |
| DC voltage sensing factor | 0.006 V/V | |
| AC voltage sensing factor | 0.0031 V/V | |
| Current sensing factor | 0.05 V/A | |
| Controller | DSP | TI TMS320F28335 |
Publisher’s Note: MDPI stays neutral with regard to jurisdictional claims in published maps and institutional affiliations. |
© 2020 by the authors. Licensee MDPI, Basel, Switzerland. This article is an open access article distributed under the terms and conditions of the Creative Commons Attribution (CC BY) license (http://creativecommons.org/licenses/by/4.0/).
Share and Cite
Ma, C.-T.; Tian, Y.-H. Design and Implementation of a SiC-Based VRFB Power Conditioning System. Micromachines 2020, 11, 1099. https://doi.org/10.3390/mi11121099
Ma C-T, Tian Y-H. Design and Implementation of a SiC-Based VRFB Power Conditioning System. Micromachines. 2020; 11(12):1099. https://doi.org/10.3390/mi11121099
Chicago/Turabian StyleMa, Chao-Tsung, and Yi-Hung Tian. 2020. "Design and Implementation of a SiC-Based VRFB Power Conditioning System" Micromachines 11, no. 12: 1099. https://doi.org/10.3390/mi11121099
APA StyleMa, C.-T., & Tian, Y.-H. (2020). Design and Implementation of a SiC-Based VRFB Power Conditioning System. Micromachines, 11(12), 1099. https://doi.org/10.3390/mi11121099
