The Effect of Up-Flow Rate on the Nitrogen Treatment Efficiency and Sludge Characteristics of ANAMMOX Process with Up-Flow Anaerobic Sludge Bed Reactor
Abstract
1. Introduction
2. Materials and Methods
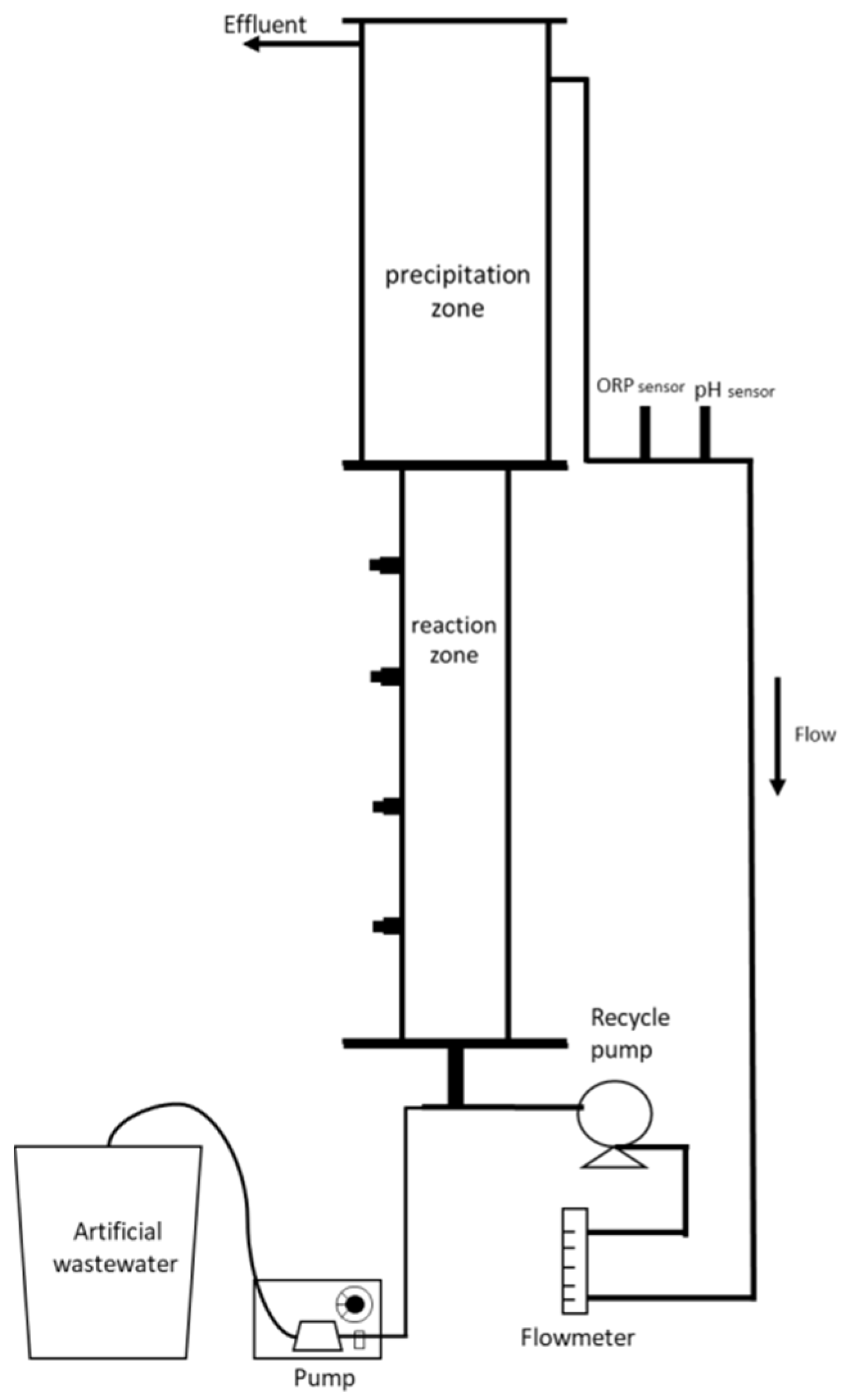
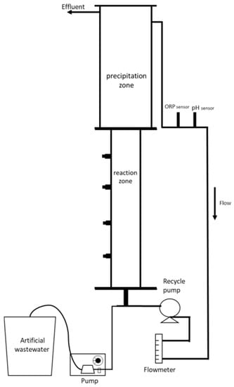
2.1. Setup of UASB
2.2. UASB Operation
2.3. Analytical
3. Results
3.1. Effect of Up-Flow Rate on Total Nitrogen Removal Efficiency
3.2. Effect of Up-Flow Rate on the Growth Rate of Anaerobic Ammonia Oxidation Sludge
4. Discussion
5. Conclusions
- The mean total nitrogen removal rate was the same for different up-flow rates;
- The concentration, accretion value and growth rate of sludge were all maximized under the operating condition of up-flow rate = 3.21 m/h, which was the key to sludge accretion;
- When the up-flow rate is lower than 3.21 m/h, it is not easy to produce a large amount of sludge floc; the sludge concentration is lower and easier to be lost; and the height of the sludge bed is not increased to make the sludge growth rate negative;
- When the up-flow rate exceeds 3.21 m/h, the shear force caused by the higher up-flow rate results in the sludge floc being scattered, the specific gravity is lowered and the height of sludge bed cannot be increased, so the volume of sludge cannot be increased significantly;
- The up-flow rate has a significant effect on sludge properties such as sludge concentration, sludge accretion height and sludge growth rate, and the best sludge properties are obtained at the up-flow rate of 3.21 m/h.
Author Contributions
Funding
Conflicts of Interest
References
- Zhang, L.; Narita, Y.; Gao, L.; Ali, M.; Oshiki, M.; Okabe, S. Maximum specific growth rate of ANAMMOX bacteria revisited. Water Res. 2017, 116, 296–303. [Google Scholar] [CrossRef] [PubMed]
- van der Star, W.R.L.; Abma, W.R.; Bolmmers, D.J.W.; Tokutomi, T.; Strous, M.; Picioreanu, C.; van Loosdrecht, M.C.M. Startup of reactors for anoxic ammonium oxidation: Experiences from the first full-scale ANAMMOX reactor in Rotterdam. Water Res. 2007, 41, 4149–4163. [Google Scholar] [CrossRef] [PubMed]
- Strous, M.; Fuerst, J.-A.; Kramer, E.-H.M.; Logemann, S.; Muyzer, G.; van de Pas-Schoonen, K.T.; Webb, R.J.; Kuenen, G.; Jetten, M.-S.M. Missing lithotroph identified as new planctomycete. Nature 1999, 143, 446–499. [Google Scholar] [CrossRef]
- Jetten, M.S.M.; Wagner, M.; Fuerst, J.; van Loosdrecht, M.; Kuenen, G.; Strous, M. Microbiology and application of the anaerobic ammonium oxidation (‘ANAMMOX’) process. Curr. Opin. Plant Biol. 2001, 12, 283–288. [Google Scholar] [CrossRef] [PubMed]
- Shi, Z.J.; Guo, Q.; Xu, Y.Q.; Wu, D.; Liao, S.M.; Zhang, F.Y.; Zhang, Z.Z.; Jin, R.C. Mass transfer characteristics, rheological behavior and fractal dimensions of biogas particles: The role of upflow velocity and temperature. Bioresour. Technol. 2017, 244, 117–124. [Google Scholar] [CrossRef] [PubMed]
- Du, R.; Cao, S.; Li, B.; Zhang, H.; Wang, S.; Peng, Y. Synergistic effects of partial denitrification and anaerobic bacterial action for simultaneous removal of nitrate and ammonia at room temperature in a continuous-feed up-flow sludge bed reactor. Bioresour. Technol. 2018, 274, 386–394. [Google Scholar] [CrossRef] [PubMed]
- Rehman, A.; Zohaib, U.; Wu, J.; Li, Z.H.; Akand, R.; Cao, Z.P.; Poncin, S.; Li, H.Z. New insights into spatial mass transfer con-ditions in upflow anaerobic reactors. J. Clean. Prod. 2018, 204, 390–398. [Google Scholar]
- Lettinga, G.; van Velsen, A.F.M.; Hobma, S.W.; de Zeeuw, W.; Klapwijk, A. Use of the upflow sludge blanket (USB) reactor concept for biological wastewater treatment, especially for anaerobic treatment. Biotechnol. Bioeng. 1980, 22, 699–734. [Google Scholar] [CrossRef]
- Schmidt, J.E.; Ahring, B.K. Granular sludge formation in upflow anaerobic sludge blanket (UASB) reactors. Biotechnol. Bioeng. 1996, 49, 229–246. [Google Scholar] [CrossRef]
- Tiwari, M.K.; Guha, S.; Harendranath, C.S.; Tripathi, S. Effect of extraneous factors on granulation in UASB reactors. Appl. Microbiol. Biotechnol. 2006, 71, 145–154. [Google Scholar] [CrossRef]
- Muhammad, A.A.; Rumana, G.; Zularisam, A.W.; Anwar, A. Integrated application of upflow anaerobic sludge blanket reactor for the treatment of wastewaters. Water Res. 2011, 45, 4683–4699. [Google Scholar]
- Owusu-Agyeman, I.; Malovanyy, A.; Plaza, E. UASB/anammox technology: A sustainable approach for energy recovery and cost effective nitrogen removal from wastewater. In Proceedings of the International Research Initiative Conference (IRIC), Accra, Ghana, 7–8 October 2014. [Google Scholar]
- Mainardis, M.; Buttazzoni, M.; Goi, D. Upflow anaerobic sludge blanket (UASB) technology for energy recovery. A review on the state of the art and recent technological advances. Bioengineering 2020, 7, 43. [Google Scholar] [PubMed]
- Bolle, W.L.; van Breugel, J.; van Eybergen, G.C.; Kossen, N.W.F.; Zoetemeyer, R.J. Modelling of liquid flow in an upflow anaerobic sludge blanket reactor. Biotechnol. Bioeng. 1986, 28, 1615–1620. [Google Scholar] [CrossRef]
- Peña, M.R.; Mara, D.D.; Avella, G.P. Dispersion and treatment performance analysis of an UASB reactor under different hy-draulic loading rates. Water Res. 2006, 40, 445–452. [Google Scholar] [CrossRef] [PubMed]
- Arrojo, B.; Figueroa, M.; Mosquera-Corral, A.; Campos, J.L.; Méndez, R. Influence of gas flow-induced shear stress on the op-eration of the ANAMMOX process in a SBR. Chemosphere 2008, 72, 1687–1693. [Google Scholar] [CrossRef] [PubMed]
- Daud, M.K.; Rizvi, H.; Akram, M.F.; Ali, S.; Rizwan, M.; Nafees, M.; Jin, Z.S. Review of Upflow Anaerobic Sludge Blanket Reactor Technology: Effect of Different Parameters and Developments for Domestic Wastewater Treatment. J. Chem. 2018, 2018, 1596319. [Google Scholar] [CrossRef]
- Letelier-Gordo, C.O.; Martin Herreros, M. Denitrifying granules in a marine Upflow Anoxic Sludge Bed (UASB) reactor. Aquac. Eng. 2019, 84, 42–49. [Google Scholar] [CrossRef]
- Heertjes, P.M.; Van Der Meer, R.R. Dynamics of liquid flow in an up-flow reactor-used for anaerobic treatment of wastewater. Biotechnol. Bioeng. 1978, 20, 1577–1594. [Google Scholar] [CrossRef]
- Heertjes, P.M.; Kujivenhoven, L.I.; Van Der Meer, R.R. Fluid flow patterns in an upflow reactor for the anaerobic treatment of sugar beet factory wastewater. Biotechnol. Bioeng. 1982, 24, 443–459. [Google Scholar] [CrossRef]
- Bolle, W.L.; van Breugel, J.; van Eybergen, G.C.; Kossen, N.W.F.; van Gils, W. An integral dynamic model for the UASB reactor. Biotechnol. Bioeng. 1986, 28, 1621–1636. [Google Scholar] [CrossRef]
- Beun, J.J.; van Loosdrecht, M.C.; Heijnen, J.J. Aerobic granulation. Water Sci. Technol. 2000, 41, 41–48. [Google Scholar] [CrossRef]
- Van der Star, W.R.L. Growth and Metabolism of Anammox Bacteria. Ph.D. Thesis, TU Delft, Delft, The Netherlands, 15 April 2008; p. 25. [Google Scholar]
- Reino, C.; Carrera, J. Low-strength wastewater treatment in an ANAMMOX UASB reactor: Effect of the liquid upflow velocity. Chem. Eng. J. 2017, 313, 217–225. [Google Scholar] [CrossRef]
- Hulshoff Pol, L.W.; Heijnekamp, K.; Lettinga, G. The selection pressure as a driving force behind the granulation of anaerobic sludge. In Granular Ananerobic Sludge: Microbiology and Technology; Lettinga, G., Zehnder, A.J.B., Grotenhuis, J.T.C., Hulshoff Pol, L.W., Eds.; Pudoc: Wageningen, The Netherlands, 1988; pp. 153–161. [Google Scholar]
- Kosaric, N.; Blaszczyk, R.; Orphan, L. Factors influencing formation and maintenance of granules in upflow anaerobic sludge blanket reactors (UASBR). Water Sci. 1990, 22, 275–282. [Google Scholar] [CrossRef]
- Yoda, M.; Kitagawa, M.; Miyaji, Y. Granular Sludge Formation in the Anaerobic Expanded Micro-Carrier Bed Process. Water Sci. Technol. 1989, 21, 109–120. [Google Scholar] [CrossRef]
- Show, K.Y.; Yan, Y.; Yao, H.; Guo, H.; Li, T.; Show, D.Y.; Chang, J.S.; Lee, D.J. Anaerobic granulation: A review of granulation hypotheses, bioreactor designs and emerging green applications. Bioresour. Technol. 2020, 300, 122751. [Google Scholar] [CrossRef]








| Parameter | Unit | Run | |||
|---|---|---|---|---|---|
| Run 1 | Run 2 | Run 3 | Run 4 | ||
| Inf. NH4+–N/NO2−–N conc. | mg N/L | 40/60 | |||
| Inflow rate | mL/min | 22 | |||
| HRT * | hr | 12 | |||
| Days of operation | Day | 21 | 20 | 21 | 21 |
| Up-flow rate | m/h | 1.95 | 2.53 | 3.12 | 3.70 |
| Item | Unit | Run | |||
|---|---|---|---|---|---|
| 1 | 2 | 3 | 4 | ||
| Up-flow rate | m/h | 1.95 | 2.53 | 3.12 | 3.70 |
| Sludge growth rate | mgVSS/mgVSS-day | −0.0096 | −0.0011 | 0.0283 | −0.0026 |
| △MLSS | mg/L | −725.71 | −390 | 266.67 | −537.5 |
| △MLVSS | mg/L | −518.57 | −318.33 | 193.33 | −418.75 |
| NLR | g-N/m3/d | 0.20 | 0.20 | 0.23 | 0.21 |
| NRR | g-N/m3/d | 0.18 | 0.19 | 0.20 | 0.20 |
| Effluent NO3–N | g-N/m3/d | 0.03 | 0.03 | 0.03 | 0.03 |
| NH4+–N average removal rate | % | 95.55 | 96.44 | 95.82 | 92.75 |
| NO2−–N average removal rate | % | 90.62 | 88.28 | 83.02 | 91.99 |
Publisher’s Note: MDPI stays neutral with regard to jurisdictional claims in published maps and institutional affiliations. |
© 2022 by the authors. Licensee MDPI, Basel, Switzerland. This article is an open access article distributed under the terms and conditions of the Creative Commons Attribution (CC BY) license (https://creativecommons.org/licenses/by/4.0/).
Share and Cite
Tsai, T.-Y.; Chen, W.-Y. The Effect of Up-Flow Rate on the Nitrogen Treatment Efficiency and Sludge Characteristics of ANAMMOX Process with Up-Flow Anaerobic Sludge Bed Reactor. Sustainability 2022, 14, 16992. https://doi.org/10.3390/su142416992
Tsai T-Y, Chen W-Y. The Effect of Up-Flow Rate on the Nitrogen Treatment Efficiency and Sludge Characteristics of ANAMMOX Process with Up-Flow Anaerobic Sludge Bed Reactor. Sustainability. 2022; 14(24):16992. https://doi.org/10.3390/su142416992
Chicago/Turabian StyleTsai, Tsung-Yueh, and Wen-Yun Chen. 2022. "The Effect of Up-Flow Rate on the Nitrogen Treatment Efficiency and Sludge Characteristics of ANAMMOX Process with Up-Flow Anaerobic Sludge Bed Reactor" Sustainability 14, no. 24: 16992. https://doi.org/10.3390/su142416992
APA StyleTsai, T.-Y., & Chen, W.-Y. (2022). The Effect of Up-Flow Rate on the Nitrogen Treatment Efficiency and Sludge Characteristics of ANAMMOX Process with Up-Flow Anaerobic Sludge Bed Reactor. Sustainability, 14(24), 16992. https://doi.org/10.3390/su142416992
