Deep Insights into the Radiation Shielding Features of Heavy Minerals in Their Native Status: Implications for Their Physical, Mineralogical, Geochemical, and Morphological Properties
Abstract
1. Introduction
2. Geologic Description of Materials
2.1. Lithology and Stratigraphy
2.2. Megascopic Characterization
3. Materials and Methods
3.1. Materials
3.2. Material Preparation
3.3. Material Characterization
3.3.1. Mineralogical Characterization
3.3.2. Morphological Characterization
3.3.3. Physical and Mechanical Characterization
3.3.4. Geochemical Characterization
3.4. Radiation Attenuation
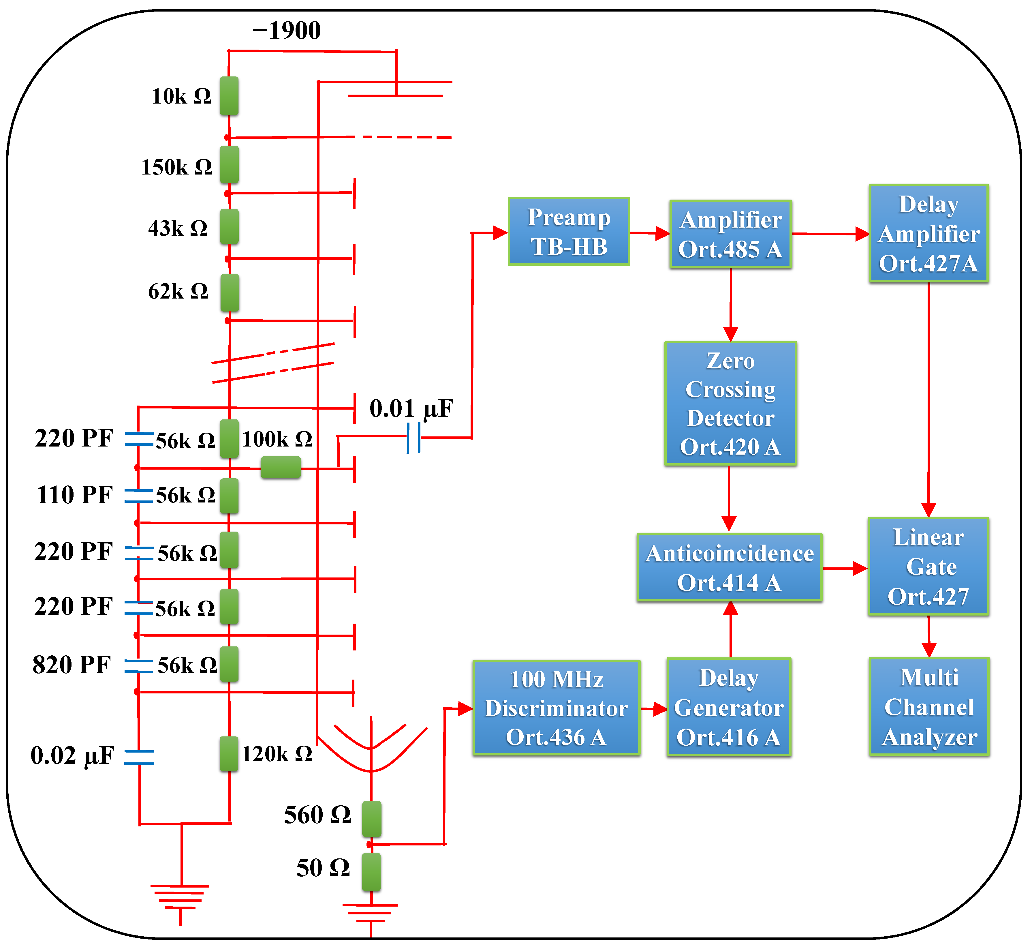
3.4.1. Radiation Measurements
3.4.2. Theoretical Calculations (NXcom)
4. Results and Discussion
4.1. Mineralogical Characterization
4.2. Morphological Characterization
4.3. Physical and Mechanical Characterization
4.4. Geochemical Characterization
4.5. Radiation Attenuation
4.5.1. Fast Neutron Attenuation
4.5.2. γ-Rays
4.5.3. Radiation Attenuation Comparison
5. Conclusions
- Unlike the mechanical properties (i.e., crushing and impact values), the physical properties (i.e., density and water absorption) of barite are more enhanced than those of hematite.
- The dense structure of barite can be correlated to its orthorhombic-shaped grains, whereas the sub-spherical and botryoidal-shaped grains of hematite result in a decompressed structure.
- The radiation attenuation of barite against fast neutrons and γ-rays surpassed that of hematite by 12.25 and 51%, respectively.
- The high ratio of BaO (57.89%) and the densified structure of barite justify its higher radiation attenuation compared to that of hematite, which has a higher Fe2O3 % and a less compact structure.
- A considerable agreement was obtained between the experimental and theoretical calculations (NXcom) of the fast neutron attenuation for both the barite and hematite samples, with reasonable deviations of 16 and 19.25%, respectively.
- Compared to different concrete mixes, barite and hematite can be employed as natural, sustainable, and cost-effective alternatives to cement-consuming RSC.
Author Contributions
Funding
Institutional Review Board Statement
Informed Consent Statement
Data Availability Statement
Conflicts of Interest
References
- Lee, S.; Kim, M.; Lee, J. Analyzing the Impact of Nuclear Power on CO2 Emissions. Sustainability 2017, 9, 1428. [Google Scholar] [CrossRef]
- Mukherjee, S. Applied Mineralogy: Applications in Industry and Environment; Springer Science & Business Media: Berlin/Heidelberg, Germany, 2012. [Google Scholar] [CrossRef]
- Salati, A.; Share Isfahani, H.; Roshanzamir, M.A.; Azhari, A. Investigating the effect of hematite additive on the performance of clay barriers for radioactive waste disposals. Bull. Eng. Geol. Environ. 2022, 81, 415. [Google Scholar] [CrossRef]
- El-Samrah, M.G.; Tawfic, A.F.; Chidiac, S.E. Spent nuclear fuel interim dry storage; Design requirements, most common methods, and evolution: A review. Ann. Nucl. Energy 2021, 160, 108408. [Google Scholar] [CrossRef]
- Ryan, J.L. Ionizing Radiation: The Good, the Bad, and the Ugly. J. Investig. Dermatol. 2012, 132, 985–993. [Google Scholar] [CrossRef] [PubMed]
- El-Samrah, M.G.; Abdel-Rahman, M.A.E.; El Shazly, R.M. Effect of heating on physical, mechanical, and nuclear radiation shielding properties of modified concrete mixes. Radiat. Phys. Chem. 2018, 153, 104–110. [Google Scholar] [CrossRef]
- Tekin, H.O.; Sayyed, M.I.; Issa, S.A.M. Gamma radiation shielding properties of the hematite-serpentine concrete blended with WO3 and Bi2O3 micro and nano particles using MCNPX code. Radiat. Phys. Chem. 2018, 150, 95–100. [Google Scholar] [CrossRef]
- Sakr, K.; Ramadan, W.; Sayed, M.; El-Zakla, T.; El-Desouqy, M.; El-Faramawy, N. Utilization of barite/cement composites for gamma rays attenuation. Radiat. Eff. Defects Solids 2018, 173, 269–282. [Google Scholar] [CrossRef]
- Azreen, N.M.; Rashid, R.S.M.; Mugahed Amran, Y.H.; Voo, Y.L.; Haniza, M.; Hairie, M.; Alyousef, R.; Alabduljabbar, H. Simulation of ultra-high-performance concrete mixed with hematite and barite aggregates using Monte Carlo for dry cask storage. Constr. Build. Mater. 2020, 263, 120161. [Google Scholar] [CrossRef]
- Zeyad, A.M.; Hakeem, I.Y.; Amin, M.; Tayeh, B.A.; Agwa, I.S. Effect of aggregate and fibre types on ultra-high-performance concrete designed for radiation shielding. J. Build. Eng. 2022, 58, 104960. [Google Scholar] [CrossRef]
- Sayyed, M.I.; Almousa, N.; Elsafi, M. Preparation of Mortar with Fe2O3 Nanoparticles for Radiation Shielding Application. Coatings 2022, 12, 1329. [Google Scholar] [CrossRef]
- Öz, A.; Bayrak, B.; Kavaz, E.; Kaplan, G.; Çelebi, O.; Alcan, H.G.; Aydın, A.C. The radiation shielding and microstructure properties of quartzic and metakaolin based geopolymer concrete. Constr. Build. Mater. 2022, 342, 127923. [Google Scholar] [CrossRef]
- Abdullah, M.A.H.; Rashid, R.S.M.; Amran, M.; Hejazii, F.; Masenwat, N.A.B.; Fediuk, R.; Voo, Y.L.; Vatin, N.I.; Idris, M.I. Recent Trends in Advanced Radiation Shielding Concrete for Construction of Facilities: Materials and Properties. Polymers 2022, 14, 2830. [Google Scholar] [CrossRef] [PubMed]
- Dąbrowski, M.; Jóźwiak-Niedźwiedzka, D.; Bogusz, K.; Glinicki, M.A. Influence of serpentinite aggregate on the microstructure and durability of radiation shielding concrete. Constr. Build. Mater. 2022, 337, 127536. [Google Scholar] [CrossRef]
- Daungwilailuk, T.; Yenchai, C.; Rungjaroenkiti, W.; Pheinsusom, P.; Panwisawas, C.; Pansuk, W. Use of barite concrete for radiation shielding against gamma-rays and neutrons. Constr. Build. Mater. 2022, 326, 126838. [Google Scholar] [CrossRef]
- Jaha, N.; Islam, G.M.S.; Kabir, M.F.; Khandaker, M.U.; Chowdhury, F.-U.-Z.; Bhuian, A.K.M.S.I. Ionizing radiation shielding efficacy of common mortar and concrete used in Bangladeshi dwellings. Case Stud. Constr. Mater. 2022, 17, e01547. [Google Scholar] [CrossRef]
- Lv, Y.; Qin, Y.; Wang, J.; Li, G.; Zhang, P.; Liao, D.; Xi, Z.; Yang, L. Effect of incorporating hematite on the properties of ultra-high performance concrete including nuclear radiation resistance. Constr. Build. Mater. 2022, 327, 126950. [Google Scholar] [CrossRef]
- Luo, L.; Chen, Z.; Tao, Q.; Xie, L.; Jin, D.; Li, Z.; Deng, D. Effects of high temperatures on the splitting tensile strength and gamma ray shielding performance of radiation shielding concrete. Constr. Build. Mater. 2022, 343, 127953. [Google Scholar] [CrossRef]
- Amin, M.N.; Ahmad, I.; Iqbal, M.; Abbas, A.; Khan, K.; Faraz, M.I.; Alabdullah, A.A.; Ullah, S. Computational AI Models for Investigating the Radiation Shielding Potential of High-Density Concrete. Materials 2022, 15, 4573. [Google Scholar] [CrossRef]
- Al-Buriahi, M.S.; Sayyed, M.; Bantan, R.A.; Al-Hadeethi, Y. Nuclear Radiation Shielding Characteristics of Some Natural Rocks by Using EPICS2017 Library. Materials 2021, 14, 4669. [Google Scholar] [CrossRef]
- Khater, G.A.; Saudi, H.A.; Abd-Allah, W.M. Glass and Glass-Ceramics Based on Weathered Basaltic Rock for Radiation Shielding Applications. Silicon 2022, 14, 7449–7459. [Google Scholar] [CrossRef]
- Aita, R.S.; Abdel Ghany, H.A.; Ibrahim, E.M.; El-Feky, M.G.; El Aassy, I.E.; Mahmoud, K.A. Gamma-rays attenuation by mineralized siltstone and dolostone rocks: Monte Carlo simulation, theoretical and experimental evaluations. Radiat. Phys. Chem. 2022, 198, 110281. [Google Scholar] [CrossRef]
- Yılmaz, D.; Kılıc, A.D.; Kalecik, S. Radiation shielding parameters and Micro-Raman spectral analysis of some pyroclastic rocks. Radiat. Phys. Chem. 2023, 203, 110596. [Google Scholar] [CrossRef]
- Hemid, E.M.; Kántor, T.; Tamma, A.A.; Masoud, M.A. Effect of groundwater fluctuation, construction, and retaining system on slope stability of Avas Hill in Hungary. Open Geosci. 2021, 13, 1139–1157. [Google Scholar] [CrossRef]
- Çelen, Y.Y.; Akkurt, I.; Ceylan, Y.; Atçeken, H. Application of experiment and simulation to estimate radiation shielding capacity of various rocks. Arab. J. Geosci. 2021, 14, 1471. [Google Scholar] [CrossRef]
- Masoud, M.A.; Rashad, A.M.; Sakr, K.; Shahien, M.G.; Zayed, A.M. Possibility of using different types of Egyptian serpentine as fine and coarse aggregates for concrete production. Mater. Struct. 2020, 53, 87. [Google Scholar] [CrossRef]
- Mansour, A.; Sayyed, M.I.; Mahmoud, K.A.; Şakar, E.; Kovaleva, E.G. Modified halloysite minerals for radiation shielding purposes. J. Radiat. Res. Appl. Sc. 2020, 13, 94–101. [Google Scholar] [CrossRef]
- Abu El-Soad, A.M.; Sayyed, M.I.; Mahmoud, K.A.; Şakar, E.; Kovaleva, E.G. Simulation studies for gamma ray shielding properties of Halloysite nanotubes using MCNP-5 code. Appl. Radiat. Isot. 2019, 154, 108882. [Google Scholar] [CrossRef]
- Akkurt, I.; Kilincarslan, S.; Basyigit, C. The photon attenuation coefficients of barite, marble and limra. Ann. Nucl. Energy 2004, 31, 577–582. [Google Scholar] [CrossRef]
- Oto, B.; Yıldız, N.; Akdemir, F.; Kavaz, E. Investigation of gamma radiation shielding properties of various ores. Prog. Nucl. Energy 2015, 85, 391–403. [Google Scholar] [CrossRef]
- Dong, M.; Zhou, S.; Xue, X.; Sayyed, M.I.; Tishkevich, D.; Trukhanov, A.; Wang, C. Study of comprehensive shielding behaviors of chambersite deposit for neutron and gamma ray. Prog. Nucl. Energy 2022, 146, 104155. [Google Scholar] [CrossRef]
- Eke, C.; Agar, O.; Segebade, C.; Boztosun, I. Attenuation properties of radiation shielding materials such as granite and marble against γ-ray energies between 80 and 1350 keV. Radiochim. Acta 2017, 105, 851–863. [Google Scholar] [CrossRef]
- Mavi, B. Experimental investigation of γ-ray attenuation coefficients for granites. Ann. Nucl. Energy 2012, 44, 22–25. [Google Scholar] [CrossRef]
- Masoud, M.A.; El-Khayatt, A.M.; Shahien, M.G.; Bakhit, B.R.; Suliman, I.I.; Zayed, A.M. Radiation Attenuation Assessment of Serpentinite Rocks from a Geological Perspective. Toxics 2022, 10, 697. [Google Scholar] [CrossRef]
- Kunchariyakun, K.; Sukmak, P. Utilization of garnet residue in radiation shielding cement mortar. Constr. Build. Mater. 2020, 262, 120122. [Google Scholar] [CrossRef]
- Marquez-Mata, C.A.; Mata Chavez, M.J.; Campillo-Rivera, G.E.; Vazquez-Bañuelos, J.; Garcia-Duran, A.; Vega-Carrillo, H.R. Shielding features of seven types on natural quartz. Appl. Radiat. Isot. 2021, 167, 109450. [Google Scholar] [CrossRef] [PubMed]
- Singh, S.; Singh, K. On the use of green concrete composite as a nuclear radiation shielding material. Prog. Nucl. Energy 2021, 136, 103730. [Google Scholar] [CrossRef]
- Zayed, A.M.; Masoud, M.A.; Rashad, A.M.; El-Khayatt, A.M.; Sakr, K.; Kansouh, W.A.; Shahien, M.G. Influence of heavyweight aggregates on the physico-mechanical and radiation attenuation properties of serpentine-based concrete. Constr. Build. Mater. 2020, 260, 120473. [Google Scholar] [CrossRef]
- Akkurt, I.; El-Khayatt, A.M. The effect of barite proportion on neutron and gamma-ray shielding. Ann. Nucl. Energy 2013, 51, 5–9. [Google Scholar] [CrossRef]
- Baioumy, H.M. Rare earth elements, S and Sr isotopes and origin of barite from Bahariya Oasis, Egypt: Implication for the origin of host iron ores. J. Afr. Earth Sci. 2015, 106, 99–107. [Google Scholar] [CrossRef]
- Said, R. The Geology of Egypt, 1st ed.; Routledge: London, UK, 1990; p. 734. [Google Scholar] [CrossRef]
- Salama, W.; El Aref, M.; Gaupp, R. Mineralogical and geochemical investigations of the Middle Eocene ironstones, El Bahariya Depression, Western Desert, Egypt. Gondwana Res. 2012, 22, 717–736. [Google Scholar] [CrossRef]
- Baioumy, H.M.; Ahmed, A.H.; Khedr, M.Z. A mixed hydrogenous and hydrothermal origin of the Bahariya iron ores, Egypt: Evidences from the trace and rare earth element geochemistry. J. Geochem. Explor. 2014, 146, 149–162. [Google Scholar] [CrossRef]
- Afify, A.M.; Sanz-Montero, M.E.; Calvo, J.P.; Wanas, H.A. Diagenetic origin of ironstone crusts in the Lower Cenomanian Bahariya Formation, Bahariya Depression, Western Desert, Egypt. J. Afr. Earth Sci. 2015, 101, 333–349. [Google Scholar] [CrossRef]
- Afify, A.M.; Sanz-Montero, M.E.; Calvo, J.P. Ironstone deposits hosted in Eocene carbonates from Bahariya (Egypt)—New perspective on cherty ironstone occurrences. Sediment. Geol. 2015, 329, 81–97. [Google Scholar] [CrossRef]
- Afify, A.M.; Sanz-Montero, M.E.; Calvo, J.P. Differentiation of ironstone types by using rare earth elements and yttrium geochemistry—A case study from the Bahariya region, Egypt. Ore Geol. Rev. 2018, 96, 247–261. [Google Scholar] [CrossRef]
- Salem, S.M. ASD field hyperspectral measurements for discrimination of the ferruginous rocks and the iron ore types at El Gedida-Ghorabi area, Bahariya Oasis, Western Desert, Egypt. Arab. J. Geosci. 2017, 10, 166. [Google Scholar] [CrossRef]
- Afify, A.M.; Serra-Kiel, J.; Sanz-Montero, M.E.; Calvo, J.P.; Sallam, E.S. Nummulite biostratigraphy of the Eocene succession in the Bahariya Depression, Egypt: Implications for timing of iron mineralization. J. Afr. Earth Sci. 2016, 120, 44–55. [Google Scholar] [CrossRef]
- Baioumy, H.M.; Khedr, M.Z.; Ahmed, A.H. Mineralogy, geochemistry and origin of Mn in the high-Mn iron ores, Bahariya Oasis, Egypt. Ore Geol. Rev. 2013, 53, 63–76. [Google Scholar] [CrossRef]
- El Aref, M.; El Sharkawi, M.; Khalil, M. Geology and genesis of the stratabound and Stratiform Cretaceous–Eocene iron ore deposits of the Bahariya region, Western Desert, Egypt. In Proceedings of the GAW 4th International Conference, Cairo, Egypt, 21–25 February 1998; Cairo University: Cairo, Egypt, 1999; pp. 450–475. [Google Scholar]
- El Aref, M.M.; Mesaed, A.A.; Khalil, M.A.; Salama, W.S. Stratigraphic setting, facies analyses and depositional environments of the Eocene ironstones of Gabal Ghorabi mine area, El Bahariya Depression, Western Desert, Egypt. United Arab. Repub. J. Geol. 2006, 50, 29. [Google Scholar]
- Williamson, D.A. Unified Rock Classification System1. Environ. Eng. Geosci. 1984, xxi, 345–354. [Google Scholar] [CrossRef]
- BS EN 12407:2007; Natural Stone Test Methods-Petrographic Examination. British Standards Institution: London, UK, 2007.
- ASTM C119; Standard Terminology Relating to Dimension Stone. ASTM International: West Conshohocken, PA, USA, 2014.
- ASTM C97; Standard Test Methods for Absorption and Bulk Specific Gravity of Dimension Stone. ASTM International: West Conshohocken, PA, USA, 2015.
- Brunauer, S.; Emmett, P.H.; Teller, E. Adsorption of Gases in Multimolecular Layers. J. Am. Chem. Soc. 1938, 60, 309–319. [Google Scholar] [CrossRef]
- BS 812-110; Methods for Determination of Aggregate Crushing Value (ACV). British Standards Institution: London, UK, 1990; Volume 110.
- BS 812-112; Method for Determination of Aggregate Impact Value (AIV). British Standards Institution: London, UK, 1990.
- ASTM E1621; Standard Guide for Elemental Analysis by Wavelength Dispersive X-ray Fluorescence Spectrometry. ASTM International: West Conshohocken, PA, USA, 2013.
- ASTM D7348; Standard Test Methods for Loss on Ignition (LOI) of Solid Combustion Residues. ASTM International: West Conshohocken, PA, USA, 2013.
- Masoud, M.A. Effect of Geochemical Composition of Some Egyptian Serpentinites on Its Properties as a Radiation Shielding Concrete. Master’s Thesis, Beni-Suef University, Beni Suef, Egypt, 2020. [Google Scholar]
- Sosa, C.S.; Flaska, M.; Pozzi, S.A. Comparison of analog and digital pulse-shape-discrimination systems. Nucl. Instrum. Methods Phys. Res. Sect. A Accel. Spectrometers Detect. Assoc. Equip. 2016, 826, 72–79. [Google Scholar] [CrossRef]
- Ruch, M.L.; Flaska, M.; Pozzi, S.A. Pulse shape discrimination performance of stilbene coupled to low-noise silicon photomultipliers. Nucl. Instrum. Methods Phys. Res. Sect. A Accel. Spectrometers Detect. Assoc. Equip. 2015, 793, 1–5. [Google Scholar] [CrossRef]
- El-Khayatt, A.M. NXcom—A program for calculating attenuation coefficients of fast neutrons and gamma-rays. Ann. Nucl. Energy 2011, 38, 128–132. [Google Scholar] [CrossRef]
- Kaplan, M.F. Concrete Radiation Shielding; Longman Scientific & Technical: London, UK, 1989; p. 476. [Google Scholar]
- Dabous, A.A. Uranium isotopic evidence for the origin of the Bahariya iron deposits, Egypt. Ore Geol. Rev. 2002, 19, 165–186. [Google Scholar] [CrossRef]
- Çelen, Y.; Evcin, A.; Akkurt, I.; Bezir, N.; Günoğlu, K.; Kutu, N. Evaluation of boron waste and barite against radiation. Int. J. Environ. Sci. Technol. 2019, 16, 5267–5274. [Google Scholar] [CrossRef]
- Masoud, M.A.; Kansouh, W.A.; Shahien, M.G.; Sakr, K.; Rashad, A.M.; Zayed, A.M. An experimental investigation on the effects of barite/hematite on the radiation shielding properties of serpentine concretes. Prog. Nucl. Energy 2020, 120, 103220. [Google Scholar] [CrossRef]
- Jaeger, R.G.; Blizard, E.P.; Chilton, A.B.; Grotenhuis, M.; Hönig, A.; Jaeger, T.A.; Eisenlohr, H.H. Engineering Compendium on Radiation Shielding; Volume Shielding Fundamentals and Methods; Springer: New York, NY, USA, 1975. [Google Scholar]
- Zayed, A.M.; Masoud, M.A.; Shahien, M.G.; Gökçe, H.S.; Sakr, K.; Kansouh, W.A.; El-Khayatt, A.M. Physical, mechanical, and radiation attenuation properties of serpentine concrete containing boric acid. Constr. Build. Mater. 2021, 272, 121641. [Google Scholar] [CrossRef]
- Masoud, M.A.; El-Khayatt, A.M.; Kansouh, W.A.; Sakr, K.; Shahien, M.G.; Zayed, A.M. Insights into the effect of the mineralogical composition of serpentine aggregates on the radiation attenuation properties of their concretes. Constr. Build. Mater. 2020, 263, 120141. [Google Scholar] [CrossRef]
No. | Parameter | Symbol | Unit | Description | Equation | Abbreviations | |
---|---|---|---|---|---|---|---|
1 | Effective Macroscopic removal cross-section of fast neutrons | ΣR | cm−1 | Probability of fast neutron to undergo a first collision removing it from the group of penetrating, uncollided neutrons | (1) | N0 and N are incident and transmitted intensities for fast neutrons, respectively, within the energy range of 0.8–11 MeV; x: sample thickness in cm. | |
2 | Linear attenuation coefficient of γ-rays | μ | cm−1 | Fraction of attenuated incident photons per unit thickness of a material | (2) | I0 and I are incident and transmitted intensities for total γ-rays, respectively, within the energy range of 0.4–8.3 MeV | |
3 | Mean free path | MFP | cm | Average distance between the two successive interactions | MFP = 1/ΣR, 1/μ | (3) | |
4 | Half value layer | HVL | cm | Thickness reducing the radiation intensity to half | HVL = ln 2/ΣR, ln 2/μ | (4) | |
5 | Uncertainty propagation equations | (5) | ρ: sample density | ||||
6 | (6) |
Property | Barite | Hematite | International Standard |
---|---|---|---|
Density (g/cm3) | 4.20 | 2.90 | ASTM C97 [55] |
Water absorption (%) | 1.07 | 12.31 | ASTM C97 [55] |
Surface area (m2/g) | 2.12 | 3.50 | BET method [56] |
Crushing value (%) | 42.50 | 7.70 | BS 812-110 [57] |
Impact value (%) | 41.00 | 6.80 | BS 812-112 [58] |
Oxide (%) | Barite | Hematite |
---|---|---|
MgO | 0.38 | 0.18 |
SiO2 | 2.03 | 2.05 |
Fe2O3 | 6.79 | 87.32 |
CaO | 0.66 | 0.12 |
Al2O3 | 0.64 | 1.11 |
BaO | 57.89 | 0.98 |
SO3 | 29.55 | 1.22 |
K2O | 0.02 | 0.02 |
Na2O | 0.42 | 0.42 |
TiO2 | 0.01 | 0.02 |
MnO2 | 0.20 | 0.79 |
P2O5 | 0.03 | 0.30 |
SrO | 0.01 | 0.01 |
NiO | 0.01 | 0.00 |
ZnO | 0.00 | 0.10 |
LOI | 1.16 | 5.34 |
Sample Type | Experimental | Theoretical (NXcom) | Dev. (%) * | ||||
---|---|---|---|---|---|---|---|
ΣR (cm−1) | MFP (cm) | HVL (cm) | ΣR (cm−1) | MFP (cm) | HVL (cm) | ||
Barite | 0.119 ± 0.010 | 8.330 ± 0.580 | 5.780 ± 0.400 | 0.1026 | 9.750 | 6.760 | 16.00 |
Hematite | 0.109 ± 0.009 | 9.170 ± 0.640 | 6.360 ± 0.450 | 0.0914 | 10.940 | 7.580 | 19.25 |
Sample Type | μ (cm−1) | MFP (cm) | HVL (cm) |
---|---|---|---|
Barite | 0.1370 ± 0.0140 | 7.300 ± 0.510 | 5.060 ± 0.150 |
Hematite | 0.0907 ± 0.0090 | 10.990 ± 0.660 | 7.620 ± 0.380 |
Sample Code | Description | Ref. |
---|---|---|
A | Concrete totally composed of antigorite serpentine aggregate | [70] |
AB1 | Concrete composed of antigorite serpentine aggregate incorporated with 1% of boric acid by cement weight | |
AB2 | Concrete composed of antigorite serpentine aggregate incorporated with 3% of boric acid by cement weight | |
AH25 | Concrete composed of 75% antigorite serpentine aggregate + 25% hematite aggregate | [68] |
AH50 | Concrete composed of 50% antigorite serpentine aggregate + 50% hematite aggregate | |
AB25 | Concrete composed of 75% antigorite serpentine aggregate + 25% barite aggregate | |
AB50 | Concrete composed of 50% antigorite serpentine aggregate + 50% barite aggregate | |
LBC | Concrete totally composed of lizardite serpentine aggregate | [71] |
CBC | Concrete totally composed of chrysotile serpentine aggregate |
Publisher’s Note: MDPI stays neutral with regard to jurisdictional claims in published maps and institutional affiliations. |
© 2022 by the authors. Licensee MDPI, Basel, Switzerland. This article is an open access article distributed under the terms and conditions of the Creative Commons Attribution (CC BY) license (https://creativecommons.org/licenses/by/4.0/).
Share and Cite
Masoud, M.A.; El-Khayatt, A.M.; Marashdeh, M.W.; Shahien, M.G.; Bakhit, B.R.; Abdelwahab, W.; Abdel Rafea, M.; Zayed, A.M. Deep Insights into the Radiation Shielding Features of Heavy Minerals in Their Native Status: Implications for Their Physical, Mineralogical, Geochemical, and Morphological Properties. Sustainability 2022, 14, 16225. https://doi.org/10.3390/su142316225
Masoud MA, El-Khayatt AM, Marashdeh MW, Shahien MG, Bakhit BR, Abdelwahab W, Abdel Rafea M, Zayed AM. Deep Insights into the Radiation Shielding Features of Heavy Minerals in Their Native Status: Implications for Their Physical, Mineralogical, Geochemical, and Morphological Properties. Sustainability. 2022; 14(23):16225. https://doi.org/10.3390/su142316225
Chicago/Turabian StyleMasoud, Mostafa A., Ahmed M. El-Khayatt, Mohammad W. Marashdeh, Mohamed G. Shahien, Bottros R. Bakhit, Wael Abdelwahab, Mohamed Abdel Rafea, and Ahmed M. Zayed. 2022. "Deep Insights into the Radiation Shielding Features of Heavy Minerals in Their Native Status: Implications for Their Physical, Mineralogical, Geochemical, and Morphological Properties" Sustainability 14, no. 23: 16225. https://doi.org/10.3390/su142316225
APA StyleMasoud, M. A., El-Khayatt, A. M., Marashdeh, M. W., Shahien, M. G., Bakhit, B. R., Abdelwahab, W., Abdel Rafea, M., & Zayed, A. M. (2022). Deep Insights into the Radiation Shielding Features of Heavy Minerals in Their Native Status: Implications for Their Physical, Mineralogical, Geochemical, and Morphological Properties. Sustainability, 14(23), 16225. https://doi.org/10.3390/su142316225