Analytical Modelling of Arc Flash Consequences in High-Power Systems with Energy Storage for Electric Vehicle Charging
Abstract
1. Introduction
- Danger of fire.
- Danger of impact.
- Danger of overvoltage.
- Danger of electrocution.
- Danger of Arc Flash burns.
- Location of the points of maximum danger in the charging system.
- Selection of the best calculation methods for the analysis of the AF in DC systems with batteries.
- Calculation of the maximum IE values at each of the maximum risk points in the charging system.
- Comparison of the IE values according to the selected analytical methods.
- Proposal of personal protective equipment (PPE) to carry out maintenance work under maximum safety conditions.
- Analysis of the danger for EV users when they are in the vicinity of the maximum risk points of the charging systems.
2. Methodology
2.1. AF During Electric Car Charging
2.2. Calculation of IE in Energy Storage Systems
- Rated voltages between 0.208 and 14.3 kV.
- Frequencies of 50 or 60 Hz.
- Short-circuit currents from 700 A to 106 kA for voltages between 208 and 600 V.
- Short-circuit currents from 200 A to 65 kA for voltages between 601 and 14,300 V.
- Working distances greater than or equal to 305 mm.
- Equipment enclosures with a maximum height and width of 1244.6 mm.
- Separation between conductors from 6.35 to 76.2 mm for voltages between 208 and 600 V.
- Separation between conductors from 19.05 to 254 mm for voltages between 601 and 14,300 V.
2.3. Possibility of Occurrence of AF
- The probability of an accident occurring in which injuries or dangerous health risks to workers are produced, due to a WA (Work Accident).
- The severity or seriousness of the injuries caused by this phenomenon.
3. Modelling of Charging Systems with Storage
3.1. Mode 4 DC Charging System
- A high acquisition and installation cost,
- Fire danger,
- Risk to users interacting with these chargers.
- An electrical panel for connection to the electrical grid.
- A 233 kWh capacity battery.
- A switching device for charging and discharging the battery.
- Two 30 kW AC/DC rectifiers.
- Five 30 kW DC/DC converters.
3.2. States During the EV Charging Processes
- Conditioning phase: In this initial state, the EV demands some energy from the charging system to condition the batteries to their optimal temperature before starting to deliver energy to the battery and doing so in the shortest time possible.
- Voltage regulation: In this phase, the charger supplies a constant current to the EV and a variable voltage. After a rapid increase, the current remains at its maximum level according to the vehicle manufacturers and battery specifications. During this phase, DC flows into the EV’s battery and gradually increases the stored energy, thanks to the progressive increase in voltage. The duration of this phase depends on the initial state of charge of the battery, the vehicle’s maximum charging capacity, and the specifications of the charger itself.
- Maximum power: During these minutes, the charging system delivers the maximum power to the vehicle. It is in this state that the charger provides most of the electrical energy to the vehicle. The BMS (Battery Management System) continuously monitors the charging process and determines when to begin reducing the power from the charger to the vehicle.
- Current regulation: Once the battery reaches a certain charge level, typically around 80% as specified by most manufacturers, the charger switches to the constant voltage phase. In this phase, the charger maintains a constant voltage while the current decreases rapidly. The voltage value is adjusted to prevent the battery from overcharging and to allow the current to gradually decrease as the battery approaches its maximum capacity. This phase allows for a slower and more controlled charge, protecting the battery’s lifespan and ensuring maximum safety during this charging state.
3.3. System Simulation
- It allows the creation of detailed and accurate models of electrical systems, using closed expressions (equations) of known mathematical functions.
- It incorporates advanced algorithms and calculation methods to perform various simulations, such as load flow, short circuit, transient stability, harmonic analysis, and protection coordination, among others.
- This software does not just simulate. It also analyses the results. It provides detailed reports, graphs, and visualisations that allow engineers to understand system performance, identify potential problems, and evaluate different solutions.
- Thanks to this tool, which has been in development for over 40 years, experimental measurements in the real world are avoided, reducing the risk involved in performing and controlling electric arcs generated in real installations.
- Four stages (working status 1 to 4) have been established until the maximum power state of the charger is reached. These well-differentiated stages have been established according to the number of rectifiers and/or converters working at each moment.
- During the constant voltage state, six stages have been considered (working status 5 to 10), which correspond to the different intermediate steps between the period of maximum power and the disconnection of the charging system. In these stages, converters and rectifiers are disconnected as the current demand decreases.
- A final state called Battery Charge (working status 11) has also been simulated, where the system only charges its battery without charging any EVs. Figure 8 shows this mode of operation of the system:
3.4. Protections of the Charging System
3.5. Levels of Risk for Workers
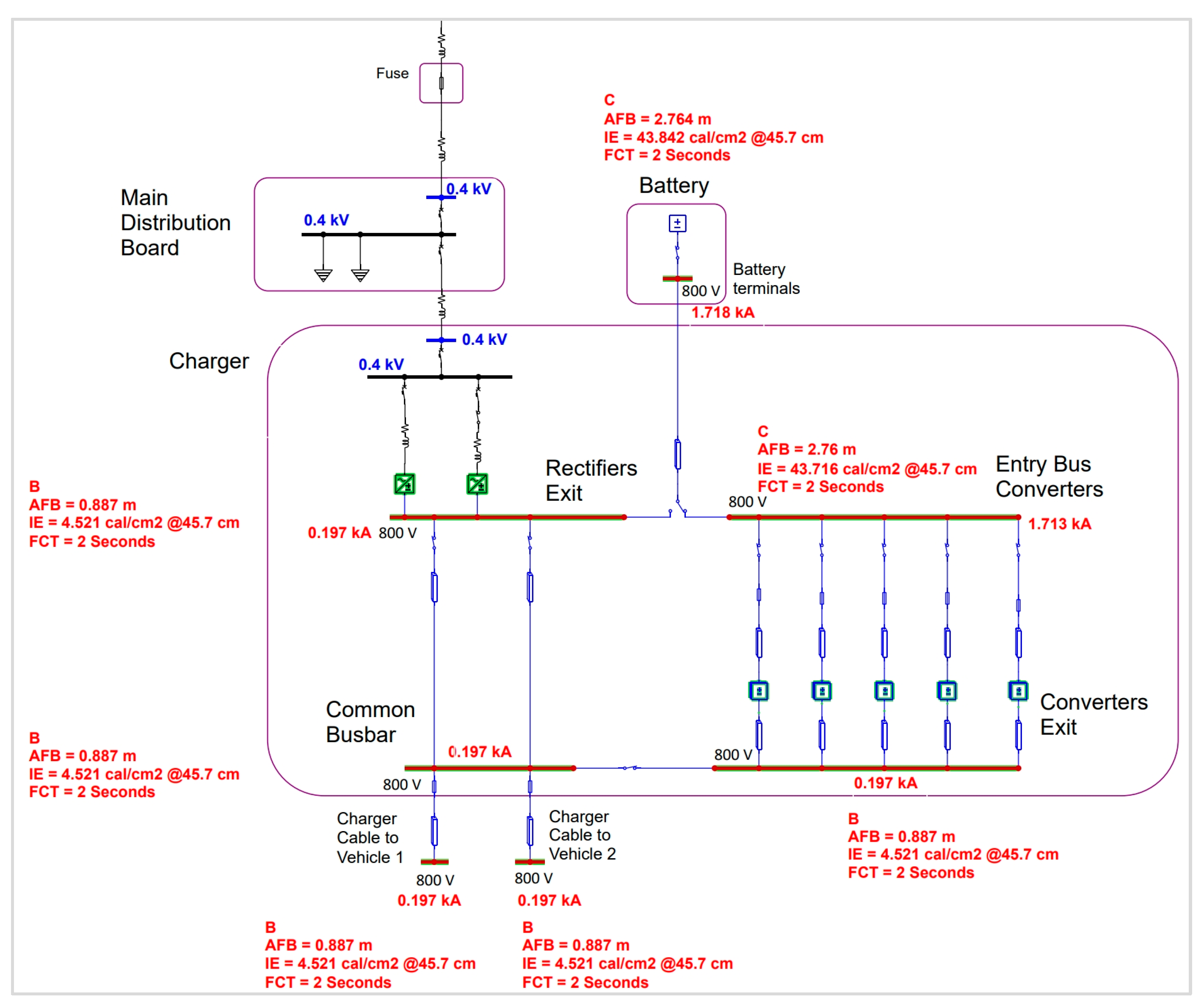
3.6. IE Calculation Points in the Modelled System
- Rectifiers exit: Busbar located at the exit of the two main AC/DC rectifiers that transform AC from the mains into DC for charging electric cars or for charging the battery attached to the charger.
- Battery terminals: The entry and exit points of the battery are attached to the charger.
- Entry bus converters: Common busbar supplying power to the 5 DC/DC converters, located at the battery exit.
- Converters exit: Converters exit the busbar.
- Common busbar: Common busbar, which can receive power from the rectifiers or the converters, depending on the grid connection capacity, the energy stored in the battery, and the instantaneous demand of the connected EVs.
- Charge cable to vehicle 1: Connection point of the cable feeding EV 1.
- Charge cable to vehicle 2: Connection point of the cable feeding EV 2.
4. Results and Discussion
4.1. Analysis of the AF on the AC Side
4.2. Analysis of the AF on the DC Side
- The system has electrodes in vertical and horizontal positions.
- The distances between the electrodes installed inside the equipment are small, about 1 cm.
- The operating currents of the system can exceed 100 A, especially in the steady state.
- The operating voltage of the system is always below 1 kV.
4.3. Analysis of the Most Unfavourable AF
5. Conclusions
Author Contributions
Funding
Data Availability Statement
Acknowledgments
Conflicts of Interest
Abbreviations
| EVs | Electric vehicles |
| AF | Arc flash |
| IE | Incident energy |
| PPE | Personal protective equipment |
| PHEVs | Plug-in hybrid electric vehicles |
| V2G | Vehicle-to-grid |
| V2H | Vehicle-to-home |
| V2V | Vehicle-to-vehicle |
| AC | Alternating current |
| DC | Direct current |
| SF6 | Sulphur hexafluoride |
| IEEE | Institute of Electrical and Electronics Engineers |
| NFPA | National Fire Protection Association |
| EPRI | Electric Power Research Institute |
| AFB | Arc flash boundary |
| WA | Work accident |
| CPOs | Charge pint operators |
| BMS | Battery management system |
References
- Clairotte, M.; Suarez-Bertoa, R.; Zardini, A.A.; Giechaskiel, B.; Pavlovic, J.; Valverde, V.; Ciuffo, B.; Astorga, C. Exhaust emission factors of greenhouse gases (GHGs) from European road vehicles. Environ. Sci. Eur. 2020, 32, 125. [Google Scholar] [CrossRef]
- Ahmed, M.U.; Raximov, U.; Sayidvalieva, M.; Pradeep, A. Comparative Analysis of the Advancement of Hydrogen Vehicles and Electric Vehicles: A Critical Review. In Proceedings of the 2023 International Conference on Computational Intelligence and Knowledge Economy (ICCIKE), Dubai, United Arab Emirates, 9–10 March 2023; pp. 151–155. [Google Scholar] [CrossRef]
- Alhindawi, R.; Abu Nahleh, Y.; Kumar, A.; Shiwakoti, N. Projection of Greenhouse Gas Emissions for the Road Transport Sector Based on Multivariate Regression and the Double Exponential Smoothing Model. Sustainability 2020, 12, 9152. [Google Scholar] [CrossRef]
- Zhao, S.; Guo, M. Electric Vehicle Power System in Intelligent Manufacturing Based on Soft Computing Optimization. Heliyon 2024, 10, e38946. [Google Scholar] [CrossRef] [PubMed]
- Wang, Y. Intelligent Energy Management and Operation Efficiency of Electric Vehicles Based on Artificial Intelligence Algorithms and Thermal Energy Optimization. Therm. Sci. Eng. Prog. 2024, 55, 102900. [Google Scholar] [CrossRef]
- Chretien, B.; Nouvelière, L.; Ait Oufroukh, N.; Glaser, S.; Mammar, S.; Zhou, M.; Korte, M. A Vehicle Simulator for an Efficient Electronic and Electrical Architecture Design. IEEE Trans. Intell. Transp. Syst. 2013, 14, 1967–1982. [Google Scholar] [CrossRef]
- Wilcke, W.W.; Kim, H.-C. The 800-km Battery Lithium-Ion Batteries Are Played Out. Next up: Lithium-Air. IEEE Spectr. 2016, 53, 42–62. [Google Scholar] [CrossRef]
- Di Fonso, R.; Cecati, C. Test Cycle Simulation of an Electric Car with Regenerative Braking. In Proceedings of the 2020 AEIT International Conference of Electrical and Electronic Technologies for Automotive (AEIT AUTOMOTIVE), Turin, Italy, 18–20 November 2020; pp. 1–5. [Google Scholar]
- Wang, N.; Tian, H.; Guo, J.; Wu, H.; Lyu, J. Efficiency-Oriented Vehicle Relocation of Shared Autonomous Electric Fleet in Station-Based Car-Sharing System. J. Traffic Transp. Eng. 2024, 11, 681–699. [Google Scholar] [CrossRef]
- Rioux-Paradis, K.; Gaudreault, J.; Redmond, C.; Otomo-Lauzon, K.; Bernard, F.; Deschenes, A.; Quimper, C.G.; Boivin, S.; Blouin, P. Learning from Historical Data to Predict Electric Vehicle Taxi Consumption and Charging Time. In Proceedings of the 2018 Winter Simulation Conference (WSC), Gothenburg, Sweden, 9–12 December 2018; pp. 1216–1227. [Google Scholar]
- Biondi, E.; Boldrini, C.; Bruno, R. Optimal Charging of Electric Vehicle Fleets for a Car Sharing System with Power Sharing. In Proceedings of the 2016 IEEE International Energy Conference (ENERGYCON), Leuven, Belgium, 4–8 April 2016; pp. 1–6. [Google Scholar]
- Assolami, Y.O.; Gaouda, A.; El-Shatshat, R. A New Framework for Plug-In Electric Vehicle Charging Models Supported by Solar Photovoltaic Energy Resources. IEEE Can. J. Electr. Comput. Eng. 2021, 44, 118–129. [Google Scholar] [CrossRef]
- Duroha, J.C.; Macht, G.A. Solar Installation Occupational Risks: A Systematic Review. Saf. Sci. 2023, 160, 106048. [Google Scholar] [CrossRef]
- Benedetti, D.; Agnelli, J.; Gagliardi, A.; Dini, P.; Saponara, S. Design of an Off-Grid Photovoltaic Carport for a Full Electric Vehicle Recharging. In Proceedings of the 2020 IEEE International Conference on Environment and Electrical Engineering (EEEIC) and Industrial and Commercial Power Systems Europe, Madrid, Spain, 9–12 June 2020; pp. 1–6. [Google Scholar]
- Ho, C.; Lee, H.W.; Gambatese, J.A. Application of Prevention through Design (PtD) to Improve the Safety of Solar Installations on Small Buildings. Saf. Sci. 2020, 125, 104633. [Google Scholar] [CrossRef]
- Athulya, M.S.; Visakh, A.; Selvan, M.P. Electric Vehicle Recharge Scheduling in a Shopping Mall Charging Station. In Proceedings of the 2020 21st National Power Systems Conference (NPSC), Gandhinagar, India, 17–19 December 2020; pp. 1–6. [Google Scholar]
- Kesler, M.; Weinhold, M.; Bohlen, O. Smart Grid Ready Charging Infrastructure for Electric Vehicles—Challenges and Solutions. In Proceedings of the 2020 IEEE International Conference on Industrial Technology (ICIT), Buenos Aires, Argentina, 26–28 February 2020; pp. 1400–1405. [Google Scholar]
- Shahnia, F.; Mojtahedzadeh, M.; Zare, A. Optimal Coordination of Overcurrent Relays in EV Charging Stations Considering Different Penetration Levels. In Proceedings of the 2021 IEEE PES Innovative Smart Grid Technologies Europe (ISGT Europe), Espoo, Finland, 18–21 October 2021; pp. 1–5. [Google Scholar]
- Simonov, M.; Attanasio, A. Cooperative Recharge Method of Connected Electric Vehicles in Smart Grid. In Proceedings of the 2012 International Conference on Connected Vehicles and Expo (ICCVE), Beijing, China, 12–16 December 2012; pp. 329–334. [Google Scholar]
- Skiba, L.; Moser, A. Modeling Large Electric Vehicle Fleets in Power System Simulations. In Proceedings of the 2018 15th International Conference on the European Energy Market (EEM), Lodz, Poland, 27–29 June 2018; pp. 1–5. [Google Scholar]
- Chen, X.; Deng, Y.; Sun, L.; Yuan, Y.; Wang, X. A Novel Time Series Hybrid Model for Online Prediction of Electric Vehicles Battery Pack Capacity with Real Charging Data. J. Power Sources 2024, 597, 234161. [Google Scholar] [CrossRef]
- International Electrotechnical Commission. IEC 61851-1: Electric Vehicle Conductive Charging System—Part 1: General Requirements; IEC: Geneva, Switzerland, 2017. [Google Scholar]
- Prist, M.; Pallotta, E.; Cicconi, P.; Venturini, P.; Monteriu, A.; Germani, M.; Longhi, S. Energy Saving in Industrial Wireless Power Recharge System: Simulation of a PI-Sliding Mode Control for a Non-Inverting Buck-Boost Converter. In Proceedings of the 2018 IEEE PELS Workshop on Emerging Technologies: Wireless Power Transfer (WoW), Montreal, QC, Canada, 3–7 June 2018; pp. 1–6. [Google Scholar]
- Mariscotti, A. Characterization of Active Power Flow at Harmonics for AC and DC Railway Vehicles. In Proceedings of the 2019 IEEE Vehicle Power and Propulsion Conference (VPPC), Hanoi, Vietnam, 14–17 October 2019; pp. 1–7. [Google Scholar]
- Cabello, J.R.; Bullejos, D.; Rodríguez-Prieto, Á. Analysis of Incident Energy and Arc Flash Boundary Behavior in Electric Power Distribution Systems. IEEE Access 2023, 11, 54165–54174. [Google Scholar] [CrossRef]
- Eastwood, K.; Hancharyk, B.; Pace, D. The Value of Electrical Incident Case Histories. In Proceedings of the IEEE Industry Applications Society 50th Annual Petroleum and Chemical Industry Conference, Houston, TX, USA, 15–17 September 2003; pp. 321–327. [Google Scholar]
- Cawley, J.C. Electrical Accidents in the Mining Industry, 1990–1999. IEEE Trans. Ind. Appl. 2003, 39, 1570–1577. [Google Scholar] [CrossRef]
- Al-Bayati, A.J.; Bilal, G.A.; Esmaeili, B.; Karakhan, A.; York, D. Evaluating OSHA’s Fatality and Catastrophe Investigation Summaries: Arc Flash Focus. Saf. Sci. 2021, 140, 105287. [Google Scholar] [CrossRef]
- Kanokbannakorn, W.; Hongesombut, K.; Teerakawanich, N.; Srisonphan, S. Arc Flash Hazard in Distribution System with Distributed Generation. Procedia Comput. Sci. 2016, 86, 377–380. [Google Scholar] [CrossRef]
- Graham, A.M.; Hodder, M.; Gates, G. Current Methods for Conducting an Arc-Flash Hazard Analysis. IEEE Trans. Ind. Appl. 2008, 44, 1902–1909. [Google Scholar] [CrossRef]
- Keller, K. Understanding Arc Flash and Arc Blast Hazards. In Electrical Safety Code Manual; Butterworth-Heinemann: Oxford, UK, 2010; pp. 143–170. [Google Scholar]
- Bulut, M.S.; Ordu, M.; Der, O.; Basar, G. Sustainable Thermoplastic Material Selection for Hybrid Vehicle Battery Packs in the Automotive Industry: A Comparative Multi-Criteria Decision-Making Approach. Polymers 2024, 16, 2768. [Google Scholar] [CrossRef] [PubMed]
- NFPA. NFPA 70E: Standard for Electrical Safety in the Workplace; National Fire Protection Association: Quincy, MA, USA, 2018. [Google Scholar]
- IEEE. IEEE Std 1584-2018: IEEE Guide for Performing Arc-Flash Hazard Calculations; IEEE: New York, NY, USA, 2018. [Google Scholar]
- Andrea, J.; Schweitzer, P.; Martel, J.-M. Arc Fault Model of Conductance. Application to the UL1699 Tests Modeling. In Proceedings of the 2011 IEEE 57th Holm Conference on Electrical Contacts (Holm), Minneapolis, MN, USA, 11–14 September 2011; pp. 1–6. [Google Scholar]
- Frain, M. European Arc Flash Guide; Balboa Press: Bloomington, IN, USA, 2022. [Google Scholar]
- Marroquin, A.; McKinch, T. Methods for Evaluating DC Arc-Flash Incident Energy in Battery Energy Storage Systems. In Proceedings of the 2023 IEEE IAS Electrical Safety Workshop (ESW), Reno, NV, USA, 13–17 March 2023; pp. 19–29. [Google Scholar]
- Doan, D. Arc Flash Calculations for Exposures to DC Systems. IEEE Trans. Ind. Appl. 2010, 46, 2299–2302. [Google Scholar] [CrossRef]
- Stokes, A.; Oppenlander, W. Electric Arcs in Open Air. J. Phys. D Appl. Phys. 1991, 24, 26–35. [Google Scholar] [CrossRef]
- Paukert, J. The Arc Voltage and Arc Resistance of LV Fault Arcs. In Proceedings of the 7th International Symposium on Switching Arc Phenomena, Łódź, Poland, 27 September–11 October 1993; pp. 49–51. [Google Scholar]
- Hussain, M.Z.; Brown, W.; Alsafasfeh, Q. DC Arc Flash Above 1000 V Based on Statistical Regression Analysis. In Proceedings of the 2023 IEEE Industry Applications Society Annual Meeting (IAS), Nashville, TN, USA, 29 October–2 November 2023; pp. 1–6. [Google Scholar]
- Rivera, S.; Goetz, S.M.; Kouro, S.; Lehn, P.W.; Pathmanathan, M.; Bauer, P.; Mastromauro, R.A. Charging Infrastructure and Grid Integration for Electromobility. Proc. IEEE 2022, 111, 371–396. [Google Scholar] [CrossRef]













| Level of Damage | Location | Type of Work | Type of Project | Profession | Cost |
|---|---|---|---|---|---|
| Hospitalisation (86.7%) | Specialised professions (90.6%) | New project (42.6%) | Commercial (24.67%) | Electricians (56%) | <USD 50,000 (48%) |
| Fatal injuries fatales (6.65%) | Heavy construction (5.4%) | Maintenance (26.7%) | Power and transmission lines (18.67%) | Construction professionals (12%) | USD 50,000–USD 2,500,000 (13.33%) |
| Injuries without hospitalisation (6.65%) | Building construction (4%) | Rehabilitation (26.7%) | Manufacturing plants (14.67%) | Electrical and electronic engineers (5.4%) | USD 250,000–USD 5,000,000 (25.34%) |
| >USD 5,000,000 (13.33%) |
| Gap Range | Electrode Gap | Arc Voltage (V) | Arc Resistance (Ω) |
|---|---|---|---|
| 0 < Zg ≤ 2.5 mm | 1 mm equations | 13.04·Iarc0.098 | 13.04·Iarc−0.902 |
| 2.5 < Zg ≤ 7.5 mm | 5 mm equations | 14.13·Iarc0.211 | 14.13·Iarc−0.838 |
| 7.5 < Zg ≤ 15 mm | 10 mm equations | 16.68·Iarc0.163 | 16.68·Iarc−0.836 |
| 15 < Zg ≤ 37.5 mm | 20 mm equations | 20.11·Iarc0.190 | 20.11·Iarc−0.810 |
| 37.5 < Zg ≤ 75 mm | 50 mm equations | 28.35·Iarc0.194 | 28.35·Iarc−0.805 |
| 75 < Zg ≤ 150 mm | 100 mm equations | 34.18·Iarc0.241 | 34.18·Iarc−0.805 |
| 150 < Zg ≤ 200 mm | 200 mm equations | 52.63·Iarc0.264 | 52.63·Iarc−0.735 |
| Zg > 200 mm | 200 mm equations | 52.63·Iarc0.264 | 52.63·Iarc−0.735 |
| Tasks, Operations, or Manoeuvres with the Possibility of a Work Accident (WA) | |
|---|---|
| Task, Operation, or Manoeuvres | Equipment Condition |
| For AC installations, work on energized conductors or circuit parts, including voltage verification and measurement. | Any circumstance |
| For DC installations, work on energized conductors or circuit parts in a battery of cells connected in series, including voltage verification and measurement. | Any circumstance |
| Opening of doors or enclosures or removal of screw covers in such a way that energized conductors or circuit parts are exposed. For DC installations, this includes protective covers such as battery terminal guards. | Any circumstance |
| Work on control circuits with energized and exposed elements where the voltage exceeds 120 V. | Any circumstance |
| Connection or disconnection of devices on busbars. | Any circumstance |
| For DC installations, work on energized and exposed parts directly powered by a DC source. | Any circumstance |
| Maintenance and testing of individual cells or multiple units in battery banks in open spaces. | Only if there are indications of an imminent defect |
| Connection or disconnection of grounding devices. | Only if there are indications of an imminent defect |
| Technical Specification Charging System | |
|---|---|
| Product | Xcharge Net Zero Series 210 kW GEN 1 |
| Type | DC Chargin Station Mode 4 |
| Battery type | LFP (Lithium Ferrum Phosphate LiFePO4) |
| Battery Capacity | 233 kWh |
| Max. Power charge of battery | 60 kW |
| Max. charging voltage of battery | 300–1000 V |
| Charging power (one car) | 150 kWh + 60 kWh |
| Output voltage range | 150–1000 VDC |
| Max. output current | 250 A CCS2 |
| Weight | 3600 kg |
| Standard | IEC 62619, IEC61851, IEC62477, IEC61000, ISO15118, IEC 62619, IEC61000 |
| Working Status | Process States | Working Components |
|---|---|---|
| 1 | Constant current | One AC/DC rectifier |
| 2 | Constant current | Two AC/DC rectifiers + 1 DC/DC converter |
| 3 | Constant current | Two AC/DC rectifiers + 3 DC/DC converter |
| 4 | Constant current (maximum power) | Two AC/DC rectifiers + 5 DC/DC converters (all at full power) |
| 5 | Constant voltage | Two AC/DC rectifiers + 4 DC/DC converters (all at full power) |
| 6 | Constant voltage | Two AC/DC rectifiers + 3 DC/DC converters (all at full power) |
| 7 | Constant voltage | Two AC/DC rectifiers + 2 DC/DC converters (all at full power) |
| 8 | Constant voltage | Two AC/DC rectifiers + 1 DC/DC converter (all at full power) |
| 9 | Constant voltage | Two AC/DC rectifiers |
| 10 | Constant voltage | One AC/DC rectifier |
| 11 | Battery charge | Battery charge |
| Risk Level | IE (cal/cm2) | Required PPE |
|---|---|---|
| No risk by AF | <1.2 | No specific clothing against AF is required. Does not exempt from other PPE to protect against other risks. |
| A | 1.2 ≤ IE < 12 | Arc-resistant clothing and equipment with an arc resistance value equivalent to or greater than the calculated incident energy. Arc-resistant sleeved shirt and trousers or arc flash suit. Arc-resistant face shield and arc-resistant balaclava or hood of arc protective suit. Outer garments (e.g., jacket, parka, waterproof garments with arc-resistant value, and helmet lining). Leather gloves for industrial use, arc-resistant gloves or insulating gloves with leather protectors. Helmet. Safety glasses or safety goggles. Hearing protection. Leather work shoes. |
| B | ≥12 | Arc-resistant clothing and equipment with an arc resistance value equivalent to or greater than the calculated incident energy. Arc-resistant sleeved shirt and trousers or arc flash suit. Arc protective suit hood. Outer garments (e.g., jacket, parka, waterproof garments with arc resistance value, and helmet lining). Arc-resistant gloves or insulating gloves with leather protectors. Helmet. Safety glasses or safety goggles. Hearing protection. Leather work shoes. |
| Calculation Point Identification | Working Distance (cm) | Electrode Spacing (mm) | Arc Current (A) | Short-Circuit Current (A) | Arc Flash Boundary (m) | Incident Energy (cal/cm2) |
|---|---|---|---|---|---|---|
| General table connection | 45.7 | 25 | 14,199 | 18,173 | 0.254 | 0.415 |
| Charger connection | 45.7 | 13 | 10,879 | 13,331 | 0.195 | 0.258 |
| Charger panel | 45.7 | 25 | 10,305 | 13,331 | 0.208 | 0.288 |
| Calculation Point Identification. DOAN Method (cal/cm2) | |||||||
|---|---|---|---|---|---|---|---|
| Rectifiers exit | Battery terminals | Entry bus converters | Converters exit | Common busbar | Charge cable to vehicle 1 | Charge cable to vehicle 2 | |
| Working status 1 | 0.565 | 0.565 | 0.565 | 0.565 | |||
| Working status 2 | 1.7 | 43.84 | 43.72 | 1.7 | 1.7 | 1.7 | 1.7 |
| Working status 3 | 2.83 | 43.84 | 43.72 | 2.83 | 2.83 | 2.83 | 2.83 |
| Working status 4 | 4.52 | 43.84 | 43.72 | 4.52 | 4.52 | 4.52 | 4.52 |
| Working status 5 | 3.88 | 43.84 | 43.72 | 3.88 | 3.88 | 3.88 | 3.88 |
| Working status 6 | 3.23 | 43.84 | 43.72 | 3.23 | 3.23 | 3.23 | 3.23 |
| Working status 7 | 2.58 | 43.84 | 43.72 | 2.58 | 2.58 | 2.58 | 2.58 |
| Working status 8 | 1.94 | 43.84 | 43.72 | 1.94 | 1.94 | 1.94 | 1.94 |
| Working status 9 | 1.29 | 43.84 | 43.72 | 1.29 | 1.29 | 1.29 | |
| Working status 10 | 0.646 | 43.84 | 43.72 | 0.646 | 0.646 | 0.646 | |
| Working status 11 | 46.63 | 46.76 | |||||
| Calculation Point Identification. Paukert Method (cal/cm2) | |||||||
|---|---|---|---|---|---|---|---|
| Rectifiers exit | Battery terminals | Entry bus converters | Converters exit | Common busbar | Charge cable to vehicle 1 | Charge cable to vehicle 2 | |
| Working status 1 | 0.683 | 0.683 | 0.683 | 0.683 | |||
| Working status 2 | 0.683 | 7.89 | 7.87 | 0.683 | 0.683 | 0.683 | 0.683 |
| Working status 3 | 0.683 | 7.89 | 7.87 | 0.683 | 0.683 | 0.683 | 0.683 |
| Working status 4 | 0.683 | 7.89 | 7.87 | 0.683 | 0.683 | 0.683 | 0.683 |
| Working status 5 | 0.569 | 7.89 | 7.87 | 0.569 | 0.569 | 0.569 | 0.569 |
| Working status 6 | 0.458 | 7.89 | 7.87 | 0.458 | 0.458 | 0.458 | 0.458 |
| Working status 7 | 0.351 | 7.89 | 7.87 | 0.351 | 0.351 | 0.351 | 0.351 |
| Working status 8 | Iar < 100 A | 7.89 | 7.87 | Iar < 100 A | Iar < 100 A | Iar < 100 A | Iar < 100 A |
| Working status 9 | Iar < 100 A | 7.89 | 7.87 | Iar < 100 A | Iar < 100 A | Iar < 100 A | |
| Working status 10 | Iar < 100 A | 7.89 | 7.87 | Iar < 100 A | Iar < 100 A | Iar < 100 A | |
| Working status 11 | 8.2 | 8.23 | |||||
| Calculation Point Identification. Stokes and Oppenlander Method (cal/cm2) | |||||||
|---|---|---|---|---|---|---|---|
| Rectifiers exit | Battery terminals | Entry bus converters | Converters exit | Common busbar | Charge cable to vehicle 1 | Charge cable to vehicle 2 | |
| Working status 1 | 0.686 | 0.686 | 0.686 | 0.686 | |||
| Working status 2 | 0.686 | 6.98 | 6.96 | 0.686 | 0.686 | 0.686 | 0.686 |
| Working status 3 | 0.686 | 6.98 | 6.96 | 0.686 | 0.686 | 0.686 | 0.686 |
| Working status 4 | 0.686 | 6.98 | 6.96 | 0.686 | 0.686 | 0.686 | 0.686 |
| Working status 5 | 0.577 | 6.98 | 6.96 | 0.577 | 0.577 | 0.577 | 0.577 |
| Working status 6 | 0.471 | 6.98 | 6.96 | 0.471 | 0.471 | 0.471 | 0.471 |
| Working status 7 | 0.366 | 6.98 | 6.96 | 0.366 | 0.366 | 0.366 | 0.366 |
| Working status 8 | 0.266 | 6.98 | 6.96 | 0.266 | 0.266 | 0.266 | 0.266 |
| Working status 9 | 0.169 | 6.98 | 6.96 | 0.169 | 0.169 | 0.169 | |
| Working status 10 | 0.078 | 6.98 | 6.96 | 0.078 | 0.078 | 0.078 | |
| Working status 11 | 7.24 | 7.26 | |||||
Disclaimer/Publisher’s Note: The statements, opinions and data contained in all publications are solely those of the individual author(s) and contributor(s) and not of MDPI and/or the editor(s). MDPI and/or the editor(s) disclaim responsibility for any injury to people or property resulting from any ideas, methods, instructions or products referred to in the content. |
© 2025 by the authors. Published by MDPI on behalf of the World Electric Vehicle Association. Licensee MDPI, Basel, Switzerland. This article is an open access article distributed under the terms and conditions of the Creative Commons Attribution (CC BY) license (https://creativecommons.org/licenses/by/4.0/).
Share and Cite
Cabello, J.R.; Bullejos, D.; Rodríguez-Prieto, A. Analytical Modelling of Arc Flash Consequences in High-Power Systems with Energy Storage for Electric Vehicle Charging. World Electr. Veh. J. 2025, 16, 425. https://doi.org/10.3390/wevj16080425
Cabello JR, Bullejos D, Rodríguez-Prieto A. Analytical Modelling of Arc Flash Consequences in High-Power Systems with Energy Storage for Electric Vehicle Charging. World Electric Vehicle Journal. 2025; 16(8):425. https://doi.org/10.3390/wevj16080425
Chicago/Turabian StyleCabello, Juan R., David Bullejos, and Alvaro Rodríguez-Prieto. 2025. "Analytical Modelling of Arc Flash Consequences in High-Power Systems with Energy Storage for Electric Vehicle Charging" World Electric Vehicle Journal 16, no. 8: 425. https://doi.org/10.3390/wevj16080425
APA StyleCabello, J. R., Bullejos, D., & Rodríguez-Prieto, A. (2025). Analytical Modelling of Arc Flash Consequences in High-Power Systems with Energy Storage for Electric Vehicle Charging. World Electric Vehicle Journal, 16(8), 425. https://doi.org/10.3390/wevj16080425

