Damage-Accumulation-Induced Crack Propagation and Fatigue Life Analysis of a Porous LY12 Aluminum Alloy Plate
Abstract
:1. Introduction
2. Stress Intensity Factor and Fatigue Crack Propagation Theory
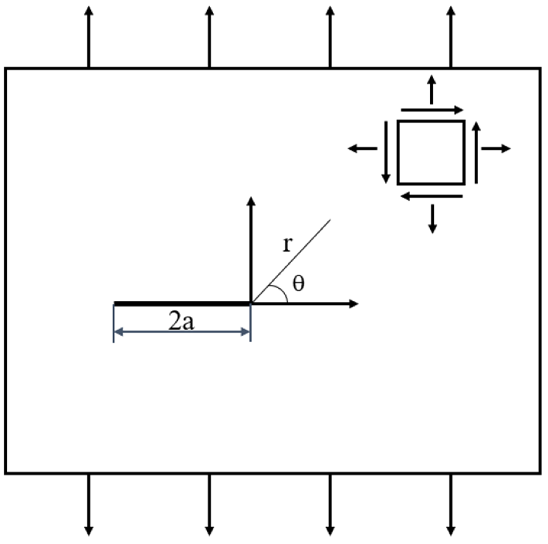
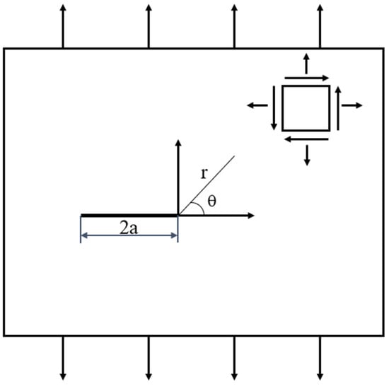
2.1. Stress Intensity Factor
2.2. Fatigue Crack Propagation Analysis Model
3. Fatigue Crack Propagation Simulation Based on XFEM
3.1. The Calculation of the Stress Intensity Factor Based on ABAQUS-XFEM
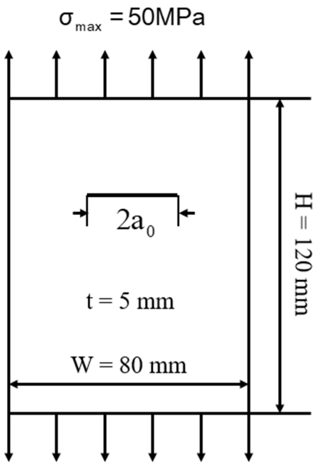
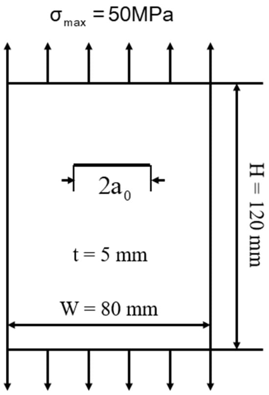
3.2. Fatigue Crack Propagation Life Analysis Example Based on ABAQUS-XFEM
- (1)
- The engineering algorithm to calculate crack propagation life is as follows:
- (2)
- The extended finite element method to calculate crack propagation life is as follows:
4. Test and Simulation of Structural Fatigue Life Analysis Considering Damage Accumulation
4.1. Simplified Analysis Model of Fatigue Life Example Considering Damage Accumulation
4.1.1. Establishment of Analysis Model
4.1.2. Fatigue Damage Evolution Equation
4.1.3. Finite Element Simulation of Fatigue Life Analysis
4.2. Damage Fatigue Tolerance Test and Finite Element Simulation of Skin Porous Structure
4.2.1. Damage Tolerance Test Equipment and Test Methods
4.2.2. Test Results and Crack Propagation Path Analysis
4.2.3. Finite Element Simulation of Test Piece
4.2.4. Finite Element Simulation and Test Results Analysis
5. Summary
Author Contributions
Funding
Institutional Review Board Statement
Informed Consent Statement
Data Availability Statement
Conflicts of Interest
References
- Li, Z.; Xu, W.; Zhang, X. Experimental and analytical analyses of fatigue crack growth in sheets with multiple holes and cracks. Acta Aeronuatica Astronaut. Sin. 2018, 39, 221867. [Google Scholar]
- Liu, Y.J.; Yue, Z.F.; Shao, X.J.; Liu, J.; Liu, Y.S. Stress Intensity Factors for Multi-fastener-hole Structure with Multi-through-cracks. J. Mech. Strength 2009, 31, 986–991. [Google Scholar] [CrossRef]
- Sun, H.B.; Dong, D.K. Computionl Study on the Boundary Correction Factor of Crack SIF in Porous Structure. In Proceedings of the 27th China Conference on Structural Engineering, Shanghai, China, 11–16 October 2018; Volume I, pp. 214–219. [Google Scholar]
- Hwu, C.; Huang, S.-T.; Li, C.-C. Boundary-Based Finite Element Method for Two-Dimensional Anisotropic Elastic Solids with Multiple Holes and Cracks. Eng. Anal. Bound. Elem. 2017, 79, 13–22. [Google Scholar] [CrossRef]
- Galatolo, R.; Lazzeri, R. Fatigue Crack Growth of Multiple Interacting Cracks: Analytical Models and Experimental Validation. Fatigue Fract. Eng. Mater. Struct. 2018, 41, 183–196. [Google Scholar] [CrossRef]
- Zou, J.; Yuechao, Z.; Feng, Z. Multiple Crack Growth Simulation for Lap-Joints Based on Three-Dimensional Finite Element Analysis. Aircr. Eng. Aerosp. Technol. 2022, 94, 1834–1844. [Google Scholar] [CrossRef]
- Theilig, H.; Goth, M.; Wünsche, M. Numerical Simulation of Fatigue Crack Growth for Curved Cracks Emanating from Fastener Holes in Sheets by the MVCCI Method. Key Eng. Mater. 2006, 324–325, 863–866. [Google Scholar]
- Rao, Q.; Zhao, C.; Yi, W.; Sun, D.; Liu, Z. Stress Intensity Factor Calculation of the Cracks Interacted by the Oval-Holes in Anisotropic Elastic Solids under Remote and Non-Uniform Surface Stresses. Theor. Appl. Fract. Mech. 2022, 121, 103475. [Google Scholar] [CrossRef]
- Cavuoto, R.; Lenarda, P.; Misseroni, D.; Paggi, M.; Bigoni, D. Failure through Crack Propagation in Components with Holes and Notches: An Experimental Assessment of the Phase Field Model. Int. J. Solids Struct. 2022, 257, 111798. [Google Scholar] [CrossRef]
- Miao, C.; Yan, X. Interaction of Three Parallel Cracks in Rectangular Plate under Cyclic Loads. Acta Mech. Solida Sin. 2013, 26, 519–535. [Google Scholar] [CrossRef]
- Zhao, J.F.; Xie, L.Y.; Liu, J.Z.; Zhao, Q. Modified Analytical Method for Stress Intensity Factor Calculation of Infinite MSD Plate Containing Multiple Holes. Adv. Mater. Res. 2010, 118–120, 269–273. [Google Scholar]
- Cao, G.; Liu, X.; Hu, D.; Mao, J.; Tian, T.; Wang, R. Stochastic Modeling of Fatigue Crack Growth for Bolt Holes in Turbine Disc. Int. J. Fatigue 2023, 169, 107504. [Google Scholar] [CrossRef]
- Seifi, R.; Ghadimian, O.; Ranjbaran, M. Study on Life and Path of Fatigue Cracks in Multiple Site Damage Plates. Int. J. Fatigue 2015, 80, 449–458. [Google Scholar] [CrossRef]
- Wang, W.; Rans, C.; Benedictus, R. Theoretical Analysis of Fatigue Failure in Mechanically Fastened Fibre Metal Laminate Joints Containing Multiple Cracks. Eng. Fail. Anal. 2018, 91, 151–164. [Google Scholar] [CrossRef]
- Cui, Y.; Gao, Y.F.; Chew, H.B. Two-Scale Porosity Effects on Cohesive Crack Growth in a Ductile Media. Int. J. Solids Struct. 2020, 200–201, 188–197. [Google Scholar] [CrossRef]
- Chang, P.-Y.; Yeh, P.-C.; Yang, J.-M. Fatigue Crack Growth in Fibre Metal Laminates with Multiple Open Holes: Fatigue Crack Growth in FMLs with Multiple Open Holes. Fatigue Fract. Eng. Mater. Struct. 2012, 35, 93–107. [Google Scholar] [CrossRef]
- Ambriz, R.R.; García, C.; Rodríguez-Reyna, S.L.; Ramos-Azpeitia, M.; Jaramillo, D. Synergy Effects in the Fatigue Crack Growth of Hole Cold Expanded Specimens under Variable Cyclic Loading. Int. J. Fatigue 2020, 140, 105807. [Google Scholar] [CrossRef]
- Doan, D.H.; Zenkour, A.M.; Van Thom, D. Finite Element Modeling of Free Vibration of Cracked Nanoplates with Flexoelectric Effects. Eur. Phys. J. Plus 2022, 137, 447. [Google Scholar] [CrossRef]
- Cong, P.H.; Van Thom, D.; Duc, D.H. Phase Field Model for Fracture Based on Modified Couple Stress. Eng. Fract. Mech. 2022, 269, 108534. [Google Scholar] [CrossRef]
- Truong Anh, T.; Do Van, T.; Pham Tien, D.; Dinh Duc, N. The Effects of Strength Models in Numerical Study of Metal Plate Destruction by Contact Explosive Charge. Mech. Adv. Mater. Struct. 2019, 26, 661–670. [Google Scholar] [CrossRef]
- Van Do, T.; Hong Doan, D.; Chi Tho, N.; Dinh Duc, N. Thermal Buckling Analysis of Cracked Functionally Graded Plates. Int. J. Struct. Stab. Dyn. 2022, 22, 2250089. [Google Scholar] [CrossRef]
- Wang, L.; Zhang, C.; Tao, C.; Ji, H.; Yang, Y.; Qiu, J. Prediction of Multiple Fatigue Crack Growth Based on Modified Paris Model with Particle Filtering Framework. Mech. Syst. Signal Process. 2023, 190, 110124. [Google Scholar] [CrossRef]
- Lv, C.; Wang, F.; Yang, S.; Zhao, X. Studying a Repair Method of LY12 Aluminum Alloy Plate. Metals 2023, 13, 1758. [Google Scholar] [CrossRef]
- Nguyen, V.T.; Hwu, C. Multiple Holes, Cracks, and Inclusions in Anisotropic Viscoelastic Solids. Mech. Time-Depend. Mater. 2018, 22, 187–205. [Google Scholar] [CrossRef]
- Xu, W.; Wu, X.R.; Yu, Y. Weight Function, Stress Intensity Factor and Crack Opening Displacement Solutions to Periodic Collinear Edge Hole Cracks. Fatigue Fract. Eng. Mater. Struct. 2017, 40, 2068–2079. [Google Scholar] [CrossRef]
- Anasori, B.; Saillot, F.; Stanley, D.; Awerbuch, J.; Tan, T.-M. Fatigue Crack Growth in Aluminum Lithium Riveted Lap Joints. Procedia Eng. 2014, 74, 413–416. [Google Scholar] [CrossRef]
- Fu, Z.; Ji, B.; Xie, S.; Liu, T. Research on Multi-hole Arrangement in Stop-hole Technology for Retarding Fatigue Cracks in Steel Bridges. J. Hefei Univ. Technol. (Nat. Sci.) 2016, 39, 1376–1380. [Google Scholar]
- Yao, Y.; Ji, B.; Fu, Z.; Zhou, J.; Wang, Y. Optimization of Stop-Hole Parameters for Cracks at Diaphragm-to-Rib Weld in Steel Bridges. J. Constr. Steel Res. 2019, 162, 105747. [Google Scholar] [CrossRef]
- Malekan, M.; Carvalho, H. Analysis of a Main Fatigue Crack Interaction with Multiple Micro-Cracks/Voids in a Compact Tension Specimen Repaired by Stop-Hole Technique. J. Strain Anal. Eng. Des. 2018, 53, 648–662. [Google Scholar] [CrossRef]
- Ahmed, T.; Yavuz, A.; Turkmen, H.S. Fatigue Crack Growth Simulation of Interacting Multiple Cracks in Perforated Plates with Multiple Holes Using Boundary Cracklet Method. Fatigue Fract. Eng. Mater. Struct. 2021, 44, 333–348. [Google Scholar] [CrossRef]
- Bhatia, G.S.; Arockiarajan, A. Effect of Interactions of Two Holes on Tensile Behavior of Patch Repaired Carbon/Epoxy Woven Laminates. Def. Technol. 2022, 21, S2214914722001659. [Google Scholar] [CrossRef]




















| Crack Length and Proportion | Error Ratio | |||
|---|---|---|---|---|
| a (mm) | a/W | XFEM | Theoretical Calculation | |
| 8 | 0.1 | 6.02 | 5.86 | 2.7% |
| 16 | 0.2 | 10.32 | 10.41 | 0.8% |
| Parameters | Values |
|---|---|
| C | |
| n | 3.41 |
| KIC/ | 23.2 |
| Kth0/ | 2.76 |
| / | 68 |
| 0.33 | |
| / | 443 |
| / | 322 |
| Total Number of Cycles N | Hole A Crack Length | Hole B Damage D |
|---|---|---|
| 10,356 | 6 mm | 2.78 × 10−2 |
| 40,875 | 10 mm | 1.25 × 10−1 |
| 59,693 | 16 mm | 2.09 × 10−1 |
| 65,861 | 20 mm | 2.52 × 10−1 |
| 68,628 | 23 mm | 2.93 × 10−1 |
| Test Piece | Crack Initiation Situation | Peak–Valley Value of Load/KN |
|---|---|---|
| The first test piece | A (right) hole edge appears: 1.6 mm fatigue crack. | 12.369/0.84 |
| The second test piece | A (left) hole edge appears: 1.5 mm fatigue crack. | 12.369/0.84 |
Disclaimer/Publisher’s Note: The statements, opinions and data contained in all publications are solely those of the individual author(s) and contributor(s) and not of MDPI and/or the editor(s). MDPI and/or the editor(s) disclaim responsibility for any injury to people or property resulting from any ideas, methods, instructions or products referred to in the content. |
© 2023 by the authors. Licensee MDPI, Basel, Switzerland. This article is an open access article distributed under the terms and conditions of the Creative Commons Attribution (CC BY) license (https://creativecommons.org/licenses/by/4.0/).
Share and Cite
Lv, C.; Wang, K.; Zhao, X.; Wang, F. Damage-Accumulation-Induced Crack Propagation and Fatigue Life Analysis of a Porous LY12 Aluminum Alloy Plate. Materials 2024, 17, 192. https://doi.org/10.3390/ma17010192
Lv C, Wang K, Zhao X, Wang F. Damage-Accumulation-Induced Crack Propagation and Fatigue Life Analysis of a Porous LY12 Aluminum Alloy Plate. Materials. 2024; 17(1):192. https://doi.org/10.3390/ma17010192
Chicago/Turabian StyleLv, Cheng, Kejie Wang, Xiang Zhao, and Fenghui Wang. 2024. "Damage-Accumulation-Induced Crack Propagation and Fatigue Life Analysis of a Porous LY12 Aluminum Alloy Plate" Materials 17, no. 1: 192. https://doi.org/10.3390/ma17010192
APA StyleLv, C., Wang, K., Zhao, X., & Wang, F. (2024). Damage-Accumulation-Induced Crack Propagation and Fatigue Life Analysis of a Porous LY12 Aluminum Alloy Plate. Materials, 17(1), 192. https://doi.org/10.3390/ma17010192

