Effects of Sodium Hexametaphosphate Addition on the Dispersion and Hydration of Pure Calcium Aluminate Cement
Abstract
1. Introduction
2. Experimental
2.1. Raw Materials
2.2. Sample Preparation and Characterization
2.2.1. Adsorption of SHMP onto PCAC Cement
2.2.2. ζ-Potential of Cement Particles
2.2.3. Rheological Behavior of Cement-Water Slurry
2.2.4. Hydration Behavior of PCAC
3. Results and Discussion
3.1. Adsorption Behavior of SHMP
3.2. Ca2+ Concentration in Filtrate
3.3. ζ-Potential of Cement Particles
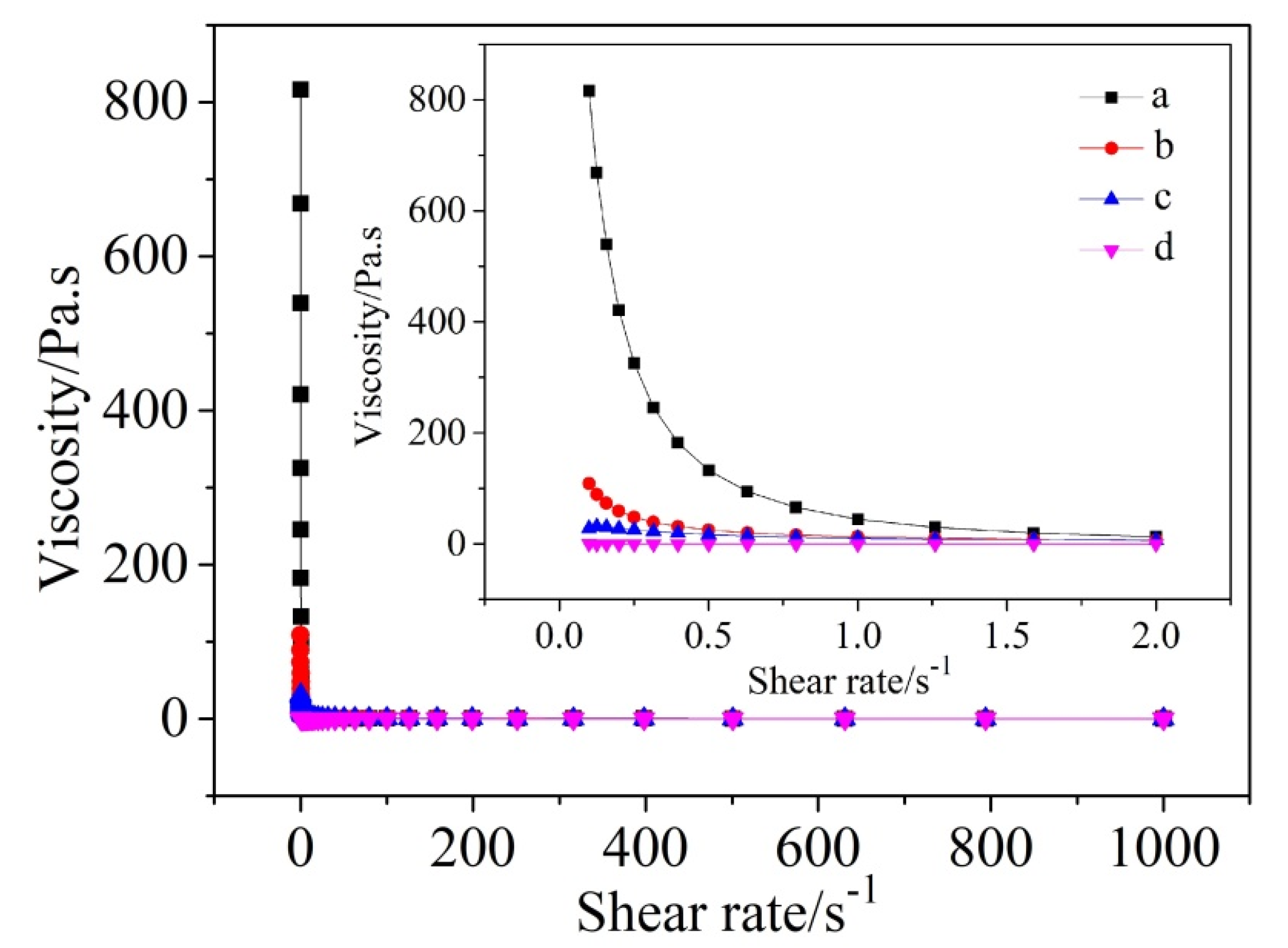
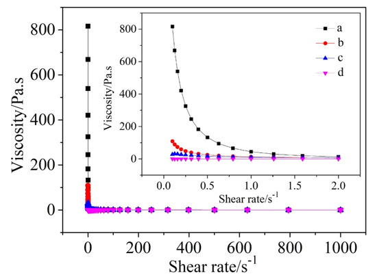
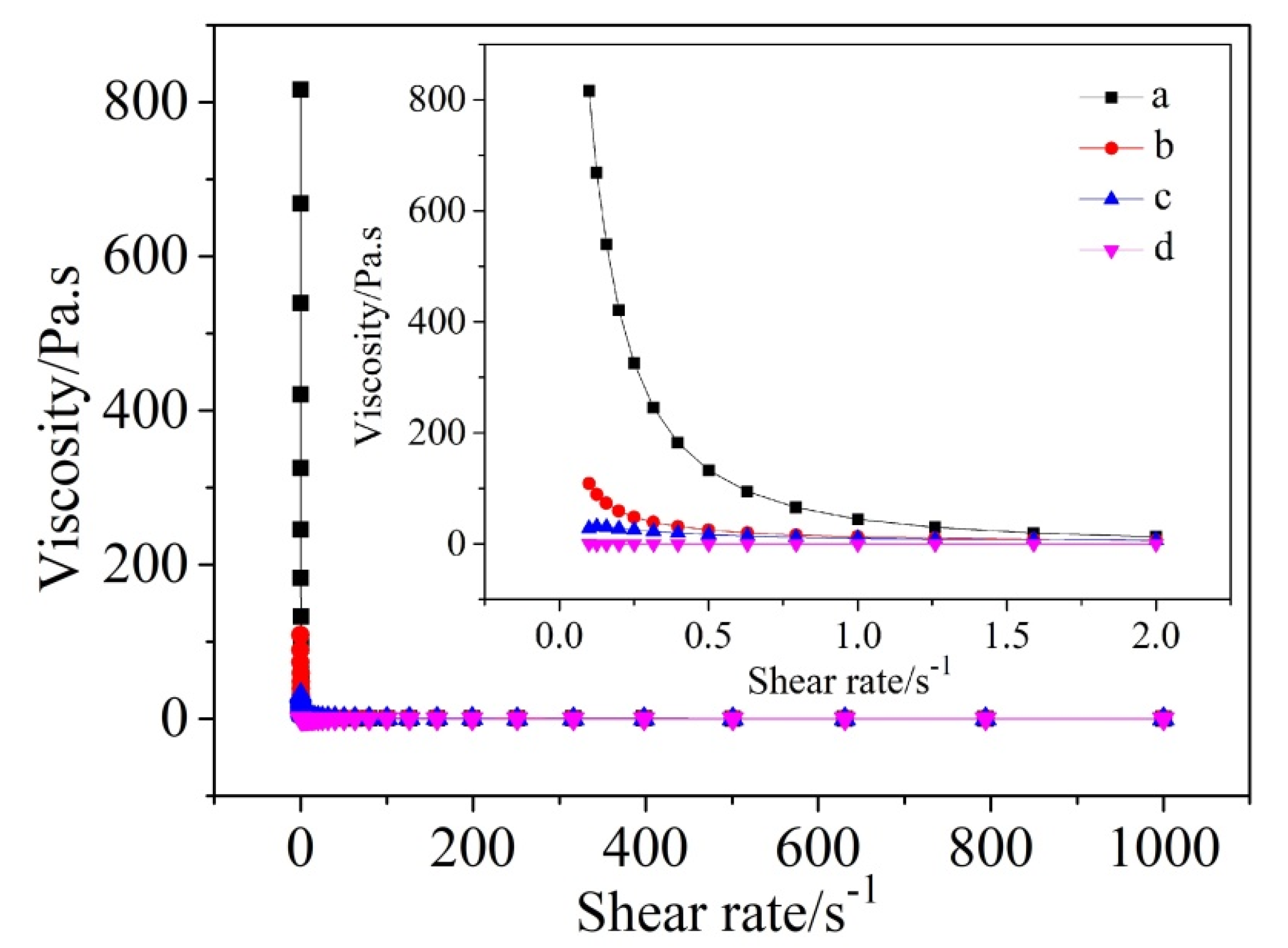
3.4. Rheological Properties
3.5. Effect of SHMP Addition on Hydration Behavior of Calcium Aluminate Cement
4. Conclusions
Author Contributions
Funding
Conflicts of Interest
References
- El Gamal, S.M.; Salman, H.M.B. Effect of addition of Sikament-R superplasticizer on the hydration characteristics of portland cement pastes. HBRC J. 2012, 8, 75–80. [Google Scholar] [CrossRef][Green Version]
- Agarwal, S.K.; Masood, I. Water-reducing agent from coal tar waste. Constr. Build. Mater. 1995, 9, 131–133. [Google Scholar] [CrossRef]
- Senft, S.; Gallegos, S.; Manson, D.P.; Gonzales, C. Chemical Admixtures for Concrete, 2nd ed.; Rixom, M.R., Mailvaganam, N.P., Eds.; E. & F. N. Spon Limited: London, UK, 1986; Volume 8, p. 136. ISBN 0419126309. [Google Scholar]
- Engbert, A.; Gruber, S.; Plank, J. The Effect of Alginates on the Hydration of Calcium Aluminate Cement. Carbohydr. Polym. 2020, 236, 116038. [Google Scholar] [CrossRef] [PubMed]
- Luz, A.P.; Pandolfelli, V.C. Halting the calcium aluminate cement hydration process. Ceram. Int. 2011, 37, 3789–3793. [Google Scholar] [CrossRef]
- Phatak, T.C.; Agarwal, S.K. Process for the Preparation of 8 Polymeric Sulfonates from Cashew Nut Shell Liquid. Indian Patent Application 287iDEUl990, December 1990. [Google Scholar]
- Cabrera, J.; Rojas, M.F. Superplasticizer effects on setting and structuration mechanisms of ultrahigh-performance concrete. Cem. Concr. Res. 2001, 31, 63–71. [Google Scholar]
- Diamond, S. The patch microstructure in concrete: Effect of mixing time. Cem. Concr. Res. 2005, 35, 1014–1016. [Google Scholar] [CrossRef]
- Salih, A.; Rafiq, S.; Mahmood, W.; Hind, A.D.; Noaman, R.; Ghafor, K.; Qadir, W. Systemic multi-scale approaches to predict the flowability at various temperature and mechanical properties of cement paste modified with nano-calcium carbonate. Constr. Build. Mater. 2020, 262, 120777. [Google Scholar] [CrossRef]
- Keriene, J.; Antonovic, V.; Stonys, R.; Boris, R. The influence of the ageing of calcium aluminate cement on the properties of mortar. Constr. Build. Mater. 2019, 205, 387–397. [Google Scholar] [CrossRef]
- Adams, M.P.; Ideker, J.H. Influence of aggregate type on conversion and strength in calcium aluminate cement concrete. Cem. Concr. Res. 2017, 100, 284–296. [Google Scholar] [CrossRef]
- Zingg, A.; Winnefeld, F.; Holzer, L.; Pakusch, J.; Becker, S.; Gauckler, L. Adsorption of polyelectrolytes and its influence on the rheology, zeta potential, and microstructure of various cement and hydrate phases. J. Colloid Interface Sci. 2008, 323, 301–312. [Google Scholar] [CrossRef]
- Zhang, Y.R.; Kong, X.G. Correlations of the dispersing capability of NSF and PCE types of superplasticizer and their impacts on cement hydration with the adsorption in fresh cement pastes. Cem. Concr. Res. 2015, 69, 1–9. [Google Scholar] [CrossRef]
- Cheung, J.; Jeknavorian, A.; Roberts, L.; Silva, D. Impact of admixtures on the hydration kinetics of Portland cement. Cem. Concr. Res. 2011, 41, 1289–1309. [Google Scholar] [CrossRef]
- Kim, B.G.; Jiang, S.; Jolicoeur, C.; Aitcin, P.C. The adsorption behavior of PNS superplasticizer and its relation to fluidity of cement paste. Cem. Concr. Res. 2000, 30, 887–893. [Google Scholar] [CrossRef]
- Jansen, D.; Neubauer, J.; Goetz-Neunhoeffer, F.; Haerzschel, R.; Hergeth, W.D. Change in reaction kinetics of a Portland cement caused by a superplasticizer—calculation of heat flow curves from XRD data. Cem. Concr. Res. 2012, 42, 327–332. [Google Scholar] [CrossRef]
- Qing, Z.; Bi-Qin, D.; Yan-Rong, Z.; Zi-Chen, L.; Zhen-Bao, L.; Feng, X.; Xiang-Ming, K. Influence of triethanolamine on the hydration product of portlandite in cement paste and the mechanism. Cem. Concr. Res. 2016, 87, 64–76. [Google Scholar]
- Gu, W.; Zhu, L.; Shang, X.; Ding, D.; Liu, L.; Chen, L.; Ye, G. Effect of particle size of calcium aluminate cement on volumetric stability and thermal shock resistance of CAC-bonded castables. J. Alloys Compd. 2019, 772, 637–641. [Google Scholar] [CrossRef]
- Lee, N.K.; Koh, K.T.; Park, S.H.; Ryu, G.S. Microstructural investigation of calcium aluminate cement-based ultra-high performance concrete (UHPC) exposed to high temperatures. Cem. Concr. Res. 2017, 102, 109–118. [Google Scholar] [CrossRef]
- Wang, Y.; Zhun, B.; Lin, X.; Chen, P. Effect of dispersants on the hydrate morphologies of spinel-containing calcium aluminate cement and on the properties of refractory castables. Ceram. Int. 2016, 42, 711–720. [Google Scholar] [CrossRef]
- Xu, W.T.; Dai, J.G.; Ding, Z.; Wang, Y.S. Polyphosphate-modified calcium aluminate cement under normal and elevated temperatures: Phase evolution, microstructure, and mechanical properties. Ceram. Int. 2017, 43, 15525–15536. [Google Scholar] [CrossRef]
- Wang, Y.S.; Dai, J.G.; Ding, Z.; Xu, W.T. Phosphate-based geopolymer: Formation mechanism and thermal stability. Mater. Lett. 2017, 190, 209–212. [Google Scholar] [CrossRef]
- Ma, W.; Brown, P.W. Hydration of sodium phosphate-modified high alumina cement. J. Mater. Res. 1994, 9, 1291–1298. [Google Scholar] [CrossRef]
- Irisawa, K.; Garcia-Lodeiro, I.; Kinoshita, H. Influence of mixing solution on characteristics of calcium aluminate cement modified with sodium polyphosphate. Cem. Concr. Res. 2020, 128, 105951. [Google Scholar] [CrossRef]
- Gastaldi, D.; Bertola, F.; Irico, S.; Paul, G.; Canonico, F. Hydration behavior of cements with reduced clinker factor in mixture with sulfoaluminate binder. Cem. Concr. Res. 2021, 139, 106261. [Google Scholar] [CrossRef]
- Li, C.; Yongxin, L. Selective flotation of scheelite from calcium minerals with sodium oleate as a collector and phosphates as modifiers. II. The mechanism of the interaction between phosphate modifiers and minerals. Int. J. Miner. Process. 1983, 10, 219–235. [Google Scholar]
- Li, Z.H.; Han, Y.X.; Li, Y.J.; Peng, G.A.O. Effect of serpentine and sodium hexametaphosphate on ascharite flotation. Trans. Nonferrous Met. Soc. China 2017, 27, 1841–1848. [Google Scholar] [CrossRef]
- Zhang, G.F.; Feng, Q.M.; Lu, Y.P.; Liu, G.Y.; Ou, L.M. Effect of sodium hexametaphosphate on flotation of bauxite. J. Cent. South Univ. Technol. Nat. Sci. 2001, 32, 127–130. [Google Scholar]
- Lim, H.M.; Yang, H.C.; Chun, B.S.; Lee, S.H. The Effect of Sodium Tripolyphosphate on Sodium Silicate-Cement Grout. Mater. Sci. Forum 2005, 486–487, 391–394. [Google Scholar] [CrossRef]
- Feng, Q.M.; Zhou, Q.B.; Zhang, G.F.; Lu, Y.P.; Yang, S.Y. Inhibition mechanism of sodium hexametaphosphate on calcite. Chin. J. Nonferrous Met. 2011, 21, 436–441. [Google Scholar]
- Xu, L.; Wang, Z.; Du, C.; Chen, J.; Lu, S. Influence of the Ca- or P-containing electrolyte compositions on properties of micro-arc oxidation coatings fabricated on mg alloy. Rare Met. Mater. Eng. 2015, 44, 2576–2582. [Google Scholar]
- Lee, W.E.; Vieira, W.; Zhang, S.; Ahari, K.G.; Sarpoolaky, H.; Parr, C. Castable refractory concretes. Int. Mater. Rev. 2001, 46, 145–167. [Google Scholar] [CrossRef]
- Tang, S.W.; Chen, E.; Shao, H.Y.; Li, Z.J. A fractal approach to determine thermal conductivity in cement pastes. Constr. Build. Mater. 2015, 74, 73–82. [Google Scholar] [CrossRef]
- Otroj, S.; Sagaeian, A.; Daghighi, A.; Nemati, Z.A. The effect of nano-size additives on the electrical conductivity of matrix suspension and properties of self-flowing low-cement high alumina refractory castables. Ceram. Int. 2010, 36, 1411–1416. [Google Scholar] [CrossRef]
- Mercury, J.M.R.; Turrillas, X.; Aza, A.H.D.; Pena, P. Calcium aluminates hydration in presence of amorphous SiO2 at temperatures below 90 °C. J. Solid State Chem. 2006, 179, 2988–2997. [Google Scholar] [CrossRef]
- Diao, G.Z.; Liu, G.H.; Wang, Z.X. Research of Properties and Hydration Mechanisms of Portland Cement and Calcium Aluminate Cement Compound System. Cem. Concr. Contrib. Glob. Sustain. 2006, 1, 497–504. [Google Scholar]
- Klaus, S.R.; Neubauer, J.; Goetz-Neunhoeffer, F. How to increase the hydration degree of CA—The influence of CA particle fineness. Cem. Concr. Res. 2015, 67, 11–20. [Google Scholar] [CrossRef]
- Frost, R.L.; Scholz, R.; Belotti, F.M.; López, A.; Theiss, F.L. A vibrational spectroscopic study of the phosphate mineral vantasselite Al4(PO4)3(OH)3·9H2O. Spectrochim. Acta Part A Mol. Biomol. Spectrosc. 2015, 147, 185–192. [Google Scholar] [CrossRef]








| Al2O3 | CaO | SiO2 | Fe2O3 | MgO | TiO2 | SO3 | |
|---|---|---|---|---|---|---|---|
| w/% | 68.7 | 28.5 | 0.4 | 0.2 | 0.25 | 0.2 | 0.15 |
Publisher’s Note: MDPI stays neutral with regard to jurisdictional claims in published maps and institutional affiliations. |
© 2020 by the authors. Licensee MDPI, Basel, Switzerland. This article is an open access article distributed under the terms and conditions of the Creative Commons Attribution (CC BY) license (http://creativecommons.org/licenses/by/4.0/).
Share and Cite
Cheng, B.; Yao, C.; Xiong, J.; Liu, X.; Zhang, H.; Zhang, S. Effects of Sodium Hexametaphosphate Addition on the Dispersion and Hydration of Pure Calcium Aluminate Cement. Materials 2020, 13, 5229. https://doi.org/10.3390/ma13225229
Cheng B, Yao C, Xiong J, Liu X, Zhang H, Zhang S. Effects of Sodium Hexametaphosphate Addition on the Dispersion and Hydration of Pure Calcium Aluminate Cement. Materials. 2020; 13(22):5229. https://doi.org/10.3390/ma13225229
Chicago/Turabian StyleCheng, Benjun, Can Yao, Jian Xiong, Xueyin Liu, Haijun Zhang, and Shaowei Zhang. 2020. "Effects of Sodium Hexametaphosphate Addition on the Dispersion and Hydration of Pure Calcium Aluminate Cement" Materials 13, no. 22: 5229. https://doi.org/10.3390/ma13225229
APA StyleCheng, B., Yao, C., Xiong, J., Liu, X., Zhang, H., & Zhang, S. (2020). Effects of Sodium Hexametaphosphate Addition on the Dispersion and Hydration of Pure Calcium Aluminate Cement. Materials, 13(22), 5229. https://doi.org/10.3390/ma13225229

