Abstract
In this work, a unidirectional full-bridge resonant converter with secondary-side phase-shifted control is addressed. With the variation of voltage gain and power level, this converter may enter into different operational modes, including three continuous current modes and one discontinuous current mode. The details in each operation mode are discussed one by one. The boundary conditions between these modes have been identified. Additionally, the steady-state analysis of all continuous current modes is performed uniformly by using the fundamental harmonics approximation approach. Experimental results based on a lab prototype converter are also included to verify the operation modes predicted by the theoretical analysis.
1. Introduction
Phase-shift modulation is a widely-used control method in power converters, especially in the bridge-type converters. The inner-bridge phase-shift refers to the adjustable phase-shift between different bridge arms in a single-phase or multiple-phase bridge inverter. As a consequence, the resultant high-frequency (HF) AC voltage may have an adjustable pulse width [1,2,3,4,5,6], which is also referred to as pulse-width modulation (PWM). The inter-bridge phase-shift refers to the adjustable phase-shift between two or more different bridges. The different inverter bridges may be all located on the input side, so that the phase-shift control manages both the power flow and power sharing among those bridges [7,8,9]. In other cases, two different inverter bridges may be located at the input side and the output side acting as an inverter and a rectifier, respectively. For example, the inter-bridge phase-shift control used in a dual-active bridge (DAB) converter, which is often called single-phase-shift (SPS) control, is simple and easy to implement [10,11,12,13,14,15,16,17,18,19,20,21,22]. Also referred as secondary phase-shift control, the inter-bridge phase-shift was applied for a unidirectional dual-bridge DC/DC converter [23,24,25,26,27]. The converter, including a semi-active rectifier with secondary phase-shift control, was proposed in [23] firstly and then investigated further experimentally in [24], which is proven to be suitable for high output voltage applications. By using unidirectional switches on the semi-active rectifier, two secondary phase-shift-controlled converters were reported to be able to maintain soft switching for a wide range of input/output variation [25,26]. All converters above make use of a power inductor as the main power transfer device, which actually can be replaced with a resonant tank. Due to the resonance phenomenon, the resonant version of the converter, including a semi-active rectifier, may have some extra different features. In this work, the resonant version of the converter discussed in [23] is selected to be investigated. It will be shown that it has more operation modes than that of the non-resonant converter. The detail of each mode and the transition conditions between different modes will be presented, as well.
The rest of the paper is organized as follows. The working principle and different operation modes of the secondary-side phase-shifted resonant converter are discussed at first in Section 2. In Section 3, the steady-state analysis in all continuous current modes is performed using fundamental harmonics approximation (FHA) uniformly. Boundary points between different operation modes can be identified. Necessary conditions of soft switching operation for all switches are derived, as well. In Section 4, the experimental results on a 300-W prototype converter will be reported to validate the different operation modes predicted by the theoretical analysis.
2. Operation Modes of the Secondary-Side Phase-Shifted Resonant Converter
2.1. Principle of Operation
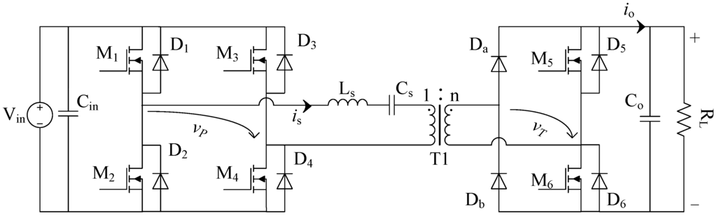
Figure 1 presents the circuit diagram of the secondary-side phase-shifted resonant converter with a series resonant LC (an inductor and a capacitor) tank. It contains two full bridges on the two sides of an HF transformer. Four fully-controlled switches are used in the input bridge, while the output bridge is constituted of two diodes and two fully-controlled switches. In each bridge arm, the two active switches are turned on and off complementarily with nearly a 50% duty cycle. Although there are two phase-shifts available to be used to regulate the output power, only the inter-bridge phase-shift ϕ is utilized for power control in this work, which is defined as the phase delay between gating signals of and . The inner-bridge phase-shift between the two arms of the input bridge is fixed at . Hence, the output HF AC voltage of input bridge is always a square wave voltage. On the other side, the input HF AC voltage of the output bridge (actually, the transformer secondary voltage) is an irregular quasi-square waveform whose shape depends on ϕ, the power level and converter specifications. This is attributed to the resonant feature and the existence of the diode arm in the output bridge.
Figure 1.
A secondary-side phase-shifted resonant converter.
Based on the continuality of the resonant current in the steady state, two possible kinds of operation modes may exist: continuous current mode (CCM) and discontinuous current mode (DCM). Through careful investigation, it is found that there are in total three different CCMs and one DCM in which the converter may work. In each mode, the involved time intervals in each HF switching period are different. In the following part, the three CCMs and one DCM will be discussed one by one. Two parameters are defined first to ease the explanation. The converter voltage gain is defined as: , where 1:n is the primary-to-secondary turns ratio of the HF transformer. The angle β is defined as the phase angle by which leads the resonant current . Effects of the deadband and snubber are neglected.
2.2. Continuous Current Mode 1 (CCM1)
As long as the phase-shift ϕ is large enough, the resonant converter can work in CCM1 regardless of the converter gain d. The signature of CCM1 is . The typical waveforms in CCM1 is shown in Figure 2. In an HF period of CCM1, there are six different time intervals, whose equivalent circuits have been included in Figure 3.
Figure 2.
Steady-state waveforms of continuous current mode 1 (CCM1) operation with .
Figure 3.
Equivalent circuits during different time intervals in a high-frequency (HF) period.
It is assumed that before the beginning of a new period, the resonant current is negative, and switches are in the on state. Interval 1 (Figure 3a): This begins when the negative-to-positive transition of is triggered by the turn-off of and . is shifted from to naturally. The conducting devices in this interval are . It ends when the resonant current reaches zero.
Interval 2 (Figure 3b): When changes direction, the primary-side switches and are turned on with zero voltage. On the secondary side, is turned off and is turned on, both with zero current. is turned on with zero voltage, as well. Thus, the secondary side of the transformer is shorted by means of and . As a result, the input voltage is solely applied on the resonant tank. The energy is being stored in the resonant tank. The interval ends when is turned off.
Interval 3 (Figure 3c): With the turn-off of , the secondary current is forced to flow in , and the gating signal of can be applied during this interval with almost zero voltage. The energy is pumped into the output through the resonant tank. This interval completes at the removal of the gating signals of .
Intervals 4–6: The intervals during the next half of the HF switching cycle are almost the same as those described above, except for the conducting devices and the direction of the resonant current. The details will not be difficult to understand by referring to Figure 3d–f.
2.3. Continuous Current Mode 2 (CCM2)
For a converter with working in CCM1, if the phase-shift ϕ is reduced continuously, the converter would enter into CCM2 operation eventually. The signature of CCM2 is . Based on the variation of ϕ, there are three sub-modes in CCM2 for , which are shown in Figure 4a–c, respectively. The first case of is taken as an example. Similar to CCM1, there are also six different time intervals in one HF period for this case.

Figure 4.
Steady-state waveforms of CCM2 operation with : (a) ; (b) ; (c) .
Interval 1 (Figure 3a): This is almost the same as Interval 1 of CCM1, except that it ends when is turned off and is turned on with a negative secondary current.
Interval 2 (Figure 3g): With the turn-off of , the negative secondary current is forced to flow in the drain-to-source channel of , which is a lossy turn-on process. The operation conditions on the primary side have no change. It is also an energy-storage interval and will last until declines to zero.
Interval 3 (Figure 3c): This is almost the same as the Interval 3 in CCM1, except that it starts with a zero resonant current. In other words, the primary resonant current is shifted from , to , naturally in the zero-voltage condition. The secondary current is shifted from to .
Again, the operations in Intervals 4–6 are almost the same as those described above, except for the conducting devices and the direction of the resonant current. Those can be understood by referring to Figure 3d,h,f.
The second case (Figure 4b) of CCM2 comes into being when , which only has four intervals in one HF period. The corresponding equivalent circuits are (g), (c), (h) and (f) in Figure 3. The third case (Figure 4c) of CCM2 comes into being when , which has six intervals in one HF period. The corresponded equivalent circuits are Figure 3g, c, b, h, f,e.
2.4. Just Continuous Current Mode (JCCM)
For a converter with working in CCM1, if the phase-shift ϕ is reduced continuously, the converter would enter into one special operation mode: JCCM (just continuous current mode). The signature of JCCM is , i.e., the resonant current is synchronous with . JCCM is a special mode, which can be categorized as either CCM or DCM. There are only four time intervals in the JCCM operation, which are shown in Figure 5.
Interval 1 (Figure 3b): This is similar to Interval 2 of CCM1. The interval starts with the zero-current turn-on of , and ends with the turn-off of . This is an energy-storage interval.
Interval 2 (Figure 3c): This is similar to Interval 3 in CCM1, except that it ends with the zero-current turn-off of , . It is a powering interval.
Intervals 3∼4: These two are symmetric operations of the first half period, which can be understood easily by referring to Figure 3e,f.
Figure 5.
Steady-state waveforms of the just continuous current mode (JCCM) operation with .
2.5. Continuous Current Mode 3 (CCM3)
When the converter works in JCCM, reducing the phase-shift ϕ further may have two different consequences. One is CCM3 (Figure 6), and the other is DCM (Figure 7).
Figure 6.
Steady-state waveforms of the CCM3 operation.
Figure 7.
Steady-state waveforms of the discontinuous current mode (DCM) operation.
When the positive resonant current declines to zero, the current tends to reverse direction. Because there are no changes made to any gating signals, the direction reversal of resonant current will result in if the current goes negative. According to Kirchhoff’s voltage law, the instant resonant capacitor voltage must be larger than the instant value of (which is now) to let the current change from zero to negative. This consequence is the CCM3 operation. The CCM3 is unique to the resonant-type converter, which cannot be observed in the converter proposed by [23]. It is a conditional state and can only exist when the following conditions are met:
where is the peak voltage of the resonant capacitor.
The typical steady-state waveforms in CCM3 are shown in Figure 6. Interval 1 (Figure 3b): This is similar to Interval 2 of CCM1, except that , are turned on with positive resonant current, which indicates the loss of ZVS.
Interval 2 (Figure 3c): This is similar to Interval 3 in CCM1, except that it ends when the resonant current declines to zero. It is a powering interval.
Interval 3 (Figure 3g): This is similar to Interval 2 in CCM2, except that it starts with the resonant current shifting from , to , . Additionally, it ends with the turn-off of , .
Intervals 4∼6: These three are symmetric operations of the first half period, which can be understood easily by referring to Figure 3e,f,h.
2.6. DCM
Only existing with , DCM is featured with a portion of zero-current duration in each half HF period. There are two possibilities for the converter to move into DCM. The first possibility is evolving from JCCM directly. A slight reduction of phase-shift ϕ from JCCM with will result in DCM operation immediately. The other possibility is evolving from CCM3. With the decreasing of ϕ, the resonant current at the beginning of Interval 1 of CCM3 will decrease too, until it reaches zero. Thus, Interval 3 of CCM3 becomes an idle interval of DCM. When the positive resonant current reaches zero in DCM, it cannot go negative instantly, since . Thus, the resonant current will remain zero, and the resonant capacitor voltage is clamped at its peak value, as well. The transformer primary-side voltage is the difference of and according to Kirchhoff’s voltage law.
The typical steady-state waveforms in DCM is shown in Figure 7. The DCM operation is almost the same as JCCM with one idle interval inserted in each half period. In the idle interval (Figure 3i or Figure 3j), there is no current flowing in the tank and transformer. However, , , in Figure 3i are still on and are able to conduct current. Both and are reversely biased, and the reverse voltages are .
3. Steady-State Analysis of Continuous Current Modes
In this section, the steady-state analysis for CCM operation of the resonant converter would be performed using the fundamental harmonics approximation (FHA) approach. The first reason to use FHA is that all AC signals in the converter are fundamental dominant signals. The second reason is that the analysis of all CCM modes could have a universal solution by using the FHA approach. For the DCM operation, the special design-dependent waveform of the transformer secondary voltage makes it hard to apply FHA. DCM analysis can be done in the time domain by solving differential equations precisely, which will be addressed in a separate work. It is assumed that all switches, including diodes and passive components, are ideal. Snubber effects and the switch commutation transient are neglected, as well. To facilitate the analysis, all parameters will be normalized by the following base values:
where is the primary reflected full load resistance and is the resonance frequency.
The normalized values of all reactances are given by:
where:
are the normalized switching frequency and the quality factor, respectively; and is the switching frequency.
The fundamental equivalent circuit of the converter in the phasor domain is given in Figure 8. The two voltage sources are the normalized fundamental phasor of and , respectively. Although there are many different CCM cases, the phase-shift between two fundamental voltage sources is found to have a unified form: − for all CCM cases. Thus, the two voltage phasors can be written as:
Figure 8.
The fundamental equivalent circuit of the CCM operation in the phasor domain.
Then, the resonant current phasor can be easily obtained as:
After solving the equation, the normalized resonant current in the time domain is shown as:
where the peak resonant current and the phase angle β are given as:
This equation can be used to find β numerically if d and ϕ are known. Substituting Equation (12) into Equation (10) yields:
This equation demos the relationship among the normalized peak resonant current and the converter gain d, the phase-shift ϕ. The normalized peak voltage across the resonant capacitor can be obtained as:
The transferred power from the primary side to the secondary side could be calculated from either side. Here, the instantaneous power is evaluated on the primary side:
The normalized output power is the average value of instantaneous power:
where .
Besides, the converter gain d in the CCM operation can be evaluated by:
where is the normalized load resistance in the range of 1∼∞. According to the equation above, at a lighter load ( increases), the sum of two sinusoidal terms in the numerator has to be reduced to keep the converter gain constant.
3.1.
When the converter gain is unity, the converter can only operate in CCM1. By letting Equation (12) equal one, the relationship between two angles is given as:
With ϕ reduced to get lower power, β will decline, as well. At no load condition, both ϕ and β are zero. The variations of and β with regards to ϕ are presented in Figure 9, respectively.
Figure 9.
The variations of , β with regards to ϕ at .
3.2.
When the converter gain is less than one, the converter might operate in either CCM1 or CCM2, as shown in Figure 10. At high power with , the converter is working in CCM1 with . With the decreasing of the power level, β also goes down with a slower speed following ϕ. When those two angles equal each other, the converter is going to move into CCM2. By substituting into Equation (12), the boundary condition is obtained as:
The boundary point has been highlighted in Figure 10. The above equation also shows that CCM2 can happen only at , since a cosine term can never be larger than one. As indicated in Figure 10, β will increase if ϕ is further reduced from the value at the boundary point. ϕ may be reduced to zero and even negative in order to regulate power. In the no-load condition, ϕ approaches and β approaches .
Figure 10.
The variations of , β with regards to ϕ at .
3.3.
When the converter gain is larger than one, the converter might operate in one of CCM1, CCM3, JCCM and DCM. At high power with , the converter is working in CCM1 with . To achieve low output power, ϕ is reduced to keep converter gain. β will decrease too with a higher gradient. When , the converter is working in JCCM. For JCCM, the relationship between ϕ and d is shown as:
It can be seen clearly from Equation (20) that the JCCM operation can be attained only if .
As mentioned before, the resultant mode with an even smaller ϕ depends on the relationship between and . By letting Equation (14) equal one when , it is seen that:
If , the converter can go into DCM immediately once ϕ is reduced from the value in JCCM; otherwise, the converter will enter into CCM3 first and then DCM. The boundary point between CCM3 and DCM is given as:
In Figure 11, the variations of , β with regards to ϕ at are presented. As an example, is used to calculate , which is a common selection in the literature. With the help of Equation (21), the critical gain is found to be . Thus, three cases for , respectively, are illustrated in Figure 11. All of the boundary points between each mode are highlighted in the plots.
Figure 11.
The variations of , β with regards to ϕ at .
3.4. Soft Switching Conditions
The soft switching conditions of all switches and diodes in the converter can be determined by the polarity of the current during the switching transition. The value of the transition current can be found by evaluating Equation (10) at different transition points. For example, a negative resonant current at enables switches ∼ to work with ZVS possibly. Additionally, a positive resonant current at is necessary for to work with ZVS. In Table 1, the soft-switching behavior in the converter for different operation modes is listed. It can be concluded that only the CCM1 operation is preferable in terms of almost zero switching loss.
Table 1.
Soft switching conditions for different operation modes.
| Modes | ZVS | ZCS (zero-current switching) | Hard switching |
|---|---|---|---|
| CCM1 | , , , , , | , | - |
| CCM2 | , , , | , | , |
| CCM3 | , | , , , | |
| DCM | , | , , , , , | - |
4. Validation by Experimental Test
4.1. Design Point
The analysis results in the last section can be used for a quick initial design of a secondary-side phase-shifted resonant converter. It is assumed that the converter to be investigated has the nominal specifications as: V, V, kHz, W. Usually the normalized switching frequency F is chosen to be larger than one, but close to one to achieve an inductive resonant current for the ZVS operation in the input bridge and will not bring up large circulation current at the same time. A large F will also result in a resonant tank with a large size. Hence, is selected in this design based on experience [20]. The quality factor Q is proportional to the size of the resonant inductor and has an effect on the rms resonant current. is chosen for the purpose of illustration. Since the converter with may work with ZVS for a wide range of load levels, the converter gain at nominal input voltage is selected at unity.
Therefore, the HF transformer turns ratio is calculated as: 1:n = : = 11:10. Additionally, the resonant tank can be found as:
4.2. Experimental Results
According to the initial design, a lab prototype converter is built and tested to validate the operation modes predicted theoretically. The specifications of the prototype are listed in Table 2. The converter is tested under different input voltages and different load levels. The test waveforms are shown in Figure 12, Figure 13, Figure 14, Figure 15, Figure 16, Figure 17 and Figure 18.
Table 2.
The specifications of the prototype.
| Parameters | Value |
|---|---|
| Nominal input voltage | 110 V |
| Maximum input voltage | 120 V |
| Minimum input voltage | 80 V |
| Output voltage | 100 V |
| Resonant inductor | 70.6 μH |
| Resonant capacitor | 43.4 nF |
| HF transformer | 11:10, core size: ETD39, material: N97 |
| Switching frequency | 100 kHz |
Figure 12.
Experimental plot at: V; V; W, CCM1 operation.
Figure 13.
Experimental plot at: V; V; W, CCM1 operation.
Figure 14.
Experimental plot at: V; V; W, nearly JCCM operation.
Figure 15.
Experimental plot at: V; V; W, CCM3 operation.
Figure 16.
Experimental plot at: V; V; W, DCM operation. (a) the HF inverter output voltage , the resonant current and the transformer voltage ; (b) the resonant capacitor voltage , the resonant current and the transformer voltage .
Figure 17.
Experimental plot at: V; V; W, CCM2 operation with .
Figure 18.
Experimental plot at: V; V; W, CCM2 operation with .
Figure 12 presents the operation with V, V, W. This case belongs to the CCM1 operation at . It has been proven that CCM1 is the only mode existing when converter gain is unity. It can be seen that , and all switches can be turned on with zero voltage regardless of load level.
The test case in Figure 13 and Figure 14 is obtained under V, V, with the converter gain d increased to 1.1. The operation in Figure 13 is also the CCM1 operation for a full load. When the load level is reduced to near half load, the JCCM operation is observed, which is shown in Figure 14, in which the resonant current is in phase with .
Both DCM and CCM3 can be observed only at high converter gain and low load. Shown in Figure 15, the waveforms of CCM3 are captured at V and 30% load. The resonant current in the last interval of each half HF period is quite small, whose magnitude is design dependent. The transformer voltage during the small current duration is zero for CCM3.
When the input voltage is reduced to 80 V (i.e., ) and the load level is 15%, the converter is working in DCM, as shown in Figure 16. In Figure 16a, two things are found not to match the theoretical prediction depicted in Figure 7. One is that the resonant current does not remain zero for a small duration in each half period. The other is that the transformer voltage is not stable in the expected zero-current duration. The main reason is due to the non-ideal HF transformer and other HF-sensitive parasitic components (such as the parasitic capacitance of the diodes), which has resonance with the series resonant tank during the interval, which is supposed to have no current theoretically. The new resonance current itself is small, which has less contribution to the power transfer. However, the small resonant current with higher frequency oscillation results in the fluctuation of voltage across . Thus, although is almost clamped as constant (shown in Figure 16b), still has a large variation. To reduce such deviation, improvements on the PCB design and device specification should be helpful.
The operation waveforms of CCM2 at are illustrated in Figure 17 and Figure 18, which are measured with the maximum input voltage V. For the 90% load test shown in Figure 17, phase-shift ϕ is positive and almost the same as β, so that the transformer voltage is a square wave and in phase with the resonant current. In the 40% load condition of shown in Figure 18, ϕ has to be reduced to negative to maintain the output voltage as constant.
5. Conclusions
In this paper, operation modes of a secondary-side phase-shifted resonant converter are identified and discussed deeply. It is pointed out that different operation modes result from the variations of converter gain, load level and the converter specifications. Equivalent circuit and subintervals in each operation mode are given and explained in detail. The steady state of all continuous current modes is analyzed uniformly using FHA. Through the evaluation of resonant current at different switching points, the soft switching conditions of all switches can be found. The boundary condition between different modes is identified, too, and illustrated with some examples graphically. The steady-state analysis results are also utilized to give a fast design of the secondary-side phase-shifted resonant converter. A lab prototype converter is then built based on the design. Different predicted operation modes are then verified through actual measurements on the prototype converter. Similar to the non-resonant version [23], this converter is attractive for a high output voltage, low current application. Due to many operation modes being available in this converter, it is not easy to make an optimized design. This work can be used as a theoretical reference for engineers to make better use of the converter or a particular application through a customized design.
Acknowledgments
This work was supported by the Science and Technology Development Fund (FDCT) of Macau Special Administrative Region under Grant Agreement No. 094/2013/A3.
Author Contributions
Song Hu did most of the theoretical analysis, derivation, circuit implementation and paper writing. Xiaodong Li is responsible for planning, coordination and proof reading. Ming Lu did the FPGA programming work for the experimental test. Bo-Yue Luan made contributions though programming in MATLAB and circuit implementation.
Conflicts of Interest
The authors declare no conflict of interest.
References
- Dudrik, J.; Trip, N.D. Soft-switching PS-PWM DC-DC converter for full-load range applications. IEEE Trans. Ind. Appl. 2010, 57, 2807–2814. [Google Scholar] [CrossRef]
- Chen, B.Y.; Lai, Y.S. Switching control technique of phase-shift-controlled full-bridge converter to improve efficiency under light-load and standby conditions without additional auxilary components. IEEE Trans. Power Electron. 2010, 25, 1001–1012. [Google Scholar] [CrossRef]
- Lee, I.O.; Moon, G.W. Phase-shifted PWM converter with a wide ZVS range and reduced circulating current. IEEE Trans. Power Electron. 2013, 28, 908–919. [Google Scholar] [CrossRef]
- Bakan, A.F.; Altinas, N.; Aksoy, I. An improved PSFB PWM DC-DC converter for high-power and frequency applications. IEEE Trans. Power Electron. 2013, 28, 64–74. [Google Scholar] [CrossRef]
- Gautam, D.S.; Bhat, A.K.S. A comparison of soft-switched DC-to-DC converters for electrolyzer application. IEEE Trans. Power Electron. 2013, 28, 54–63. [Google Scholar] [CrossRef]
- Li, H.Y.; Li, X.D.; Lu, M.; Hu, S. A linearized large signal model of an LCL-type resonant converter. Energies 2015, 8, 1848–1864. [Google Scholar] [CrossRef]
- Li, X.D.; Bhat, A.K.S. A comparison study of high-frequency isolated DC/AC converter employing an unfolding LCI for grid-connected alternative energy applications. IEEE Trans. Power Electron. 2014, 29, 3930–3941. [Google Scholar] [CrossRef]
- Li, X.D.; Bhat, A.K.S. Grid connection using a high-frequency isolated DC/AC module for hybrid power systems. Electr. Power Compon. Syst. 2014, 42, 1334–1343. [Google Scholar] [CrossRef]
- Pitel, I.J. Phase-modulated resonant power conversion techniques for high-frequency link inverters. IEEE Trans. Ind. Appl. 1986, 6, 1044–1051. [Google Scholar] [CrossRef]
- De Doncker, R.W.; Divan, D.M.; Kheraluwala, M.H. A three-phase soft-switched high power density DC/DC converter for high power applications. IEEE Trans. Ind. Appl. 1991, 27, 63–73. [Google Scholar] [CrossRef]
- Kheraluwala, M.H.; Gascoigne, R.; Divan, D.M.; Baumann, E. Performance characterization of a high power dual active bridge DC-to-DC converter. IEEE Trans. Ind. Appl. 1992, 28, 1294–1301. [Google Scholar] [CrossRef]
- Inoue, S.; Akagi, H. A bidirectional isolated DC-DC converter as a core circuit of the next-generation medium-voltage power conversion system. IEEE Trans. Power Electron. 2007, 22, 535–542. [Google Scholar] [CrossRef]
- Xiao, H.; Xie, S. A ZVS bidirectional DC-DC converter with phase-shift plus PWM control scheme. IEEE Trans. Power Electron. 2008, 23, 813–823. [Google Scholar] [CrossRef]
- Xiao, H.; Xie, S. Eliminate reactive power and increase system efficiency of isolated bidirectional dual-active-bridge DC-DC converters using novel dual-phase-shift Control. IEEE Trans. Power Electron. 2008, 23, 2905–2814. [Google Scholar] [CrossRef]
- Li, X.D.; Li, Y.F. An optimized phase-shift modulation for fast transient response in a dual-active-bridge converter. IEEE Trans. Power Electron. 2014, 29, 2661–2665. [Google Scholar] [CrossRef]
- Shi, X.L.; Jiang, J.C.; Guo, X.T. An efficiency-optimized isolated bidirectional DC-DC converter with extended power range for energy storage systems in microgrids. Energies 2013, 6, 27–44. [Google Scholar] [CrossRef]
- Hiltunen, J.; Vaisanen, V.; Juntunen, R.; Silventoinen, P. Variable-frequency phase shift modulation of a dual active bridge converter. IEEE Trans. Power Electron. 2015, 30, 7138–7148. [Google Scholar] [CrossRef]
- Wu, H.F.; Chen, L.Q.; Xing, Y. Secondary-side phase-shift-controlled dual-transformer-based asymmetrical dual-bridge converter with wide voltage gain. IEEE Trans. Power Electron. 2015, 30, 5381–539. [Google Scholar] [CrossRef]
- Zhao, B.; Song, Q.; Liu, W.H. Power characterization of isolated bidirectional dual-active-bridge DC-DC converter With dual-phase-shift control. IEEE Trans. Power Electron. 2012, 27, 4172–4176. [Google Scholar] [CrossRef]
- Li, X.D.; Bhat, A.K.S. Analysis and design of high-frequency isolated dual-bridge series resonant DC/DC converter. IEEE Trans. Power Electron. 2010, 25, 850–862. [Google Scholar] [CrossRef]
- Corradini, L.; Seltzer, D.; Bloomquist, D.; Zane, R.; Maksimovic, D.; Jacobson, B. Minimum current operation of bidirectional dual-bridge series resonant DC/DC converters. IEEE Trans. Power Electron. 2012, 27, 3266–3276. [Google Scholar] [CrossRef]
- Hu, G.Y.; Li, X.D.; Luan, B.Y. A generalized approach for the steady-state analysis of dual-bridge resonant converters. Energies 2014, 7, 7915–7935. [Google Scholar] [CrossRef]
- Zhang, J.; Zhang, F.; Xie, X.; Jiao, D.; Qian, Z. A novel ZVS DC/DC converter for high power applications. IEEE Trans. Power Electron. 2004, 19, 420–429. [Google Scholar] [CrossRef]
- Mishima, T.; Nakaoka, N. Practical evaluation of a ZVS-PWM DC-DC converter with secondary-side phase-shifting active rectifier. IEEE Trans. Power Electron. 2011, 26, 3896–3907. [Google Scholar] [CrossRef]
- Mishima, T.; Akamatsu, K.; Nakaoka, N. A high frequncy-lin secondary-side phase-shifted full-range soft-switching PWM DC-DC converter with ZCS active rectifier for EV battery chanrger. IEEE Trans. Power Electron. 2013, 28, 420–429. [Google Scholar] [CrossRef]
- Li, W.; Zong, S.; Liu, F.; Yang, H.; He, X.; Wu, B. Secondary-side phase-shift-controlled ZVS DC/DC converter with wide voltage gain for hig input voltage applications. IEEE Trans. Power Electron. 2013, 28, 5128–5139. [Google Scholar] [CrossRef]
- Hu, S.; Lu, M.; Li, X.D. Continuous-current mode operation of a semi-dual-bridge resonant converter. In Proceedings of the 9th International Conference on Power Electronics (ICPE-ECCE Asia), Seoul, 1–5 June 2015.
© 2015 by the authors; licensee MDPI, Basel, Switzerland. This article is an open access article distributed under the terms and conditions of the Creative Commons by Attribution (CC-BY) license (http://creativecommons.org/licenses/by/4.0/).