A New Two-Stage Multiple-Parallel-Channel LED Driver Using a CLL-C Resonant Converter and Time Division Control Technique
Abstract
1. Introduction
2. Operating Principle
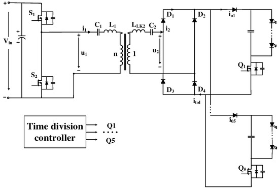
2.1. The Structure of the Proposed Converter
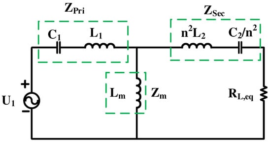
2.2. First Harmonic Approximation Analysis
2.3. Working Principle of Proposed Converter
2.4. Operation Principle of the Time Division Multiplex Control (TDMC) Technique
3. Design Consideration
3.1. The Current Gain, the Magnetizing Inductance and Turns-Ratio of the Transformer
3.2. The Resonant Inductor and Capacitor
3.3. The Dead-Time of the Switches and ZVS Condition
3.4. Minimum Frequency Analysis and Switching Behavior
4. Experimental Results
5. Comparison
6. Conclusions
Author Contributions
Funding
Data Availability Statement
Conflicts of Interest
References
- Bhattarai, T.; Ebong, A.; Raja, M.Y.A. A Review of Light-Emitting Diodes and Ultraviolet Light-Emitting Diodes and Their Applications. Photonics 2024, 11, 491. [Google Scholar] [CrossRef]
- Zissis, G.; Bertoldi, P.; Ribeiro Serrenho, T. Update on the Status of LED-Lighting World Market Since 2018; Publications Office of the European Union: Luxembourg, 2021. [Google Scholar]
- Babris, J.; Avotins, A. Research on Direct Current Power Supply Grid Implementatiopn in Riga Street Lighting System. In Proceedings of the 2022 IEEE 63rd International Scientific Conference on Power and Electrical Engineering of Riga Technical University (RTUCON), Riga, Latvia, 10–12 October 2022; pp. 1–6. [Google Scholar] [CrossRef]
- Gücin, T.N.; Fincan, B.; Biberoğlu, M. A Series Resonant Converter-Based Multichannel LED Driver with Inherent Current Balancing and Dimming Capability. IEEE Trans. Power Electron. 2019, 34, 693–2703. [Google Scholar] [CrossRef]
- Meraj, M.; Rahman, S.; Iqbal, A.; Ben-Brahim, L. High Brightness and High Voltage Dimmable LED Driver for Advanced Lighting System. IEEE Access 2019, 7, 95643–95652. [Google Scholar] [CrossRef]
- Khatua, M.; Kumar, A.; Yousefzadeh, V.; Sepahvand, A.; Doshi, M.; Maksimović, D.; Afridi, K.K. High-Performance Megahertz-Frequency Resonant DC–DC Converter for Automotive LED Driver Applications. IEEE Trans. Power Electron. 2020, 35, 10396–10412. [Google Scholar] [CrossRef]
- Li, Y.; Hu, J.; Li, X.; Chen, F.; Xu, Q.; Mai, R.; He, Z. Analysis, Design, and Experimental Verification of a Mixed High-Order Compensations-Based WPT System with Constant Current Outputs for Driving Multistring LEDs. IEEE Trans. Ind. Electron. 2020, 67, 203–213. [Google Scholar] [CrossRef]
- Teixeira, L.; Loose, F.; Alonso, J.M.; Barriquello, C.H.; Reguera, V.A.; Costa, M.A.D. A Review of Visible Light Communication LED Drivers. IEEE J. Emerg. Sel. Top. Power Electron. 2022, 10, 919–933. [Google Scholar] [CrossRef]
- Wu, X.; Hu, C.; Zhang, J.; Qian, Z. Analysis and design considerations of LLCC resonant multioutput dc/dc LED driver with charge balancing and exchanging of secondary series resonant capacitors. IEEE Trans. Power Electron. 2015, 30, 780–789. [Google Scholar] [CrossRef]
- Baddela, S.M.; Zinger, D.S. Parallel Connected LEDs Operated at High Frequency to Improve Current Sharing. In Proceedings of the 2004 IEEE Industry Applications Conference, 39th IAS Annual Meeting, Seattle, WA, USA, 3–7 October 2004; pp. 1677–1681. [Google Scholar]
- Zhang, J.; Xu, L.; Wu, X.; Qian, Z. A Precise Passive Current Balancing Method for Multioutput LED Drivers. IEEE Trans. Power Electron. 2011, 26, 2149–2159. [Google Scholar] [CrossRef]
- Song, S.; Ni, K.; Chen, G.; Hu, Y.; Yu, D. Multi-Output LED Driver Integrated with 3-Switch Converter and Passive Current Balance for Portable Applications. J. Power Electron. 2019, 19, 58–67. [Google Scholar] [CrossRef]
- Hwu, K.I.; Chou, S.-C. A Simple Current-Balancing Converter for LED Lighting. In Proceedings of the Twenty-Fourth Annual IEEE Applied Power Electronics Conference and Exposition, Washington, DC, USA, 15–19 February 2009; pp. 587–590. [Google Scholar]
- Jung, K.; Yoo, J.; Park, C. Design and Implementation of a Current-balancing Circuit for LED Security Lights. J. Power Electron. 2012, 12, 869–877. [Google Scholar] [CrossRef]
- He, Q.; Luo, Q.; Huang, J.; Cao, C.; Sun, P.; Du, X. LCL-T resonant network-based modular multi-channel constant-current LED driver analysis and design. J. Power Electron. 2020, 20, 1616–1628. [Google Scholar] [CrossRef]
- He, Q.; Luo, Q.; Huang, J.; Cao, C.; Sun, P. Analysis and design of modular open-loop LED driver with multi-channel output currents. IET Power Electron. 2019, 12, 1721–1729. [Google Scholar] [CrossRef]
- Chen, X.; Huang, D.; Li, Q.; Lee, F.C. Multi-Channel LED Driver with CLL Resonant Converter. In Proceedings of the 2014 IEEE Energy Conversion Congress and Exposition (ECCE), Pittsburgh, PA, USA, 14–18 September 2014; pp. 3599–3606. [Google Scholar] [CrossRef]
- Hu, Y.; Jovanović, M.M. A New Current-Balancing Method for Paralleled LED Strings. In Proceedings of the 2011 Twenty-Sixth Annual IEEE Applied Power Electronics Conference and Exposition (APEC), Fort Worth, TX, USA, 6–11 March 2011; pp. 705–712. [Google Scholar] [CrossRef]
- Sedghi, H.; Sarvi, M. A combined capacitor current balancing method with weighting factor control for multi-string LED drivers. IET Circuits Devices Syst. 2023, 17, 135–148. [Google Scholar] [CrossRef]
- Li, D.; Lu, Y.; Ge, X. Fuzzy self-tuning PID control of MC3 LLC resonant LED drivers. J. Power Electron. 2021, 21, 782–791. [Google Scholar] [CrossRef]
- Mukherjee, S.; Yousefzadeh, V.; Sepahvand, A.; Doshi, M.; Maksimović, D. A Two-Stage Automotive LED Driver with Multiple Outputs. IEEE Trans. Power Electron. 2021, 36, 14175–14186. [Google Scholar] [CrossRef]
- Molavi, N.; Farzanehfard, H. Load-Independent Hybrid Resonant Converter for Automotive LED Driver Ap-plications. IEEE Trans. Power Electron. 2022, 37, 8199–8206. [Google Scholar] [CrossRef]
- Chen, S.; Chen, Y.; Zhang, B.; Qiu, D. Very-High-Frequency Resonant Dual-Channel LED Driver With Capacitive Current Balance and Low Voltage Stress on Diodes. IEEE Trans. Power Electron. 2023, 38, 15032–15044. [Google Scholar] [CrossRef]
- He, Q.; Luo, Q.; Wei, Y.; Sun, P. A Variable Inductor Controlled Single-Stage AC/DC Converter for Modular Multi-Channel LED Driver. IEEE Trans. Energy Convers. 2021, 36, 2912–2923. [Google Scholar] [CrossRef]
- Hwang, S.-S.; Hwang, W.-S.; Han, S.-K. Cost-Effective Single Switch Multi-Channel LED Driver. J. Power Electron. 2015, 15, 319–326. [Google Scholar] [CrossRef]
- Chen, H.; Zhang, Y.; Ma, D. A SIMO Parallel-String Driver IC for Dimmable LED Backlighting with Local Bus Voltage Optimization and Single Time-Shared Regulation Loop. IEEE Trans. Power Electron. 2012, 27, 452–462. [Google Scholar] [CrossRef]
- Kim, H.C.; Yoon, C.S.; Jeong, D.K.; Kim, J. A Single-Inductor, Multiple-Channel Current-Balancing LED Driver for Display Backlight Applications. IEEE Trans. Ind. App. 2014, 50, 4077–4081. [Google Scholar] [CrossRef]
- Luo, Q.; Zhu, B.; Lu, W.; Zhou, L. High Step-Down Multiple-Output LED Driver with the Current Auto-Balance Characteristic. J. Power Electron. 2012, 12, 519–527. [Google Scholar] [CrossRef]
- Jha, A.; Singh, B. A Bridgeless Boost PFC Converter Fed LED Driver for High Power Factor and Low THD. In Proceedings of the 2018 IEEMA Engineer Infinite Conference (eTechNxT), New Delhi, India, 13–14 March 2018; pp. 1–6. [Google Scholar] [CrossRef]
- Zu, A.; Luo, Q.; Huang, J.; He, Q.; Sun, P.; Du, X. Analysis and design of a multi-channel constant current LED driver based on DC current bus distributed power system structure. IET Power Electron. 2020, 13, 627–635. [Google Scholar] [CrossRef]
- Yau, Y.-T.; Hwu, K.-I.; Tsai, Y.-D. Development of Four-Channel Buck-Type LED Driver with Automatic Current Sharing. Energies 2021, 14, 7844. [Google Scholar] [CrossRef]
- Jiang, W.Z.; Hwu, K.I.; Shieh, J.J. Four-channel buck-type LED driver with automatic current sharing and soft switching. Appl. Sci. 2022, 12, 5842. [Google Scholar] [CrossRef]
- Xue, L.L.; Ozpineci, B. Adaptive Time-Division Multiplexing Driving System for Solid State Lighting with Multiple Tunable Channels. In Proceedings of the 2021 IEEE Applied Power Electronics Conference and Exposition (APEC), Phoenix, AZ, USA, 14–17 June 2021; pp. 2830–2835. [Google Scholar]
- Zain, M.; Iqbal, S.; Siddique, N. Non-Isolated LED Driver for Industrial Lighting Applications. In Proceedings of the 2023 International Conference on Energy, Power, Environment, Control, and Computing (ICEPECC), Gujrat, Pakistan, 8–9 March 2023; pp. 1–6. [Google Scholar] [CrossRef]
- Esteki, M.; Khajehoddin, S.A.; Safaee, A.; Li, Y. LED Systems Applications and LED Driver Topologies: A Review. IEEE Access 2023, 11, 38324–38358. [Google Scholar] [CrossRef]















| Symbol | Meaning | Value |
|---|---|---|
| Output power rating | 200 W | |
| Input voltage | 400 VDC | |
| LED string voltage | 66.6 V | |
| LED string current | 0.57 A | |
| Switching frequency | 100 kHz | |
| Constant current resonant frequency | 100 kHz | |
| Primary-side inductor | 110 µH | |
| Secondary-side leakage inductor | 10 µH | |
| Magnetizing inductor | 330 µH | |
| Primary resonant capacitor | 5.9 nF | |
| Secondary resonant capacitor | 1.9 nF | |
| / | First-stage switches (MOSFETs) | STB13NM50N |
| – | Second-stage switches (MOSFETs) | STD45N10F7 |
| Model No | [V] | [ohm] | [nC] | [pF] | [pF] |
|---|---|---|---|---|---|
| STB13NM50N | 500 | 0.25 | 30 | 960 | 50 |
| STD45N10F7 | 100 | 0.018 | 25 | 1640 | 360 |
| Topology | Number of Channels | Number of Components (S/D/I/T/C/Tot) | Soft Switching | Maximum Efficiency (%) |
|---|---|---|---|---|
| [16] | 3 | 2/12/6/1/6/27 | No | 92.8 |
| [30] | 3 | 4/4/1/1/4/14 | No | 88.4 |
| [31] | 4 | 4/6/3/0/7/19 | No | 90.8 |
| [14] | 8 | 2/32/0/7//9/50 | ZVS | 84 |
| [17] | 10 | 3/11/3/5/17/39 | ZVS | 94.8 |
| [15] | 5 | 4/20/10/1/11/46 | ZVS | 92.25 |
| [32] | 6 | 6/6/6/3/17/38 | ZVS-ZCS | 91.78 |
| The proposed | 5 | 7/9/1/1/7/25 | ZVS-ZCS | 95.05 |
Disclaimer/Publisher’s Note: The statements, opinions and data contained in all publications are solely those of the individual author(s) and contributor(s) and not of MDPI and/or the editor(s). MDPI and/or the editor(s) disclaim responsibility for any injury to people or property resulting from any ideas, methods, instructions or products referred to in the content. |
© 2025 by the authors. Licensee MDPI, Basel, Switzerland. This article is an open access article distributed under the terms and conditions of the Creative Commons Attribution (CC BY) license (https://creativecommons.org/licenses/by/4.0/).
Share and Cite
Tran, D.H.; Waheed, Z.; Choi, W. A New Two-Stage Multiple-Parallel-Channel LED Driver Using a CLL-C Resonant Converter and Time Division Control Technique. Energies 2025, 18, 1215. https://doi.org/10.3390/en18051215
Tran DH, Waheed Z, Choi W. A New Two-Stage Multiple-Parallel-Channel LED Driver Using a CLL-C Resonant Converter and Time Division Control Technique. Energies. 2025; 18(5):1215. https://doi.org/10.3390/en18051215
Chicago/Turabian StyleTran, Duc Hung, Zeeshan Waheed, and Woojin Choi. 2025. "A New Two-Stage Multiple-Parallel-Channel LED Driver Using a CLL-C Resonant Converter and Time Division Control Technique" Energies 18, no. 5: 1215. https://doi.org/10.3390/en18051215
APA StyleTran, D. H., Waheed, Z., & Choi, W. (2025). A New Two-Stage Multiple-Parallel-Channel LED Driver Using a CLL-C Resonant Converter and Time Division Control Technique. Energies, 18(5), 1215. https://doi.org/10.3390/en18051215

