Leveraging AI for Sustainable Energy Development in Solar Power Plants Operating Under Shading Conditions
Abstract
1. Introduction
2. PV Systems and Shading Conditions
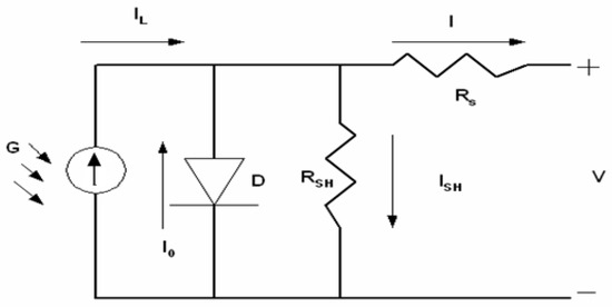
2.1. PV Cell Model
2.2. The Effect of Partial and Full Shading on Energy Production
- 1.
- For a module angle of 30°:
- Snowfall depth greater than 1” results in a 45% daily energy loss.
- Snowfall depth less than 1” results in an 11% daily energy loss.
- 2.
- For a module angle of 40°:
- Snowfall depth greater than 1” results in a 26% daily energy loss.
- Snowfall depth less than 1” results in a 5% daily energy loss.
2.3. The Application of an MPPT Method
3. Related Works: The Application of AI in PV Systems
3.1. The Role of AI in MPPT Algorithms
3.2. Solar Power Generation and Sustainable Development
4. Monthly Power Production of the Case Study
- A system designed without MPPT.
- A system equipped with MPPT.
- Scenario 1. PV arrays without MPPT
- Scenario 2. PV arrays equipped with an MPPT control system.
5. Discussion of Results
5.1. Hypothesis Testing for Both PV Systems: With and Without MPPTs
5.2. Comparison with Other Methods
5.3. AI-Based Approaches and Sustainable Development
6. Conclusions
Author Contributions
Funding
Data Availability Statement
Conflicts of Interest
References
- Sharma, V.; Gupta, A.K.; Raj, A.; Verma, S.K. AI-Driven MPPT: A Paradigm Shift in Solar PV Systems for Achieving maximum Efficiency. In Proceedings of the 2024 International Conference of Adisutjipto on Aerospace Electrical Engineering and Informatics (ICAAEEI), Yogyakarta, Indonesia, 11–12 December 2024. [Google Scholar]
- Govindasamy, M.; Cyril Mathew, O.; Kumar Boopathi, M.; Chandran, G. Iot and AI-Based MPPT Techniques for Hybrid Solar and Fuel Cell. Electr. Power Compon. Syst. 2024, 1–21. [Google Scholar] [CrossRef]
- Arsad, A.Z.; Azhar, A.D.; Arsad, S.R.; Zuhdi, A.W.M.; Chau, C.F.; Ghazali, A. Towards artificial intelligence for solar charge controller: An analytical study of recent status, optimization and module development. Energy Syst. 2025, 1–54. [Google Scholar] [CrossRef]
- Reisi, R.A.; Moradi, M.H.; Jamasb, S. Classification and comparison of maximum power point tracking techniques for photovoltaic system: A review. Renew. Sustain. Energy Rev. 2013, 19, 433–443. [Google Scholar] [CrossRef]
- Alsayid, B.A.; Alsadi, S.Y.; Jallad, J.F.S.; Dradi, M.H. Partial Shading of PV System Simulation with Experimental Results. Smart Grid Renew. Energy 2013, 4, 429–435. [Google Scholar] [CrossRef]
- Ramabadran, R.; Mathur, B. MATLAB Based Modelling and Performance Study of Series Connected SPVA under Partial Shaded Conditions. Sustain. Dev. 2009, 2, 10. [Google Scholar] [CrossRef]
- Khosrojerdi, F.; Gagnon, S.; Valverde, R. Identifying Influential Factors Affecting the Shading of a Solar Panel. In Proceedings of the 2021 IEEE Electrical Power and Energy Conference (EPEC), Toronto, ON, Canada, 22–31 October 2021; pp. 255–260. [Google Scholar] [CrossRef]
- Khosrojerdi, F.; Gagnon, S.; Valverde, R. Full Shading for Photovoltaic Systems Operating under Snow Conditions. In Proceedings of the 2021 IEEE 9th International Conference on Smart Energy Grid Engineering (SEGE), Oshawa, ON, Canada, 11–13 August 2021; pp. 82–87. [Google Scholar] [CrossRef]
- System Advisor Model (SAM). NREL. Available online: https://sam.nrel.gov/ (accessed on 21 January 2025).
- Andrews, R.W.; Pollard, A.; Pearce, J.M. The effects of snowfall on solar photovoltaic performance. Sol. Energy 2013, 92, 84–97. [Google Scholar] [CrossRef]
- Khosrojerdi, F.; Gagnon, S.; Valverde, R. Proposing an Ontology Model for Planning Photovoltaic Systems. Mach. Learn. Knowl. Extr. 2021, 3, 582–600. [Google Scholar] [CrossRef]
- Santhiya, R.; Senthilnathan, A.; Chinnaiyan, V.K.; Priya, R.N. Grid Connected Multilevel Inverter and MPPT for Photovoltaic System. In Proceedings of Power Electronics and Renewable Energy Systems (ICPERES2014); Springer: New Delhi, India, 2015; Volume 3, pp. 201–211. [Google Scholar]
- Liu, Y.H.; Huang, S.C.; Huang, J.W.; Liang, W.C. A Particle Swarm Optimization-Based Maximum Power Point Tracking Algorithm for PV Systems Operating Under Partially Shaded Conditions. IEEE Trans. Energy Convers. 2012, 27, 1027–1035. [Google Scholar] [CrossRef]
- Jordehi, A.R. Maximum power point tracking in photovoltaic (PV) systems: A review of different approaches. Renew. Sustain. Energy Rev. 2016, 65, 1127–1138. [Google Scholar] [CrossRef]
- Na, W.; Carley, T.; Ketcham, L.; Zimmer, B.; Chen, P. Simple DSP Implementation of Maximum Power Pointer Tracking and Inverter Control for Solar Energy Applications. J. Power Energy Eng. 2016, 4, 61–76. [Google Scholar] [CrossRef]
- Energy Harvesting: Solar. Texas Instruments. 2017. Available online: www.ti.com/solar (accessed on 21 January 2025).
- Sridhar, R.; Jeevananthan, S.; Dash, S.S.; Selvan, N.T. Unified MPPT Controller for Partially Shaded Panels in a Photovoltaic Array. Int. J. Autom. Comput. 2015, 11, 536–542. [Google Scholar] [CrossRef]
- Guaita-Pradas, I.; Marques-Perez, I.; Gallego, A.; Segura, B. Analyzing territory for the sustainable development of solar photovoltaic power using GIS databases. Environ. Monit. Assess 2019, 191, 764. [Google Scholar] [CrossRef]
- Pierdicca, R.; Paolanti, M.A.; Piccinini, F.; Zingaretti, P. Automatic faults detection of photovoltaic farms: SolAIr, a deep learning-based system for thermal images. Energies 2020, 13, 6496. [Google Scholar] [CrossRef]
- Cordeiro-Costas, M.; Villanueva, D.; Eguía-Oller, P.; Granada-Álvarez, E. Machine learning and deep learning models applied to photovoltaic production forecasting. Appl. Sci. 2022, 12, 8769. [Google Scholar] [CrossRef]
- Akpahou, R.; Mensah, L.D.; Quansah, D.A.; Kemausuor, F. Energy planning and modeling tools for sustainable development: A systematic literature review. Energy Rep. 2024, 11, 830–845. [Google Scholar] [CrossRef]
- Hannan, M.A.; Al-Shetwi, A.Q.; Ker, P.J.; Begum, R.A.; Mansor, M.; Rahman, S.A.; Dong, Z.Y.; Tiong, S.K.; Mahlia, T.M.I.; Muttaqi, K.M. Impact of renewable energy utilization and artificial intelligence in achieving sustainable development goals. Energy Rep. 2021, 7, 5359–5373. [Google Scholar] [CrossRef]
- Khan, M.; Raza, M.A.; Faheem, M.; Sarang, S.A.; Panhwar, M.; Jumani, T.A. Conventional and artificial intelligence based maximum power point tracking techniques for efficient solar power generation. Eng. Rep. 2024, 6, e12963. [Google Scholar] [CrossRef]
- Joshi, P.; Arora, S. Maximum power point tracking methodologies for solar PV systems—A review. Renew. Sustain. Energy Rev. 2017, 70, 1154–1177. [Google Scholar] [CrossRef]
- Gupta, A.; Chauhan, Y.K.; Pachauri, R.K. A comparative investigation of maximum power point tracking methods for solar PV system. Sol. Energy 2016, 136, 236–253. [Google Scholar] [CrossRef]
- Mirjalili, S.; Mirjalili, S.M. Grey Wolf Optimizer. Adv. Eng. Softw. 2014, 69, 46–61. [Google Scholar] [CrossRef]
- Tripathi, A.K.; Aruna, M.; Elumalai, P.V.; Karthik, K.; Khan, S.A.; Asif, M.; Rao, K.S. Advancing solar PV panel power prediction: A comparative machine learning approach in fluctuating environmental conditions. Case Stud. Therm. Eng. 2024, 59, 104459. [Google Scholar] [CrossRef]
- Elbaset, A.A.; Hussein, A.E.; Brisha, A.; Mostafa, R.E. Implementation of a PIC-based, Photovoltaic Maximum Power Point Tracking Control System. Int. J. Emerg. Technol. Adv. Eng. 2014, 4, 10. [Google Scholar]
- Shenoy, P.S.; Kim, K.A. Differential power processing for increased energy production and reliability of photovoltaic systems. IEEE Trans. Power Electron. 2013, 68, 2968–2979. [Google Scholar] [CrossRef]
- UN. The Sustainable Development Goals Report 2020; Department Goals Report; UN: New York, NY, USA, 2020; ISBN 9789210049603. [Google Scholar]
- Singh, A.; Kanaujia, A.; Singh, V.K.; Vinuesa, R. Artificial intelligence for SUSTAINABLE DEVELOPMENT GOALS: Bibliometric patterns and concept evolution trajectories. Sustain. Dev. 2023, 32, 724–754. [Google Scholar] [CrossRef]
- Brunet, C.; Savadogo, O.; Baptiste, P.; Bouchard, M.A.; Rakotoary, J.C.; Ravoninjatovo, A.; Cholez, C.; Gendron, C.; Merveille, N. Impacts Generated by a Large-Scale Solar Photovoltaic Power Plant Can Lead to Conflicts between Sustainable Development Goals: A Review of Key Lessons Learned in Madagascar. Sustainability 2020, 12, 7471. [Google Scholar] [CrossRef]
- Izam, N.S.M.N.; Itam, Z.; Sing, W.L.; Syamsir, A. Sustainable Development Perspectives of Solar Energy Technologies with Focus on Solar Photovoltaic—A Review. Energies 2022, 15, 2790. [Google Scholar] [CrossRef]
- Khosrojerdi, F.; Akhigbe, O.; Gagnon, S.; Ramirez, A.; Richards, G. Integrating artificial intelligence and analytics in smart grids: A systematic literature review. Int. J. Energy Sect. Manag. 2022, 16, 318–338. [Google Scholar]
- Rusilowati, U.; Rasmita Ngemba, H.; Wahyudin Anugrah, R.; Fitriani, A.; Dian Astuti, E. Leveraging AI for Superior Efficiency in Energy Use and Development of Renewable Resources such as Solar Energy, Wind, and Bioenergy. Int. Trans. Artif. Intell. (ITALIC) 2024, 2, 114–120. [Google Scholar] [CrossRef]
- Panda, S.N.; Saikia, R.; Sagar, S.; Swamy, G.N.; Panotra, N.; Yadav, K.; Singh, B.V.; Rathi, S.; Singh, R.; Pandey, S.K. Solar Energy’s Role in Achieving Sustainable Development Goals in Agriculture. Int. J. Environ. Clim. Change 2024, 14, 10–31. [Google Scholar] [CrossRef]
- Khosrojerdi, F. An Ontology-Based Decision-Making Framework Modeling Power Efficiency for Photovoltaic Systems; Université du Québec en Outaouais: Gatineau, QC, Canada, 2020. [Google Scholar]
- Freeman, J.; Whitmore, J.; Blair, N.; Dobos, A.P. Validation of Multiple Tools for Flat Plate Photovoltaic Modeling Against Measured Data; NREL: Golden, CO, USA, 2014. [Google Scholar]
- Freeman, J.; Whitmore, J.; Kaffine, L.; Blair, N.; Dobos, A.P. System Advisor Model: Flat Plate Photovoltaic Performance Modeling Validation Report; NREL/TP-6A20-60204; NREL: Golden, CO, USA, 2013. [Google Scholar] [CrossRef]
- Bourne, B. PVSim and Solar Energy System Performance Modeling; SunPower Corporation: Pune, India, 2009. [Google Scholar]
- Klise, G.; Freeman, J.; Lavrova, O.; Gooding, R. PV-RPM v2.0 Beta—SAM Implementation DRAFT User Instructions; Sandia National Laboratories & National Renewable Energy Laboratory: Albuquerque, NM, USA, 2017. [Google Scholar]
- NREL. PV Case Studies and Validation. NREL PV Validation 2013. Available online: https://sam.nrel.gov/photovoltaic/pv-validation.html (accessed on 28 July 2021).




| Technical Term | Value |
|---|---|
| Nominal Efficiency | 19.02% |
| Maximum Power (Pmp) | 310.149 (W)dc |
| Maximum Power Voltage (Vmp) | 54.7 (V)dc |
| Maximum Power Current (Imp) | 5.7 (A)dc |
| Open Circuit Voltage (Voc) | 64.4 (V)dc |
| Short Circuit Current (Isc) | 6.0 (A)dc |
| Length × Width | 1.559 × 1.046 (m2) |
| Technical Term | Value |
|---|---|
| Nameplate DC | 408.3 DC (kW) |
| Modules—number and type | 1323 (SunPower SPR-E19-310-COM) |
| Strings | 162 |
| Modules per string | 8 |
| Inverters—number and type | 1 (SC2500U) |
| Number of strings | 63 |
| Technical Term | Value |
|---|---|
| Nameplate DC | 410.33 DC (kW) |
| Modules—number and type | 1323 (SunPower SPR-E19-310-COM) |
| Strings | 63 |
| Modules per string | 21 |
| Inverters—number and type | 1 (SC2500U) |
| Number of strings | 63 |
| MPPT voltage range | 800–1500 (V) DC |
| With MPPTs | Without MPPTs | |
|---|---|---|
| Mean | 62,969.37 | 52,092.4 |
| Variance | 286,554,699.79 | 214,483,699.21 |
| Pearson correlation | 0.9683194 | |
| t stat | 8.2306124 | |
| P (T ≤ t) one-tail | 2.4902145 × 10−6 | |
| T critical one-tail | 1.7958848 | |
Disclaimer/Publisher’s Note: The statements, opinions and data contained in all publications are solely those of the individual author(s) and contributor(s) and not of MDPI and/or the editor(s). MDPI and/or the editor(s) disclaim responsibility for any injury to people or property resulting from any ideas, methods, instructions or products referred to in the content. |
© 2025 by the authors. Licensee MDPI, Basel, Switzerland. This article is an open access article distributed under the terms and conditions of the Creative Commons Attribution (CC BY) license (https://creativecommons.org/licenses/by/4.0/).
Share and Cite
Khosrojerdi, F.; Gagnon, S.; Valverde, R. Leveraging AI for Sustainable Energy Development in Solar Power Plants Operating Under Shading Conditions. Energies 2025, 18, 2960. https://doi.org/10.3390/en18112960
Khosrojerdi F, Gagnon S, Valverde R. Leveraging AI for Sustainable Energy Development in Solar Power Plants Operating Under Shading Conditions. Energies. 2025; 18(11):2960. https://doi.org/10.3390/en18112960
Chicago/Turabian StyleKhosrojerdi, Farhad, Stéphane Gagnon, and Raul Valverde. 2025. "Leveraging AI for Sustainable Energy Development in Solar Power Plants Operating Under Shading Conditions" Energies 18, no. 11: 2960. https://doi.org/10.3390/en18112960
APA StyleKhosrojerdi, F., Gagnon, S., & Valverde, R. (2025). Leveraging AI for Sustainable Energy Development in Solar Power Plants Operating Under Shading Conditions. Energies, 18(11), 2960. https://doi.org/10.3390/en18112960

