Review of Key Technologies of the High-Speed Permanent Magnet Motor Drive
Abstract
1. Introduction
2. Technical Difficulties of the HS PMM Drive
2.1. Harmonic Suppression
2.2. Rotor Position Detection
2.3. System Stability under Low Carrier Ratios
3. Harmonic Suppression Schemes for HS PMMs
3.1. Inverter Output Filter
3.2. Increased Switching Frequency
3.3. Improved Inverter Topologies
3.3.1. Multilevel Inverters
3.3.2. Inverters with DC Bus Voltage Regulation
3.3.3. Current Source Inverter
- (1)
- Better output waveforms: Output capacitors of the CSI and inductors of the motor constitute a CL filter. Therefore, the CSI can output sinusoidal voltages and currents.
- (2)
- Boost ability: The VSI is a Buck topology, and the DC side voltage is higher than the AC side. However, the CSI is a Boost topology, which can obtain higher AC voltages. Therefore, the speed range of the motor can be extended.
- (3)
- Short-circuit tolerant capacity: The CSI is fed by a constant current source, and the arm shoot-through state is permitted. Furthermore, the output short-circuit current can be suppressed by the constant current source.
4. Rotor Position Detection of the HS PMM
4.1. Mechanical Sensors
4.2. Sensorless Detection
4.2.1. Luenberger Observer
4.2.2. Sliding Mode Observer
4.2.3. Extended Kalman Filter
4.2.4. Model Reference Adaptive System
5. Control Strategy with Low Carrier Ratios
5.1. System Stability Analysis with Low Carrier Ratios
5.2. Square Wave Drive for BLDC Motors
5.3. Sine Wave Drive for PMSMs
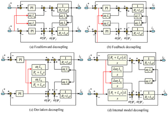
5.3.1. Decoupling Control Strategy Based on Scalars
5.3.2. Decoupling Control Strategy Based on Complex Vectors
5.4. Compensation Strategies for Current Loop Delay
5.4.1. Model-Based Delay Compensation Strategies
5.4.2. Model-Independent Delay Compensation Strategies
6. Discussions and Future Research Trends
6.1. Control Performance of Current Loop with Low Carrier Ratios
6.2. High-Dynamic Performance of HS PMMs
6.3. Sensorless in Whole-Speed Range
6.4. Optimization of Inverter Topologies
7. Conclusions
- (1)
- Due to the small inductor and high fundamental frequency of HS PMMs, the phase currents contain a large number of harmonics. In order to reduce the harmonic content, it is the most direct and effective scheme to increase the switching frequency of the system by using wide bandgap semiconductors. However, the additional power loss limits its application range. The main research direction for reducing harmonic content is to add the LCL filter and combine a new control algorithm with the system.
- (2)
- In HS PMM drive systems, mechanical sensors are expensive and susceptible to harsh environments, so sensorless methods have been studied and applied. The SMO, the EKF, and the MRAS for estimating back EMFs have been widely accepted. Among them, the SMO-based sensorless control method has drawn increasing attention due to its simple implementation and strong robustness.
- (3)
- The low carrier ratio of HS PMM drives causes coupling and delay increases. As to the coupling problem, feedforward decoupling and feedback decoupling are commonly used. However, these two decoupling methods are sensitive to the system parameters and cannot be completely decoupled. The internal model decoupling control strategy in complex vector coordinate systems is the focus of the current research. For addressing the delay problem in the system, the predictive control strategy model based on the mathematical model is a common solution.
Funding
Conflicts of Interest
References
- Lee, C.-H.; Shin, H.-S.; Noh, H.-R.; Kim, K.-C. A Study on The Electromagnetic Multi-Step Transmission Characteristics of Interior Permanent Magnet Synchronous Motors. Energies 2022, 15, 9615. [Google Scholar] [CrossRef]
- Arnaoutakis, G.E.; Kefala, G.; Dakanali, E.; Katsaprakakis, D.A. Combined Operation of Wind-Pumped Hydro Storage Plant with a Concentrating Solar Power Plant for Insular Systems: A Case Study for the Island of Rhodes. Energies 2022, 15, 6822. [Google Scholar] [CrossRef]
- Zhang, F.; Du, G.; Wang, T.; Wang, F.; Cao, W.; Kirtley, J.L. Electromagnetic Design and Loss Calculations of a 1.12-MW High-Speed Permanent-Magnet Motor for Compressor Applications. IEEE Trans. Energy Convers. 2016, 31, 132–140. [Google Scholar] [CrossRef]
- Cheng, M.; Li, Z.; Xu, S.; Pei, R. Design and Calculation of Multi-Physical Field of Ultra-High-Speed Permanent Magnet Motor. Energies 2024, 17, 3072. [Google Scholar] [CrossRef]
- Garbiec, T.; Jagiela, M.; Kulik, M. Application of Nonlinear Complex Polyharmonic Finite-Element Models of High-Speed Solid-Rotor Induction Motors. IEEE Trans. Magn. 2020, 56, 7515304. [Google Scholar] [CrossRef]
- Korkosz, M.; Bogusz, P.; Prokop, J. Complex Performance Analysis and Comparative Study of Very High-Speed Switched Reluctance Motors. IEEE Trans. Magn. 2019, 55, 8204714. [Google Scholar] [CrossRef]
- Chen, Y.; Zang, B.; Wang, H.; Liu, H.; Li, H. Composite PM Rotor Design and Alternating Flux Density Harmonic Component Analysis of a 200 kW High-Speed PMSM Used in FESS. IEEE Trans. Ind. Appl. 2023, 59, 1469–1480. [Google Scholar] [CrossRef]
- Binder, A.; Schneider, T.; Klohr, M. Fixation of buried and surface-mounted magnets in high-speed permanent-magnet synchronous machines. IEEE Trans. Ind. Appl. 2006, 42, 1031–1037. [Google Scholar] [CrossRef]
- Baumgartner, T.; Burkart, R.M.; Kolar, J.W. Analysis and Design of a 300-W 500 000-r/min Slotless Self-Bearing Permanent-Magnet Motor. IEEE Trans. Ind. Electron. 2014, 61, 4326–4336. [Google Scholar] [CrossRef]
- Jang, G.-H.; Ahn, J.-H.; Kim, B.-O.; Lee, D.-H.; Bang, J.-S.; Choi, J.-Y. Design and Characteristic Analysis of a High-Speed Permanent Magnet Synchronous Motor Considering the Mechanical Structure for High-Speed and High-Head Centrifugal Pumps. IEEE Trans. Magn. 2018, 54, 8204906. [Google Scholar] [CrossRef]
- Zhang, F.; Du, G.; Wang, T.; Liu, G.; Cao, W. Rotor Retaining Sleeve Design for a 1.12-MW High-Speed PM Machine. IEEE Trans. Ind. Appl. 2015, 51, 3675–3685. [Google Scholar] [CrossRef]
- Kong, Y.; Lin, M.; Jia, L. A Novel High Power Density Permanent-Magnet Synchronous Machine with Wide Speed Range. IEEE Trans. Magn. 2020, 56, 7505206. [Google Scholar] [CrossRef]
- Dong, J.; Huang, Y.; Jin, L.; Lin, H. Comparative Study of Surface-Mounted and Interior Permanent-Magnet Motors for High-Speed Applications. IEEE Trans. Appl. Supercond. 2016, 26, 5200304. [Google Scholar] [CrossRef]
- Wolnik, T.; Jarek, T. Solid Rotor Core vs. Lamination Rotor Core in Fractional-Slot PMSM Motor with High Power Density. Energies 2022, 15, 5729. [Google Scholar] [CrossRef]
- Abubakar, U.; Wang, X.; Shah, S.H.; Wang, L.; Farouk, A. Electromagnetic and Thermal Analysis of 225 kW High-Speed PMSM for Centrifugal Blower Applications. Energies 2022, 15, 3370. [Google Scholar] [CrossRef]
- Liang, Y.; Liang, D.; Jia, S.; Chu, S.; Wang, H.; Zhang, H.; Liang, Y. Compound Current Controller Based on SiC/Si Hybrid Converter for Current Harmonics Suppression of High-Speed PMSMs. IEEE Trans. Ind. Appl. 2023, 59, 6852–6867. [Google Scholar] [CrossRef]
- Cao, X.; Ge, Q.; Wang, K.; Wang, Q.; Zheng, Y. High-speed Maglev Harmonic Current Suppression Strategy Based on Feedforward Compensation. In Proceedings of the 2021 24th International Conference on Electrical Machines and Systems (ICEMS), Gyeongju, Republic of Korea, 31 October–3 November 2021; pp. 1849–1853. [Google Scholar]
- Bao, D.; Wu, H.; Wang, R.; Zhao, F.; Pan, X. Full-Order Sliding Mode Observer Based on Synchronous Frequency Tracking Filter for High-Speed Interior PMSM Sensorless Drives. Energies 2020, 13, 6511. [Google Scholar] [CrossRef]
- Zhang, X.; Chen, Y.; Mollet, Y.; Yang, J.; Gyselinck, J. An Accurate Discrete Current Controller for High-Speed PMSMs/Gs in Flywheel Applications. Energies 2020, 13, 1458. [Google Scholar] [CrossRef]
- Yuan, X.; Chen, J.; Jiang, C.; Lee, C.H.T. Discrete-Time Current Regulator for AC Machine Drives. IEEE Trans. Power Electron. 2022, 37, 5847–5858. [Google Scholar] [CrossRef]
- Liu, X.; Liu, G.; Han, B. A Loss Separation Method of a High-Speed Magnetic Levitated PMSM Based on Drag System Experiment Without Torque Meter. IEEE Trans. Ind. Electron. 2019, 66, 2976–2986. [Google Scholar] [CrossRef]
- Woo, J.-H.; Bang, T.-K.; Lee, H.-K.; Kim, K.-H.; Shin, S.-H.; Choi, J.-Y. Electromagnetic Characteristic Analysis of High-Speed Motors with Rare-Earth and Ferrite Permanent Magnets Considering Current Harmonics. IEEE Trans. Magn. 2021, 57, 8201805. [Google Scholar] [CrossRef]
- Zhou, J.; Song, Z.; Xiao, X.; Huang, X.; Xie, Y. A Hybrid-Excited Resolver for High-Speed Operation. IEEE Trans. Power Electron. 2024, 39, 4958–4962. [Google Scholar] [CrossRef]
- Tang, Q.; Shen, A.; Luo, X.; Xu, J. IPMSM Sensorless Control by Injecting Bidirectional Rotating HF Carrier Signals. IEEE Trans. Power Electron. 2018, 33, 10698–10707. [Google Scholar] [CrossRef]
- Ye, M.; Shi, T.; Li, C.; Yan, Y.; Xia, C. High-Precision Sensorless Control of High-Speed Permanent Magnet Synchronous Motor Based on the Prediction Methodology. IEEE Trans. Power Electron. 2024, 39, 11386–11397. [Google Scholar] [CrossRef]
- Sheianov, A.; Xiao, X.; Sun, X. An Enhanced Current Control Structure for Ultra-High-Speed Permanent Magnet Synchronous Motor Applications. IEEE Trans. Ind. Appl. 2024, 60, 4987–5001. [Google Scholar] [CrossRef]
- Zhao, Y.; Deng, Z.; Ge, S. Research on Sensorless Technique of Ultra-High-Speed Permanent Magnet Synchronous Motor Considering Control Delays. In Proceedings of the 2023 26th International Conference on Electrical Machines and Systems (ICEMS), Zhuhai, China, 5–8 November 2023; pp. 2480–2485. [Google Scholar]
- Velander, E.; Bohlin, G.; Sandberg, Å.; Wiik, T.; Botling, F.; Lindahl, M.; Zanuso, G.; Nee, H.P. An Ultralow Loss Inductorless dv/dt Filter Concept for Medium-Power Voltage Source Motor Drive Converters With SiC Devices. IEEE Trans. Power Electron. 2018, 33, 6072–6081. [Google Scholar] [CrossRef]
- Kim, H.; Anurag, A.; Acharya, S.; Bhattacharya, S. Analytical Study of SiC MOSFET Based Inverter Output dv/dt Mitigation and Loss Comparison With a Passive dv/dt Filter for High Frequency Motor Drive Applications. IEEE Access 2021, 9, 15228–15238. [Google Scholar] [CrossRef]
- Yao, Y.; Huang, Y.; Peng, F.; Dong, J.; Zhu, Z. Dynamic-Decoupled Active Damping Control Method for Improving Current Transient Behavior of LCL-Equipped High-Speed PMSMs. IEEE Trans. Power Electron. 2022, 37, 3259–3271. [Google Scholar] [CrossRef]
- Zhou, J.; Yao, Y.; Huang, Y.; Peng, F. Motor Current Feedback-Only Active Damping Controller With High Robustness for LCL-Equipped High-Speed PMSM. IEEE Trans. Power Electron. 2023, 38, 8707–8718. [Google Scholar] [CrossRef]
- Yao, Y.; Huang, Y.; Peng, F.; Dong, J.; Zhu, Z. Discrete-Time Dynamic-Decoupled Current Control for LCL-Equipped High-Speed Permanent Magnet Synchronous Machines. IEEE Trans. Ind. Electron. 2022, 69, 12414–12425. [Google Scholar] [CrossRef]
- Ding, X.; Du, M.; Cheng, J.; Chen, F.; Ren, S.; Guo, H. Impact of Silicon Carbide Devices on the Dynamic Performance of Permanent Magnet Synchronous Motor Drive Systems for Electric Vehicles. Energies 2017, 10, 364. [Google Scholar] [CrossRef]
- Do, T.V.; Li, K.; Trovão, J.P.; Boulon, L. Reviewing of Using Wide-bandgap Power Semiconductor Devices in Electric Vehicle Systems: From Component to System. In Proceedings of the 2020 IEEE Vehicle Power and Propulsion Conference (VPPC), Gijon, Spain, 18 November–16 December 2020; pp. 1–6. [Google Scholar]
- Rogdakis, K.; Bano, E.; Montes, L.; Bechelany, M.; Cornu, D.; Zekentes, K. Rectifying Source and Drain Contacts for Effective Carrier Transport Modulation of Extremely Doped SiC Nanowire FETs. IEEE Trans. Nanotechnol. 2011, 10, 980–984. [Google Scholar] [CrossRef]
- She, X.; Huang, A.Q.; Lucía, Ó.; Ozpineci, B. Review of Silicon Carbide Power Devices and Their Applications. IEEE Trans. Ind. Electron. 2017, 64, 8193–8205. [Google Scholar] [CrossRef]
- Yuan, X.; Laird, I.; Walder, S. Opportunities, Challenges, and Potential Solutions in the Application of Fast-Switching SiC Power Devices and Converters. IEEE Trans. Power Electron. 2021, 36, 3925–3945. [Google Scholar] [CrossRef]
- Lin, Z.; An, Q.; Xie, C. SiC-Based Inverter Fed High-Speed Permanent Magnet Synchronous Motor Drive. In Proceedings of the 2020 5th Asia Conference on Power and Electrical Engineering (ACPEE), Chengdu, China, 4–7 June 2020; pp. 1300–1304. [Google Scholar]
- Morya, A.K.; Gardner, M.C.; Anvari, B.; Liu, L.; Yepes, A.G.; Doval-Gandoy, J.; Toliyat, H.A. Wide Bandgap Devices in AC Electric Drives: Opportunities and Challenges. IEEE Trans. Transp. Electrif. 2019, 5, 3–20. [Google Scholar] [CrossRef]
- Zhang, B.; Wang, S. A Survey of EMI Research in Power Electronics Systems with Wide-Bandgap Semiconductor Devices. IEEE J. Emerg. Sel. Top. Power Electron. 2020, 8, 626–643. [Google Scholar] [CrossRef]
- Guan, Q.X.; Li, C.; Zhang, Y.; Wang, S.; Xu, D.D.; Li, W.; Ma, H. An Extremely High Efficient Three-Level Active Neutral-Point-Clamped Converter Comprising SiC and Si Hybrid Power Stages. IEEE Trans. Power Electron. 2018, 33, 8341–8352. [Google Scholar] [CrossRef]
- Cheng, Z.; Li, L.; Zhao, F.; Liu, J. Reduced-Order Extended Observer and Correction Discretization Method for High-Speed Permanent Magnet Synchronous Motor with LCL Filter. IEEE J. Emerg. Sel. Top. Power Electron. 2024, 12, 2831–2844. [Google Scholar] [CrossRef]
- Wang, Z.; Li, X.; Xing, X.; Duan, B.; Zhang, C. Simultaneous Switching Loss Reduction and Neutral-Point Voltage Balance Scheme for Single-Phase Three-Level T-Type Inverter. IEEE Trans. Ind. Appl. 2020, 56, 6687–6700. [Google Scholar] [CrossRef]
- Mathew, J.; Rajeevan, P.P.; Mathew, K.; Azeez, N.A.; Gopakumar, K. A Multilevel Inverter Scheme With Dodecagonal Voltage Space Vectors Based on Flying Capacitor Topology for Induction Motor Drives. IEEE Trans. Power Electron. 2013, 28, 516–525. [Google Scholar] [CrossRef]
- Li, G.; Xu, S.; Sun, Z.; Yao, C.; Ren, G.; Ma, G. Open-Circuit Fault Diagnosis for Three-Level ANPC Inverter Based on Predictive Current Vector Residual. IEEE Trans. Ind. Appl. 2023, 59, 6837–6851. [Google Scholar] [CrossRef]
- Ewanchuk, J.; Salmon, J.; Knight, A. Performance of a High Speed Motor Drive System Using a Novel Multi-Level Inverter Topology. In Proceedings of the 2008 IEEE Industry Applications Society Annual Meeting, Edmonton, AB, Canada, 5–9 October 2008; pp. 1–8. [Google Scholar]
- Liu, Z.; Wang, Y.; Tan, G.; Li, H.; Zhang, Y. A Novel SVPWM Algorithm for Five-Level Active Neutral-Point-Clamped Converter. IEEE Trans. Power Electron. 2016, 31, 3859–3866. [Google Scholar] [CrossRef]
- Wang, K.; Zheng, Z.; Wei, D.; Fan, B.; Li, Y. Topology and Capacitor Voltage Balancing Control of a Symmetrical Hybrid Nine-Level Inverter for High-Speed Motor Drives. IEEE Trans. Ind. Appl. 2017, 53, 5563–5572. [Google Scholar] [CrossRef]
- Wu, H.; Huang, K.; Lv, W.; Mo, X.; Huang, S.; Zhou, J. DC-link Voltage Sliding Mode Control of Z-source Inverter for High Speed Permanent Magnet Motors. In Proceedings of the 2019 22nd International Conference on Electrical Machines and Systems (ICEMS), Harbin, China, 11–14 August 2019; pp. 1–6. [Google Scholar]
- Gu, C.; Wang, X.; Shi, X.; Deng, Z. A PLL-Based Novel Commutation Correction Strategy for a High-Speed Brushless DC Motor Sensorless Drive System. IEEE Trans. Ind. Electron. 2018, 65, 3752–3762. [Google Scholar] [CrossRef]
- Zhou, X.; Zhou, Y.; Peng, C.; Zeng, F.; Song, X. Sensorless BLDC Motor Commutation Point Detection and Phase Deviation Correction Method. IEEE Trans. Power Electron. 2019, 34, 5880–5892. [Google Scholar] [CrossRef]
- Wang, Z.; Liu, J.; Cao, J.; Li, L.; Zhang, A.; Guo, Y. Research on High-speed Permanent Magnet Synchronous Motor Drive Based on PAM Method. In Proceedings of the 2023 26th International Conference on Electrical Machines and Systems (ICEMS), Zhuhai, China, 5–8 November 2023; pp. 2038–2042. [Google Scholar]
- Migliazza, G.; Buticchi, G.; Carfagna, E.; Lorenzani, E.; Madonna, V.; Giangrande, P.; Galea, M. DC Current Control for a Single-Stage Current Source Inverter in Motor Drive Application. IEEE Trans. Power Electron. 2021, 36, 3367–3376. [Google Scholar] [CrossRef]
- Wu, Y.; Lu, Y.; Li, S.; An, Q. Active Disturbance Rejection Control Based Deadbeat Predictive Current Controller for CSI-Fed SPMSM Systems. In Proceedings of the 2024 IEEE 10th International Power Electronics and Motion Control Conference (IPEMC2024-ECCE Asia), Chengdu, China, 10 July 2024; pp. 2559–2563. [Google Scholar]
- Feng, W.; Ding, H.; Chen, F.; Lee, S.; Chen, K.; Jahns, T.; Sarlioglu, B. Design of High Power Density 100 kW Surface Permanent Magnet Machine with No Heavy Rare Earth Material Using Current Source Inverter for Traction Application. In Proceedings of the 2021 IEEE Transportation Electrification Conference & Expo (ITEC), Chicago, IL, USA, 21–25 June 2021; pp. 1–6. [Google Scholar]
- Jiang, D.; Xiong, Y.; Liu, K.; Liu, Z.; Wang, R.; Yang, K. Common Mode Suppression Method of Current Source Back-to-Back Converter Based on Five-Segment Space Vector Modulation. IEEE Trans. Ind. Appl. 2023, 59, 1035–1043. [Google Scholar] [CrossRef]
- Wei, Q.; Xing, L.; Xu, D.; Wu, B.; Zargari, N.R. Modulation Schemes for Medium-Voltage PWM Current Source Converter-Based Drives: An Overview. IEEE J. Emerg. Sel. Top. Power Electron. 2019, 7, 1152–1161. [Google Scholar] [CrossRef]
- Liu, P.; Wang, Z.; Xu, Y.; Zou, Z.; Deng, F.; Li, Y. Improved Harmonic Profile for High-Power PWM Current-Source Converters With Modified Space-Vector Modulation Schemes. IEEE Trans. Power Electron. 2021, 36, 11234–11244. [Google Scholar] [CrossRef]
- Yang, S.; Yin, Z.; Tong, C.; Sui, Y.; Zheng, P. Active Damping Current Control for Current-Source Inverter-Based PMSM Drives. IEEE Trans. Ind. Electron. 2023, 70, 3549–3560. [Google Scholar] [CrossRef]
- Lee, H.-J.; Jung, S.; Sul, S.-K. A Current Controller Design for Current Source Inverter-Fed AC Machine Drive System. IEEE Trans. Power Electron. 2023, 28, 1366–1381. [Google Scholar] [CrossRef]
- Chen, S.; Zhao, Y.; Qiu, H.; Ren, X. High-Precision Rotor Position Correction Strategy for High-Speed Permanent Magnet Synchronous Motor Based on Resolver. IEEE Trans. Power Electron. 2020, 35, 9716–9726. [Google Scholar] [CrossRef]
- Wang, Y.; Bao, X.; Hua, W.; Liu, K.; Wang, P.; Hu, M.; Zhang, H. Implementation of Embedded Magnetic Encoder for Rotor Position Detection Based on Arbitrary Phase-Shift Phase-Lock Loop. IEEE Trans. Ind. Electron. 2022, 69, 2033–2043. [Google Scholar] [CrossRef]
- Miguel-Espinar, C.; Heredero-Peris, D.; Igor-Gross, G.; Llonch-Masachs, M.; Montesinos-Miracle, D. Accurate Angle Representation From Misplaced Hall-Effect Switch Sensors for Low-Cost Electric Vehicle Applications. IEEE Trans. Ind. Appl. 2022, 58, 5227–5237. [Google Scholar] [CrossRef]
- Wang, Y.; Liu, K.; Hua, W.; Zhang, C.; Wu, Z.; Zhang, H. Analysis and Detection of Rotor Eccentricity in Permanent Magnet Synchronous Machines Based on Linear Hall Sensors. IEEE Trans. Power Electron. 2022, 37, 4719–4729. [Google Scholar] [CrossRef]
- Song, X.; Fang, J.; Han, B. High-Precision Rotor Position Detection for High-Speed Surface PMSM Drive Based on Linear Hall-Effect Sensors. IEEE Trans. Power Electron. 2016, 31, 4720–4731. [Google Scholar]
- Wang, G.; Yang, R.; Xu, D. DSP-Based Control of Sensorless IPMSM Drives for Wide-Speed-Range Operation. IEEE Trans. Ind. Electron. 2013, 60, 720–727. [Google Scholar] [CrossRef]
- Huang, M.C.; Moses, A.J.; Anayi, F.J.; Yao, X.G. Shaft Position Correction Scheme Comparison for Sensorless Control PMSM based on Space State-Estimation between α-β Variance Adjustment and d-q Angle PI Regulation. In Proceedings of the IECON 2006—32nd Annual Conference on IEEE Industrial Electronics, Paris, France, 7–10 November 2006; pp. 1469–1474. [Google Scholar]
- Accetta, A.; Cirrincione, M.; Pucci, M.; Vitale, G. Neural Sensorless Control of Linear Induction Motors by a Full-Order Luenberger Observer Considering the End Effects. IEEE Trans. Ind. Appl. 2014, 50, 1891–1904. [Google Scholar] [CrossRef]
- Qiao, Z.; Shi, T.; Wang, Y.; Yan, Y.; Xia, C.; He, X. New Sliding-Mode Observer for Position Sensorless Control of Permanent-Magnet Synchronous Motor. IEEE Trans. Ind. Electron. 2013, 60, 710–719. [Google Scholar] [CrossRef]
- Feng, Y.; Yu, X.; Han, F. High-Order Terminal Sliding-Mode Observer for Parameter Estimation of a Permanent-Magnet Synchronous Motor. IEEE Trans. Ind. Electron. 2013, 60, 4272–4280. [Google Scholar] [CrossRef]
- An, Q.; Zhang, J.; An, Q.; Liu, X.; Shamekov, A.; Bi, K. Frequency-Adaptive Complex-Coefficient Filter-Based Enhanced Sliding Mode Observer for Sensorless Control of Permanent Magnet Synchronous Motor Drives. IEEE Trans. Ind. Appl. 2020, 56, 335–343. [Google Scholar] [CrossRef]
- Quang, N.K.; Hieu, N.T.; Ha, Q.P. FPGA-Based Sensorless PMSM Speed Control Using Reduced-Order Extended Kalman Filters. IEEE Trans. Ind. Electron. 2014, 61, 6574–6582. [Google Scholar] [CrossRef]
- Quang, N.K.; Tung, D.D.; Ha, Q.P. FPGA-based sensorless PMSM speed control using adaptive extended Kalman filter. In Proceedings of the 2015 IEEE International Conference on Automation Science and Engineering (CASE), Gothenburg, Sweden, 24–28 August 2015; pp. 1650–1655. [Google Scholar]
- Wei, F.; Wang, Y.; Liang, Q.; Li, Z. Sensorless Control of Permanent Magnet Synchronous Motor Based on Improved Model Reference Adaptive System. In Proceedings of the 2019 Chinese Automation Congress (CAC), Hangzhou, China, 22–24 November 2019; pp. 2422–2426. [Google Scholar]
- Liu, Y.; Zhu, Z.Q.; Howe, D. Commutation-Torque-Ripple Minimization in Direct-Torque-Controlled PM Brushless DC Drives. IEEE Trans. Ind. Appl. 2007, 43, 1012–1021. [Google Scholar] [CrossRef]
- Masmoudi, M.; Badsi, B.E.; Masmoudi, A. DTC of B4-Inverter-Fed BLDC Motor Drives with Reduced Torque Ripple During Sector-to-Sector Commutations. IEEE Trans. Power Electron. 2014, 29, 4855–4865. [Google Scholar] [CrossRef]
- Lee, K.-W.; Park, S.; Jeong, S. A Seamless Transition Control of Sensorless PMSM Compressor Drives for Improving Efficiency Based on a Dual-Mode Operation. IEEE Trans. Power Electron. 2015, 30, 1446–1456. [Google Scholar] [CrossRef]
- Itoh, J.-I.; Toi, T.; Nishizawa, K. Stabilization Method Using Equivalent Resistance Gain Based on V/f Control for IPMSM with Long Electrical Time Constant. In Proceedings of the 2018 International Power Electronics Conference (IPEC-Niigata 2018-ECCE Asia), Niigata, Japan, 20–24 May 2018; pp. 2229–2236. [Google Scholar]
- Yoshimoto, J.; Inoue, Y.; Morimoto, S.; Sanada, M. Ultra-high-speed PMSM sensorless drive using direct torque control. In Proceedings of the 2012 15th International Conference on Electrical Machines and Systems (ICEMS), Sapporo, Japan, 21–24 October 2012; pp. 1–6. [Google Scholar]
- Zhou, S.; Zhang, Y.; Liu, Z.; Liu, J.; Zhou, L. Implementation of Cross-Coupling Terms in Proportional-Resonant Current Control Schemes for Improving Current Tracking Performance. IEEE Trans. Power Electron. 2021, 36, 13248–13260. [Google Scholar] [CrossRef]
- Zhang, Z.; Jing, L.; Wu, X.; Xu, W.; Liu, J.; Lyu, G.; Fan, Z. A Deadbeat PI Controller With Modified Feedforward for PMSM Under Low Carrier Ratio. IEEE Access 2021, 9, 63463–63474. [Google Scholar] [CrossRef]
- Zhihong, W.; Shuangquan, W.; Yuan, Z.; Guangyu, T. Research on discrete deviation decoupling control for permanent magnet synchronous motor. In Proceedings of the 2010 International Conference on Computer Application and System Modeling (ICCASM 2010), Taiyuan, China, 22–24 October 2010; pp. V3-428–V3-431. [Google Scholar]
- Lyu, Z.; Wu, L. Current Control Scheme for LC-Equipped PMSM Drive Considering Decoupling and Resonance Suppression in Synchronous Complex-Vector Frame. IEEE J. Emerg. Sel. Top. Power Electron. 2023, 11, 2061–2073. [Google Scholar] [CrossRef]
- Chen, F.; Chen, Z.; Li, Z.; Huang, X.; Zhang, J. An Improved Complex Vector Decoupling Control for high-speed PMSM. In Proceedings of the 2021 IEEE International Electric Machines & Drives Conference (IEMDC), Hartford, CT, USA, 17–20 May 2021; pp. 1–6. [Google Scholar]
- Huh, K.-K.; Lorenz, R.D. Discrete-Time Domain Modeling and Design for AC Machine Current Regulation. In Proceedings of the 2007 IEEE Industry Applications Annual Meeting, New Orleans, LA, USA, 23–27 September 2007; pp. 2066–2073. [Google Scholar]
- Lv, W.; Huang, K.; Wu, H.; MO, X.; Shen, M. A Dynamic Compensation Method for Time Delay Effects of High-Speed PMSM Sensorless Digital Drive System. In Proceedings of the 2019 22nd International Conference on Electrical Machines and Systems (ICEMS), Harbin, China, 11–14 August 2019; pp. 1–5. [Google Scholar]
- Nicola, M.; Nicola, C.-I.; Duţă, M. Delay Compensation in the PMSM Control by using a Smith Predictor. In Proceedings of the 2019 8th International Conference on Modern Power Systems (MPS), Cluj-Napoca, Cluj, Romania, 21–23 May 2019; pp. 1–6. [Google Scholar]
- Wei, Y.; Wei, Y.; Sun, Y.; Qi, H.; Guo, X.; Li, M. A Smith Structure-Based Delay Compensation Method for Model Predictive Current Control of PMSM System. IEEE J. Emerg. Sel. Top. Power Electron. 2022, 10, 4090–4101. [Google Scholar] [CrossRef]
- Zhang, Y.; Xu, D.; Huang, L. Generalized Multiple-Vector-Based Model Predictive Control for PMSM Drives. IEEE Trans. Ind. Electron. 2018, 65, 9356–9366. [Google Scholar] [CrossRef]
- Xiao, M.; Shi, T.; Yan, Y.; Xu, W.; Xia, C. Predictive Torque Control of Permanent Magnet Synchronous Motors Using Flux Vector. IEEE Trans. Ind. Appl. 2018, 54, 4437–4446. [Google Scholar] [CrossRef]
- Lee, M.; Kong, K. Fourier-Series-Based Phase Delay Compensation of Brushless DC Motor Systems. IEEE Trans. Power Electron. 2018, 33, 525–534. [Google Scholar] [CrossRef]
- Lin, Z.; Ruan, X.; Zhang, H.; Wu, L. A Generalized Real-Time Computation Method with Dual-Sampling Mode to Eliminate the Computation Delay in Digitally Controlled Inverters. IEEE Trans. Power Electron. 2022, 37, 5186–5195. [Google Scholar] [CrossRef]
- Han, Y.; Gong, C.; Yan, L.; Wen, H.; Wang, Y.; Shen, K. Multiobjective Finite Control Set Model Predictive Control Using Novel Delay Compensation Technique for PMSM. IEEE Trans. Power Electron. 2020, 35, 11193–11204. [Google Scholar] [CrossRef]










| Characteristic | Si-MOSFET | Si-IGBT | SiC-MOSFET |
|---|---|---|---|
| Rated voltage | 20–650 V | >650 V | >650 V |
| Switching frequency | >20 kHz | 5–20 kHz | >50 kHz |
| Drive voltage | 0–15 V | 10–20 V | 25–30 V |
| Power level | <3 kW | >3 kW | >5 kW |
Disclaimer/Publisher’s Note: The statements, opinions and data contained in all publications are solely those of the individual author(s) and contributor(s) and not of MDPI and/or the editor(s). MDPI and/or the editor(s) disclaim responsibility for any injury to people or property resulting from any ideas, methods, instructions or products referred to in the content. |
© 2024 by the authors. Licensee MDPI, Basel, Switzerland. This article is an open access article distributed under the terms and conditions of the Creative Commons Attribution (CC BY) license (https://creativecommons.org/licenses/by/4.0/).
Share and Cite
An, Q.; Lu, Y.; Zhao, M. Review of Key Technologies of the High-Speed Permanent Magnet Motor Drive. Energies 2024, 17, 5252. https://doi.org/10.3390/en17215252
An Q, Lu Y, Zhao M. Review of Key Technologies of the High-Speed Permanent Magnet Motor Drive. Energies. 2024; 17(21):5252. https://doi.org/10.3390/en17215252
Chicago/Turabian StyleAn, Quntao, Yuzhuo Lu, and Mengji Zhao. 2024. "Review of Key Technologies of the High-Speed Permanent Magnet Motor Drive" Energies 17, no. 21: 5252. https://doi.org/10.3390/en17215252
APA StyleAn, Q., Lu, Y., & Zhao, M. (2024). Review of Key Technologies of the High-Speed Permanent Magnet Motor Drive. Energies, 17(21), 5252. https://doi.org/10.3390/en17215252

