Doubly Fed Induction Machine-Based DC Voltage Generator with Reduced Oscillations of Torque and Output Voltage
Abstract
1. Introduction
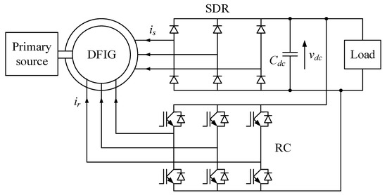
2. System Description and Modelling
3. Description of the Control Methods
3.1. Field Oriented Control–FOC
3.2. Direct Torque and Flux Module Control–DTΨC
3.3. Direct Torque and x Variable Control–DTXC
4. Simulation Results of a MW Range DFIG-DC System
5. Experimental Results
6. Conclusions
Author Contributions
Funding
Institutional Review Board Statement
Informed Consent Statement
Data Availability Statement
Conflicts of Interest
Abbreviations
| ADR | auxiliary diode rectifier, |
| BSF | band stop filter, |
| DFIG | doubly fed induction generator, |
| DFIM | doubly fed induction machine, |
| DTC | direct torque control, |
| DTC-SVM | direct torque control of space vector modulation, |
| DTΨC | direct torque control with flux module second control variable, |
| DTXC | direct torque control with dot product of flux and current vector as the second control variable, |
| FFT | fast Fourier transform |
| FOC | field-oriented control, |
| IM | induction motor, |
| PWM | pulse width modulation, |
| RC | rotor converter, |
| SDR | stator-connected diode rectifier, |
| stator and rotor voltage vectors, | |
| udc | DC voltage, |
| stator and rotor current vectors, | |
| stator and rotor flux vectors, | |
| iL | load current, |
| rms value of stator phase currents, | |
| rms value of rotor phase currents, | |
| Rs, Rr | stator and rotor resistance, |
| Ls, Lr, Lm | stator, rotor, and magnetizing inductance, |
| Cdc | DC-bus capacitor, |
| Tem | electromagnetic torque, |
| average value of electromagnetic torque, | |
| number of pole pairs, | |
| ps, pr | stator and rotor instantaneous power real components, |
| stator and rotor active power, | |
| machine instantaneous power real components related to the magnetic energy changes, | |
| synchronous speed (rotation speed of magnetic flux), | |
| mechanical speed, | |
| stator and rotor leakage and magnetizing inductance stored energy, | |
| stator, magnetizing, and rotor instantaneous power imaginary components seen from the stator side, | |
| dq | subscripts describing two-dimensional rotating space. |
Appendix A
| Parameter | Value (2 MW) | Value (7.5 kW) |
|---|---|---|
| Rated power | 2 MW | 7.5 kW |
| Stator voltage (L-L) | 690 V | 182 V |
| Rotor voltage (L-L) | 2 kV | 380 V |
| Number of pole pairs | 2 | 2 |
| Lm (magnetizing inductance) | 2.5 mH | 27.52 mH |
| Ls (stator inductance) | 2.587 mH | 29.82 mH |
| Lr (rotor inductance) | 2.587 mH | 29.82 mH |
| Rs (stator resistance) | 2.6 mΩ | 0.16 Ω |
| Rr (rotor resistance) | 2.6 mΩ | 0.1 Ω |
| fs (sampling frequency) | 4 kHz | 4 kHz |
| Cdc (DC-bus capacity) | 10 mF | 1 mF |
| udcref (reference DC-bus voltage) | 970 V | 250 V |
References
- Itsaso Martinez, M.; Tapia, G.; Susperregui, A.; Camblong, H. DFIG power generation capability and feasibility regions under unbalanced grid voltage conditions. IEEE Trans. Energy Convers 2011, 26, 1051. [Google Scholar] [CrossRef]
- Xu, L.; Wang, Y. Dynamic modeling and control of DFIG-based wind turbines under unbalanced network conditions. IEEE Trans. Power Syst. 2007, 22, 314. [Google Scholar] [CrossRef]
- Marques, G.D.; Iacchetti, M.F. A self-sensing stator-current-based control system of a DFIG connected to a DC-link. IEEE Trans. Ind. Electron. 2015, 62, 6140. [Google Scholar] [CrossRef]
- Misra, H.; Gundavarapu, A.; Jain, A.K. Control scheme for DC voltage regulation of stand-alone DFIG-DC system. IEEE Trans. Ind. Electron. 2017, 64, 2700. [Google Scholar] [CrossRef]
- Jain, A.K.; Ranganathan, V.T. Wound rotor induction generator with sensorless control and integrated active filter for feeding nonlinear loads in a stand-alone grid. IEEE Trans. Ind. Electron. 2008, 55, 218. [Google Scholar] [CrossRef]
- Pattnaik, M.; Kastha, D. Harmonic compensation with zero-sequence load voltage control in a speed-sensorless DFIG-based stand-alone VSCF generating system. IEEE Trans. Ind. Electron. 2013, 60, 5506. [Google Scholar] [CrossRef]
- Phan, V.T.; Lee, H.H. Control strategy for harmonic elimination in stand-alone DFIG applications with nonlinear loads. IEEE Trans. Power Electron. 2011, 26, 2662. [Google Scholar] [CrossRef]
- Yu, N.; Nian, H.; Quan, Y. A novel DC grid connected DFIG system with active power filter based on predictive current control. In Proceedings of the 14th International Conference on Electrical Machines and Systems, Beijing, China, 20–23 August 2011; pp. P.1–P.5. [Google Scholar]
- Maciejewski, P.; Iwanski, G. Six-phase doubly fed induction machine based standalone DC voltage generator. Bull. Pol. Acad. Sci. -Tech. Sci. 2021, 69, P.1–P.11. [Google Scholar]
- Guo, L.; Wang, D.; Peng, Z.; Diao, L. Improved super-twisting sliding mode control of a stand-alone DFIG-DC system with harmonic current suppression. IET Power Electron. 2020, 13, 1311. [Google Scholar] [CrossRef]
- Marques, G.D.; Iacchetti, M.F. Minimization of torque ripple in the DFIG-DC system via predictive delay compensation. IEEE Trans. Ind. Electron. 2018, 65, 103. [Google Scholar] [CrossRef]
- Iacchetti, M.F.; Marques, G.D.; Perini, R. Torque ripple reduction in a DFIG-DC system by resonant current controllers. IEEE Trans. Power Electron. 2015, 30, 4244. [Google Scholar] [CrossRef]
- Nian, H.; Wu, C.; Cheng, P. Direct resonant control strategy for torque ripple mitigation of DFIG connected to dc link through diode rectifier on stator. IEEE Trans. Power Electron. 2017, 32, 6936. [Google Scholar] [CrossRef]
- Xiao, Y.; Fahimi, B.; Rotea, M.A.; Li, Y. Multiple reference frame-based torque ripple reduction in DFIG-DC system. IEEE Trans. Power Electron. 2020, 35, 4971. [Google Scholar] [CrossRef]
- El Ouanjli, N.; Derouich, A.; El Ghzizal, A.; Chebabhi, A.; Taoussi, M. A comparative study between FOC and DTC control of the Doubly Fed Induction Motor (DFIM). In Proceedings of the International Conference on Electrical and Information Technologies, Rabat, Morocco, 15–18 November 2017; pp. 1–6. [Google Scholar]
- Zamzoum, O.; El Mourabit, Y.; Errouha, M.; Derouich, A.; El Ghzizal, A. Power control of variable speed wind turbine based on doubly fed induction generator using indirect field-oriented control with fuzzy logic controllers for performance optimization. Energy Sci Eng. 2018, 6, 408. [Google Scholar] [CrossRef]
- Maciejewski, P.; Iwanski, G. Study on direct torque control methods of a doubly fed induction machine working as a stand-alone DC voltage generator. IEEE Trans. Energy Convers 2021, 36, 853. [Google Scholar] [CrossRef]
- Gundavarapu, A.; Misra, H.; Jain, A.K. Direct torque control scheme for dc voltage regulation of the standalone DFIG-DC system. IEEE Trans. Ind. Electron. 2017, 64, 3502. [Google Scholar] [CrossRef]
- Fakhraee, H.; Babaei, M.; Alizadeh, M.; Tabrizian, M. Direct slip angle control for rotor side converter of standalone DFIG-DC system. IET Renew. Power Gener. 2022, 16, 2429. [Google Scholar] [CrossRef]
- Wu, C.; Cheng, P.; Nian, H.; Blaabjerg, F. Rotor current oriented control method of DFIG-DC system without stator side sensors. IEEE Trans. Ind. Electron. 2020, 67, 9958. [Google Scholar] [CrossRef]
- Wu, C.; Zhou, D.; Blaabjerg, F. Direct power magnitude control of DFIG-DC system without orientation control. IEEE Trans. Ind. Electron. 2021, 68, 1365. [Google Scholar] [CrossRef]
- Wu, C.; Zhou, D.; Cheng, P.; Blaabjerg, F. A novel power-angle control method of DFIG-DC system based on regulating air gap flux vector. IEEE Trans. Power Electron. 2021, 36, 513. [Google Scholar] [CrossRef]
- Wu, C.; Zhou, D.; Blaabjerg, F. An Improved DC Voltage Control Method for Standalone DFIG-DC System Based on Direct Torque Resonant Control. In Proceedings of the IEEE 9th International Power Electronics and Motion Control Conference, Nanjing, China, 29 November–2 December 2020; pp. 869–872. [Google Scholar]
- Wu, C.; Nian, H. An Improved Repetitive Control of DFIG-DC System for Torque Ripple Suppression. IEEE Trans. Power Electron. 2018, 33, 7634. [Google Scholar] [CrossRef]
- Wu, C.; Nian, H. Improved Direct Resonant Control for Suppressing Torque Ripple and Reducing Harmonic Current Losses of DFIG-DC System. IEEE Trans. Power Electron. 2019, 34, 8739. [Google Scholar] [CrossRef]
- Wu, C.; Nian, H.; Pang, B.; Cheng, P. Adaptive Repetitive Control of DFIG-DC System Considering Stator Frequency Variation. IEEE Trans. Power Electron. 2019, 34, 3302. [Google Scholar] [CrossRef]
- Cruz, S.M.A.; Marques, G.D.; Gonçalves, P.F.C.; Iacchetti, M.F. Predictive Torque and Rotor Flux Control of a DFIG-DC System for Torque Ripple Compensation and Loss Minimization. IEEE Trans. Ind. Electron. 2018, 65, 9301. [Google Scholar] [CrossRef]
- Pura, P.; Iwanski, G. Direct torque control of a doubly fed induction generator working with unbalanced power grid. Int. Trans. Electr. Energy Syst. 2019, 24, P.1–P.14. [Google Scholar] [CrossRef]
- Balogun, A.; Ojo, O.; Okafor, F.; Karugaba, S. Determination of steady-state and dynamic control laws of doubly fed induction generator using natural and power variables. IEEE Trans. Ind. Appl. 2013, 49, 1343. [Google Scholar] [CrossRef]











| Experiment/Simulation | |||
|---|---|---|---|
| FOC | DTΨC | DTXC | |
| Torque pulsations peak to peak, (Nm) (for dominating harmonic) | 6/3.4 k | 4/2.2 k | 4/2.5 k |
| Ratio of torque pulsations to average, (%) (for dominating harmonic) | 35/23 | 24/15 | 24/16 |
| DC voltage pulsations peak to peak, (V) (for dominating harmonic) | 3.8/30 | 2.5/18 | 1.6/3 |
| Ratio of DC voltage pulsation to average, (%) (for dominating harmonic) | 1.5/3 | 1/2 | 0.6/0.3 |
| DC voltage swell during 50% unloading, (V) | -/250 | -/140 | -/60 |
| Ratio of the DC voltage swell to steady state during 50% unloading, (V) | -/26 | -/14 | -/6 |
| Stator current THD, (%) | 16.3/13.5 | 16.7/14.7 | 17/15 |
| Rotor current THD, (%) | 10.9/11.8 | 9.5/16.4 | 8.4/12.8 |
Disclaimer/Publisher’s Note: The statements, opinions and data contained in all publications are solely those of the individual author(s) and contributor(s) and not of MDPI and/or the editor(s). MDPI and/or the editor(s) disclaim responsibility for any injury to people or property resulting from any ideas, methods, instructions or products referred to in the content. |
© 2023 by the authors. Licensee MDPI, Basel, Switzerland. This article is an open access article distributed under the terms and conditions of the Creative Commons Attribution (CC BY) license (https://creativecommons.org/licenses/by/4.0/).
Share and Cite
Iwański, G.; Piwek, M.; Dauksha, G. Doubly Fed Induction Machine-Based DC Voltage Generator with Reduced Oscillations of Torque and Output Voltage. Energies 2023, 16, 814. https://doi.org/10.3390/en16020814
Iwański G, Piwek M, Dauksha G. Doubly Fed Induction Machine-Based DC Voltage Generator with Reduced Oscillations of Torque and Output Voltage. Energies. 2023; 16(2):814. https://doi.org/10.3390/en16020814
Chicago/Turabian StyleIwański, Grzegorz, Mateusz Piwek, and Gennadiy Dauksha. 2023. "Doubly Fed Induction Machine-Based DC Voltage Generator with Reduced Oscillations of Torque and Output Voltage" Energies 16, no. 2: 814. https://doi.org/10.3390/en16020814
APA StyleIwański, G., Piwek, M., & Dauksha, G. (2023). Doubly Fed Induction Machine-Based DC Voltage Generator with Reduced Oscillations of Torque and Output Voltage. Energies, 16(2), 814. https://doi.org/10.3390/en16020814

