Analysis of the System Impact upon Thyristor Controlled Series Capacitor Relocation Due to Changes in the Power System Environment
Abstract
1. Introduction
2. TCSC System
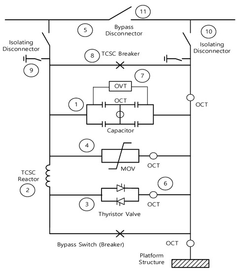
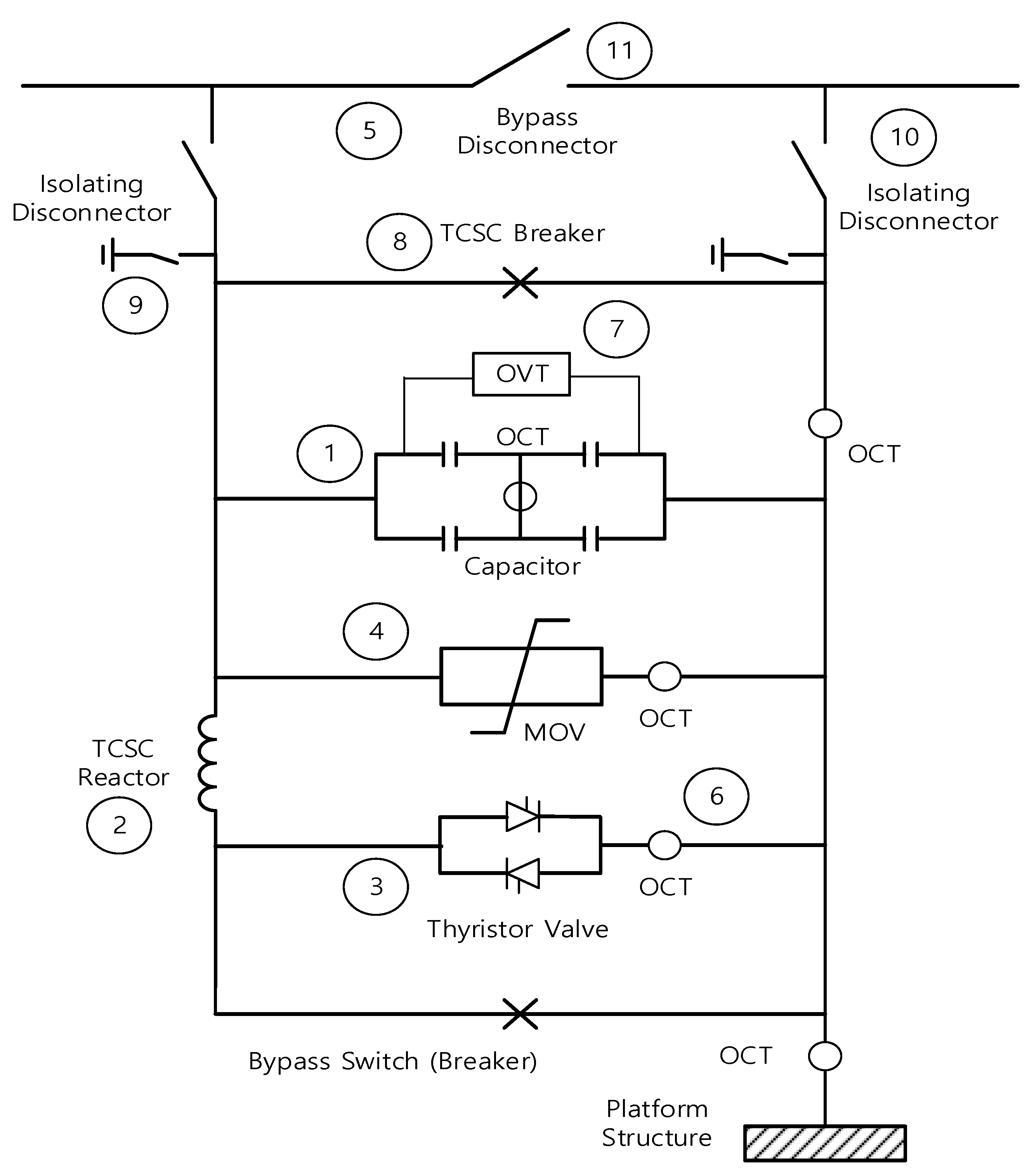
2.1. TCSC System Configuration
- Series capacitor (1)
- Reactor (2)
- Thyristor valve (3)
- MOV (4)
- Bypass switch (5)
- OCT (Optic Current Transducer) (6), OVT (Optic Voltage Transducer) (7)
- TCSC Breaker (8), Isolating DS (Disconnect Switch) (9,10), Bypass DS (11)
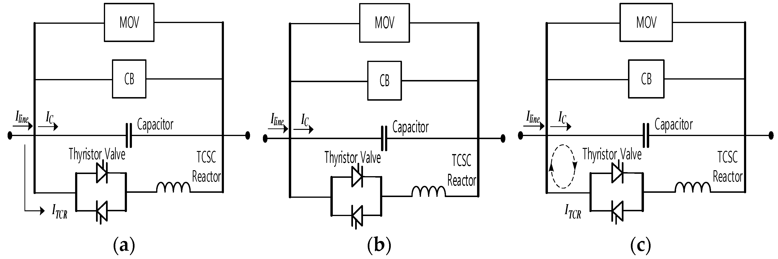
2.2. TCSC Control Operation
- Bypassed-thyristor mode
- Blocked-thyristor mode
- Capacitor vernier mode
2.3. TCSC Replica Controller
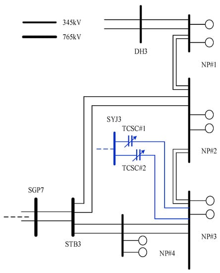
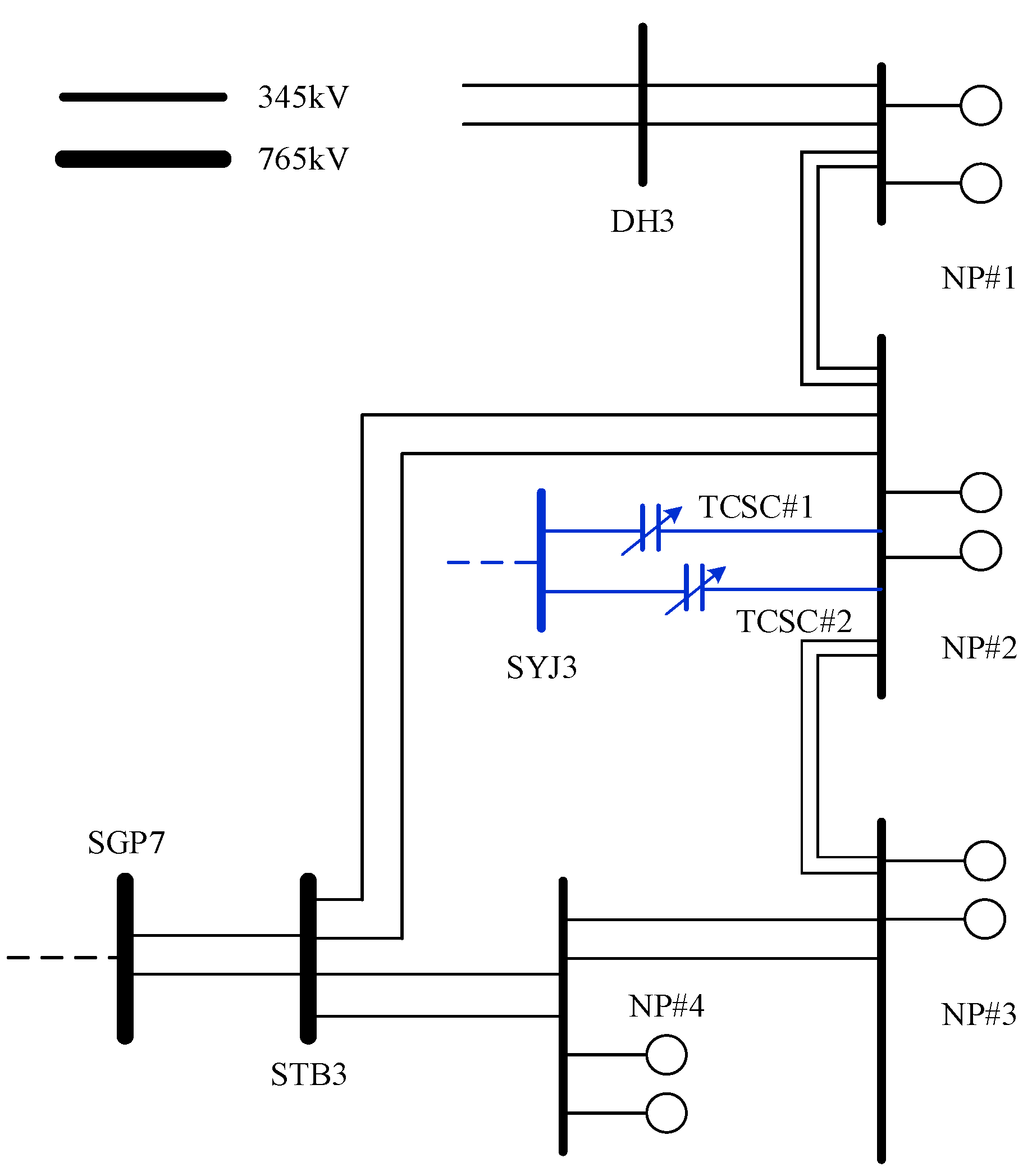
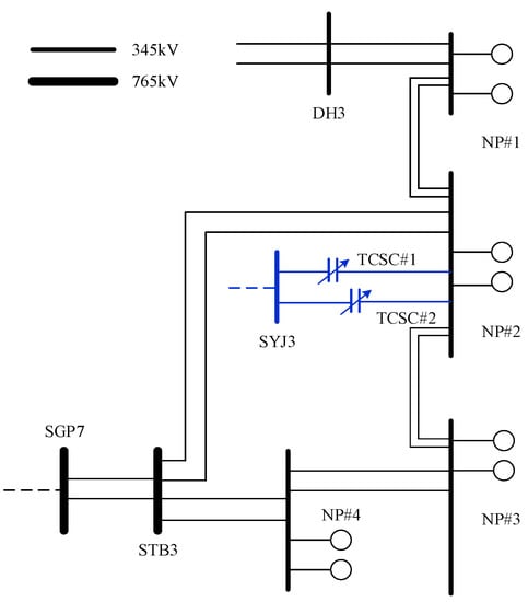
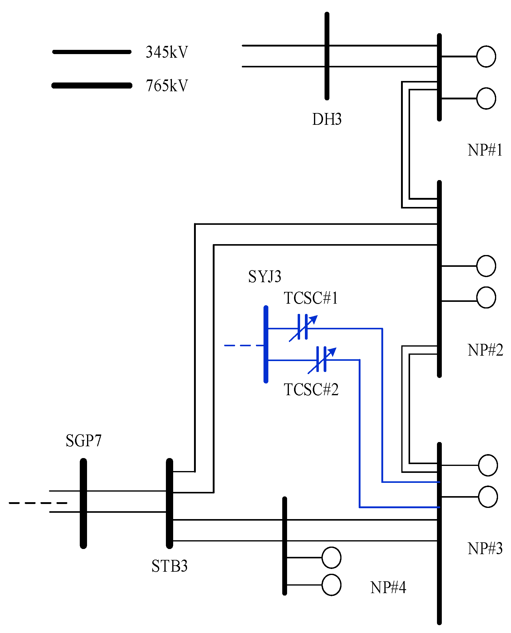
3. Detailed Review Cases
3.1. Scenarios for Control Adequacy Review
3.1.1. Steady State Operation
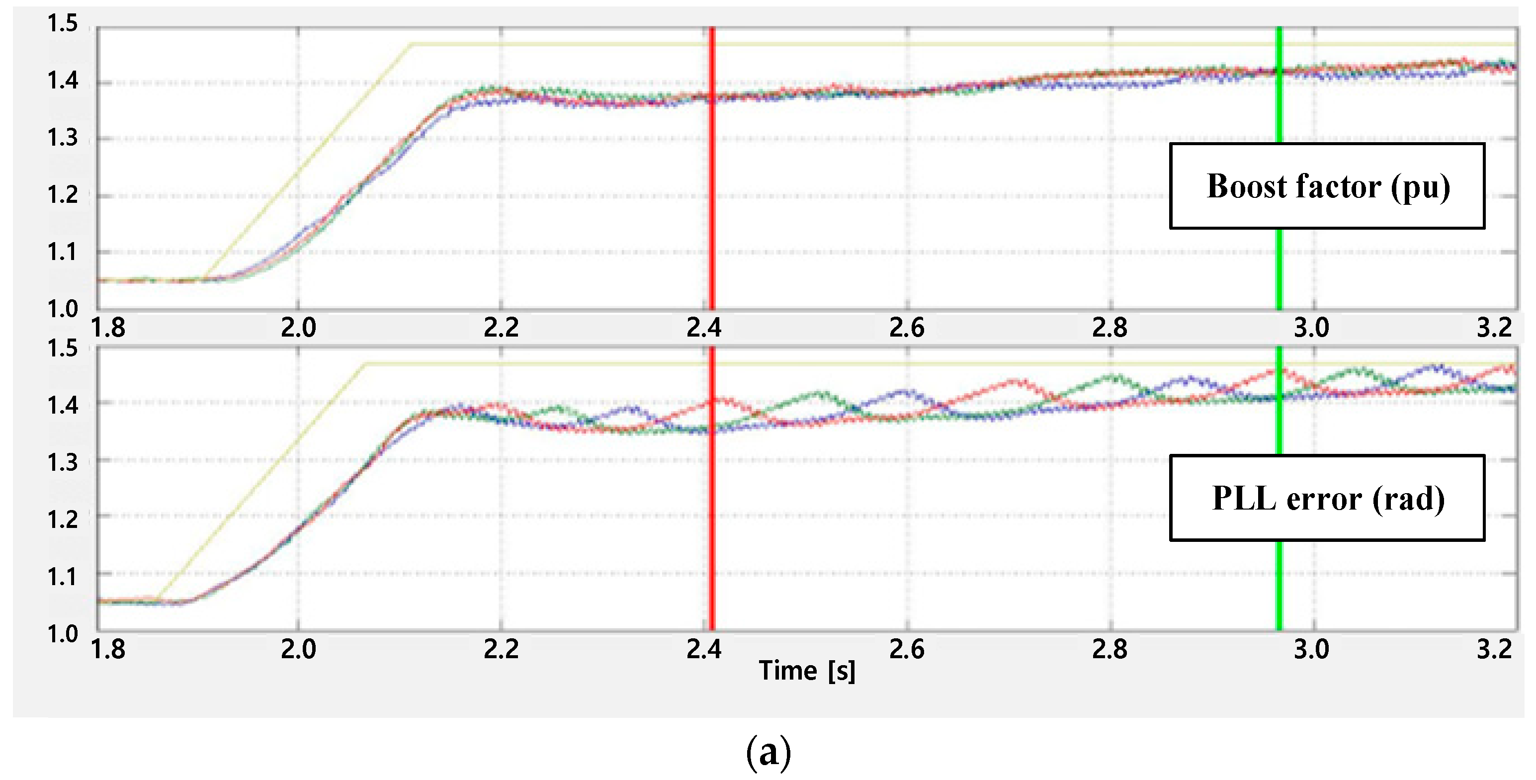
3.1.2. Boost Factor Step Response
3.1.3. Instantaneous Output Increase Control Operation in Case of 765 kV Failure
3.2. Damping Analysis to Review the Possibility of SSTI Occurrence
3.2.1. UIF Index Analysis
3.2.2. Damping Analysis
4. Conclusions
Author Contributions
Funding
Institutional Review Board Statement
Informed Consent Statement
Data Availability Statement
Conflicts of Interest
Nomenclature
| Damping | |
| Electric damping | |
| Mechanical damping | |
| Disconnect Switch | |
| Flexible AC Transmission System | |
| High Voltage Direct Current | |
| Current flowing into the series capacitor | |
| Current flowing from the AC grid to the TCSC | |
| Current flowing into the thyristor valve | |
| Boost factor | |
| Line Commutated Converter | |
| Metal Oxide Varistor | |
| Generator rating | |
| Optic Current Transducer | |
| Optic Voltage Transducer | |
| Active Power | |
| HVDC power transfer | |
| Phase Locked Loop | |
| Reactive Power | |
| Real Time Digital Simulator | |
| Excluded short-circuit capacity of generator | |
| Total short-circuit capacity of generators | |
| Sub Synchronous Torsional Interaction | |
| STATic synchronous COMpensator | |
| Static Var Compensator | |
| Thyristor Controlled Series Capacitor | |
| Angle difference between the sending and receiving ends | |
| Unit Interaction Factor | |
| Sending end voltage | |
| Receiving end voltage | |
| XC | Compensation impedance |
| Line impedance |
References
- Kim, S.H.; Oh, H.; Moon, B. A Study on the Application of HVDC, FACTS System in the Northeast Power System of Korea. J. Int. Counc. Electr. Eng. 2011, 1, 437–440. [Google Scholar] [CrossRef]
- Shin, W.; Ko, M.; Ku, H.; Song, J.; Hur, K. Estimation of Structural Mechanical Damping in Multi-Mass of Turbine Generator for SSTI Study. J. Electr. Eng. Technol. 2022, 17, 1639–1650. [Google Scholar] [CrossRef]
- Jamhoria, S.; Srivastava, L. Applications of thyristor controlled series compensator in power system: An overview. In Proceedings of the 2014 International Conference on Power Signals Control and Computations (EPSCICON), Thrissur, India, 6–11 January 2014; pp. 1–6. [Google Scholar]
- Hingorani, N.G.; Gyugyi, L. Understanding FACTS: Concepts and Technology of Flexible AC Transmission Systems, 3rd ed.; PWiley-IEEE Press: New York, NY, USA, 2000. [Google Scholar]
- A matter of FACTS—Deliver More High Quality Power. Available online: https://tinyurl.com/2mzgarh8 (accessed on 22 December 2022).
- ENSG ‘Our Electricity Transmission Network: A Vision For 2020. Available online: https://tinyurl.com/2lgxjeyf (accessed on 22 December 2022).
- TCSC for Stable Transmission of Surplus Power from Eastern to Western India. Available online: https://tinyurl.com/2gal3uoe (accessed on 22 December 2022).
- Korea’s 9th Long-Term Transmission and Substation Facility Plan. Available online: https://tinyurl.com/2dmhe6rr (accessed on 22 December 2022).
- Damas, R.N.; Son, Y.; Yoon, M.; Kim, S.Y.; Choi, S. Subsynchronous Oscillation and Advanced Analysis: A Review. IEEE Access 2020, 8, 224020–224032. [Google Scholar] [CrossRef]
- Walker, D.N.; Bowler, C.E.J.; Jackson, R.L.; Hodges, D.A. Results of subsynchronous resonance test at Mohave. IEEE Trans. Power Appar. Syst. 1975, 94, 1878–1889. [Google Scholar] [CrossRef]
- Bahrman, M.; Larsen, E.V.; Piwko, R.J.; Patel, H.S. Experience with HVDC—Turbine-Generator Torsional Interaction at Square Butte. IEEE Trans. Power Appar. Syst. 1980, PAS-99, 966–975. [Google Scholar] [CrossRef]
- Adams, J.; Carter, C.; Huang, S.-H. ERCOT experience with Sub-synchronous Control Interaction and proposed remediation. In Proceedings of the PES TD 2012, Orlando, FL, USA, 7–10 May 2012; pp. 1–5. [Google Scholar]
- Saad, H.; Fillion, Y.; Deschanvres, S.; Vernay, Y.; Dennetière, S. On Resonances and Harmonics in HVDC-MMC Station Connected to AC Grid. IEEE Trans. Power Deliv. 2017, 32, 1565–1573. [Google Scholar] [CrossRef]
- Saad, H.; Dennetière, S.; Clerc, B. Interactions investigations between power electronics devices embedded in HVAC net-work. In Proceedings of the 13th IET International Conference on AC and DC Power Transmission (ACDC 2017), Manchester, UK, 14–16 February 2017; pp. 1–7. [Google Scholar]
- Padiyar, K.R.; Kulkarni, A.M. Analysis of Subsynchronous Resonance. In Dynamics and Control of Electric Transmission and Microgrids; John Wiley & Sons Ltd.: Hoboken, NJ, USA, 2019; pp. 341–389. [Google Scholar] [CrossRef]
- Zheng, R.; Joseph, T.; Wang, S.; Liang, J. A control strategy for TCSC to mitigate SSR with local measurements. In Proceedings of the 13th IET International Conference on AC and DC Power Transmission (ACDC 2017), Manchester, UK, 14–16 February 2017; pp. 1–6. [Google Scholar]
- Ängquist, L. Synchronous Voltage Reversal Control of Thyristor Controlled Series Capacitor; Trita-ETS; Royal Institute of Technology: Stockholm, Sweden, 2002; p. 246. [Google Scholar]
- Dynamical Performance of TCSC Schemes. Available online: https://tinyurl.com/2g8w2jfq (accessed on 22 December 2022).
- Wang, Y.; Syed, M.H.; Guillo-Sansano, E.; Xu, Y.; Burt, G.M. Inverter-Based Voltage Control of Distribution Networks: A Three-Level Coordinated Method and Power Hardware-in-the-Loop Validation. IEEE Trans. Sustain. Energy 2020, 11, 2380–2391. [Google Scholar] [CrossRef]
- Cowan, I.L.; Marshall, S.C.M. Installation and interfacing HVDC control replicas at the national HVDC centre. In Proceedings of the 15th IET International Conference on AC and DC Power Transmission (ACDC 2019), Coventry, UK, 5–7 February 2019; pp. 1–6. [Google Scholar]
- Best Paths. Final Recommendations for Interoperability of Multivendor HVDC. Available online: http://www.bestpaths-project.eu/contents/publications/d93--final-demo2-recommendations--vfinal.pdf (accessed on 8 November 2022).
- Park, I.K.; Lee, J.; Song, J.; Kim, Y.; Kim, T. Large-scale AC/DC EMT Level System Simulations by a Real Time Digital Simulator (RTDS) in KEPRI-KEPCO. KEPCO J. Electr. Power Energy 2017, 3, 17–21. [Google Scholar]
- Hur, K.; Lee, J.; Song, J.; Ko, B.; Shin, J. Advanced Real Time Power System Simulator for Korea Electric Power Systems: Challenges and Opportunities. IEEE PES. 2018. Available online: http://site.ieee.org/pesitst/files/2018/08/2018-Panel-1.pdf (accessed on 8 November 2022).
- CIGREWorking Group B4.38. Modeling and Simulation Studies to Be Performed during the Lifecycle of HVDC Systems; CIGRE Technical Brochure: Paris, France, 2013. [Google Scholar]
- Kotsampopoulos, P.; Georgilakis, P.; Lagos, D.T.; Kleftakis, V.; Hatziargyriou, N. FACTS Providing Grid Services: Applications and Testing. Energies 2019, 12, 2554. [Google Scholar] [CrossRef]
- Ou, K.J.; Li, H.Y. Function and Dynamic Performance Test of the Updated Tian-Guang HVDC Control and Protection System. Adv. Mater. Res. 2012, 516–517, 1527–1530. [Google Scholar] [CrossRef]
- Guay, F.; Chiasson, P.; Verville, N.; Tremblay, S.; Askvid, P. New hydro Quebec real time Simulation interface HVDC commissioning studies. In Proceedings of the International Conference on Power Systems Transients 2017 (IPST 2017), Seoul, Korea, 25–29 June 2017. [Google Scholar]
- Siddiqui, A.S.; Khan, M.T.; Iqbal, F. A novel approach to determine optimal location of TCSC for congestion management. In Proceedings of the 2014 6th IEEE Power India International Conference (PIICON), Delhi, India, 5–7 December 2014; pp. 1–6. [Google Scholar]
- Sun, D.; Xie, X.; Liu, Y.; Wang, K.; Ye, M. Investigation of SSTI Between Practical MMC-Based VSC-HVDC and Adjacent Turbogenerators through Modal Signal Injection Test. IEEE Trans. Power Deliv. 2017, 32, 2432–2441. [Google Scholar] [CrossRef]
- Pilotto, L.A.S.; Bianco, A.; Long, W.F.; Edris, A.-A. Impact of TCSC control methodologies on subsynchronous oscillations. IEEE Trans. Power Deliv. 2003, 18, 243–252. [Google Scholar] [CrossRef]
- Yan, G.; Jia, Q.; Liu, K.; Hu, W.; Wang, J. Impact of DFIG-Based WTs on Subsynchronous Oscillation Damping of SG Based on the Net Electrical Damping Method. J. Electr. Eng. Technol. 2021, 16, 725–736. [Google Scholar] [CrossRef]
- Interactions between HVDC Systems and Other Connections. Available online: https://tinyurl.com/2hws5fvm (accessed on 22 December 2022).












| Items | Values | Unit | |
|---|---|---|---|
| Before | After | ||
| Line length | Overhead Line: 90.958 | Ov head Line: 90.003 Underground Cable: 1.5 | km |
| Resistance | 0.001364 | 0.001358 | Ω/km |
| Inductance | 0.569943 | 0.86011 | Ω/km |
| Conductance | 0.023194 | 0.023035 | mS/km |
| Installation Location | Equipment | Volume (Mvar) | Operating Capacity (Mvar) |
|---|---|---|---|
| SYJ S/S | STATCOM | ±400 | 100 (Inductive) |
| SCJ S/S | STATCOM | ±400 | −200 (Capacitive) |
| DH S/S | STATCOM | ±400 | 200 (Inductive) |
| SJC S/S | SVC | −225~+675 | 0 |
| Case | 1 | 2 | 3 | 4 | 5 | 6 | 7 |
|---|---|---|---|---|---|---|---|
| Target generator | NP#1–1 | NP#1–2 | NP#2–1 | NP#2–2 | NP#3 | NP#4–1 | NP#4–2 |
| UIF | 0.0240 | 0.0039 | 0.0227 | 0.0016 | 0.0469 | 0.0619 | 0.0114 |
Disclaimer/Publisher’s Note: The statements, opinions and data contained in all publications are solely those of the individual author(s) and contributor(s) and not of MDPI and/or the editor(s). MDPI and/or the editor(s) disclaim responsibility for any injury to people or property resulting from any ideas, methods, instructions or products referred to in the content. |
© 2023 by the authors. Licensee MDPI, Basel, Switzerland. This article is an open access article distributed under the terms and conditions of the Creative Commons Attribution (CC BY) license (https://creativecommons.org/licenses/by/4.0/).
Share and Cite
Ku, H.-K.; Kwon, H.-I.; Song, J.-Y.; Oh, S.-C.; Shin, J.-H. Analysis of the System Impact upon Thyristor Controlled Series Capacitor Relocation Due to Changes in the Power System Environment. Energies 2023, 16, 722. https://doi.org/10.3390/en16020722
Ku H-K, Kwon H-I, Song J-Y, Oh S-C, Shin J-H. Analysis of the System Impact upon Thyristor Controlled Series Capacitor Relocation Due to Changes in the Power System Environment. Energies. 2023; 16(2):722. https://doi.org/10.3390/en16020722
Chicago/Turabian StyleKu, Hyun-Keun, Hyuk-Il Kwon, Ji-Young Song, Seung-Chan Oh, and Jeong-Hoon Shin. 2023. "Analysis of the System Impact upon Thyristor Controlled Series Capacitor Relocation Due to Changes in the Power System Environment" Energies 16, no. 2: 722. https://doi.org/10.3390/en16020722
APA StyleKu, H.-K., Kwon, H.-I., Song, J.-Y., Oh, S.-C., & Shin, J.-H. (2023). Analysis of the System Impact upon Thyristor Controlled Series Capacitor Relocation Due to Changes in the Power System Environment. Energies, 16(2), 722. https://doi.org/10.3390/en16020722

