Advanced Exergy Analysis of Ultra-Low GWP Reversible Heat Pumps for Residential Applications †
Abstract
1. Introduction
2. Materials and Methods
2.1. Conventional Exergy Analysis
- Gouy–Stodola theorem
- the exergy balance for the k-th component
2.2. Advanced Exergy Analysis
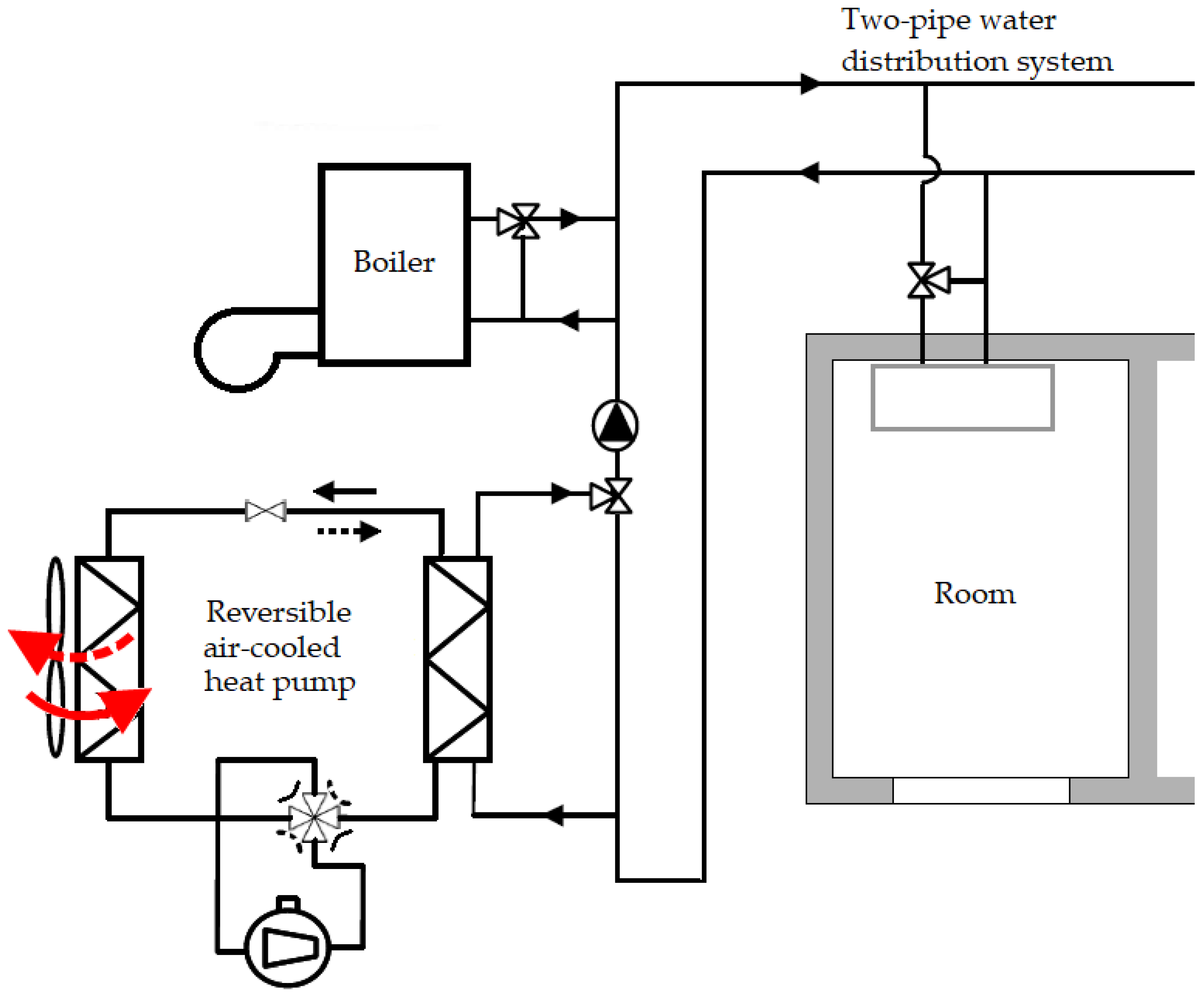
2.3. Case Study
3. Results and Discussion
4. Conclusions and Future Work
- For the components of the investigated heat pump, the distribution of the absolute values and shares of daily exergy destruction obtained via the conventional exergy analysis vary within a year. For the heating season, the compressor provides the largest daily exergy destruction, whereas for the cooling season, the outside unit (air-based heat exchanger) is the component with the highest daily thermodynamic inefficiency.
- Our conventional exergy analysis suggests that the largest annual degree of exergy destruction belonged to the thermodynamic cycle with R410A (5913 kWh). The lowest value of exergy destruction (4522 kWh) was obtained for the system using R290. Therefore, from a thermodynamic viewpoint, R290 is the best substitute for R410A and R134a for the selected heat pump. If all the avoidable exergy destruction of R410A system could be removed, the annual exergy destruction of this solution would decrease by 50%. Compared to R410A and R134a, R152a and R290 provided the lowest values of the total annual unavoidable aspects of exergy destruction.
- If the heat pump with R290 was used for heating and cooling purposes, removing irreversibilities within the air-based heat exchanger would provide the largest decrease in daily exergy destruction within the system compared to the compressor and the inside unit (water exchanger). The compressor and water-based heat exchanger have the second and third highest potentials for improvement, respectively. Consequently, for the reversible heat pump operating with R290, the air-based heat exchanger has the largest potential for decreasing exergy destruction within the system (1182 kWh or 57%). The thermodynamic improvement of the compressor and water-based heat exchanger provided 622 kWh (or 30%) and 267 kWh (or 13%) decrements in exergy destruction within the investigated heat pump. In addition, it has been found that the mutual interactions between the compressor, the inside and outside units were weak. The irreversibilities of the expansion valve are mostly dependent on the inefficiencies within the outside unit.
Author Contributions
Funding
Data Availability Statement
Acknowledgments
Conflicts of Interest
Nomenclature
| A | heat transfer area (m2) |
| COP | coefficient of performance (-) |
| exergy rate (W) | |
| heat transfer rate (W) | |
| GWP | global warming potential |
| HFC | hydrofluorocarbon |
| HFO | hydrofluoroolefin |
| HVAC | heating, ventilation, and air-conditioning |
| h | specific enthalpy (J/kg) |
| Pierre’s correlations constants | |
| LMTD | logarithmic mean temperature difference (K) |
| mass flow rate (kg s−1) | |
| N | rotational speed (s−1) |
| P | absolute pressure (Pa) |
| s | specific entropy (J/(kg·K)) |
| T | temperature (K) |
| U | overall heat transfer coefficient (W m−2 K−1) |
| V | volume (m3) |
| v | specific volume (m3/kg) |
| shaft power required by compressor (W) | |
| Subscripts and superscripts | |
| air | air |
| AV | avoidable |
| c | cold |
| CD | condenser |
| CM | compressor |
| D | destruction |
| Dem | demand |
| daily | daily |
| EXT | external |
| EXV | expansion valve |
| EV | evaporator |
| F | fuel |
| gen | generation |
| INT, int | internal |
| is | isentropic |
| in | inlet |
| h | hot |
| k | k-th component |
| MIN | minimum |
| out | outlet |
| P | product |
| r | r-th component |
| ref | refrigerant |
| sol | solar |
| s | swept |
| trans | transmission losses |
| UN | unavoidable |
| vol | volumetric |
| vent | ventilation |
| yr | annual |
| water | water |
| wf | working fluid |
| 0 | reference state |
| Greek symbols | |
| α | convection heat transfer coefficient (W m−2 K−1) |
| η | efficiency (-) |
References
- Stabat, P.; Marchio, D. Opportunities for Reversible Chillers in Office Buildings in Europe. Build. Simul. 2009, 2, 95–108. [Google Scholar] [CrossRef]
- Artuso, P.; Tosato, G.; Rossetti, A.; Marinetti, S.; Hafner, A.; Banasiak, K.; Minetto, S. Dynamic Modelling and Validation of an Air-to-Water Reversible R744 Heat Pump for High Energy Demand Buildings. Energies 2021, 14, 8238. [Google Scholar] [CrossRef]
- Renedo, C.J.; Ortiz, A.; Mañana, M.; Delgado, F. A More Efficient Design for Reversible Air–Air Heat Pumps. Energy Build. 2007, 39, 1244–1249. [Google Scholar] [CrossRef]
- Dongellini, M.; Naldi, C.; Morini, G.L. Sizing Effects on the Energy Performance of Reversible Air-Source Heat Pumps for Office Buildings. Appl. Therm. Eng. 2017, 114, 1073–1081. [Google Scholar] [CrossRef]
- Zhang, W.; Klemeš, J.J.; Kim, J.-K. Design and Optimisation of Dual-Mode Heat Pump Systems Using Natural Fluids. Appl. Therm. Eng. 2012, 43, 109–117. [Google Scholar] [CrossRef]
- Byrne, P. Research Summary and Literature Review on Modelling and Simulation of Heat Pumps for Simultaneous Heating and Cooling for Buildings. Energies 2022, 15, 3529. [Google Scholar] [CrossRef]
- Kinab, E.; Marchio, D.; Rivière, P.; Zoughaib, A. Reversible Heat Pump Model for Seasonal Performance Optimization. Energy Build. 2010, 42, 2269–2280. [Google Scholar] [CrossRef]
- Madonna, F.; Bazzocchi, F. Annual Performances of Reversible Air-to-Water Heat Pumps in Small Residential Buildings. Energy Build. 2013, 65, 299–309. [Google Scholar] [CrossRef]
- Nawaz, K.; Shen, B.; Elatar, A.; Baxter, V.; Abdelaziz, O. R1234yf and R1234ze(E) as Low-GWP Refrigerants for Residential Heat Pump Water Heaters. Int. J. Refrig. 2017, 82, 348–365. [Google Scholar] [CrossRef]
- Nawaz, K.; Shen, B.; Elatar, A.; Baxter, V.; Abdelaziz, O. R290 (Propane) and R600a (Isobutane) as Natural Refrigerants for Residential Heat Pump Water Heaters. Appl. Therm. Eng. 2017, 127, 870–883. [Google Scholar] [CrossRef]
- Morosuk, T.; Tsatsaronis, G. Advanced Exergy-Based Methods Used to Understand and Improve Energy-Conversion Systems. Energy 2019, 169, 238–246. [Google Scholar] [CrossRef]
- Wu, D.; Hu, B.; Wang, R.Z.; Fan, H.; Wang, R. The Performance Comparison of High Temperature Heat Pump among R718 and Other Refrigerants. Renew. Energy 2020, 154, 715–722. [Google Scholar] [CrossRef]
- Bobbo, S.; Fedele, L.; Curcio, M.; Bet, A.; De Carli, M.; Emmi, G.; Poletto, F.; Tarabotti, A.; Mendrinos, D.; Mezzasalma, G.; et al. Energetic and Exergetic Analysis of Low Global Warming Potential Refrigerants as Substitutes for R410A in Ground Source Heat Pumps. Energies 2019, 12, 3538. [Google Scholar] [CrossRef]
- de Paula, C.H.; Duarte, W.M.; Rocha, T.T.M.; de Oliveira, R.N.; Maia, A.A.T. Optimal Design and Environmental, Energy and Exergy Analysis of a Vapor Compression Refrigeration System Using R290, R1234yf, and R744 as Alternatives to Replace R134a. Int. J. Refrig. 2020, 113, 10–20. [Google Scholar] [CrossRef]
- Byrne, P.; Ghoubali, R. Exergy Analysis of Heat Pumps for Simultaneous Heating and Cooling. Appl. Therm. Eng. 2019, 149, 414–424. [Google Scholar] [CrossRef]
- Li, H.; Tang, K. A Comprehensive Study of Drop-in Alternative Mixtures for R134a in a Mobile Air-Conditioning System. Appl. Therm. Eng. 2022, 203, 117914. [Google Scholar] [CrossRef]
- Dai, B.; Liu, C.; Liu, S.; Wang, D.; Wang, Q.; Zou, T.; Zhou, X. Life Cycle Techno-Enviro-Economic Assessment of Dual-Temperature Evaporation Transcritical CO2 High-Temperature Heat Pump Systems for Industrial Waste Heat Recovery. Appl. Therm. Eng. 2023, 219, 119570. [Google Scholar] [CrossRef]
- Botticella, F.; Viscito, L. Seasonal Performance Analysis of a Residential Heat Pump Using Different Fluids with Low Environmental Impact. Energy Procedia 2015, 82, 878–885. [Google Scholar] [CrossRef]
- Ghoubali, R.; Byrne, P.; Miriel, J.; Bazantay, F. Simulation Study of a Heat Pump for Simultaneous Heating and Cooling Coupled to Buildings. Energy Build. 2014, 72, 141–149. [Google Scholar] [CrossRef]
- Bejan, A.; Tsatsaronis, G.; Moran, M.J. Thermal Design and Optimization; Wiley: New York, NY, USA, 1996; ISBN 978-0-471-58467-4. [Google Scholar]
- Voloshchuk, V.; Gullo, P.; Nikiforovich, E. A new approach for estimation of avoidable exergy destruction: A case study of a heat pump unit. In Proceedings of the 34th International Conference on Efficency, Cost, Optimization, Simulation and Environmental Impact of Energy Systems (ECOS’21), Taormina, Italy, 28 June 28–2 July 2021; pp. 1369–1377. [Google Scholar]
- International Weather for Energy Calculations. Available online: https://energyplus.net/weather-location/europe_wmo_region_6/UKR/UKR_Kiev.333450_IWEC (accessed on 15 October 2022).
- Sanaye, S.; Chahartaghi, M.; Asgari, H. Dynamic Modeling of Gas Engine Driven Heat Pump System in Cooling Mode. Energy 2013, 55, 195–208. [Google Scholar] [CrossRef]
- Granryd, E.; Ekroth, I.; Lundqvist, P.; Melinder, A.; Palm, B.; Rohlin, P. Refrigeration Engineering; K. Tek. Högskolan: Stockholm, Sweden, 1999. [Google Scholar]
- Mateu-Royo, C.; Sawalha, S.; Mota-Babiloni, A.; Navarro-Esbrí, J. High Temperature Heat Pump Integration into District Heating Network. Energy Convers. Manag. 2020, 210, 112719. [Google Scholar] [CrossRef]
- Mateu-Royo, C.; Navarro-Esbrí, J.; Mota-Babiloni, A.; Amat-Albuixech, M.; Molés, F. Thermodynamic Analysis of Low GWP Alternatives to HFC-245fa in High-Temperature Heat Pumps: HCFO-1224yd(Z), HCFO-1233zd(E) and HFO-1336mzz(Z). Appl. Therm. Eng. 2019, 152, 762–777. [Google Scholar] [CrossRef]
- Cecchinato, L.; Chiarello, M.; Corradi, M. A Simplified Method to Evaluate the Seasonal Energy Performance of Water Chillers. Int. J. Therm. Sci. 2010, 49, 1776–1786. [Google Scholar] [CrossRef]
- Longo, G.A. Heat Transfer and Pressure Drop during Hydrocarbon Refrigerant Condensation inside a Brazed Plate Heat Exchanger. Int. J. Refrig. 2010, 33, 944–953. [Google Scholar] [CrossRef]
- Ghim, G.; Lee, J. Condensation Heat Transfer of Low GWP ORC Working Fluids in a Horizontal Smooth Tube. Int. J. Heat Mass Transf. 2017, 104, 718–728. [Google Scholar] [CrossRef]
- Amalfi, R.L.; Vakili-Farahani, F.; Thome, J.R. Flow Boiling and Frictional Pressure Gradients in Plate Heat Exchangers. Part 1: Review and Experimental Database. Int. J. Refrig. 2016, 61, 166–184. [Google Scholar] [CrossRef]
- Bell, I.H.; Wronski, J.; Quoilin, S.; Lemort, V. Pure and Pseudo-Pure Fluid Thermophysical Property Evaluation and the Open-Source Thermophysical Property Library CoolProp. Ind. Eng. Chem. Res. 2014, 53, 2498–2508. [Google Scholar] [CrossRef] [PubMed]
- Herbas, T.B.; Berlinck, E.C.; Uriu, C.A.T.; Marques, R.P.; Parise, J.A.R. Steady-State Simulation of Vapour-Compression Heat Pumps. Int. J. Energy Res. 1993, 17, 801–816. [Google Scholar] [CrossRef]
- Torio, H.; Schmidt, D. ECBCS Annex 49-Low Exergy Systems for High-Performance Buildings and Communities; Fraunhofer Verlag: Stuttgart, Germany, 2011; ISBN 978-3-8396-0239-3. [Google Scholar]
- Voloshchuk, V.; Gullo, P.; Sereda, V. Advanced Exergy-Based Performance Enhancement of Heat Pump Space Heating System. Energy 2020, 205, 117953. [Google Scholar] [CrossRef]








Disclaimer/Publisher’s Note: The statements, opinions and data contained in all publications are solely those of the individual author(s) and contributor(s) and not of MDPI and/or the editor(s). MDPI and/or the editor(s) disclaim responsibility for any injury to people or property resulting from any ideas, methods, instructions or products referred to in the content. |
© 2023 by the authors. Licensee MDPI, Basel, Switzerland. This article is an open access article distributed under the terms and conditions of the Creative Commons Attribution (CC BY) license (https://creativecommons.org/licenses/by/4.0/).
Share and Cite
Voloshchuk, V.; Gullo, P.; Nikiforovich, E. Advanced Exergy Analysis of Ultra-Low GWP Reversible Heat Pumps for Residential Applications. Energies 2023, 16, 703. https://doi.org/10.3390/en16020703
Voloshchuk V, Gullo P, Nikiforovich E. Advanced Exergy Analysis of Ultra-Low GWP Reversible Heat Pumps for Residential Applications. Energies. 2023; 16(2):703. https://doi.org/10.3390/en16020703
Chicago/Turabian StyleVoloshchuk, Volodymyr, Paride Gullo, and Eugene Nikiforovich. 2023. "Advanced Exergy Analysis of Ultra-Low GWP Reversible Heat Pumps for Residential Applications" Energies 16, no. 2: 703. https://doi.org/10.3390/en16020703
APA StyleVoloshchuk, V., Gullo, P., & Nikiforovich, E. (2023). Advanced Exergy Analysis of Ultra-Low GWP Reversible Heat Pumps for Residential Applications. Energies, 16(2), 703. https://doi.org/10.3390/en16020703

