Experience in Scaling-Up of Photo-Thermo-Catalytic Purification of Process Gasses from NOx
Abstract
1. Introduction
2. PTC NOx Removal: State of the Art
2.1. The Role of Temperature in the Solution to the “Water Problem”
2.2. The Progress of Photo-Thermo-Catalytic Reactors for the NOx Removal Process
2.3. The Importance of Light Transfer in Pilot-Scale Reactors
2.4. Beneficial Effects of Temperature in the Process of Photocatalytic NOx Removal: Auxiliary Processes
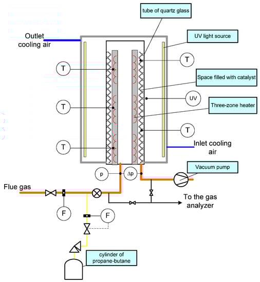
3. Further Development of Photo-Thermo-Catalytic Reactors
4. Conclusions
Author Contributions
Funding
Acknowledgments
Conflicts of Interest
References
- Kim, J.-H.; Kim, J.-H.; Kim, H.-S.; Kim, H.-J.; Kang, S.-H.; Ryu, J.-H.; Shim, S.-S. Reduction of NOx Emission from the Cement Industry in South Korea: A Review. Atmosphere 2022, 13, 121. [Google Scholar] [CrossRef]
- Lasek, J.A.; Lajnert, R. On the Issues of NOx as Greenhouse Gases: An Ongoing Discussion. Appl. Sci. 2022, 12, 10429. [Google Scholar] [CrossRef]
- Lasek, J.; Yu, Y.-H.; Wu, J.C.S. Removal of NOx by photocatalytic processes. J. Photochem. Photobiol. C Photochem. Rev. 2013, 14, 29–52. [Google Scholar] [CrossRef]
- Mateo, D.; Cerrillo, J.L.; Durini, S.; Gascon, J. Fundamentals and applications of photo-thermal catalysis. Chem. Soc. Rev. 2021, 50, 2173–2210. [Google Scholar] [CrossRef]
- Ma, R.; Sun, J.; Li, D.H.; Wei, J.J. Review of synergistic photo-thermo-catalysis: Mechanisms, materials and applications. Int. J. Hydrog. Energy 2020, 45, 30288–30324. [Google Scholar] [CrossRef]
- Keller, N.; Ivanez, J.; Highfield, J.; Ruppert, A.M. Photo-/thermal synergies in heterogeneous catalysis: Towards low-temperature (solar-driven) processing for sustainable energy and chemicals. Appl. Catal. B Environ. 2021, 296, 120320. [Google Scholar] [CrossRef]
- Tang, S.; Sun, J.; Hong, H.; Liu, Q. Solar fuel from photo-thermal catalytic reactions with spectrum-selectivity: A review. Front. Energy 2017, 11, 437–451. [Google Scholar] [CrossRef]
- Kho, E.T.; Tan, T.H.; Lovell, E.; Wong, R.J.; Scott, J.; Amal, R. A review on photo-thermal catalytic conversion of carbon dioxide. Green Energy Environ. 2017, 2, 204–217. [Google Scholar] [CrossRef]
- Nasir, A.; Khalid, S.; Yasin, T.; Mazare, A. A Review on the Progress and Future of TiO2/Graphene Photocatalysts. Energies 2022, 15, 6248. [Google Scholar] [CrossRef]
- Li, X.; Simon, U.; Bekheet, M.F.; Gurlo, A. Mineral-Supported Photocatalysts: A Review of Materials, Mechanisms and Environmental Applications. Energies 2022, 15, 5607. [Google Scholar] [CrossRef]
- Nguyen, V.-H.; Nguyen, B.-S.; Huang, C.-W.; Le, T.-T.; Nguyen, C.C.; Nhi Le, T.T.; Heo, D.; Ly, Q.V.; Trinh, Q.T.; Shokouhimehr, M.; et al. Photocatalytic NOx abatement: Recent advances and emerging trends in the development of photocatalysts. J. Clean. Prod. 2020, 270, 121912. [Google Scholar] [CrossRef]
- Usman, M.; Humayun, M.; Shah, S.S.; Ullah, H.; Tahir, A.A.; Khan, A. Bismuth-Graphene Nanohybrids: Synthesis, Reaction Mechanisms, and Photocatalytic Applications—A Review. Energies 2021, 14, 2281. [Google Scholar] [CrossRef]
- Lee, J.-W.; Baek, C. Evaluation of NOx Reduction Effect and Impact on Asphalt Pavement of Surface Treatment Technology including TiO2 and Asphalt Rejuvenator. Appl. Sci. 2021, 11, 11571. [Google Scholar] [CrossRef]
- Barbudo, A.; Lozano-Lunar, A.; López-Uceda, A.; Galvín, A.P.; Ayuso, J. Photocatalytic Recycled Mortars: Circular Economy as a Solution for Decontamination. Appl. Sci. 2020, 10, 7305. [Google Scholar] [CrossRef]
- Yu, Y.H.; Su, I.H.; Wu, J.C. Photocatalytic reduction of NO pollutant using an optical-fibre photoreactor at room temperature. Environ. Technol. 2010, 31, 1449–1458. [Google Scholar] [CrossRef]
- Sivachandiran, L.; Thevenet, F.; Gravejat, P.; Rousseau, A. Investigation of NO and NO2 adsorption mechanisms on TiO2 at room temperature. Appl. Catal. B Environ. 2013, 142–143, 196–204. [Google Scholar] [CrossRef]
- Poulston, S.; Twigg, M.V.; Walker, A.P. The Effect of nitric oxide on the photocatalytic oxidation of small hydrocarbons over titania. Appl. Catal. B Environ. 2009, 89, 335–341. [Google Scholar] [CrossRef]
- Yu, Y.-H.; Pan, Y.-T.; Wu, Y.-T.; Lasek, J.; Wu, J.C.S. Photocatalytic NO reduction with C3H8 using a monolith photoreactor. Catal. Today 2011, 174, 141–147. [Google Scholar] [CrossRef]
- Lasek, J.; Yu, Y.-H.; Wu, J.C.S. Water and temperature effects on photo-selective catalytic reduction of nitric oxide on Pd-loaded TiO2 photocatalyst. Environ. Technol. 2012, 33, 2133–2141. [Google Scholar] [CrossRef] [PubMed]
- Yu, J.C.-C.; Nguyen, V.-H.; Lasek, J.; Chiang, S.-W.; Li, D.X.; Wu, J.C. NOx abatement from stationary emission sources by photo-assisted SCR: Lab-scale to pilot-scale studies. Appl. Catal. A Gen. 2016, 523, 294–303. [Google Scholar] [CrossRef]
- Yu, J.C.-C.; Nguyen, V.-H.; Lasek, J.; Li, D.X.; Wu, J.C. Competitive reaction pathway for photo and thermal catalytic removal of NO with hydrocarbon in flue gas under elevated temperatures. Catal. Commun. 2016, 84, 40–43. [Google Scholar] [CrossRef]
- Yu, J.C.-C.; Nguyen, V.-H.; Lasek, J.; Wu, J.C. Titania nanosheet photocatalysts with dominantly exposed (001) reactive facets for photocatalytic NOx abatement. Appl. Catal. B Environ. 2017, 219, 391–400. [Google Scholar] [CrossRef]
- Fu, X.; Clark, L.A.; Zeltner, W.A.; Anderson, M.A. Effects of reaction temperature and water vapor content on the heterogeneous photocatalytic oxidation of ethylene. J. Photochem. Photobiol. A Chem. 1996, 97, 181–186. [Google Scholar] [CrossRef]
- Falconer, J.L.; Magrini-Bair, K.A. Photocatalytic and Thermal Catalytic Oxidation of Acetaldehyde on Pt/TiO2. J. Catal. 1998, 179, 171–178. [Google Scholar] [CrossRef]
- Yamamoto, A.; Mizuno, Y.; Teramura, K.; Shishido, T.; Tanaka, T. Effects of reaction temperature on the photocatalytic activity of photo-SCR of NO with NH3 over a TiO2 photocatalyst. Catal. Sci. Technol. 2013, 3, 1771–1775. [Google Scholar] [CrossRef]
- Wu, Y.-T.; Yu, Y.-H.; Nguyen, V.-H.; Wu, J.C.S. In-situ FTIR spectroscopic study of the mechanism of photocatalytic reduction of NO with methane over Pt/TiO2 photocatalysts. Res. Chem. Intermed. 2015, 41, 2153–2164. [Google Scholar] [CrossRef]
- Vorontsov, A.V.; Kurkin, E.N.; Savinov, E.N. Study of TiO2 Deactivation during Gaseous Acetone Photocatalytic Oxidation. J. Catal. 1999, 186, 318–324. [Google Scholar] [CrossRef]
- Wu, J.-F.; Hung, C.-H.; Yuan, C.-S. Kinetic modeling of promotion and inhibition of temperature on photocatalytic degradation of benzene vapor. J. Photochem. Photobiol. A Chem. 2005, 170, 299–306. [Google Scholar] [CrossRef]
- Blanco, J.; Avila, P.; Bahamonde, A.; Alvarez, E.; Sánchez, B.; Romero, M. Photocatalytic destruction of toluene and xylene at gas phase on a titania based monolithic catalyst. Catal. Today 1996, 29, 437–442. [Google Scholar] [CrossRef]
- Fu, X.; Zeltner, W.A.; Anderson, M.A. The gas-phase photocatalytic mineralization of benzene on porous titania-based catalysts. Appl. Catal. B Environ. 1995, 6, 209–224. [Google Scholar] [CrossRef]
- Kang, L.; Liu, X.Y.; Wang, A.; Li, L.; Ren, Y.; Li, X.; Pan, X.; Li, Y.; Zong, X.; Liu, H. Photo–thermo Catalytic Oxidation over a TiO2-WO3-Supported Platinum Catalyst. Angew. Chem. Int. Ed. 2020, 59, 12909–12916. [Google Scholar] [CrossRef]
- Kim, G.; Choi, H.J.; Kim, H.-i.; Kim, J.; Monllor-Satoca, D.; Kim, M.; Park, H. Temperature-boosted photocatalytic H2 production and charge transfer kinetics on TiO2 under UV and visible light. Photochem. Photobiol. Sci. 2016, 15, 1247–1253. [Google Scholar] [CrossRef]
- Yu, J.C.-C.; Lasek, J.; Nguyen, V.-H.; Yu, Y.-H.; Wu, J.C.S. Visualizing reaction pathway for the photo-transformation of NO2 and N2 into NO over WO3 photocatalyst. Res. Chem. Intermed. 2017, 43, 7159–7169. [Google Scholar] [CrossRef]
- Nguyen, V.-H.; Lin, S.D.; Wu, J.C.S.; Bai, H. Influence of co-feeds additive on the photo-epoxidation of propylene over V–Ti/MCM-41 photocatalyst. Catal. Today 2015, 245, 186–191. [Google Scholar] [CrossRef]
- Nguyen, V.-H.; Wu, J.C.; Bai, H. Temperature effect on the photo-epoxidation of propylene over V–Ti/MCM-41 photocatalyst. Catal. Commun. 2013, 33, 57–60. [Google Scholar] [CrossRef]
- Chan, H.-Y.; Nguyen, V.-H.; Wu, J.; Calvino-Casilda, V.; Bañares, M.A.; Bai, H. Real-time Raman monitoring during photocatalytic epoxidation of cyclohexene over V-Ti/MCM-41 catalysts. Catalysts 2015, 5, 518–533. [Google Scholar] [CrossRef]
- Lasek, J.; Głód, K.; Zuwała, J.; Iluk, A.; Yu, J.C.-C.; Kazalski, K.; Wu, J.C.-S. Photo-catalytic removal of NOx from real condition flue gases. In Proceedings of the 43rd Conference of SSCHE, Tatranské Matliare, Slovakia, 23–27 May 2016. [Google Scholar]
- Natarajan, S. Thermal Metrology Techniques for Ultraviolet Light Emitting Diodes; Georgia Institute of Technology: Atlanta, GA, USA, 2012. [Google Scholar]
- Website, Optical Materials: Moldable Optical Silicone Elastomers Spark Creativity in LED Lighting. Available online: https://www.laserfocusworld.com/optics/article/14040094/moldable-optical-silicone-elastomers-spark-creativity-in-led-lighting (accessed on 6 July 2023).
- Wu, Y.; Liu, J.; Jiao, X.; Cheng, F.; Lai, G.; Yang, X. UV-cured transparent flexible silicone materials with high tensile strength. ACS Omega 2020, 5, 6199–6206. [Google Scholar] [CrossRef] [PubMed]
- Transparent Material Considerations for UV Optics in Horticultural Lighting Applications. Available online: https://www.led-professional.com/resources-1/articles/transparent-material-considerations-for-uv-optics-in-horticultural-lighting-applications (accessed on 6 July 2023).
- Xu, J.; Nagasawa, H.; Kanezashi, M.; Tsuru, T. TiO2 Coatings Via Atmospheric-Pressure Plasma-Enhanced Chemical Vapor Deposition for Enhancing the UV-Resistant Properties of Transparent Plastics. ACS Omega 2021, 6, 1370–1377. [Google Scholar] [CrossRef]
- Nagasawa, H.; Xu, J.; Kanezashi, M.; Tsuru, T. Atmospheric-pressure plasma-enhanced chemical vapor deposition of UV-shielding TiO2 coatings on transparent plastics. Mater. Lett. 2018, 228, 479–481. [Google Scholar] [CrossRef]
- Lukes, P.; Clupek, M.; Babicky, V.; Sunka, P. Ultraviolet radiation from the pulsed corona discharge in water. Plasma Sources Sci. Technol. 2008, 17, 024012. [Google Scholar] [CrossRef]
- Shih, T.-T.; Hsu, I.-H.; Wu, J.-F.; Lin, C.-H.; Sun, Y.-C. Development of chip-based photocatalyst-assisted reduction device to couple high performance liquid chromatography and inductively coupled plasma-mass spectrometry for determination of inorganic selenium species. J. Chromatogr. A 2013, 1304, 101–108. [Google Scholar] [CrossRef]
- Yamamoto, A.; Teramura, K.; Hosokawa, S.; Tanaka, T. Effects of SO2 on selective catalytic reduction of NO with NH3 over a TiO2 photocatalyst. Sci. Technol. Adv. Mater. 2015, 16, 024901. [Google Scholar] [CrossRef]
- Durga Devi, A.; Pushpavanam, S.; Singh, N.; Verma, J.; Kaur, M.P.; Roy, S.C. Enhanced methane yield by photoreduction of CO2 at moderate temperature and pressure using Pt coated, graphene oxide wrapped TiO2 nanotubes. Results Eng. 2022, 14, 100441. [Google Scholar] [CrossRef]
- Pirola, C.; Bianchi, C.L.; Gatto, S.; Ardizzone, S.; Cappelletti, G. Pressurized photo-reactor for the degradation of the scarcely biodegradable DPC cationic surfactant in water. Chem. Eng. J. 2013, 225, 416–422. [Google Scholar] [CrossRef]
- Rossetti, I.; Villa, A.; Pirola, C.; Prati, L.; Ramis, G. A novel high-pressure photoreactor for CO2 photoconversion to fuels. RSC Adv. 2014, 4, 28883–28885. [Google Scholar] [CrossRef]
- Rehm, T.H. Reactor Technology Concepts for Flow Photochemistry. ChemPhotoChem 2020, 4, 235–254. [Google Scholar] [CrossRef]
- Penders, I.G.T.M.; Amara, Z.; Horvath, R.; Rossen, K.; Poliakoff, M.; George, M.W. Photocatalytic hydroxylation of arylboronic acids using continuous flow reactors. RSC Adv. 2015, 5, 6501–6504. [Google Scholar] [CrossRef]
- Lee, D.S.; Amara, Z.; Clark, C.A.; Xu, Z.; Kakimpa, B.; Morvan, H.P.; Pickering, S.J.; Poliakoff, M.; George, M.W. Continuous Photo-Oxidation in a Vortex Reactor: Efficient Operations Using Air Drawn from the Laboratory. Org. Process Res. Dev. 2017, 21, 1042–1050. [Google Scholar] [CrossRef]
- Bahadori, E.; Tripodi, A.; Villa, A.; Pirola, C.; Prati, L.; Ramis, G.; Dimitratos, N.; Wang, D.; Rossetti, I. High pressure CO2 photoreduction using Au/TiO2: Unravelling the effect of co-catalysts and of titania polymorphs. Catal. Sci. Technol. 2019, 9, 2253–2265. [Google Scholar] [CrossRef]
- Bahadori, E.; Tripodi, A.; Villa, A.; Pirola, C.; Prati, L.; Ramis, G.; Rossetti, I. High Pressure Photoreduction of CO2: Effect of Catalyst Formulation, Hole Scavenger Addition and Operating Conditions. Catalysts 2018, 8, 430. [Google Scholar] [CrossRef]
- Debeila, M.A.; Coville, N.J.; Scurrell, M.S.; Hearne, G.R. The effect of calcination temperature on the adsorption of nitric oxide on Au-TiO2: Drifts studies. Appl. Catal. A Gen. 2005, 291, 98–115. [Google Scholar] [CrossRef]
- Debeila, M.A.; Coville, N.J.; Scurrell, M.S.; Hearne, G.R. DRIFTS studies of the interaction of nitric oxide and carbon monoxide on Au–TiO2. Catal. Today 2002, 72, 79–87. [Google Scholar] [CrossRef]
- Galli, F.; Compagnoni, M.; Vitali, D.; Pirola, C.; Bianchi, C.L.; Villa, A.; Prati, L.; Rossetti, I. CO2 photoreduction at high pressure to both gas and liquid products over titanium dioxide. Appl. Catal. B Environ. 2017, 200, 386–391. [Google Scholar] [CrossRef]














| No | Catalyst | Reactor | Conditions | Max. NOx Conversion, % | Ref. |
|---|---|---|---|---|---|
| 1 | Powder form, Pd/PdO-loaded TiO2 (Degussa P25; 75% anatase and 25% rutile) specific surface area of 50 m2/g | Lab-scale photo-reactor aluminum alloy 6061, quartz window. The light-exposed area is 273 mm2, and the shape of the reactor is a double isosceles triangles with cut vertex (length of 3 to 5 mm, width of 12 mm, and depth of 1 mm), and the internal volume of the reactor is 0.546 mL. The photoreactor inserted with a thermocouple was settled on a heating plate to precisely control the reaction temperature. | 400 ppm NO, 5000 ppm C3H8, and pure N2 as water vapor carrier (0–1.6 v.%). The light intensity and wavelength are ~200mW/cm2 and 365 nm, respectively. Flow rate 3–10 mL/min (equivalent to volume hourly space velocity (GHSV) from 330–1090 h−1), temperature 30–120 °C. | Dry 94% Humid 90% | [19] |
| 2 | PtOxPdOy/TiO2-coated monolith (4.2 cm diameter and 6.0 cm length) | Lab-scale monolith photoreactor. The catalyst-coated monolith was inserted by side-glowed optical fiber in each channel and placed inside a circular quartz vessel. | 400 ppm NO, 5000 ppm C3H8, O2 5 v.%, H2O (water saturator at room temperature), N2 UV-A light (320–500 nm) at intensity of 46.9 mW/cm2, flow rate 7 mL/min (GHSV 3.15 h–1), temperature 25, 70, and 120 °C. | Dry 90% Humid 65% O2 67.1% | [18] |
| 3 | TiO2 supported on a spherical α-Al2O3/γ-Al2O3 | Modified lab-scale photoreactor (no. 1 in this table): a cylindrical notch of 15 mm in diameter and 1 mm in height, with exposure area of 176.63 mm2. The photoreactor inserted with a thermocouple was settled on a heating plate to precisely control the reaction temperature. | Lab-scale test 400 ppmv NO; 2000 ppmv C4H10; 4 v% O2; 4 v% H2O; and balancing by N2. The total feed gas volumetric flow rate was 25 mL/min (GHSV 10,000 h−1). The light source was provided by a mercury arc lamp (EXFO S1500, 200 mW cm−2, 320–500 nm), temperature 40–300 °C. | 43% | [20] |
| 4 | TiO2 supported on a spherical α-Al2O3/γ-Al2O3 | Pilot-scale photoreactor (annular type, diameter of 100 mm and 80 mm, length of 1120 mm, flow rate of 50–300 L/h of air) | Real-condition flue gas from the coal burning in a domestic furnace (25 kW), total volumetric flow rate 2300 mL/min (GHSV of 80 h−1), temperature 120–130 °C. | 68–75% | [20] |
| 5 | TiO2 photocatalyst was prepared by sol-gel method (powder form) | Lab-scale photoreactor (like in No. 3) | 400 ppmv NO, 2000 ppmv C4H10, 4 vol.% O2, 4 vol.% H2O, and balance gas (N2) with (GHSV of 10,000 h−1). Mercury arc lamp (OmniCure S1500, 200 mW cm−2, 320–500 nm), temperature 40–300 °C. | Humid, O2, 80% | [21] |
| 6 | Titania nanosheet photocatalysts with dominantly exposed (001) reactive facets | Lab-scale photoreactor (like in No. 3) | 400 ppmv NO; 2000 ppmv C4H10; 4 v% O2; 4 v% H2O; and balancing by N2. The total feed gas volumetric flow rate was 25 mL min−1 (GHSV 10,000 h−1). Mercury arc lamp (OmniCure S1500, 200 mW cm−2, 320–500 nm), temperature 40–160 °C. | Humid, O2, 87% | [22] |
| Reactant | Optimal Temperature Range, °C | Photocatalyst, Light | Ref. |
|---|---|---|---|
| Acetaldehyde | 140 | Pt-TiO2, UV (6 W black light, 0.08–0.10 mW/cm2) | [24] |
| Acetone | 100 | TiO2, 1000 W xenon lamp (313 nm interference filter, 7 mW/cm2) | [27] |
| Benzene | 160–180 | TiO2 (Degussa P-25), 15 W near-UV lamp (350 nm) | [28] |
| Reactor | Process | Temperature | Pressure | Ref. |
|---|---|---|---|---|
| 1.7 L, AISI 316 stainless | Photocatalytic reduction of CO2 with H2O | 80 °C | 7 bar | [57] |
| 8 cm inner diameter and 1 cm depth | Photocatalytic reduction of CO2 | 75–95 °C | 1.8 atm | [47] |
| Sapphire glass tube (o.d. 10 mm, length: 120 mm, wall thickness: 1 mm), filled with glass beads with a diameter of 6 mm | Dye-sensitized hydroxylation of arylboronic acid in an aqueous ethanol solution with high excess air compared to the substrate solution | n/a | 1–20 bar | [50,51] |
| CO2 photoreduction in the liquid phase | n/a | 7 bar | [53] | |
| Lab-scale photo-reactor | CO2 photoreduction in the liquid phase | 90 °C | 20 bar | [48,49] |
| Lab-scale (observation window ~1 cm2) pressurized photo-thermal reactor | DRIFT reactor for investigation of different gas–solid processes | Up to 450 °C | 34.4 bar | [6] |
| Innovative pressurized photoreactor, 1.3 L | Photoreduction of CO2 | 90 °C | 20 bar | [54] |
| Vortex reactor | Photo-oxidation of α-terpinene and furfuryl alcohol and photodeborylation of phenylboronic acid | 80 °C | 20 bar | [52] |
Disclaimer/Publisher’s Note: The statements, opinions and data contained in all publications are solely those of the individual author(s) and contributor(s) and not of MDPI and/or the editor(s). MDPI and/or the editor(s) disclaim responsibility for any injury to people or property resulting from any ideas, methods, instructions or products referred to in the content. |
© 2023 by the authors. Licensee MDPI, Basel, Switzerland. This article is an open access article distributed under the terms and conditions of the Creative Commons Attribution (CC BY) license (https://creativecommons.org/licenses/by/4.0/).
Share and Cite
Lasek, J.A.; Głód, K.; Fryza, R.; Dobras, S.; Chwoła, T.; Supernok, K.; Wu, J.C.-S.; Wu, A.P.-Y.; Huang, C.-W. Experience in Scaling-Up of Photo-Thermo-Catalytic Purification of Process Gasses from NOx. Energies 2023, 16, 5344. https://doi.org/10.3390/en16145344
Lasek JA, Głód K, Fryza R, Dobras S, Chwoła T, Supernok K, Wu JC-S, Wu AP-Y, Huang C-W. Experience in Scaling-Up of Photo-Thermo-Catalytic Purification of Process Gasses from NOx. Energies. 2023; 16(14):5344. https://doi.org/10.3390/en16145344
Chicago/Turabian StyleLasek, Janusz Andrzej, Krzysztof Głód, Rafał Fryza, Szymon Dobras, Tadeusz Chwoła, Krzysztof Supernok, Jeffrey Chi-Sheng Wu, Andy Peng-Yu Wu, and Chao-Wei Huang. 2023. "Experience in Scaling-Up of Photo-Thermo-Catalytic Purification of Process Gasses from NOx" Energies 16, no. 14: 5344. https://doi.org/10.3390/en16145344
APA StyleLasek, J. A., Głód, K., Fryza, R., Dobras, S., Chwoła, T., Supernok, K., Wu, J. C.-S., Wu, A. P.-Y., & Huang, C.-W. (2023). Experience in Scaling-Up of Photo-Thermo-Catalytic Purification of Process Gasses from NOx. Energies, 16(14), 5344. https://doi.org/10.3390/en16145344

