Next Article in Journal
A Homotopy-Based Approach to Solve the Power Flow Problem in Islanded Microgrid with Droop-Controlled Distributed Generation Units
Previous Article in Journal
Degradation of Oil and Petroleum Products in Water by Bioorganic Compositions Based on Humic Acids
 
 
Font Type:
Arial Georgia Verdana
Font Size:
Aa Aa Aa
Line Spacing:
Column Width:
Background:
Article

Performance Analysis and Comparison of an Experimental Hybrid PV, PVT and Solar Thermal System Installed in a Preschool in Bucharest, Romania

1
Faculty of Power Engineering, Universitatea Politehnica Bucharest, 60042 Bucharest, Romania
2
INSA Strasbourg ICUBE, University of Strasbourg, 67000 Strasbourg, France
*
Author to whom correspondence should be addressed.
Energies 2023, 16(14), 5321; https://doi.org/10.3390/en16145321
Submission received: 9 June 2023 / Revised: 5 July 2023 / Accepted: 8 July 2023 / Published: 12 July 2023
(This article belongs to the Topic Integration of Renewable Energy)

Abstract

The demand for on-site production of energy is showing a rapid increase as the trend of decentralisation and energy self-reliance gains momentum. This paper studies and compares three of the main solar energy technologies: photovoltaic, solar thermal panels and hybrid photovoltaic thermal panels. A prototype experimental installation consisting of the aforementioned technologies was set up on the campus of University Politehnica Bucharest. Data were collected over several months, then the instantaneous power production and overall system performance was computed. The system was analysed in four types of weather patterns, and its suitability was assessed in each case. The results show that the performance of PVT panels is closely connected to the dissipation of the thermal energy collected in the thermal storage tank. In addition, PVT collectors can outperform the PV panels in accordance to the thermal energy demand of the end user when used in an installation with suitable dimensions.

1. Introduction

The introduction of small-scale decentralized solar energy is an essential contributor to the energy mix of the future. On site-production of renewable heat and electricity is beneficial for multiple reasons, including less pollution, less heat/electrical losses due to transportation, increased reliance of the system.
The integration of solar energy has significant benefits in both urban and rural areas, especially at remote agricultural sites. A study [1] showed that in a greenhouse with 25% photovoltaic coverage ratio the energy costs can be reduced by 15%. In urban areas, an experimental installation [2] of 144 solar thermal panels for a hospital produced a total of 558 MWh of thermal energy, an equivalent savings to 58 tonnes of oil. An experimental study for a three-bedroom residential home in England showed that 15 m 2 installed area of PVT panels was able to supply 51% of the electrical energy demand and 36% of the thermal energy demand [3,4].
Currently, there is an emerging worldwide focus on research and development for PVT collectors. The International Energy Agency (IEA) has implemented the research projects Task 35—PV-Thermal Solar Systems [5] and Task 60—PVT Systems: Application of PVT Collectors and New Solutions in HVAC Systems, which aim to accelerate the adoption of high-quality collectors in order to develop international standards of performance, monitoring, and testing of PVT collectors and to investigate innovative PVT technologies, with a focus on HVAC solutions [6].
A price study was performed as part of Task 35, identifying an average cost of 300 €/m 2 for unglazed modules with thermal water agent, 120 €/m 2 for PV, and 220 €/m 2 for thermal collectors. These average prices indicate that even in the current commercial stage the installation of a PVT system is more economical than the use of separate PV and solar thermal panels.
In addition to the price of the modules, another important economic aspect is represented by subsidy schemes. The ‘Feed-in Tariffs’ (FiT) scheme is widely used in Europe; this is a flat-rate subsidy system for injecting excess electricity into the grid. One study [7] has shown the major impact of this tariff rate on investment, concluding that with FiTs and for a large installed capacity PVT becomes more profitable than PV and ST, the investment is recovered shortly, and the NPV during the lifetime of the installation is higher.
Several studies have been conducted to analyze PVT systems in comparison with individual PV systems and solar thermal collectors. Euh et al. [8] obtained an efficiency for an experimental PVT system without transparent coating that, while it was 13% lower on the thermal side, had 0.8% higher electrical efficiency for electrical conversion compared to the two separate panels. In this way, the total conversion efficiency of the system can be increased by up to 40% [9]. The benefit of PV cell cooling has been studied experimentally through various cooling configurations, with an improvement in electrical efficiency between 13.9% and 15.9% being obtained [10].
A dynamic numerical simulation was carried out over a period of one year to compare three types of collectors: unglazed, glazed with a protective layer, and double-glazed (two layers) [11]. The results showed that the unglazed collectors can cover up to up to 100% of the electrical energy demand and that the best thermal efficiency was achieved by the double-glazed collectors. A numerical study [12] compared a 300 kW PV solar systems with three types of technologies: mono-crystalline (mono-Si), poly-crystalline (poly-Si), and amorphous silicon (a-Si). The results indicated that mono-Si and poly-Si were economically feasible for small-scale and medium-scale installations, while a-Si was not due to higher costs and lower efficiency.
Another study extensively analysed the environmental impact of PVT collectors [13], in particular the CO 2 emissions resulting from their production and the energy payback time. The energy payback time was estimated at between 1 and 14 years depending on the configuration (BAPVT, BIPVT, CPVT). A lifecycle analysis was carried out for different types of modules, resulting in a wide range of quantifiable environmental impacts depending on the type of production and the materials used.
Other studies [14,15] have examined the influences of various external parameters, such as geometrical, thermo-physical, and electrical properties, climate conditions, and the thermal parameters of the installation (i.e., tank size, consumer demand curve, temperature at the inlet of the cold water main and outlet flow of the tank) on the performance of PVT system, highlighting the significant impact of the consumer demand curve.
Research on PVT collectors first started in the 1970s [16]. Subsequently, significant progress has been made and important work has been dedicated towards increasing their performance by studying and optimising their constructive and operational parameters. Several comprehensive reviews have been carried out on trends in development of this technology and the advances made in recent years [17,18]. Higher levels of solar energy implementation are currently leading to new challenges in electrical network planning; these can be addressed by statistical machine learning techniques able to carry out probabilistic power flow calculations based on multiple scenarios [19].
In this paper, we investigate a small-scale hybrid renewable energy system based on solar energy. The system [20] combines photovoltaic (PV), photovoltaic-thermal (PVT), and solar thermal (ST) panels in a hybrid system that provides domestic hot water (DHW) for the local end user (a preschool) and feeds the electricity into the local grid.
This paper describes the experimental setup of the hybrid system and the meteorological data station. Data collected over a period of four months are analysed in terms of system performance and the total amount of energy produced. The suitability of the different panels for this particular type of end user is discussed in terms of matching the demand curve while taking into account the fluctuations in energy production.

2. Materials and Methods

A hybrid solar-based system comprising solar thermal (ST), photovoltaic (PV), and photovoltaic-thermal (PVT) panels was implemented for a preschool in Bucharest, Romania. The aims of this installation were to provide green domestic hot water (DHW) and electricity to the building, promote renewable energy sources among preschool children, achieve energy independence and economic savings, reduce CO 2 emissions, and provide a useful resource for academic and teaching purposes.
The scientific methods used for this study were experiment, data collection, data analysis, and drawing conclusions.

2.1. System Overview

The hybrid project was designed and implemented in 2020 at University Politehnica of Bucharest (UPB). The rooftop on which the panels were located has the geographical coordinates 44°26 18.5316 N and 26°2 35.8116 E. According to Figure 1, the building is oriented in the S–N direction with a deviation of 15° to the W–E direction. The terrace has the dimensions of 40 m × 40 m. The solar panels were placed parallel to the south side of the terrace, while the boiler and other installations are located inside the building in a designated service room). The building has an annual consumption of 1.6 MWh of electricity and around 1000 m 3 of water. Hot water is used for the kitchen, laundry, cleaning, and personal use of the students.
The new system for domestic hot water complements the existing connection to the local municipal system. The solar system for producing electricity was connected to a General Electric Panel through an inverter, and a battery system was installed as well.
The entire system was designed for the dual purposes of preparing DHW and electricity and producing data on the external parameters, water demand, and the operational scenario of the system for subsequent analysis. The data obtained by monitoring the thermal and electrical parameters and the production and usage of hot water and electricity were displayed in a dispatcher as well as on a live monitor located inside the building.

2.2. Description of Experimental Setup

The studied system was a six-panel hybrid installation consisting of three types of collectors: two photovoltaic (PV) panels, two solar thermal (ST) panels, and two hybrid photovoltaic-thermal (PVT) panels. In addition, there was a meteorological station for collecting live weather data consisting of a solar radiation sensor, ambient temperature sensor, wind direction transmitter, and wind speed sensor.
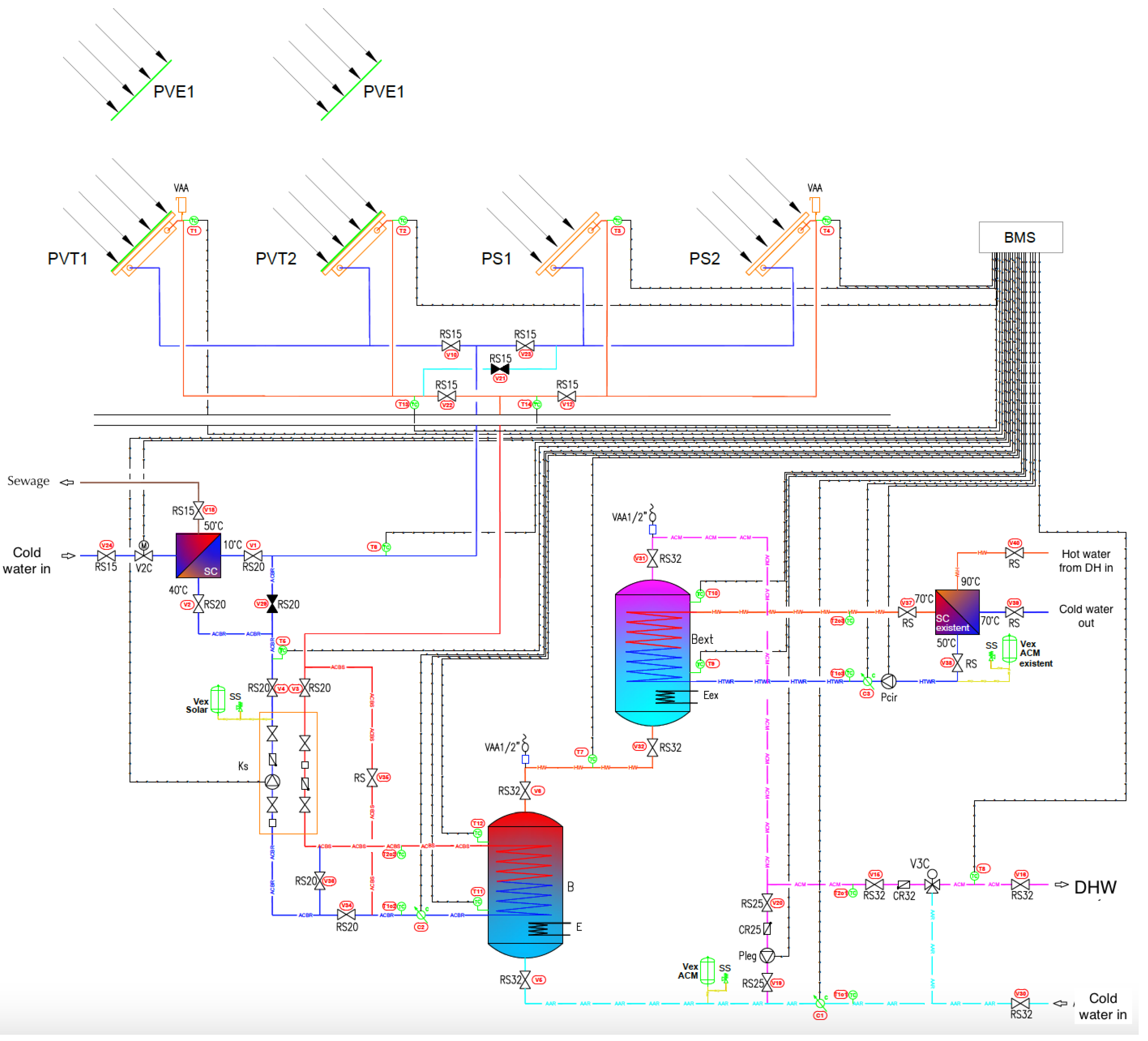
Figure 2 shows photographs of the panels and the meteorological station, while Figure 3 shows the thermo-mechanical scheme of the system; the detailed nomenclature shown in Abbreviations and the technical parameters of the components are summarised in Table 1.
The functioning regime of the system is very interesting, as it can be easily changed and adapted to multiple configurations and operational scenarios. The main features of the system are described below:
  • By default, the four thermal panels are connected in parallel, as seen in Figure 3;
  • The configuration of the serpentine exchanger in the thermal storage tank can be modified by changing the (open /close) configuration of the valves.
  • When there is no thermal consumer and the no heat is being drawn from the tank, it is possible to cool the water in order to ensure that the panels do not overheat.
  • There is a thermal energy backup system consisting of electrical resistances in both boilers and a connection to the municipal heating system.
  • The electrical energy produced by the system is stored in two 100 Ah/12 V batteries. Depending on the electrical requirements, the electrical power is either used for the building’s own services or injected into the grid. This decision is made by an automated system.
All the collectors had a tilt angle of 35 degrees. The chosen solar thermal collectors were evacuated tube collectors (ETC), model WESTECH B58-22, shown highlighted in yellow in Figure 4. ETCs are typically designed with two parallel rows of glass tubes, with each inner glass tube containing a metal heat pipe attached to an absorber fin. The air between the two glass tubes is evacuated to form a vacuum, which reduces conductive and convective heat loss [22].
Two Dual Sun FLASH flat high-efficiency monocrystalline silicon PV panels were used for the installation,. These panels use Passivated Emitter and Rear Cell (PERC) technology, which has become an industry standard for the latest-generation PV panels [23]. Figure 4 shows the two roof-mounted PV panels highlighted in red. The technical data are summarised in Table 2.
The PVT panels (Dual Sun SPRING) were from the same French company that manufactured the PV panels, allowing for easy comparison of the two modules in terms of their overall efficiency. The PVT panels were composed of high efficiency monocrystalline cells cooled by water circulation on the back side of the panel, and used anti-reflective glass that helps with high performance even in diffuse light. The chosen PVT panel model was insulated. The PV and PVT panels both used the same electrical characteristics and design. Figure 4 shows the roof-mounted PVT panels highlighted in green. The technical data are summarised in Table 3.
A double serpentine boiler from Thermal Energy with a 500 L volume capacity (model WP-TWS-2W 500) was installed as the heat exchanger between the solar energy system and the DHW main. There was an existing boiler installed in the system, shown in Figure 3 on the right hand side of the diagram, connected to the municipal heating system. The new boiler was connected to the old one, with hot water from the new boiler being circulated towards the existing boiler and from there towards the DHW consumer. Both boilers used backup electrical resistances to heat the water. The existing boiler was connected to the municipal heating system of the university campus through a heat exchanger.

2.3. Data Collection

Live data were collected at multiple points from various sensors, with all data directed towards the DAS system. The temperature sensors were located in multiple points: on the back of the panels, on the ducts, in the boiler, and in the pumps. Additional measured parameters were power, meteorological parameters, and battery state. Sampling was carried out at fixed intervals of 5 min. A total of 288 readings were performed for each day. The data collection system was installed and tested on 11 May 2020, and started to collect full system measurements at all points on 8 February 2021.

2.4. Data Analysis

Daily analyses were carried out for each day from 00:00 to 23:59. A number of representative days were chosen for graphical illustration. When choosing a representative day for graphical analysis, several factors were taken into account:
  • Solar radiation within average limits for the specific time of the year (excluding extreme weather conditions);
  • Ambient temperature within average limits for the specific time of the year (excluding extreme weather conditions);
  • A thermal consumer exists, i.e., there activity in the preschool building.
Four types of days where chosen for analysis:
  • Cloudy spring days, referred to as day A
  • Sunny spring days, referred to as day B
  • Cloudy summer days, referred to as day C
  • Sunny summer days, referred to as day D
These representative days were analysed in terms of their meteorological parameters, the temperature evolution at the back of the panels, the temperature of the thermal agent at the inlet and outlet of the panels, and energy production.

2.5. System Performance

The energy performance of the system can be described in terms of electrical efficiency, thermal efficiency, and overall efficiency ( η E L , η T H , η o v e r a l l ). The electrical efficiency is the ratio between the electrical power output ( P E L ) and the solar radiation incident on the collector ( A G i r r ):
η E L = P E L A G i r r
where A is the area of the collector (m 2 ) and G i r r is the incident solar irradiation (W/m 2 ).
The thermal efficiency can be described as the ratio between the amount of thermal energy generated by the system ( Q t h ˙ ) and the solar radiation incident on the surface of the collector ( A G i r r ):
η T H = Q t h ˙ A G i r r .
A more suitable definition for the thermal efficiency of a PVT is that provided by [24], which proposes a distinction between thermal and electrical output; in this case, the electrical power is subtracted from the total radiation:
η T H * = Q t h ˙ A G i r r P E L = η T H 1 η E L .
The overall efficiency of the collector ( η G L ) can be calculated as the sum of the thermal and electrical efficiencies, known as the first law efficiency:
η G L = η E L + η T H .
Other approaches for calculating the overall efficiency have been described in [14,24,25,26]. In this paper, we used the first law efficiency method.

3. Results

This section discusses the results of our analysis of the collected data.

3.1. Temperature of the Thermal Agent at the Inlet and Outlet of the Panels

For the analysis of the temperature at the inlet and outlet of the panels, in this particular configuration the two PVT panels are in parallel, the two ST panels are in parallel, and the two sets of panels are in series.
Figure 5 shows the temperature difference between the inlet and outlet for four representative days. It can be observed that the highest temperature increase occurs during day B, which is defined by high solar radiation, average ambient temperatures, and low water draw. On the other hand, the lowest increase occurs during day D, which is defined by high temperatures, high solar intensity, and high water draw. This is due to the fact that during this day the thermal energy accumulates in the tank, the temperature increases significantly, and the water draw is insufficient to cool it. During the course of this day, the delta T falls to 0 at around 15.50 PM, which was found to be simultaneous with the high water draw. This is due to the fact that there is a sudden large water draw and the tank is refilled with cold water from the main, causing it to lose its thermal stratification. During day A and day C, the temperature increase is variable in keeping with the high variation in the meteorological conditions. The period of heat accumulation starts around 8–8.30 a.m. depending on the particular day, and continues until late in the day at around 9.30–10 p.m.
It is important to note that this analysis is based based on multiple factors that influence the outcome, rather than on any single variable; therefore, the implications and relationships between the parameters are not straightforward.

3.2. Comparison of Representative Days

The results of each of the analysed days are summarised in Table 4. The highest values are highlighted in red, the average values are shown in yellow and the lowest values are shown in green. A number of conclusions can be drawn from these results, as discussed below.
  • Although day B has significantly lower ambient temperature compared to day D, the maximum temperature at the outlet of the panels is similar for both days. Both days have high solar intensity and similar available energy. This suggests that the intensity of the solar radiation has a much higher impact on the temperature of the collectors than the ambient temperature.
  • The total hours of electrical energy production are lower during the two days with the highest solar intensity (day B and day D) compared to the other two days. Although counterintuitive, this shows that overheating of the PV cells has a significant impact on the power production capability of the collectors.
  • The total electrical energy collected is the highest on the cloudy spring day, which is due the cells being sufficiently cool and the efficiency of the collector not decreasing as much as on the warmer days.
  • On the other hand, the period of thermal energy production is the longest on the clear summer day (day D) and the shortest on the cloudy spring day (day A).
  • The highest thermal energy production occurs during the two clear days.
  • The functioning of the system’s thermal and electrical components show trends that suggest an inversely proportional relationship, in that when the thermal energy production peaks, the electrical energy production drops.
  • PVT collectors are effective during both spring and summer seasons, producing high outputs of either electrical or thermal energy, as opposed to the individual ST and PV collectors, which are only highly productive during one season.

3.3. Monthly Energy Output

Data were collected over four months, from 1 April to 30 July. The instantaneous power during this period was measured at each time step, then the monthly specific energy output was calculated; the results are shown in Figure 6.
Overall, it can be observed that the energy produced by the PVT panels exceeds that produced by the PV collectors. This occurs due to the better cooling of the PV cells and their effective operation at lower temperatures. This effect is especially noticeable during July, when the panels tend to overheat. The energy collected by the PV collectors peaks in May, while for the PVT collectors it peaks in July. This indicates that PVT collectors are more suitable for high-temperature operating conditions than the traditional PV collectors.
The amount of thermal energy collected increases as the summer season approaches, with the lowest output in April and the highest output in July. The total energy collected by the system has an ascending trend approaching the peak summer temperatures in July.

3.4. Comparison of PV and PVT Panels

The electrical efficiency can be defined in two ways, either by comparing the total power produced to the available solar radiation (Equation (5)) or by using the temperature coefficient (Equation (6)).
η e l = P e l G · A
η e l = η 0 1 β PV T PV T 0
The first method is based on measuring the instantaneous power and solar radiation, while the second is based on measuring the temperature with sensors placed on the back of the panel. The latter can lead to inaccuracy, as the sensors are not located directly on the PV cell; the area on the back of the panel is is shaded, meaning that the temperature is likely to be lower than that the actual operating temperature of the PV cell. This effect can be observed in the results shown in the figures below, which show the evolution of the power and electrical efficiency of the PV and PVT collectors over the course of a day along with the solar radiation intensity for reference.
Figure 7 shows the electrical performance during day A. It can be observed that the efficiency calculated based on the temperature sensors (Figure 7a) shows higher values than the efficiency in Figure 7b calculated by the measured power. The measured power efficiency shows more dips during the day compared to the temperature efficiency. This example is a cloudy spring day with low ambient temperatures and variable solar radiation. Power production peaks before the peak of solar radiation due to the low operating temperature. Although power production increases when the solar radiation peaks, it does not reach the previous peak. Comparing PV and PVT, it can be observed that PVT performs slightly better in terms of both power production and efficiency.
Figure 8 shows the electrical performance during day B. Again, the efficiency calculated based on the temperature sensors shows higher values than the efficiency calculated using the measured power. When the solar radiation peaks, the efficiency drops, while the power intensity decreases as the solar radiation intensifies. The power and efficiency decrease more rapidly for PVT than for PV, which is due to heat accumulating in the tank when the water consumption by the end user is insufficient to dissipate this heat.
Figure 9 shows the electrical performance during day C, with the same difference between the two methods of calculating the electrical efficiency as discussed in the paragraphs above. The same trend can be observed, with dips in efficiency when solar radiation peaks. On this day, PV provides slightly higher power than PVT.
Figure 10 shows the electrical performance on day D, again showing the difference between the two methods of calculating the electrical efficiency. Due to high accumulation of thermal energy in the tank, the power generated by the PVT panels drops significantly compared to the PV panels.

4. Discussion

As a result of the comparison in Section 3, a few interesting facts can be observed. First, the electrical efficiency calculated as a function of the temperature recorded at the back of the panel is not entirely accurate. Furthermore, the electrical efficiency shows dips when the solar radiation peaks in intensity. When comparing the two type of collectors, PVT collectors have better performance on days when there is no excess heat accumulated in the tank (either because the heat is dissipated appropriately to the consumer or because the meteorological conditions do not lead to overheating). On the other hand, PV collectors have slightly better performance on days when the thermal energy accumulated in the tank is not dissipated, when instead of cooling the cells of the PVT the thermal agent contributes to heating the cells. This accentuates the importance of finding a suitable consumer for the system. Another solution would be to eliminate the provision of extra heat to a cold source; however, this would mean the loss of energy and a decrease in the overall efficiency of the system.
A technical recommendation that can be drawn from this analysis is that PVT collectors are only suitable for systems that have a source of thermal energy dissipation, such as a consumer, district heating system, or some type of thermal storage.
In terms of suitable end users for this type of installation, one important aspect is that the energy consumption curve is similar to the curve of solar radiation, with operating hours from 8 am to 6 pm and a peak at mid-day. Unlike residential consumers, for whom energy consumption typically peaks in the morning and evening with low demand at mid-day, the type of consumer studied in this case (a preschool) is more suitable for a solar energy system.
This particular preschool offers a summer program for children with an average of 80% attendance, unlike most academic institutions which are closed for the summer. There are two weeks of holiday at the end of August, where the demand decreases significantly to 20%. This is not an issue with respect to the excess electricity, which is sold to the grid. For the excess thermal energy, a thermal energy storage system could be a solution; however, the large investment that would be required is not feasible for this small installation. Another solution would be an agreement with the local district heating provider to supply heat for feeding the thermal energy to the local system in return for a discount on future heating bills.

5. Conclusions

In this paper, we analyse a hybrid demonstration installation comprising six energy collectors: two photovoltaic panels, two solar thermal panels, and two PVT panels. The installation is located on the UPB campus, and the end user is a preschool. Weather data were collected from a meteorological station, while the system parameters were recorded by multiple sensors, flowmeters, and energy meters and then exported to the DAS system.
Our analysis of four types of representative days (a sunny spring day, cloudy spring day, sunny summer day, and cloudy summer day) showed that the best electrical performance occurs on overcast days with lower temperatures, while the best thermal performance occurs on warm sunny days. As in most co-generation systems, there is a trade-off between the thermal and electrical performance of the system. In order to improve the electrical efficiency during very hot days, sufficient dissipation of heat from the tank is necessary; otherwise, the thermal energy accumulates and the cells are not cooled. Overall, the PVT collectors produced more total energy during the four months we used for analysis.
Although generally speaking the demand curve of the consumer matches the functioning hours of the PVT collectors, solar energy has random characteristics that are both predictable (day–night cycle) and unpredictable (due to nebulosity). Currently, the use of hybrid photovoltaic solar thermal collectors is conditioned by combining the solar source with a backup source or external storage system.
In can be concluded that PVT collectors in a suitable setup can efficiently replace PV–ST side-by-side systems, especially where roof space is limited and valuable. A further investigation could be carried out into the technical and economic aspects of this technology, especially considering the constant fluctuations in electricity and material prices in the current energy market.
It should be noted that this paper only investigated the default configuration described in Figure 3 with two PVT panels in parallel, two ST panels in parallel, and the two sets of panels in series. We intend to carry out further studies on this installation by changing the configuration of the valves. In addition, the system can be truncated by changing the valve configuration, and the different panels can function individually instead of in series or in parallel. This should be investigated in terms of system performance and by identifying the most suitable system configurations for different end users.

Author Contributions

Conceptualization: M.B., M.S. and G.D.; Methodology: M.B., M.S. and G.D.; Analysis: M.B.; Resources: M.S. and G.D.; Original draft preparation: M.B.; Review: M.S. and G.D. All authors have read and agreed to the published version of the manuscript.

Funding

This research received no external funding.

Data Availability Statement

Not applicable.

Conflicts of Interest

The authors declare no conflict of interest.

Abbreviations

PVTPhotovoltaic Thermal Panel
PVPhotovoltaic Panel
STSolar Thermal Panel
LCALifecycle Analysis
BAPVTBuilding-Applied PVT
BIPVTBuilding-Integrated PVT
DHWDomestic Hot Water
PelElectrical Power
PtThermal Power
DASData Aquisition Aystem
PSSolar thermal panel
PVEPhotovoltaic Panel
PcirCirculation pump for boiler heating Q = 5 m 2 / h, H = 2.5 mCA
PlegCirculation pump against legionela Q = 2 m 2 / h, H = 2.5 mCA
KsSolar Kit for water circulation
SCDanfoss plate heat exchanger
SCextExisting plate heat exchanger
BVertical boiler DHW V = 500 L
BextExisting vertical boiler DHW V = 500 Ł
SSSafety valve 3 bar
Vex acmExpansion vase closed with membrane for DHW
Vex acm extExisting expansion vase closed with membrane V = 200 L
Vext solarExpansion vase closed with membrane for solar circuit
V3CMechanical three way valve
V2CVariable two way valve 0–10 V
EElectrical resistance P = 2.3 kW
EexExisting electrical resistance P = 9 kW
RSSectioning valve
CSReversing flap
VAAVenting valve
TCTemperature sensor
CThermal energy meter

References

  1. Fu, X.; Zhou, Y. Collaborative Optimization of PV Greenhouses and Clean Energy Systems in Rural Areas. IEEE Trans. Sustain. Energy 2023, 14, 642–656. [Google Scholar] [CrossRef]
  2. Blagojević, N.; Dihovični, D.; Krunić, V. Analysis of a solar plant for the production of hot consumption water for the hospital. Appl. Eng. Lett. 2022, 1, 23–27. [Google Scholar] [CrossRef]
  3. Herrando, M.; Markides, C.N. Hybrid PV and solar-thermal systems for domestic heat and power provision in the UK: Techno-economic considerations. Appl. Energy 2016, 161, 512–532. [Google Scholar] [CrossRef]
  4. Herrando, M.; Markides, C.N.; Hellgardt, K. A UK-based assessment of hybrid PV and solar-thermal systems for domestic heating and power: System performance. Appl. Energy 2014, 122, 288–309. [Google Scholar] [CrossRef]
  5. Hansen, J.; Sorensen, H.; Bystrom, J.; Collins, M.; Karlsson, B. Market, Modeling, Testing and Demonstration in the Framework of IEA SHC Task 35 on PV/Thermal Solar Systems. In Proceedings of the 22nd European Photovoltaic Solar Energy Conference and Exhibition, Milan, Italy, 3–7 September 2007; Volume 20. [Google Scholar]
  6. Jonas, D.; Lämmle, M.; Theis, D.; Schneider, S.; Frey, G. Performance modeling of PVT collectors: Implementation, validation and parameter identification approach using TRNSYS. Sol. Energy 2019, 193, 51–64. [Google Scholar] [CrossRef]
  7. Barbu, M.; Patrascu, R.; Darie, G.; Tuţică, D. A technical-economical analysis of the implementation of hybrid solar energy systems in small energy prosumer applications. Calitatea 2019, 20, 134–138. [Google Scholar]
  8. Euh, S.H.; Lee, J.B.; Choi, Y.; Kim, D.H. The Performance and Efficiency Analysis of a PVT System Compared with a PV module and a Solar collector. J. Korean Sol. Energy Soc. 2012, 32, 1–10. [Google Scholar] [CrossRef]
  9. Ramos, A.; Guarracino, I.; Mellor, A. Solar-Thermal and Hybrid Photovoltaic-Thermal Systems for Renewable Heating; Grantham Institute Briefing Paper no 22; Imperial College: London, UK, 2017. [Google Scholar]
  10. Nižetić, S.; Čoko, D.; Yadav, A.; Grubišić-Čabo, F. Water spray cooling technique applied on a photovoltaic panel: The performance response. Energy Convers. Manag. 2016, 108, 287–296. [Google Scholar] [CrossRef]
  11. Guarracino, I.; Mellor, A.; Ekins-Daukes, N.J.; Markides, C.N. Dynamic coupled thermal-and-electrical modelling of sheet-and-tube hybrid photovoltaic/thermal (PVT) collectors. Appl. Therm. Eng. 2016, 101, 778–795. [Google Scholar] [CrossRef]
  12. Aksoy, M.H.; Ispir, M. Techno-economic feasibility of different photovoltaic technologies. Appl. Eng. Lett. 2023, 8, 1–9. [Google Scholar] [CrossRef]
  13. Lamnatou, C.; Chemisana, D. Photovoltaic/thermal (PVT) systems: A review with emphasis on environmental issues. Renew. Energy 2017, 105, 270–287. [Google Scholar] [CrossRef]
  14. Barbu, M.; Siroux, M.; Darie, G. Numerical model and parametric analysis of a liquid based hybrid photovoltaic thermal (PVT) collector. Energy Rep. 2021, 7, 7977–7988. [Google Scholar] [CrossRef]
  15. Barbu, M.; Darie, G.; Siroux, M. A Parametric Study of a Hybrid Photovoltaic Thermal (PVT) System Coupled with a Domestic Hot Water (DHW) Storage Tank. Energies 2020, 13, 6481. [Google Scholar] [CrossRef]
  16. Kern, E.C., Jr.; Russell, M.C. Combined photovoltaic and thermal hybrid collector systems. In Proceedings of the IEEE Photovoltaic Specialists Conference, Washington, DC, USA, 5–8 June 1978. [Google Scholar]
  17. Chow, T. A review on photovoltaic/thermal hybrid solar technology. Appl. Energy 2010, 87, 365–379. [Google Scholar] [CrossRef]
  18. Ibrahim, A.; Othman, M.Y.; Ruslan, M.H.; Mat, S.; Sopian, K. Recent advances in flat plate photovoltaic/thermal (PV/T) solar collectors. Renew. Sustain. Energy Rev. 2011, 15, 352–365. [Google Scholar] [CrossRef]
  19. Fu, X. Statistical machine learning model for capacitor planning considering uncertainties in photovoltaic power. Prot. Control Mod. Power Syst. 2022, 7, 5. [Google Scholar] [CrossRef]
  20. Barbu, M. Study and Optimisation of Hybrid Photovoltaic Thermal Collectors And Integration in Small-Scale Prosumer Energy Systems. Ph.D. Thesis, University Politehnica of Bucharest and INSA Strasbourg, Bucharest, Romania, 2021. [Google Scholar]
  21. GoogleMaps. Politehnica Kindergarten; GoogleMaps: Mountain View, CA, USA, 2023. [Google Scholar]
  22. Wang, Z.; Huang, Z.; Zheng, S.; Zhao, X. 6–Solar Water Heaters. In A Comprehensive Guide to Solar Energy Systems; Letcher, T.M., Fthenakis, V.M., Eds.; Academic Press: Cambridge, MA, USA, 2018; pp. 111–125. [Google Scholar] [CrossRef]
  23. Balaji, N.; Lai, D.; Shanmugam, V.; Basu, P.K.; Khanna, A.; Duttagupta, S.; Aberle, A.G. Pathways for efficiency improvements of industrial PERC silicon solar cells. Sol. Energy 2021, 214, 101–109. [Google Scholar] [CrossRef]
  24. Bombarda, P.; Di Marcoberardino, G.; Lucchini, A.; Leva, S.; Manzolini, G.; Molinaroli, L.; Pedranzini, F.; Simonetti, R. Thermal and electric performances of roll-bond flat plate applied to conventional PV modules for heat recovery. Appl. Therm. Eng. 2016, 105, 304–313. [Google Scholar] [CrossRef]
  25. Aste, N.; del Pero, C.; Leonforte, F. Water flat plate PV-thermal collectors: A review. Sol. Energy 2014, 102, 98–115. [Google Scholar] [CrossRef]
  26. Chow, T.T. Performance analysis of photovoltaic-thermal collector by explicit dynamic model. Sol. Energy 2008, 75, 143–152. [Google Scholar] [CrossRef]
Figure 1. Satellite view of the UPB preschool building [21].
Figure 1. Satellite view of the UPB preschool building [21].
Energies 16 05321 g001
Figure 2. Photographs of (A) the installed panels and (B) the meteorological station [20].
Figure 2. Photographs of (A) the installed panels and (B) the meteorological station [20].
Energies 16 05321 g002
Figure 3. Thermo-mechanical diagram of the hybrid installation [20].
Figure 3. Thermo-mechanical diagram of the hybrid installation [20].
Energies 16 05321 g003
Figure 4. Photograph of the panels installed on the roof, showing ST panels in yellow, PVT panels in green, and PV panels in red [20].
Figure 4. Photograph of the panels installed on the roof, showing ST panels in yellow, PVT panels in green, and PV panels in red [20].
Energies 16 05321 g004
Figure 5. Evolution of the temperature difference between the inlet and outlet for four representative days [20].
Figure 5. Evolution of the temperature difference between the inlet and outlet for four representative days [20].
Energies 16 05321 g005
Figure 6. Specific thermal and electrical energy collected over four months [20].
Figure 6. Specific thermal and electrical energy collected over four months [20].
Energies 16 05321 g006
Figure 7. Electrical parameters during Day A: (a) theoretical electrical efficiency calculated with Equation (6) and (b) measured electrical efficiency calculated with Equation (5) [20].
Figure 7. Electrical parameters during Day A: (a) theoretical electrical efficiency calculated with Equation (6) and (b) measured electrical efficiency calculated with Equation (5) [20].
Energies 16 05321 g007
Figure 8. Electrical parameters during Day B: (a) theoretical electrical efficiency calculated with Equation (6) and (b) measured electrical efficiency calculated with Equation (5) [20].
Figure 8. Electrical parameters during Day B: (a) theoretical electrical efficiency calculated with Equation (6) and (b) measured electrical efficiency calculated with Equation (5) [20].
Energies 16 05321 g008
Figure 9. Electrical parameters during Day C: (a) theoretical electrical efficiency calculated with Equation (6) and (b) measured electrical efficiency calculated with Equation (5) [20].
Figure 9. Electrical parameters during Day C: (a) theoretical electrical efficiency calculated with Equation (6) and (b) measured electrical efficiency calculated with Equation (5) [20].
Energies 16 05321 g009
Figure 10. Electrical parameters during Day D: (a) theoretical electrical efficiency calculated with Equation (6) and (b) measured electrical efficiency calculated with Equation (5) [20].
Figure 10. Electrical parameters during Day D: (a) theoretical electrical efficiency calculated with Equation (6) and (b) measured electrical efficiency calculated with Equation (5) [20].
Energies 16 05321 g010
Table 1. Main components of the experimental system.
Table 1. Main components of the experimental system.
No.Type of EquipmentParameters
1.PV PanelPel = 280–310 Wp
2.PVT PanelPel = 280–310 Wp, Pt = 700–850 W
3.Solar Thermal PanelPt = 700…850 W
4.Solar Regulator MPPTCell voltage: 24 V
Max. charging current: 10 A
Nominal PV power: 24 V@290 W
Max. voltage: 75 V
5.PV inverterInput voltage: 24 V
Output voltage: 230 V
Nominal output power: 1500 W
6.BatteriesBattery cell voltage: 12 V; OpzV cell
Storage capacity 2 × 100 Ah
7.Thermal StorageVolume 500 L
8.Plate heat exchangerPt = 35…50 kW
9.Meteo stationTemperature, solar radiation, wind speed and direction
Table 2. PV panel technical data.
Table 2. PV panel technical data.
Module nameDual Sun FLASHTemperature (°C)−40 to +85
Cell typePERC Mono-CMax. voltage1000 VDC
Width (mm)991Nominal Power (W)300
Length (mm)1650Efficiency (%)18.3
Total area (m 2 )1.635Temperature coeff. (%)−0.39
Weight (kg)18.5NOCT (°C)45 + −2
Table 3. PVT panel technical data.
Table 3. PVT panel technical data.
Module nameDual Sun SPRINGNOCT (°C)45 + −2
Cell typePERC Mono-CVolume of liquid (L)5
Width (mm)991Max. operating pressure (bar)1.5
Length (mm)1650Optical efficiency a0 (%)58.2
Total area (m 2 )3.76Maximum temperature (°C)75.6
Weight (kg)25.1Heat loss coefficient (W/K/m 2 )10.8
Op. temperature (°C)−40 to +85Pressure loss (Pa) @ 100 L/h47
Electrical Efficiency (%)18.3Temperature coeff. (%)−0.39
Table 4. Summary of experimental results for the four analysed days.
Table 4. Summary of experimental results for the four analysed days.
Day ADay BDay CDay D
Maximum ambient temperature (°C)10.32225.735
Average ambient temperature (°C)3.99.317.416.8
Maximum solar radiation (W/m 2 )1190.91031.9949.1921.9
Average solar radiation (W/m 2 )130.4300112.6278.3
Maximum wind speed (m/s)444.13.1
Average wind speed (m/s)0.320.370.450.35
Hours of solar radiation1313.515.716
Total energy that can be collected (kWh/m 2 /day)3.97.152.677.12
Total water draw (L)5001701060970
Maximum outlet temperature (°C)30.554.736.353
Hours of thermal power production4.77.58.39.5
Hours of electrical power production114.6157.3
Total thermal energy collected (kWh)3.895.712.7810.9
Total electrical energy collected (kWh)1.240.231.010.95
Disclaimer/Publisher’s Note: The statements, opinions and data contained in all publications are solely those of the individual author(s) and contributor(s) and not of MDPI and/or the editor(s). MDPI and/or the editor(s) disclaim responsibility for any injury to people or property resulting from any ideas, methods, instructions or products referred to in the content.

Share and Cite

MDPI and ACS Style

Barbu, M.; Siroux, M.; Darie, G. Performance Analysis and Comparison of an Experimental Hybrid PV, PVT and Solar Thermal System Installed in a Preschool in Bucharest, Romania. Energies 2023, 16, 5321. https://doi.org/10.3390/en16145321

AMA Style

Barbu M, Siroux M, Darie G. Performance Analysis and Comparison of an Experimental Hybrid PV, PVT and Solar Thermal System Installed in a Preschool in Bucharest, Romania. Energies. 2023; 16(14):5321. https://doi.org/10.3390/en16145321

Chicago/Turabian Style

Barbu, Madalina, Monica Siroux, and George Darie. 2023. "Performance Analysis and Comparison of an Experimental Hybrid PV, PVT and Solar Thermal System Installed in a Preschool in Bucharest, Romania" Energies 16, no. 14: 5321. https://doi.org/10.3390/en16145321

APA Style

Barbu, M., Siroux, M., & Darie, G. (2023). Performance Analysis and Comparison of an Experimental Hybrid PV, PVT and Solar Thermal System Installed in a Preschool in Bucharest, Romania. Energies, 16(14), 5321. https://doi.org/10.3390/en16145321

Note that from the first issue of 2016, this journal uses article numbers instead of page numbers. See further details here.

Article Metrics

Back to TopTop