A Generalized Fault Tolerant Control Based on Back EMF Feedforward Compensation: Derivation and Application on Induction Motors Drives
Abstract
1. Introduction
- How the concept of feedforward compensation can be realized from a control perspective in the context of FOC-driven AC drives?
- How the feedforward compensation technique developed for three-phase machines can be extended for multiphase machines?
- An accurate feedforward compensation method based on FOC control and the open-phase fault is systematically derived that can be readily integrated into any three-phase AC drive with minimal modifications to the FOC controller. Furthermore, the stationary reference frame is used to apply the feedforward compensation as it simplifies the derivation complexities without any compromise in effectiveness.
- The concept of feedforward term derivation is generically extended to a six-phase drive where the back EMF term is still the dominant part of the feedforward term but injected into a different plane to retain the control of the machine.
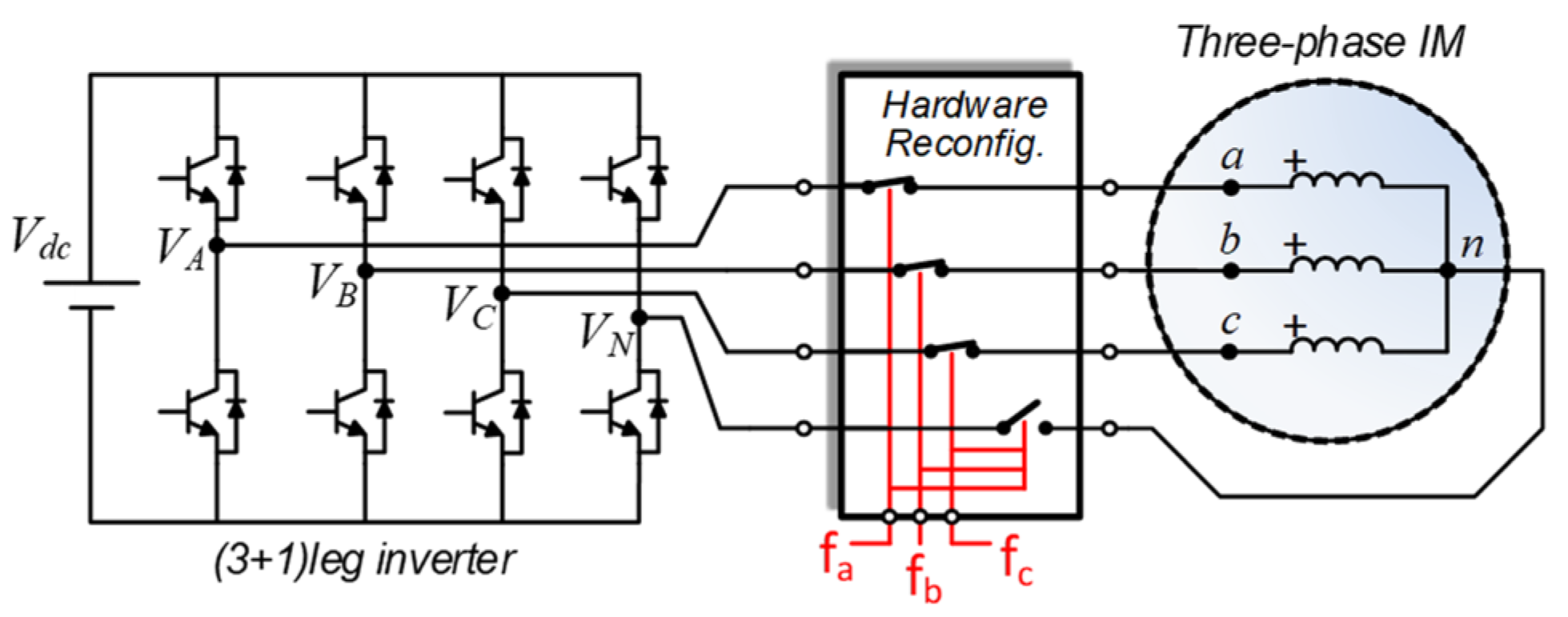
2. Fault-Tolerant Control of Three-Phase Induction Machines
2.1. Mathematical Model of Three-Phase IM under RFOC
2.2. Relation between Control Variables and Machine Variables
2.2.1. Healthy Operation
- C1: The voltage received by the motor in the synchronous frame (vds and vqs) are directly proportional to the control variables (vd* and vq*) by a fixed gain of K. This unique property of healthy drive allows current controllers (such as PI controllers) in the SRF to control the flux and torque currents effectively;
- C2: The zero-sequence voltage v0s reached to the machine winding is not linked to v0* of the controller, making it decoupled from control variables (vd* and vq*).
2.2.2. Postfault Operation for Three-Phase Induction Motor Drive
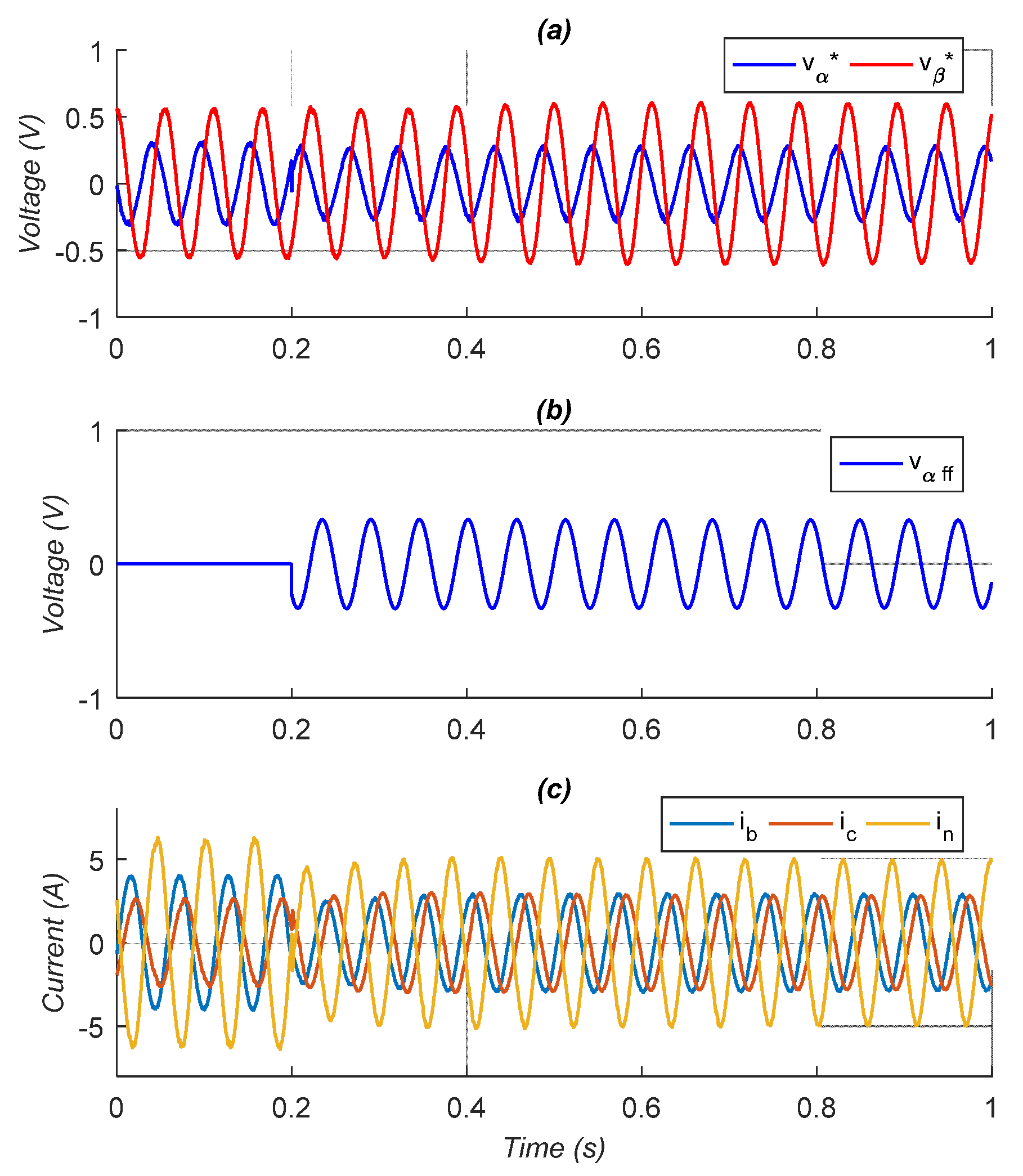
2.3. Feedforward Compensation for Fault-Tolerant Three-Phase Induction Motor Drive
- i.
- The C1 would hold true, and therefore, the RFOC would take over the control of the machine, just like the healthy drive, and
- ii.
- Unlike the healthy drive, there would be a non-zero voltage v0s appearing on the zero-sequence circuit of the machine that is a function of control variables.
3. Fault-Tolerant Control of Six-Phase Induction Machines
3.1. Six-Phase Induction Machine Model under Rotor Field Oriented Control (RFOC)
3.2. Relation between Controller and Machine Variables
3.2.1. Healthy Operation
3.2.2. Postfault Operation
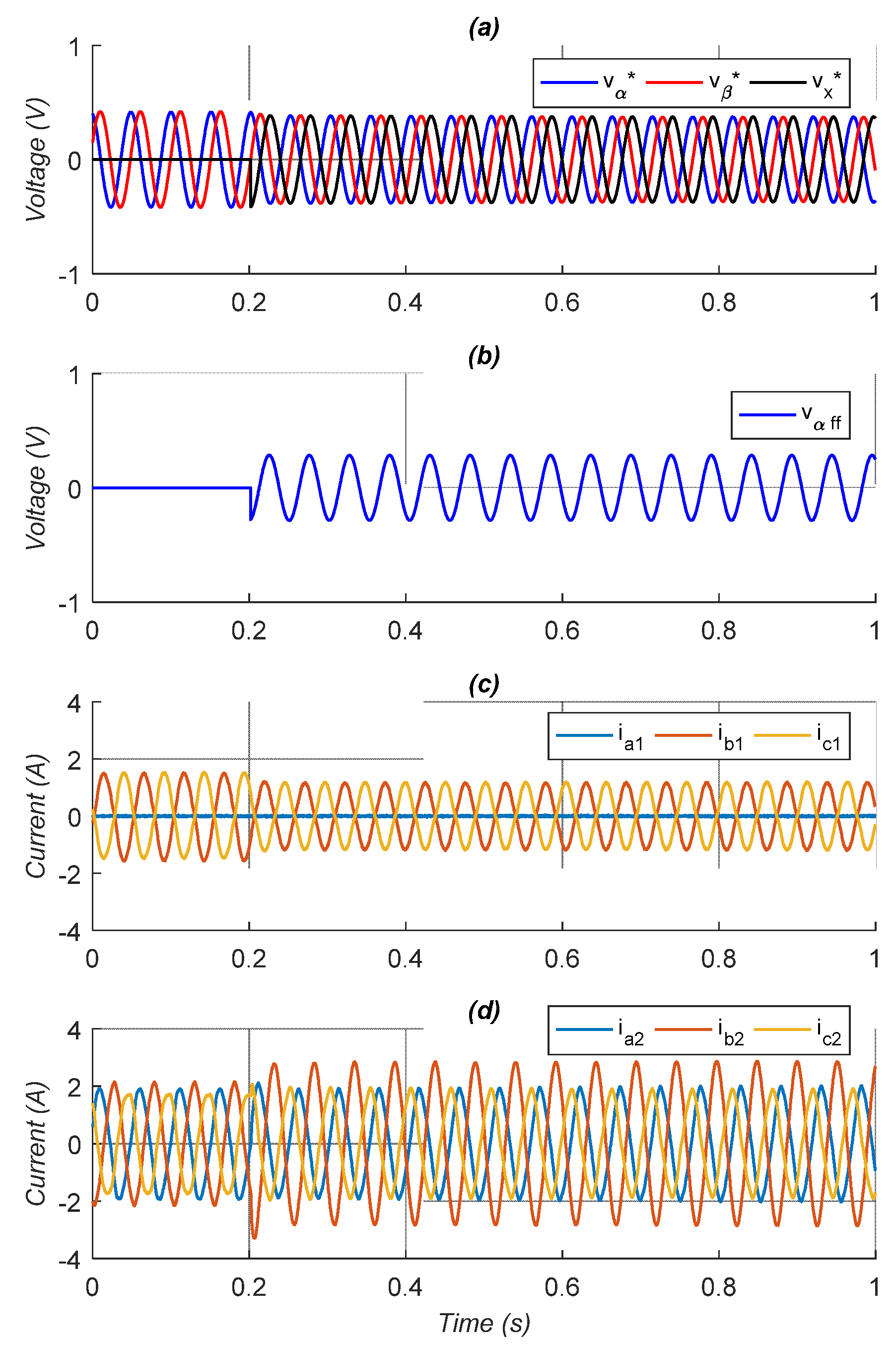
3.3. Feedforward Compensation for Fault Tolerant Six-Phase Induction Motor Drive
4. Results and Discussion
5. Conclusions
- The feedforward compensation method, previously introduced for three-phase PMSM, has been re-derived in a generic way and applied to three-phase induction machines.
- The feedforward compensation on the stationary α-β reference frame is introduced instead of the d-q frame to make it immune to any error due to rotational transformations.
- The concept of feedforward compensation is further extended to multiphase induction machines, using a symmetrical six-induction machine as an example.
- It was shown that the feedforward term for a multiphase machine, like its three-phase counterpart, is a function of the back EMF voltage of the faulted phase, and independent of stator resistance value.
Author Contributions
Funding
Acknowledgments
Conflicts of Interest
Nomenclature
| AC | Alternating current |
| DC | Direct current |
| DOF | Degrees of freedom |
| DSRF | Double synchronous reference frame |
| FOC | Field-oriented control |
| FTC | Fault-tolerant control |
| MMF | Magnetomotive Force |
| OPF | Open-phase fault |
| PMSM | Permanent magnet synchronous machine |
| RFOC | Rotor field-oriented control |
| S6 | Symmetrical six-phase |
| SRF | Synchronous reference frame |
References
- Mirafzal, B. Survey of Fault-Tolerance Techniques for Three-Phase Voltage Source Inverters. IEEE Trans. Ind. Electron. 2014, 61, 5192–5202. [Google Scholar] [CrossRef]
- Behjati, H.; Davoudi, A. Reliability Analysis Framework for Structural Redundancy in Power Semiconductors. IEEE Trans. Ind. Electron. 2012, 60, 4376–4386. [Google Scholar] [CrossRef]
- Benbouzid, M.E.H.; Diallo, D.; Zeraoulia, M. Advanced Fault-Tolerant Control of Induction-Motor Drives for EV/HEV Traction Applications: From Conventional to Modern and Intelligent Control Techniques. IEEE Trans. Veh. Technol. 2007, 56, 519–528. [Google Scholar] [CrossRef]
- Naidu, M.; Gopalakrishnan, S.; Nehl, T.W. Fault-Tolerant Permanent Magnet Motor Drive Topologies for Automotive X-By-Wire Systems. IEEE Trans. Ind. Appl. 2010, 46, 841–848. [Google Scholar] [CrossRef]
- Wang, R.; Wang, J. Fault-Tolerant Control With Active Fault Diagnosis for Four-Wheel Independently Driven Electric Ground Vehicles. IEEE Trans. Veh. Technol. 2011, 60, 4276–4287. [Google Scholar] [CrossRef]
- Zhang, W.; Xu, D.; Enjeti, P.N.; Li, H.; Hawke, J.T.; Krishnamoorthy, H.S. Survey on Fault-Tolerant Techniques for Power Electronic Converters. IEEE Trans. Power Electron. 2014, 29, 6319–6331. [Google Scholar] [CrossRef]
- Tousizadeh, M.; Che, H.S.; Selvaraj, J.; Rahim, N.A.; Ooi, B.-T. Performance Comparison of Fault-Tolerant Three-Phase Induction Motor Drives Considering Current and Voltage Limits. IEEE Trans. Ind. Electron. 2018, 66, 2639–2648. [Google Scholar] [CrossRef]
- Wang, R.; Zhao, J.; Liu, Y. A Comprehensive Investigation of Four-Switch Three-Phase Voltage Source Inverter Based on Double Fourier Integral Analysis. IEEE Trans. Power Electron. 2011, 26, 2774–2787. [Google Scholar] [CrossRef]
- Van Der Broeck, H.W.; Van Wyk, J.D. A Comparative Investigation of a Three-Phase Induction Machine Drive with a Component Minimized Voltage-Fed Inverter under Different Control Options. IEEE Trans. Ind. Appl. 1984, 20, 309–320. [Google Scholar] [CrossRef]
- Liu, T.-H.; Fu, J.-R.; Lipo, T. A strategy for improving reliability of field oriented controlled induction motor drives. IEEE Trans. Ind. Appl. 1993, 29, 910–918. [Google Scholar] [CrossRef]
- Bolognani, S.; Zordan, M.; Zigliotto, M. Experimental fault-tolerant control of a PMSM drive. IEEE Trans. Ind. Electron. 2000, 47, 1134–1141. [Google Scholar] [CrossRef]
- Bianchi, N.; Bolognani, S.; Zigliotto, M.; Zordan, M. Innovative remedial strategies for inverter faults in IPM synchronous motor drives. IEEE Trans. Energy Convers. 2003, 18, 306–314. [Google Scholar] [CrossRef]
- Correa, M.B.D.R.; Jacobina, C.B.; da Silva, E.C.; Lima, A.N. An induction motor drive system with improved fault tolerance. IEEE Trans. Ind. Appl. 2001, 37, 873–879. [Google Scholar] [CrossRef]
- Gaeta, A.; Scelba, G.; Consoli, A. Modeling and Control of Three-Phase PMSMs Under Open-Phase Fault. IEEE Trans. Ind. Appl. 2013, 49, 74–83. [Google Scholar] [CrossRef]
- Tousizadeh, M.; Che, H.S.; Abdel-Khalik, A.S.; Munim, W.; Selvaraj, J.; Rahim, N.A. Effects of flux derating methods on torque production of fault-tolerant polyphase inductiondrives. IET Electr. Power Appl. 2021, 15, 616–628. [Google Scholar] [CrossRef]
- Lu, H.; Li, J.; Qu, R.; Ye, D.; Lu, Y. Fault-Tolerant Predictive Control of Six-Phase PMSM Drives Based on Pulsewidth Modulation. IEEE Trans. Ind. Electron. 2019, 66, 4992–5003. [Google Scholar] [CrossRef]
- Peng, Z.; Zheng, Z.; Li, Y.; Liu, Z. Machine Drives Based on Virtual Winding Method. In Proceedings of the 2017 IEEE Transportation Electrification Conference and Expo (ITEC), Chicago, IL, USA, 22–24 June 2017; pp. 252–256. [Google Scholar]
- Sun, J.; Liu, Z.; Zheng, Z.; Li, Y. An Online Global Fault-Tolerant Control Strategy for Symmetrical Multiphase Machines With Minimum Losses in Full Torque Production Range. IEEE Trans. Power Electron. 2020, 35, 2819–2830. [Google Scholar] [CrossRef]
- Moraes, T.D.S.; Nguyen, N.K.; Semail, E.; Meinguet, F.; Guerin, M. Dual-Multiphase Motor Drives for Fault-Tolerant Applications: Power Electronic Structures and Control Strategies. IEEE Trans. Power Electron. 2017, 33, 572–580. [Google Scholar] [CrossRef]
- Zhao, Y.; Lipo, T. Modeling and control of a multi-phase induction machine with structural unbalance: Part I. Machine modeling and multi-dimensional current regulation. IEEE Trans. Energy Convers. 1996, 11, 570–577. [Google Scholar] [CrossRef]
- Ryu, H.-M.; Kim, J.-W.; Sul, S.-K. Synchronous Frame Current Control of Multi-Phase Synchronous Motor —Part II Asymmetric Fault Condition due to Open Phases. IEEE Trans. Ind. Appl. 2006, 42, 1062–1070. [Google Scholar]
- Zhou, H.; Yang, G.; Wang, J. Modeling, Analysis, and Control for the Rectifier of Hybrid HVdc Systems for DFIG-Based Wind Farms. IEEE Trans. Energy Convers. 2011, 26, 340–353. [Google Scholar] [CrossRef]
- Zhou, X.; Sun, J.; Li, H.; Song, X. High Performance Three-Phase PMSM Open-Phase Fault-Tolerant Method Based on Reference Frame Transformation. IEEE Trans. Ind. Electron. 2018, 66, 7571–7580. [Google Scholar] [CrossRef]
- Xu, J.; Guo, S.; Guo, H.; Tian, X. Fault-Tolerant Current Control of Six-Phase Permanent Magnet Motor With Multifrequency Quasi-Proportional-Resonant Control and Feedforward Compensation for Aerospace Drives. IEEE Trans. Power Electron. 2023, 38, 283–293. [Google Scholar] [CrossRef]
- Tani, A.; Mengoni, M.; Zarri, L.; Serra, G.; Casadei, D. Control of Multiphase Induction Motors With an Odd Number of Phases Under Open-Circuit Phase Faults. IEEE Trans. Power Electron. 2011, 27, 565–577. [Google Scholar] [CrossRef]
- Che, H.S.; Duran, M.J.; Levi, E.; Jones, M.; Hew, W.-P.; Rahim, N.A. Postfault Operation of an Asymmetrical Six-Phase Induction Machine With Single and Two Isolated Neutral Points. IEEE Trans. Power Electron. 2013, 29, 5406–5416. [Google Scholar] [CrossRef]
- Munim, W.N.W.A.; Duran, M.J.; Che, H.S.; Bermudez, M.; Gonzalez-Prieto, I.; Rahim, N.A. A Unified Analysis of the Fault Tolerance Capability in Six-Phase Induction Motor Drives. IEEE Trans. Power Electron. 2016, 32, 7824–7836. [Google Scholar] [CrossRef]
- Guo, Y.; Wu, L.; Huang, X.; Fang, Y.; Liu, J. Adaptive Torque Ripple Suppression Methods of Three-Phase PMSM During Single-Phase Open-Circuit Fault-Tolerant Operation. IEEE Trans. Ind. Appl. 2020, 56, 4955–4965. [Google Scholar] [CrossRef]
- Tousizadeh, M.; Yazdani, A.M.; Che, H.S.; Rahim, N.A. Feedforward Fault-Tolerant Control for Three-Phase Induction Motor Drives with Single Open Circuit Fault. In Proceedings of the 2019 International Conference on Power and Energy Systems (ICPES), Perth, WA, Australia, 10–12 December 2019; pp. 1–6. [Google Scholar] [CrossRef]
- Jasim, O.; Sumner, M.; Gerada, C.; Arellano-Padilla, J. Development of a new fault-tolerant induction motor control strategy using an enhanced equivalent circuit model. IET Electr. Power Appl. 2011, 5, 618–627. [Google Scholar] [CrossRef]
- Tousizadeh, M.; Che, H.S.; Selvaraj, J.; Abd Rahim, N.; Ooi, B.T. Fault-Tolerant Field Oriented Control of Three-Phase Induction Motor based on Unified Feed-forward Method. IEEE Trans. Power Electron 2019, 34, 7172–7183. [Google Scholar] [CrossRef]
- Krause, P.C.; Wasynczuk, O.; Sudhoff, S.D. Analysis of Electric Machinery and Drive Systems, 3rd ed.; IEEE Press: Piscataway, NJ, USA, 2002. [Google Scholar]
- Levi, E. Multiphase Electric Machines for Variable-Speed Applications. IEEE Trans. Ind. Electron. 2008, 55, 1893–1909. [Google Scholar] [CrossRef]
- Mule, G.J.A.; Munim, W.N.W.A.; Tousizadeh, M.; Abidin, A.F. Post-fault tolerant of symmetrical six-phase induction machine under open circuit fault with single and two isolated neutral points using graphical user interface. AIP Conf. Proc. 2019, 2173. [Google Scholar] [CrossRef]
- Che, H.S.; Duran, M.; Levi, E.; Jones, M.; Hew, W.P.; Rahim, N.A. Post-fault operation of an asymmetrical six-phase induction machine with single and two isolated neutral points. In Proceedings of the 2013 IEEE Energy Conversion Congress and Exposition, Denver, CO, USA, 15–19 September 2013. [Google Scholar] [CrossRef][Green Version]
- Ghanooni, P.; Habibi, H.; Yazdani, A.; Wang, H.; MahmoudZadeh, S.; Mahmoudi, A. Rapid Detection of Small Faults and Oscillations in Synchronous Generator Systems Using GMDH Neural Networks and High-Gain Observers. Electronics 2021, 10, 2637. [Google Scholar] [CrossRef]
- Roshandel, E.; Mahmoudi, A.; Kahourzade, S.; Yazdani, A.; Shafiullah, G. Losses in Efficiency Maps of Electric Vehicles: An Overview. Energies 2021, 14, 7805. [Google Scholar] [CrossRef]












| 3-Phase IM | 6-Phase IM | |
|---|---|---|
| Power | 1000 W | 550 W |
| Phase Voltage | 220 V | 240 V |
| Phase Current | 2.7 A | 1.45 A |
| Speed | 2800 RPM | 1390 RPM |
| Frequency | 50 Hz | 50 Hz |
| Magnetizing Inductance Lm | 490 mH | 420 mH |
| Stator Leakage Inductance Lls | 13 mH | 6 mH |
| Stator Leakage Inductance Lxy | - | 3.6 mH |
| Rotor Leakage Inductance Llr | 13 mH | 78 mH |
| Rotor Resistance | 5.9 Ω | 5.77 Ω |
| Flux Current, id | 1.4 A | 0.75 A |
Disclaimer/Publisher’s Note: The statements, opinions and data contained in all publications are solely those of the individual author(s) and contributor(s) and not of MDPI and/or the editor(s). MDPI and/or the editor(s) disclaim responsibility for any injury to people or property resulting from any ideas, methods, instructions or products referred to in the content. |
© 2022 by the authors. Licensee MDPI, Basel, Switzerland. This article is an open access article distributed under the terms and conditions of the Creative Commons Attribution (CC BY) license (https://creativecommons.org/licenses/by/4.0/).
Share and Cite
Tousizadeh, M.; Yazdani, A.; Che, H.S.; Wang, H.; Mahmoudi, A.; Rahim, N.A. A Generalized Fault Tolerant Control Based on Back EMF Feedforward Compensation: Derivation and Application on Induction Motors Drives. Energies 2023, 16, 51. https://doi.org/10.3390/en16010051
Tousizadeh M, Yazdani A, Che HS, Wang H, Mahmoudi A, Rahim NA. A Generalized Fault Tolerant Control Based on Back EMF Feedforward Compensation: Derivation and Application on Induction Motors Drives. Energies. 2023; 16(1):51. https://doi.org/10.3390/en16010051
Chicago/Turabian StyleTousizadeh, Mahdi, Amirmehdi Yazdani, Hang Seng Che, Hai Wang, Amin Mahmoudi, and Nasrudin Abd Rahim. 2023. "A Generalized Fault Tolerant Control Based on Back EMF Feedforward Compensation: Derivation and Application on Induction Motors Drives" Energies 16, no. 1: 51. https://doi.org/10.3390/en16010051
APA StyleTousizadeh, M., Yazdani, A., Che, H. S., Wang, H., Mahmoudi, A., & Rahim, N. A. (2023). A Generalized Fault Tolerant Control Based on Back EMF Feedforward Compensation: Derivation and Application on Induction Motors Drives. Energies, 16(1), 51. https://doi.org/10.3390/en16010051

