Teaching Energy Economics in the GCC: A Synergistic Approach between Engineering and Economics
Abstract
:1. Introduction
- How can we supply clean secure energy to a world with more than nine billion people (see Figure 1)?
- How can a country best support its economic activity with available energy resources?
- How can a world dependent on fossil energy evolve to reduce climate impact?
2. Course Contents and Requirements
3. LCA Example: Comparing the Carbon Footprint of Producing Biodiesel to Fossil-Based Diesel Fuel
- Defined system boundaries;
- Relevant inputs and outputs of the system;
- Potential environmental impacts of the inputs and outputs; and
- Interactions between various system components.
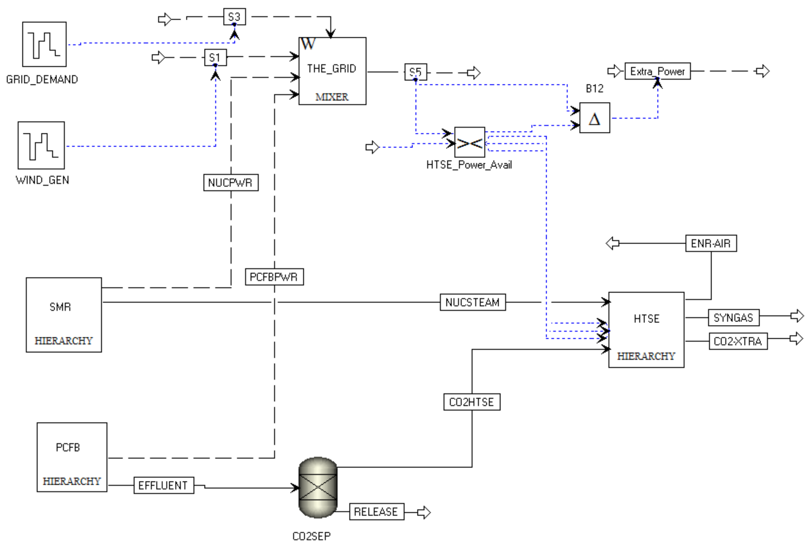
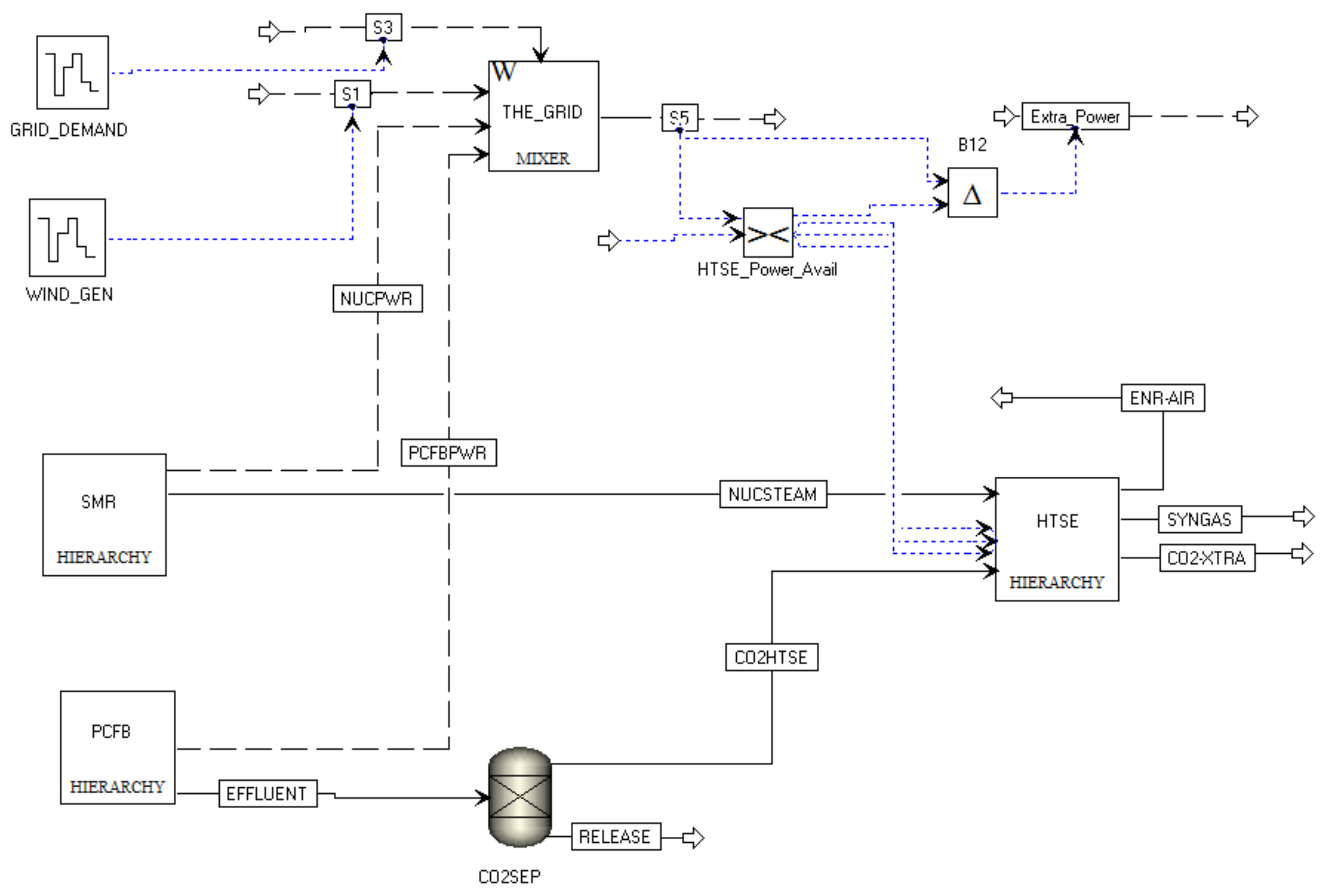
4. Hybrid Energy Example: Nuclear Hybrid Energy and Process Sustainability
5. Conclusions
Author Contributions
Funding
Data Availability Statement
Conflicts of Interest
References
- Coşkun, H.E.; Popescu, C.; Şahin Samaraz, D.; Tabak, A.; Akkaya, B. Entrepreneurial University Concept Review from the Perspective of Academicians: A Mixed Method Research Analysis. Sustainability 2022, 14, 10110. [Google Scholar] [CrossRef]
- Peirce, W.S. Economics of the Energy Industries; Greenwood Publishing Group: Westport, CT, USA, 1996. [Google Scholar]
- Peter Zweifel, P.Z.; Aaron Praktiknjo, A.P.; Georg Erdmann, G.E. Energy Economics: Theory and Applications; Springer: Berlin/Heidelberg, Germany, 2017. [Google Scholar]
- Day, H. Energy, Economics and the Environment: Case Studies and Teaching Activities for High School; Indiana Department of Education: Indianapolis, IN, USA, 1993.
- Gigauri, I.; Popescu, C.; Panait, M.; Apostu, S.A. Integrating Sustainability Development Issues into University Curriculum. In New Perspectives on Using Accreditation to Improve Higher Education; IGI Global: Hershey, PA, USA, 2022; pp. 69–95. [Google Scholar]
- Yli-Panula, E.; Jeronen, E.; Lemmetty, P. Teaching and learning methods in geography promoting sustainability. Educ. Sci. 2019, 10, 5. [Google Scholar] [CrossRef]
- De la Torre, R.; Onggo, B.S.; Corlu, C.G.; Nogal, M.; Juan, A.A. The role of simulation and serious games in teaching concepts on circular economy and sustainable energy. Energies 2021, 14, 1138. [Google Scholar] [CrossRef]
- Hernandez, A.M.; Pacheco Rojas, D.A.; Barrón Villaverde, D. Carbon Lock-In and Contradictions—Applied Guide to Academic Teaching of Mexico’s Energy Transition. Appl. Sci. 2021, 11, 8289. [Google Scholar] [CrossRef]
- Jafarinejad, S.; Beckingham, L.E.; Kathe, M.; Henderson, K. The Renewable Energy (RE) Industry Workforce Needs: RE Simulation and Analysis Tools Teaching as an Effective Way to Enhance Undergraduate Engineering Students’ Learning. Sustainability 2021, 13, 11727. [Google Scholar] [CrossRef]
- Hoople, G.D.; Chen, D.A.; Lord, S.M.; Gelles, L.A.; Bilow, F.; Mejia, J.A. An integrated approach to energy education in engineering. Sustainability 2020, 12, 9145. [Google Scholar] [CrossRef]
- Göğüş, Y. Thermoeconomic optimization. Int. J. Energy Res. 2005, 29, 559–580. [Google Scholar] [CrossRef]
- Vincent, C.E.; Heun, M.K. Thermoeconomic Analysis & Design of Domestic Refrigeration Systems. In Proceedings of the Domestic Use of Energy Conference, Grand Rapids, MI, USA, 2006; Available online: https://citeseerx.ist.psu.edu/viewdoc/download?doi=10.1.1.508.7936&rep=rep1&type=pdf (accessed on 20 September 2022).
- D’Adamo, I.; Morone, P.; Huisingh, D. Bioenergy: A sustainable shift. Energies 2021, 14, 5661. [Google Scholar] [CrossRef]
- Huang, L.; Zhou, Y. Carbon prices and fuel switching: A quasi-experiment in electricity markets. Environ. Resour. Econ. 2019, 74, 53–98. [Google Scholar] [CrossRef]
- Zhou, Y.; Huang, L. How regional policies reduce carbon emissions in electricity markets: Fuel switching or emission leakage. Energy Econ. 2021, 97, 105209. [Google Scholar] [CrossRef]
- McCarthy, N. Global Population: The World’s Most Populous Nations in 2050. 2017. Available online: https://www.statista.com/chart/9947/the-worlds-most-populous-nations-in-2050/ (accessed on 13 June 2022).
- Bragg-Sitton, S.M.; Boardman, R.; Rabiti, C.; O’Brien, J. Reimagining future energy systems: Overview of the US program to maximize energy utilization via integrated nuclear-renewable energy systems. Int. J. Energy Res. 2020, 44, 8156–8169. [Google Scholar] [CrossRef]
- Hill, J. Life Cycle Analysis of Biofuels. In Encyclopedia of Biodiversity, 2nd ed.; Elsevier: Amsterdam, The Netherlands, 2013; pp. 627–630. Available online: https://www.sciencedirect.com/topics/earth-and-planetary-sciences/life-cycle-analysis/pdf (accessed on 20 September 2022).
- Caramanico, N.; Di Florio, G.; Baratto, M.C.; Cigolotti, V.; Basosi, R.; Busi, E. Economic Analysis of Hydrogen Household Energy Systems Including Incentives on Energy Communities and Externalities: A Case Study in Italy. Energies 2021, 14, 5847. [Google Scholar] [CrossRef]
- Argonne National Laboratory. Greenhouse Gases, Regulated Emissions, and Energy Use in Transportation (GREET) Model. 2022. Available online: https://greet.es.anl.gov/index.php (accessed on 20 September 2022).
- Chen, R.; Qin, Z.; Han, J.; Wang, M.; Taheripour, F.; Tyner, W.; O’Connor, D.; Duffield, J. Life cycle energy and greenhouse gas emission effects of biodiesel in the United States with induced land use change impacts. Bioresour. Technol. 2018, 251, 249–258. [Google Scholar] [CrossRef] [PubMed]
- Buchheit, K.L.; Smith, J.D.; Guntupalli Chen, C. Techno-Economic Analysis of a Sustainable Coal, Wind, and Nuclear Hybrid Energy System. Energy Fuels 2016, 30, 10721–10729. [Google Scholar] [CrossRef]
- Buchheit, K.L.; Smith, J.D. Production possibilities of a sustainable coal, wind, and small modular reactor hybrid energy system. Energy Fuels 2018, 32, 10864–10878. [Google Scholar] [CrossRef]







| # | Learning Objectives |
|---|---|
| 1 | Learn and apply economic principles to access economic sustainability for energy resources. |
| 2 | Learn and apply the life cycle analysis methodology to assess the environmental sustainability of energy resources. |
| 3 | Learn how to use the GREET software to conduct sustainability assessments. |
| 4 | Examine multiple forms of energy to understand limitations related to each energy resource. |
| 5 | Consider the evidence for climate change and discuss the impact of fossil fuels on this issue. |
| 6 | Work in a team environment to conduct a technoeconomic analysis of selected energy technology. |
| 7 | Demonstrate understanding of the principles discussed in class through a written report based on the group project. |
| # | Topical Areas for Outside Reading |
|---|---|
| 1 | Energy demand and supply |
| 2 | Competitive energy markets and problems of market failures |
| 3 | Government policies designed to correct for price inefficiencies |
| 4 | The issue of scarcity of rent |
| 5 | Global warming and climate change |
| 6 | Natural gas, shale oil, and fracking |
| 7 | Solar energy, wind energy, and energy storage |
| 8 | Nuclear energy, including fusion energy |
| 9 | Biofuels |
| 10 | Tidal/wave power, hydrogen fuel, and geothermal energy |
| # | Research Topics for Major Project |
|---|---|
| 1 | Examine in detail the renewable energy policy in Massachusetts. Provide a summary of the policy; what does it contain; what has been the impact on prices and how does it compare to other renewable energy policies? |
| 2 | There now appear to be two functioning cellulosic ethanol plants in the United States. Both appear to be using corn stover to produce alcohol. What is the future of cellulosic ethanol production in the world? Can these processes produce ethanol efficiently? |
| 3 | Perform a policy analysis of the global warming issue. What are the theories on both sides of the question? Is there any validity to the sunspot theory? |
| 4 | Analyze the technical and economic issues related to hybrid energy vehicles. For instance, consider the following: Natural gas vehicles, Plug-in electric vehicles, and fuel cell vehicles among others. |
| 5 | Do an economic and technical analysis of small modular nuclear reactors (SMRS). Are they cost-efficient? What are their advantages and disadvantages? Are SMRS the future for advancing nu-clear’s share of electricity production? |
| 6 | Do a technical and economic analysis of deriving energy from fusion. What are the different technologies? Look in particular at the new technology presented by the grad student at MIT (ask Dr. Smith about this technology). |
| 7 | What is the impact of cheap energy on the world economy? Consider short and long-run. What impacts might cheap energy have on carbon emissions and global warming? |
| 8 | How serious a problem is energy poverty? Analyze whether we can alleviate energy poverty without the increased use of fossil fuels. |
| 9 | Analyze whether replacing ethanol production from corn with butanol would increase efficiency. What are butanol’s advantages and disadvantages as a fuel over ethanol? |
| 10 | One solution that some economists have suggested as a way of accounting for the social external costs of fossil fuels has been carbon taxes or cap and trade. The carbon tax was used for many years as an environmental policy in Australia. The EU established a cap and trade policy, which had serious problems but may still exist. Examine the theory behind their initiatives, analyze their effectiveness to date, and make policy prescriptions based on your analysis. |
| 11 | Several years ago, an article appeared in Scientific American advocating the construction of a 60,000-square mile project of photovoltaic collectors and concentrated solar thermal units in the Western U.S. with the purpose of producing one-half of the U.S. electricity consumption. Since the article was written, fossil fuel prices have dropped dramatically, but at the same time, photovoltaic efficiencies have improved. Is this project, or something similar, viable for energy production in the U.S.? Consider the technical challenges and the economic issues. |
| 12 | Perform an environmental and economic analysis of oil and gas fracking. Fracking has been a successful energy-producing technology in the United States. What are the chances of its success in other countries and economies? |
| 13 | Analyze the issues surrounding carbon sequestration versus carbon utilization. |
| 14 | Explore current policy related to microgrids and conduct a LCA for a microgrid in a large urban market and a small rural market with multiple energy resources (e.g., solar, wind, biomass, nuclear, coal, gas) available in the market according to location of the microgrid implementation. |
| Cost Source | Coventional Coal (Reference Case) | Hybrid Energy (No HTSE) | Base Hybrid System (Levelized Cost) | 10% Hybrid (No HTSE) | 10% Hybrid |
|---|---|---|---|---|---|
| Coventional Coal | $336.40 | - | - | - | - |
| PCFB (Advanced Coal) | - | $198.80 | $198.80 | $68.00 | $68.00 |
| Advanced Nuclear | - | $176.00 | $176.00 | $46.40 | $46.40 |
| Wind | $10.90 | $10,871.00 | $10.90 | $10.90 | $10.90 |
| Advanced Combustion Turbine | $16.80 | $16.80 | $16.80 | $16.80 | $16.80 |
| Solid Oxide Fuel Cell | - | - | $21.00 | - | $21.00 |
| Hybridized Capital Cost | - | - | - | $234.30 | $234.30 |
| $15/Metric ton CO2 | $678.90 | $330.40 | $303.60 | $330.40 | $303.60 |
| $30/Metric ton CO2 | $1357.80 | $660.70 | $607.10 | $660.70 | $607.10 |
| Total Cost | $364.10 | $402.40 | $423.40 | $376.40 | $397.40 |
| Total Cost + $15 tax | $1043.00 | $732.80 | $727.00 | $706.70 | $701.00 |
| Total Cost + $30 tax | $1721.90 | $1063.10 | $1030.60 | 1037.10 | $1004.50 |
Publisher’s Note: MDPI stays neutral with regard to jurisdictional claims in published maps and institutional affiliations. |
© 2022 by the authors. Licensee MDPI, Basel, Switzerland. This article is an open access article distributed under the terms and conditions of the Creative Commons Attribution (CC BY) license (https://creativecommons.org/licenses/by/4.0/).
Share and Cite
Zhou, Y.; Smith, J.D.; Gelles, G. Teaching Energy Economics in the GCC: A Synergistic Approach between Engineering and Economics. Energies 2022, 15, 6953. https://doi.org/10.3390/en15196953
Zhou Y, Smith JD, Gelles G. Teaching Energy Economics in the GCC: A Synergistic Approach between Engineering and Economics. Energies. 2022; 15(19):6953. https://doi.org/10.3390/en15196953
Chicago/Turabian StyleZhou, Yishu, Joseph D. Smith, and Greg Gelles. 2022. "Teaching Energy Economics in the GCC: A Synergistic Approach between Engineering and Economics" Energies 15, no. 19: 6953. https://doi.org/10.3390/en15196953
APA StyleZhou, Y., Smith, J. D., & Gelles, G. (2022). Teaching Energy Economics in the GCC: A Synergistic Approach between Engineering and Economics. Energies, 15(19), 6953. https://doi.org/10.3390/en15196953

