Abstract
In the design of inductive power transfer (IPT) systems for multi-load applications, the versatility of the coupling structure and the choice of parameter values are crucial due to the diversity of load appliance types and operating conditions. In this paper, based on the features of various coupling structures, the equivalent circuit models of four topologies, namely single-input single-output (SISO), single-input multiple-output (SIMO), multiple-input single-output (MISO) and multiple-input multiple-output (MIMO), are established, from which general transfer characteristics are obtained and analyzed. Based on the series–series (S/S) compensation topology, a set of design principles for IPT circuits satisfying various output requirements in a multi-load environment is presented. Moreover, a control strategy to address the impedance matching issue and to facilitate communication between the primary and secondary sides is proposed. The proposed control strategy is experimentally validated.
1. Introduction
With the diversifying consumers’ needs and specifications of applications, electronic appliances are supporting a variety of power supply standards. The messy wires and sockets are unsightly and greatly reduce the convenience of use. Moreover, the prolonged use of wires will inevitably cause wear and tear. The aging phenomenon is extremely prone to accidents, posing safety concerns. Inductive power transfer (IPT) technology enables various appliances to be intelligent and wireless, eliminating the use of wires and reducing the risk of electric shocks [1,2]. In an IPT system, the coupling structure design can be divided into two types in terms of winding styles: One is unipolar coil [3], and the other is bipolar coil [4,5], which are both widely used, especially in the application of wireless charging for electric vehicles (EVs).According to different requirements in practical applications, coupling structures can be broadly classified into four types: single-input single-output (SISO), single-input multiple-output (SIMO), multiple-input single-output (MISO) and multiple-input multiple-output (MIMO) [6,7]. Compared with the application of wireless charging for EVs where the SISO configuration is usually adopted, the single-input double-output (SIDO) and single-input multiple-output (SIMO) configurations are mainly used in lower power applications, including consumer electronics and household appliances. For example, in public areas, compared with the mode of one cell phone matching one IPT charger, a bigger charging plane is more convenient to realize multi-load charging simultaneously. In the household appliance scenario, Wireless Power Consortium has encouraged multi-load operating application since 2013 [8]. The IPT plane helps to save area and avoid the risk of electric shock. The MIMO configuration is also adopted in the above applications to eliminate the impact of position misalignments. The research for multi-load applications has mainly focused on two aspects. The first one is the power distribution and efficiency optimization among the loads, and the other one is the decoupling control, i.e., eliminating mutual interference among multiple loads so that each load is supported by stable power [9,10]. Mi et al. [11] have proposed a bipolar coupling structure that can provide power to multiple loads axially. The receiving (secondary) coil and the relay coil are connected in parallel, with the wires wound in a relatively orthogonal position to ensure that the two coils are decoupled. In addition, the adjacent secondary or relay coils are wound in the same direction to effectively enhance the coupling capability. By integrating the relay and the secondary coils, simultaneous power supply to multiple loads in the coaxial direction is achieved. However, all the receiving coils are required to be absolutely axisymmetric positioned to realize the consistence and the uniform distribution of the power received. Moreover, a planar PCB coil has been proposed for unmanned aerial vehicles by offering power to multiple loads radially, without the need for a battery and reduced weight [12]. Unfortunately, the power transfer capability is limited due to the limited operating frequency. Furthermore, a coupling structure for wide-range power transfer has been proposed for multiple loads that are located anywhere on the surface of the primary side [1]. However, load power distribution and regulation are not available while charging.
The design of the coupling structure in an MIMO IPT converter mainly includes cross-coupling and multi-group one-to-one coupling. Specifically, the inter-coil coupling inductance is considered in the cross-coupling structure, while the multi-group one-to-one coupling structure preserves the transfer properties of the original SISO coupling structure, thus simplifying the control procedure. To address the issue of power distribution, Nguyen et al. [13] have proposed an MIMO coupling structure with a set of relay coils. By changing the relative positions of the relay coils and the angles between the transmitting and receiving coils, the output power at the corresponding load side can be regulated. Since the relay coils must be placed between the transmitting and the receiving coils, it is difficult to adjust the swing angles precisely, and the distance among adjacent receiving coils should be fixed to ensure uniform power distribution. Recently, a multi-load IPT system applied has been proposed for charging electric vehicles [14]. The on/off of the power supply coils are controlled by detecting the parameter of mutual inductance, thereby selecting the appropriate power supplies for the various loads. However, specific design conditions of identical size and perfect alignment for transmitting and receiving coils are desirable for ensuring effective power transfer. In the design of array coupling structures of MIMO IPT converters, appropriate Litz windings with certain ferrite cores and PCB boards are chosen for specific applications. For example, a single-layer winding array and receiver coil structure with cylindrical ferrite core has been proposed [15], using Litz wires uniformly wound on a columnar ferrite. The structure is suitable for wireless charging with a user-friendly free-positioning feature for low-power applications. However, the consistency of the winding parameters cannot be guaranteed. In order to ensure consistent array parameters, a PCB array coil for small electronic devices has also been proposed [10]. The transmitting coil is composed of a double layer array, and the receiving coil adopts the same size of PCB array as the transmitting side. The design simplifies the charging of objects in blind spots and the installation in low-power applications. As load or power detection is not available in this IPT structure, all array coils are required to be powered simultaneously during the operation. Although a considerable amount of work has been reported on the use of various coupling structures for multi-load IPT systems, a unified design principle that can be systematically applied for designing multi-load converters is still missing [16,17].
In this paper, a unified design principle for standardized IPT systems is presented, providing appropriate control strategies that can be applied to a variety of coupling structures including SISO, SIMO, MISO and MIMO structures. Specifically, we start with the basic transfer features of a series–series (S/S) compensated SISO IPT system, including output power, transfer efficiency, operating conditions for achieving constant output, and so on [18]. Then, based on a set of common requirements of input and output terminals in various operating scenarios, SIMO, MISO and MIMO structures will be extended and discussed. Finally, a unified set of design procedures for these structures will be developed, according to the operating conditions of the loads. Furthermore, simplified control strategies will be presented.
This paper is organized as follows. Section 2 provides the transfer characteristics of S/S compensated IPT converters with various coupling structures based on an equivalent circuit model. Section 3.1 presents power distribution strategies and IPT structure selection methods that address the various operating requirements of the output such as load type, power level and constant output conditions. A new control strategy for regulation of the output power is also discussed. In Section 3.2, a unified design flow of IPT systems that is applicable to various load types is given. Experimental verification is provided in Section 4. Section 5 concludes the paper.
2. Coupling Structures
2.1. Single-Input Double-Output Structure
Due to the existence of multi-load conditions in the system, the mutual inductance varies nonlinearly with the relative position when the coils at the receiving end are in the same plane. In the theoretical calculation stage, the calculation can be done in two categories. (1) The system has cross-coupling, i.e., the mutual inductance . (2) The system does not have cross-coupling, i.e. the mutual inductance . In practice, in order to avoid the cross-coupling problem between the transmitting coils, the transmitting coils are required to be reasonably designed, and the hardware decoupling can be realized by coil overlapping or placing away from each other. Moreover, to ensure a stable power transfer process, position and size identification strategies and several array coil switches are usually added in the source-level control system, making control more difficult. In order to ensure the consistency of coupling performance, the equal-size receiving coil structure is adopted in this paper, while the structure with a large transmitting coil is designed to achieve that the mutual inductance of the transmitting and receiving coils remains constant within a certain power supply range of the receiving coil.
Shown in Figure 1 is the equivalent circuit of a single-input double-output (SIDO) IPT converter using series–series (S/S) compensation. To facilitate the analysis, we assume that the converter is terminated by an ideal sine AC voltage source at the input side and two equivalent loads and at the output side. The transformer consists of a primary coil with the self-inductance and two secondary coils with self-inductances and . Each inductor is connected with a series compensated capacitor. From Kirchhoff’s voltage law (KVL), the state equation of the SIDO circuit is
where (i = 1, 2) denotes the mutual inductance between the primary coil and the i-th secondary coil, and ; k represents the coupling coefficient; denotes the mutual inductance between the two secondary coils; denotes the operating frequency; ,, and are the current and total impedances at the primary and the i-th secondary side, respectively.
Figure 1.
Equivalent circuit of a single-input double-output IPT circuit.
Using the resonance condition of and Equation (1), the current flowing through the i-th secondary side can be obtained as
Based on the expression above, the output voltage of the i-th secondary side can be calculated as
Assuming that both the secondary coils are placed in the same plane, the two coils are thus radially coupled. When the two coils are orthogonally positioned or are separated by a certain distance, the coupling coefficient k between the coils will be less than 0.01, i.e., . Then, the equivalent reflected impedance of the SIDO system can be expressed as
Since there exist several LC-resonant networks in the SIDO system, we define the self-resonance frequency as , . Putting and in (4), the real and imaginary parts of the reflected impedance can be expressed separately as
where , ; Q denotes the quality factor of the component; ; and , i = 1, 2.
The whole system’s efficiency can be divided into two parts: the primary-side and secondary-side efficiency. Using the impedance expressions, the transfer efficiency of the primary side can be obtained as
where parameter and are reflected impedances produced by secondary coils, and consists of ESR and load resistance .
The secondary-side power consists of output power and power consumed by the secondary-side topology. Thus, the secondary-side efficiency can be calculated by the ratio of output power to the total secondary-side power as
To facilitate the analysis, the two consistent coils are adopted at the secondary side. Then, the secondary-side efficiency can be simplified as
2.2. Double-Input Double-Output Structure
The transfer characteristics of a double-input double-output (DIDO) IPT converter can be extended from the above analysis. As shown in Figure 2, the two primary coils (equivalent to inductors and ) of the DIDO converter are terminated by two independent sine AC voltage sources at the input side. The mutual inductance can be neglected when the two primary coils are orthogonally positioned or are separated by a certain distance. Thus, the transfer efficiency of the DIDO system is given by
Figure 2.
Equivalent model of a double-input double-output IPT circuit.
2.3. General Multi-Input Multi-Output Structure
Based on the above analysis, a logical extension from the DIDO IPT converter to a multi-input multi-output (MIMO) IPT converter is possible, as shown in Figure 3, where m and n represent the number of primary and secondary coils, respectively. The corresponding transfer efficiency and output power can be readily obtained as follows:
where and , for . Thus, we can obtain the transfer characteristics of any S/S compensated MIMO IPT converter under various operating conditions using the calculation results above. Here, with the requirement of load-independent output, the simple constant current (CC) output conditions are adopted. Both primary and secondary sides of the converter operate at the self-resonance frequency, i.e., and . Substituting these operating conditions into (13), it can be readily obtained that the factor , and the simplified impedance is given by
Figure 3.
Equivalent model of a multi-input multi-output IPT circuit.
Then, the total transfer efficiency of an MIMO IPT converter with S/S compensation can be further simplified as
Similarly, the total output power of the MIMO IPT converter is simplified as
Assuming that the system parameters of each input or output branch are consistent with the MIMO IPT converter, the total output power given in (19) becomes
In order to achieve maximum power output, we differentiate (20) with respect to , giving the optimal load value as
Thus, by transitioning from SIDO IPT circuits to DIDO IPT circuits, and finally extending to a generic MIMO IPT circuit, we can obtain theoretical results for the transfer features of any MIMO IPT circuit with S/S compensation based on the above formulas. Accordingly, the optimal operating point for maximum power output or maximum efficiency transfer can be calculated. In this paper, the normal operation of each load is mainly concerned. Then, the priority of maximum power output is considered as higher than maximum efficiency transfer. Therefore, the unified design will be centered on power distribution and regulation. The above formulas will also be used later in our proposed unified design procedure.
2.4. Illustrations by Simulations
In order to reveal the load characteristics of multi-output IPT systems, we present simulations based on the equivalent model shown in Figure 1. The parameter values listed in Table 1 are used. From Figure 4a, it can be readily observed that with a certain value of , the power delivered to increases as increases, and the growth gradually slows down. Similar results can be observed from Figure 4b. In addition, the maximum power transfer points to and can be identified. Likewise, Figure 5 illustrates the trend of the transfer efficiency as the values of and increase. With one load fixed, the optimal efficiency point of the other load can be readily identified.
Table 1.
Simulation Parameters of Single-Input Double-Output IPT Circuits.
Figure 4.
(a) Simulated output power on versus value of ; and (b) output power on versus value of .
Figure 5.
Simulated transfer efficiency versus load.
In short, from the foregoing illustration, the output power of each load in a multi-load IPT system is affected by the change of resistance in either load of the system. Thus, when the number of output terminals changes, regulation of the output power or equivalent load value is necessary to achieve maximum power transfer.
3. Control and Design Principles
3.1. Load Control
As mentioned in Section 2, the primary and secondary sides of the MIMO IPT system with S/S compensation operate at the same resonance frequency . In this case, and in the expression (13) are
implying that the input impedance is purely resistive; i.e., zero phase angle (ZPA) input is achieved. Since the output current of the system is independent of the load, using the standard transfer ratio expression of S/S compensated IPT circuit with LIC output [19], we obtain the output current of the i-th secondary side as
As discussed in Section 2.4, in order to fulfill the power required for normal operation of the load and the maximum power output condition when the number of input and output terminals varies, it is necessary to regulate the load resistance without changing the coupling parameters of the IPT system.
In the following, a control strategy is presented to conveniently set the load resistance to the desired value. Assume that the equivalent resistance of each load is the same, and the coupling distance between each primary coil and the i-th secondary coil does not vary a lot. Then, each output terminal of the IPT system is expected to deliver the same current value.
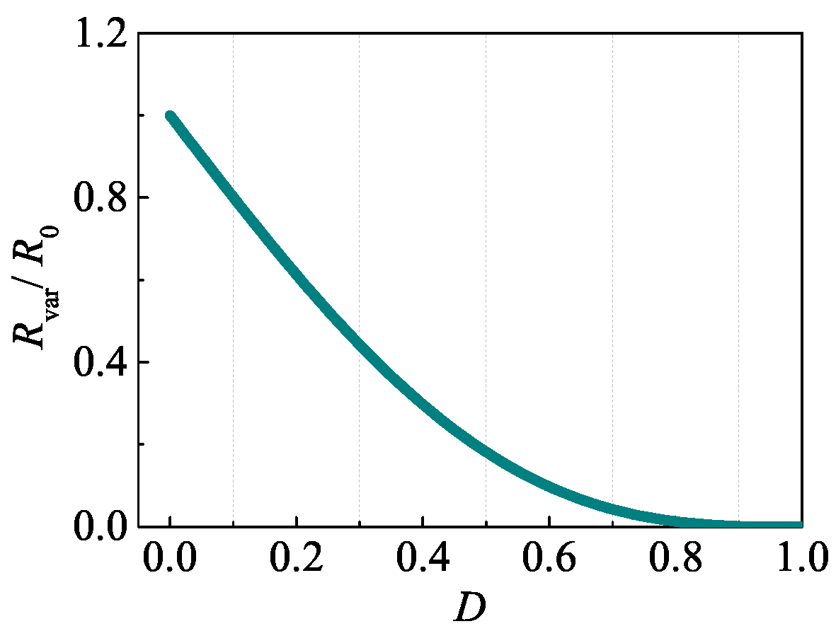
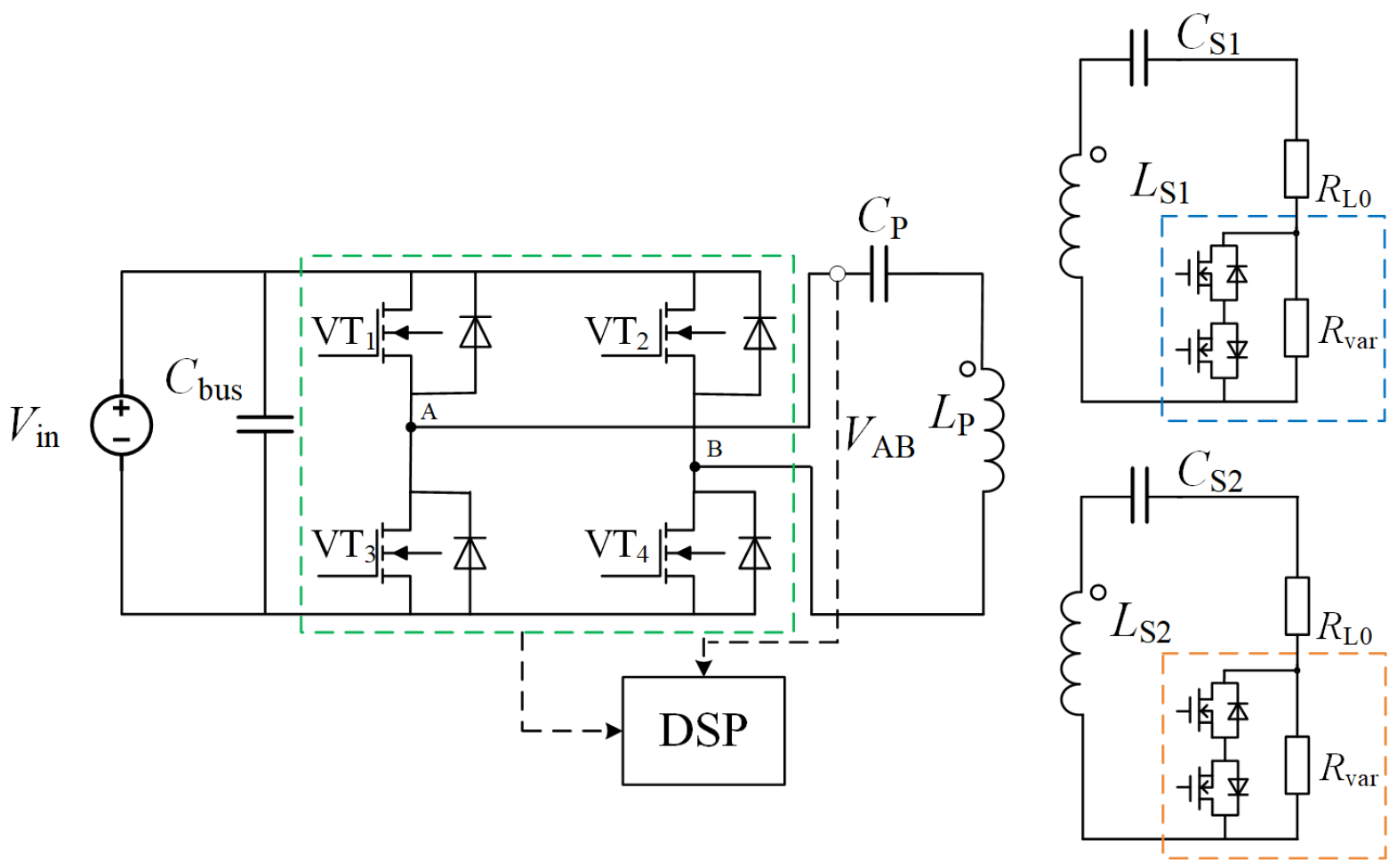
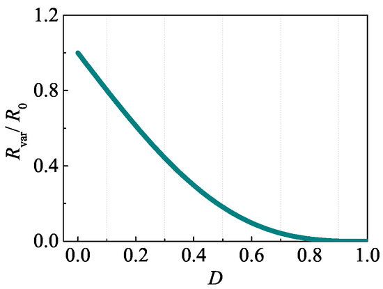
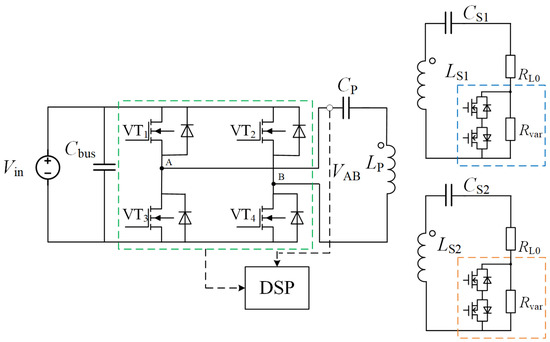
Shown in Figure 6a is the equivalent circuit of a tunable resistor , consisting of an initial resistor and a variable resistor , i.e., . By adjusting the duty cycle D of the anti-parallel MOSFETs connected in parallel with resistor , the value of can be controlled. Here, the duty cycle D can be tuned from 0 to 1. Parameters and are both pure resistance with fixed value, and can be set to the same value as to achieve a wide tunable range of the duty cycle. Thus, the number of secondary coils depends on parameters D and . The corresponding waveforms of the initial current , the PWM wave, the current flowing through , and the output power delivered to are illustrated in Figure 6b. The conduction angle can be adjusted by controlling duty cycle D, thus regulating the equivalent output power . Specifically, the alignment position of the PWM signal is in a current cycle. By detecting the zero-crossing current and delaying the angle by , precise control of the load resistance can be achieved. Thus, the equivalent load value with initial resistance of can be expressed in terms of duty cycle D as
Figure 6.
(a) Equivalent circuit and (b) corresponding theoretical waveforms of a tunable resistor .
The relationship between the ratio of to and the duty cycle D is illustrated in Figure 7.
Figure 7.
Ratio versus duty cycle D.
3.2. Design Principle
In this section, a design process for MIMO IPT systems with optimal power output is presented. Let represent the total rated power of the loads and denote the output power capacity of the system. The design procedure starts with a single-input structure, and the series of steps are:
- Obtain the load information, e.g., number of outputs n, rated output , and operating conditions.
- Determine if a single-output or multi-output structure is required.
- Obtain theoretical results of output power and the equivalent reflected impedance using the procedure given in Section 2.
- If exceeds , retain the single-input structure and calculate the desired optimal load value for each load using Equation (21) in Section 2, or calculate the value of load under normal operating conditions using Ohm’s Law. Otherwise, choose the multi-input structure and go back to Step 2.
- Apply the load control to regulate the load value(s) to the optimal point(s) based on the control strategy presented in Section 3.1.
As the equivalent load of each output is set to the optimal value, maximum power output can be achieved.
4. Experimental Validation
In order to verify the analysis presented above, a laboratory prototype based on the SIDO IPT system is constructed, using the configuration of Figure 8, a photo of which is shown in Figure 9. To simplify the design of the load side, the same structure of the secondary coil is used with a different value of load resistance. Moreover, to estimate the mutual inductance between the two secondary coils, a large primary coil is adopted in this experiment, and the two secondary coils are symmetrically arranged with respect to the primary coil (i.e., diagonally positioned), as illustrated in Figure 10, thus ensuring the same mutual inductance between the receiver and the transmitter, i.e., .
Figure 8.
Configuration of experimental single-input double-output IPT system.
Figure 9.
Experimental setup.
Figure 10.
Layout of coupling structure used in experimental single-input double-output IPT system.
As shown in Figure 8, the designed configuration consists of a DC power supply, a high-frequency inverter, a transformer composed by a primary coil (transmitter) and two secondary coils (receiver), compensation circuits and the corresponding controller. The bus DC voltage source is supplied to the H-bridge inverter made up of SiC power components (C2M0080120), which have low conduction and switching losses. Current detection and protection circuits for the inverter are included to ensure the stability of the switching devices. The threshold of the detection and protection current is set to 7 A. Parameter represents the output voltage of the H-bridge inverter. For the compensation components, NPO ceramic capacitors are utilized as the compensation capacitors for both primary and secondary sides to minimize the effect of temperature on the capacitances, thus ensuring the stability of resonance parameters. The values of the components used in the experiment are shown in Table 2.
Table 2.
Parameters of Experimental Single-Input Double-Output IPT Circuit.
Figure 11 illustrates the coupling performance of the two receiving coils. It can be observed that as the gap D between the two planar coils changes, the mutual coupling coefficient also changes. When the gap increases to about one-sixth the coil width, the coupling performance reaches an inflection point, and its value is much lower than the value of or between the transmitter and receiver. In this case, the influence between the receiving coils can be approximately ignored. That is, when the gap between the receiving coils becomes greater than one-sixth the coil width, the mutual inductance between the coils can be approximately equivalent to zero.
Figure 11.
Coupling between adjacent secondary coils.
To compare the performance of IPT systems with various output terminals at various load resistance, only one output terminal of the system in Figure 8 is adopted first, which changes the SIDO system to an SISO system with the same parameters. Then, the SIDO system is evaluated with the same load value as in the SISO system. Figure 12 shows the measured waveforms of the SISO IPT configuration when the load resistance is regulated to the optimal point of 10 with the maximum output power of 31.2 W.
Figure 12.
Measured waveforms of single-input single-output IPT system with .
Figure 13 shows the measured waveforms of the SIDO IPT configuration when the two secondary coils are connected to loads with the same equivalent resistance of 10 . The measured waveforms indicate that the output power of each load is approximately 20.2 W, which is below the required power level of the load, and the load value is not the optimal point.
Figure 13.
Measured waveforms of single-input double-output IPT system with .
Figure 14 shows the measured waveforms of the SIDO IPT configuration when the control is applied to regulate the resistance of load to the optimal point of while keeping unchanged. It can be observed that the output power of load increases to 33.7 W. Figure 15 shows the measured results of output power changes with the load value of the SISO configuration. Figure 16 shows the measured output power versus load value of SIMO configurations with and without load control. It can be observed from these two figures that when the load resistance is tuned from to via load control, the output power of the SIDO system steps up from 58 W to 98 W, which nearly reaches the output power level of the SISO system. Both the measured and theoretical results reveal that by adjusting the load value, it is possible to achieve a variety of power output combinations for different loads as well as to better meet the output requirements of different load characteristics. Furthermore, by regulating the equivalent resistance of the load to the optimal point, maximum power output can be preserved despite variation in the output terminals.
Figure 14.
Measured waveforms of single-input double-output IPT system with , .
Figure 15.
Output power versus load of SISO configuration.
Figure 16.
Output power versus load of SIDO configuration.
5. Conclusions
This paper attempts to provide general design guidelines for inductive power transfer (IPT) systems for multi-load applications. Transfer characteristics and the respective suitable applications of various coupling structures with series–series (S/S) compensations are discussed in detail via circuit analysis based on mutual-inductance models. A set of design procedures of IPT systems is proposed to meet various operating conditions, power requirements and the number of loads. Furthermore, phase-shift control strategies at the load side are presented to permit an optimal power output with various load impedance. A single-input double-output IPT configuration is constructed for experimental validation. The measured results explicate that after the load resistance is tuned to the optimal value via load control, the output power has increased by 66.8%.
Author Contributions
Conceptualization, J.Z. and Y.L.; methodology, Y.L.; software, J.Z.; validation, J.Z.; formal analysis, Y.L.; investigation, J.Z.; resources, J.Z.; data curation, J.Z.; writing—original draft preparation, J.Z.; writing—review and editing, Y.L.; visualization, J.Z.; supervision, C.C.C.; project administration, C.Z.; funding acquisition, J.Z. All authors have read and agreed to the published version of the manuscript.
Funding
This research was funded by National Natural Science Foundation of China (52107002) and National Key Research and Development Program of China (514010202-302).
Institutional Review Board Statement
Not applicable.
Informed Consent Statement
Not applicable.
Data Availability Statement
Not applicable.
Conflicts of Interest
The authors declare no conflict of interest.
References
- Wang, Z.; Li, Y.; Sun, Y.; Tang, C.; Lv, X. Load Detection Model of Voltage-Fed Inductive Power Transfer System. IEEE Trans. Power Electron. 2013, 28, 5233–5243. [Google Scholar] [CrossRef]
- Xia, C.; Liu, L.; Liu, Y.; Ma, Z. IPT system for tail-free household appliances in the smart home system. IET Power Electron. 2019, 12, 1002–1010. [Google Scholar] [CrossRef]
- Covic, G.A.; Boys, J.T. Inductive power transfer. Proc. IEEE 2013, 101, 1276–1289. [Google Scholar] [CrossRef]
- Budhia, M.; Boys, J.T.; Covic, G.A.; Huang, C. Development of a single-sided flux magnetic coupler for electric vehicle IPT charging systems. IEEE Trans. Ind. Electron. 2013, 60, 318–328. [Google Scholar] [CrossRef]
- Zaheer, A.; Covic, G.A.; Kacprzak, D. A bipolar pad in a 10-kHz 300 W distributed IPT system for AGV applications. IEEE Trans. Ind. Electron. 2014, 61, 3288–3301. [Google Scholar] [CrossRef]
- Zhang, Y.; Lu, T.; Zhao, Z.; He, F.; Chen, K.; Yuan, L. Employing Load Coils for Multiple Loads of Resonant Wireless Power Transfer. IEEE Trans. Power Electron. 2015, 30, 6174–6181. [Google Scholar] [CrossRef]
- Sarnago, H.; Burdío, J.; Lucía, Ó. High-Performance and Cost-Effective ZCS Matrix Resonant Inverter for Total Active Surface Induction Heating Appliances. IEEE Trans. Power Electron. 2019, 34, 117–125. [Google Scholar] [CrossRef] [Green Version]
- Wireless Power Consortium Website. Available online: http://www.wirelesspowerconsortium.com (accessed on 1 January 2022).
- Zhong, W.; Liu, X.; Hui, S.Y. Analysis on a single-layer winding array structure for contactless battery charging systems with free-positioning and localized charging features. In Proceedings of the IEEE Energy Conversion Congress and Exposition (ECCE), Atlanta, GA, USA, 12–16 September 2010; pp. 658–665. [Google Scholar]
- Meyer, P.; Germano, P.; Markovic, M.; Perriard, Y. Design of a contactless energy-transfer system for desktop peripherals. IEEE Trans. Ind. Appl. 2011, 47, 1643–1651. [Google Scholar] [CrossRef]
- Cheng, C.; Zhou, Z.; Li, W.; Zhu, C.; Deng, Z.; Mi, C. A multi-load wireless power transfer system with series-parallel-series compensation. IEEE Trans. Power Electron. 2019, 34, 7126–7130. [Google Scholar] [CrossRef]
- Arteaga, J.; Aldhaher, S.; Kelis, G.; Kwan, C.; Yates, D.; Mitcheson, P. Dynamic capabilities of multi-MHz inductive power transfer systems demonstrated with batteryless drones. IEEE Trans. Power Electron. 2018, 34, 5093–5104. [Google Scholar] [CrossRef]
- Nguyen, M.; Chou, Y.; Plesa, D.; Rao, S.; Chiao, J. Multiple-inputs and multiple-outputs wireless power combining and delivering systems. IEEE Trans. Power Electron. 2015, 30, 6254–6263. [Google Scholar] [CrossRef]
- Vu, V.; Phan, V.; Dahidah, M.; Pickert, V. Multiple output inductive charger for electric vehicles. IEEE Trans. Power Electron. 2018, 34, 7350–7368. [Google Scholar] [CrossRef] [Green Version]
- Zhong, W.; Liu, X.; Hui, S.Y.R. A novel single-layer winding array and receiver coil structure for contactless battery charging systems with free-positioning and localized charging features. IEEE Trans. Power Electron. 2010, 58, 4136–4144. [Google Scholar] [CrossRef] [Green Version]
- Luo, Y.; Yang, Y.; Wen, X.; Cheng, M. Enhancing the Robustness of the Wireless Power Transfer System to Uncertain Parameter Variations Using an Interval-Based Uncertain Optimization Method. Energies 2018, 11, 2032. [Google Scholar] [CrossRef] [Green Version]
- Zhang, Z.; Tong, R.; Liang, Z.; Liu, C.; Wang, J. Analysis and Control of Optimal Power Distribution for Multi-Objective Wireless Charging Systems. Energies 2018, 11, 1726. [Google Scholar] [CrossRef] [Green Version]
- Qu, X.; Jing, Y.; Han, H.; Wong, S.C.; Tse, C.K. Higher order compensation for inductive-power-transfer converters with constant voltage or constant-current output combating transformer parameter constraints. IEEE Trans. Power Electron. 2017, 32, 394–405. [Google Scholar] [CrossRef]
- Liu, Y.C.; Zhang, J.; Tse, C.K.; Zhu, C.; Wong, S.C. General Pathways to Higher Order Compensation Circuits for IPT Converters Via Sensitivity Analysis. IEEE Trans. Power Electron. 2021, 36, 9897–9906. [Google Scholar] [CrossRef]
Publisher’s Note: MDPI stays neutral with regard to jurisdictional claims in published maps and institutional affiliations. |
© 2022 by the authors. Licensee MDPI, Basel, Switzerland. This article is an open access article distributed under the terms and conditions of the Creative Commons Attribution (CC BY) license (https://creativecommons.org/licenses/by/4.0/).















