Abstract
In an effort to improve the energy economics of hydraulic systems, attention should be paid to reducing power losses in two main entities, energy converting components, and energy controlling and conveying components. Achieving the former requires utilizing components’ most energy efficient operating range. The energy converting efficiency of a pump, which is the primary energy converter in a hydraulic system, is determined by several operational factors. Of these, only pressure and rotational speed are normally considered, but also the fluid temperature and derived capacity with variable displacement pumps have a major effect on the efficiency. Omitting these factors may lead to running the pump outside its most efficient operation range and cause high energy losses. Operating the pump in its optimal region calls, however, for detailed knowledge of its performance characteristics, which are not generally made public by the pump manufacturers. This study presents the performance measurement results of a variable displacement axial piston pump in the form of efficiencies as a function of pressure, rotational speed, derived capacity and inlet fluid temperature. The results show that all of these factors have a significant impact on pump’s energy conversion efficiency and should, therefore, be taken into account when operating a hydraulic pump.
1. Introduction
Hydraulic systems are widely used both in stationary and mobile machines because of their high power density and suitability to implement versatile functions. These systems, however, typically have mediocre or even low energy efficiency, especially in applications where the operational circumstances of the system change along with the work cycle, and where the system cannot continuously operate at or close to its optimized operation point. Low energy efficiency, in turn, leads to high energy consumption in relation to a system’s energy output and/or performance. This then leads to the need for a cooling system that increases the energy consumption of the system even more.
The energy efficiency of a pump is dependent on the operation point of the pump, i.e., the prevailing pressure difference between the pump’s inlet and outlet ports, the rotational speed of the pump, the displacement setting value in the case of a variable displacement pump, the temperature of the fluid and the fluid characteristics like viscosity and density. In relation to all of these, pumps have optimal operation points or ranges where the efficiency of the pump is at its highest value. However, operating the pump in these regions requires knowledge that is not commonly and publicly available as pump manufacturers do not tend to publish comprehensive performance data of their products. For some individual pumps, one may find efficiency data in some research papers, e.g., Innas published [1]. If pump manufacturers publish something more than pure theoretical and lossless values, it usually is 2D efficiency curves as a function of pressure and with one or few selected rotational speeds. This kind of data does not fulfil the needs of a system designer that strives to develop a system, e.g., an electrical motor-run system, where the motor and pump combination is to be used to control the system actuators.
The design of an energy efficient hydraulic system requires comprehensive knowledge of the pump’s characteristics and performance over the total ranges of the operational parameters, at the lowest pressure, rotational speed and displacement settings in the case of variable displacement pumps. For pump users, the only way to achieve this seems to be measuring the pump characteristics. This, however, requires a significant investment in research apparatus and environment, and is therefore implemented by very few machine manufacturers.
The aim of this study was to determine the dependence of a swash-plate type axial piston pump’s performance on the above-mentioned system parameters.
2. Measurement Systems and Determining Pump’s Steady-State Performance
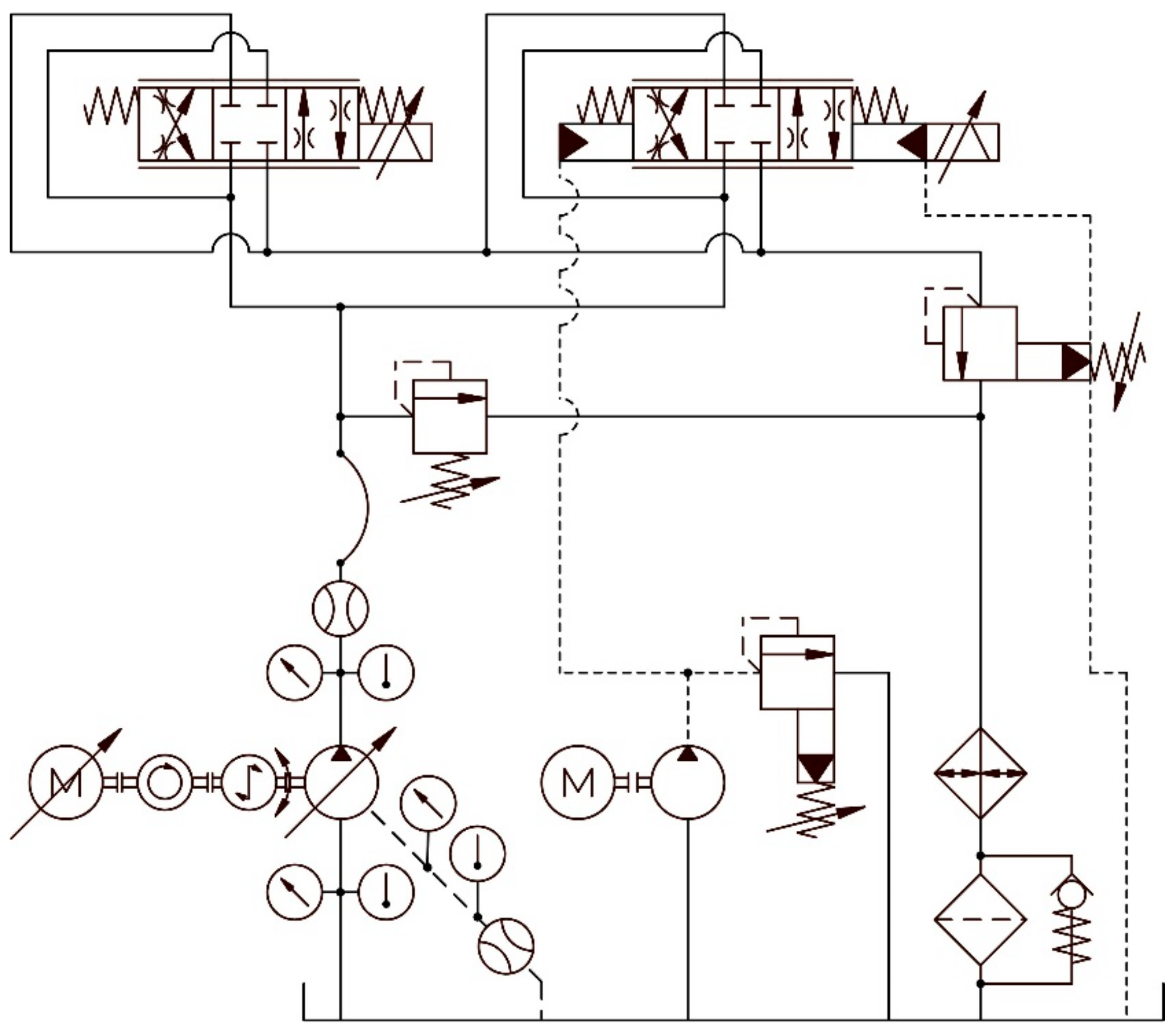
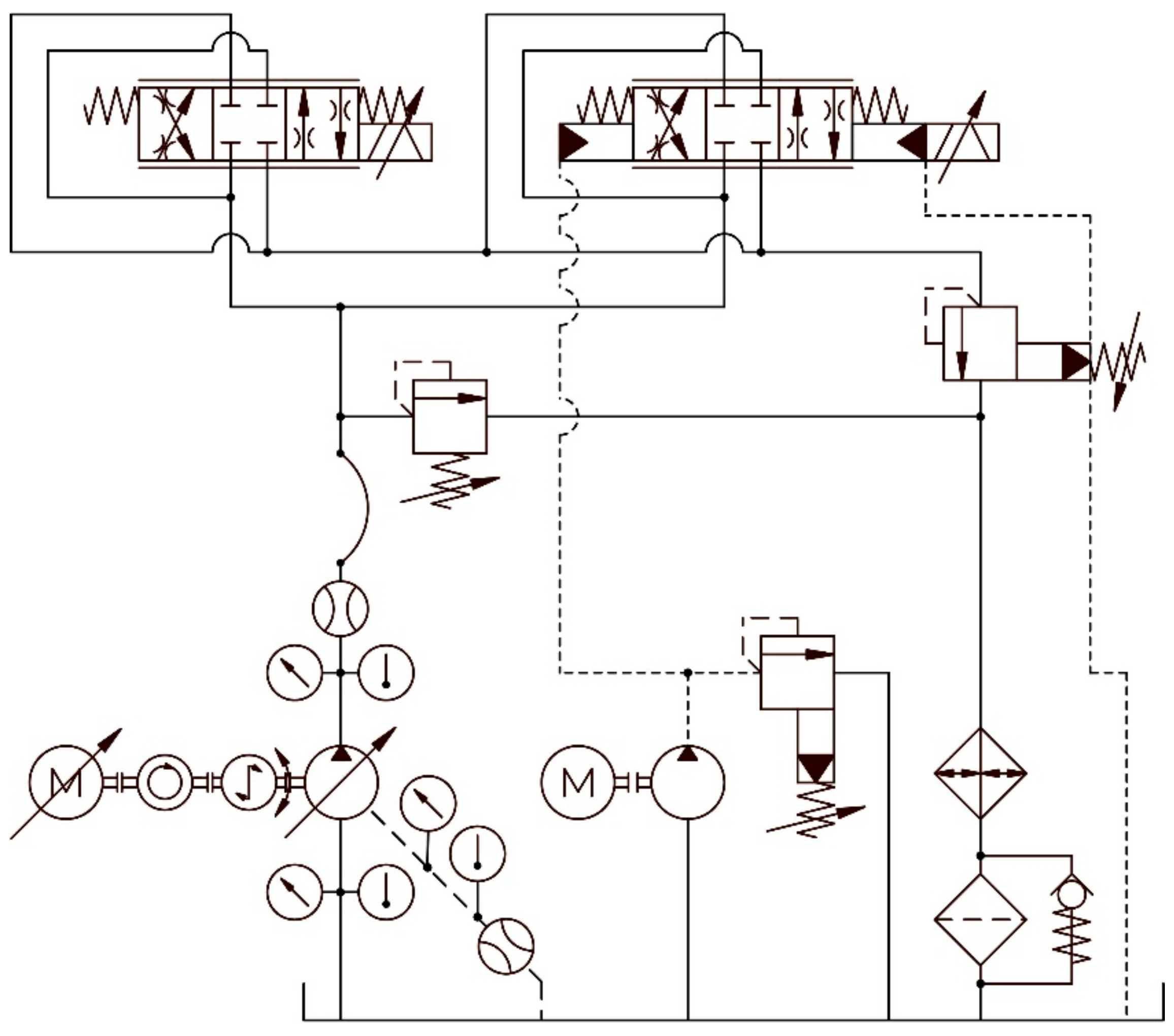
The methods for measuring positive displacement pumps’ and motors’ characteristics and performance are determined in two ISO standards. ISO 8426:2008 [2] describes the methods for determining the derived capacity of these machines, and ISO 4409:2019 [3] describes the methods for determining their steady state performance. These standards determine the basic structure of the measurement systems (e.g., Figure 1 open circuit for unidirectional pumps), measured quantities, positions of the transducers in relation to the measured machine and each other, system fluid with its filtration and temperature, magnitudes of systematic errors permitted in each measurement accuracy class, and the form of measurement reporting.
When conducting pump measurements, two other ISO standards should also be taken into account. ISO 9110-1:2020 [4] and ISO 9110-2:2020 [5] discuss general measurement related issues as measurement uncertainty, factors affecting it, determination of uncertainty, and calibration of measurement equipment.
Figure 1 presents the basic open circuit measurement system for unidirectional pumps as described in [2,3]. Positions of pressure and temperature measuring devices (hereafter referred as transducers) are determined by the measure of inner diameter of the fluid conduits, but the positions of flow transducers are not so rigorously governed. The recommendation is to place it close to the pump outlet port, and when not possible, as shown in the Figure with the caption “alternative position”, the inlet port of the flow transducer has to be equipped with pressure and temperature transducers, and the produced actual pump flow rate is to be calculated with the methods announced in the standards. This calculation is required because the fluid temperature and pressure at the far-placed flow transducer may deviate significantly from the values prevailing at the pump’s outlet port. Based on pressure and flow rate measurement at the outlet of the pump, the produced hydraulic power, i.e., the produced output power, can be determined. Determination of the pump’s power losses, and thus also its efficiencies, also requires the measurement of the pump’s input power. This is a product of the driving rotational frequency and torque at the pump’s axle.
When a pump is operated in a real application, its characteristics are affected by the pressure difference prevailing between outlet and inlet ports, the rotational speed of the pump, the pump displacement setting in variable displacement pumps, the characteristics of the fluid used, the impurity level, both the free and dissolved air content of the fluid, and the operational temperatures, i.e., fluid temperature and ambient temperature. In pump measurements, the emphasis is in solving the effects of pressure, rotational speed and displacement on pump characteristics, and, therefore, the effects of all other factors should be eliminated. This calls for adequate filtering and temperature management of the fluid, as well as ambient temperature management. In addition, to be able to produce comparable results between various pumps and measurers, ISO 4409 recommends using fluids of certain viscosity grades and indexes, classes, and densities. Naturally, the fluid used in the measurements has to meet the demands of the pump manufacturer.
Figure 1.
Basic measurement system for determining derived capacity and steady-state performance of a unidirectional positive displacement pump according to standards ISO 8426 and ISO 4409 [2,3].
Figure 1.
Basic measurement system for determining derived capacity and steady-state performance of a unidirectional positive displacement pump according to standards ISO 8426 and ISO 4409 [2,3].

Control of pressure difference across the pump ports requires some sort of loading device. In the system of Figure 1 this is a simple manually operated pressure relief valve, but when conducting a wide or comprehensive series of measurements with multiple pressure levels, a more user-friendly and accurate device, such as an electrically controlled proportional pressure relief valve or an electrically controlled flow control valve, should be used instead. If the effect of the rotational speed on the pump characteristics lies in the field of interest, it calls for control of the pump’s drive motor’s rotational speed. This is typically implemented by a frequency converter. In the case of variable displacement pumps, the applied displacement control should be such that it prevents unintentional alterations of setting value during measurements, and should also be equipped with a displacement indicating transducer to verify the value of the displacement setting. The more accurate and easily operated the controls are for all of these available, the shorter time it takes to shift from one measurement point (operating point) to another and conduct a series of measurements.
Determination of the pump’s power losses and efficiency by calculation from the measurement data necessitates determination of the pump’s derived capacity first. A basic method for this is presented in ISO 8426:2008 [2], but also more advanced methods have been proposed [6]. The ISO 8426 method is based on measurements on one rotational speed and several outlet pressures, whose number is dictated by the measurement class striven for. Measurement results are placed in a qV/p set of coordinates and the pump output flow at zero pressure difference between the pump’s inlet and outlet ports is determined by the least squares method and extrapolation. The value of derived capacity is then determined by dividing this flow rate by the used rotational speed. In more advanced methods, such as those of Toet and Wilson-II [6,7], determining the derived capacity is based on measurements on several pressure and rotational speed levels. In these methods the determination is two-phased, e.g., in the Wilson-II method the first phase is practically similar to ISO 8426, but the qV/p dependence is determined at several levels of constant rotational speeds, after which the calculated speed-dependent angular coefficients Vi are placed in a Vi/n set of coordinates, and the derived capacity is determined with the least squares method and extrapolated to speed value zero. In the Toet method, the procedure is reversed to that of the Wilson-II method, i.e., first is the determination of the flow rate dependence on rotational speed at several pressures, then placing the solved pressure dependent angular coefficients Vi in a Vi/p set of coordinates, and the derived capacity is determined with the least squares method and extrapolated to pressure value zero.
Figure 2 presents an example of a comparison of derived capacity values calculated with four methods using the same measurement data, and using the value given by the Wilson-II method as a reference. The now replaced ISO 8426 method from 1988 was based on measurements at one low-pressure level and with several rotational speeds, which resulted in a lower than real derived capacity. When used in calculating efficiencies, this would result in higher than real volumetric efficiency values and lower than real hydromechanical efficiency values. The current ISO 8426 method from 2008 results in derived capacity, which is very close to the values given by the Toet and Wilson-II methods even though it is a single-phased determination method. The reason for this is that the volumetric losses of pumps are mainly pressure-related and the effect of rotational speed, which the new ISO 8426 method omits, is minor on the flow losses. Regardless of which one of the three latter methods is used in determining the derived capacity, the data used for it should be selected carefully and any data affected by obvious measurement error should be discarded from calculation, since it might have a strong distorting effect on the resulting value of the derived capacity.
Figure 2.
Derived capacities determined with different methods. Values relative to the result given by the Wilson-II method.
The minor deviation between the results of the Toet and Wilson-II methods illustrates the importance of keeping the values of parametrizing quantities accurately at selected levels, since even minor deviations from these will induce errors in calculated angular coefficients in the first calculation phase and therefore also in the second calculation phase. If the deviations in the selected measurement quantity levels were zero, the Toet and Wilson-II methods would give the same result. In the measurements on which the results of Figure 2 are based, the value of pump outlet pressure between separate measurement points has varied relatively more than the rotational speed, thus the minor value of the derived capacity of the Toet method.
Determining the value of derived capacity is of great importance as it has a major impact on the calculated values of power, torque and flow losses, and therefore also on the calculated efficiencies. An incorrect value will lead to either over- or underestimating the losses and efficiencies depending on the direction of the error in derived capacity. Therefore, the measurements should be conducted as accurately as possible.
ISO 4409 classifies the measurements in to three accuracy classes: A, B and C. A certain measurement point in steady-state measurements is acceptable for calculation only when the indicated value of the measurement parameter is within the limits presented in Table 1. In ISO 8426, which determines the conditions for derived capacity measurements, the differences to the values presented in the table are that the pressure boundary value is at 0.15 bar and the allowed temperature variation is half of the value presented in Table 1. In addition, ISO 8426 also determines a permissible variation region for ambient temperature.
Table 1.
Maximum permissible variations in the values of measurement parameters in each measurement accuracy class when measuring steady state performance of pumps [3].
Equations for calculating a pump’s performance are presented in standard ISO 4391 [8]. These equations are simple to use and require no knowledge of the pump’s internal structure. The methods and equations presented in this standard and older version of ISO 4409 are, however, not fully consistent in a methodological sense. Some criticism has been presented towards the equations presented in the standards, e.g., the comparison of pressurized flow rate with zero pressure flow rate, i.e., compressed fluid volume to uncompressed fluid volume, to produce volumetric efficiency.
Achten et al. [9] pointed out two main deficiencies in the calculation methods: omitting the effect of fluid compressibility and omitting the effect of the pump’s dead volume in displacement chambers. Instead of announcing the pump performance in terms of efficiency and dividing the total efficiency into volumetric and hydromechanical efficiency as in ISO standards, Achten et al. proposed presenting the pump performance in terms of power losses and dividing these into overall, volumetric, and hydromechanical power losses. By taking into account the two deficiencies mentioned, they derived new equations for losses using thermodynamical analysis of pump power as a starting point. The heat losses were neglected and the kinetic energies of inlet and outlet flows were assumed to be equal. As a result, Achten et al. proposed two power loss factors, which take into account the fluid’s compressibility and the dead volume in the displacement chamber, to be added to the standards’ efficiency equations and the loss equations derived from them.
Later, both Li and Barkei [10], and Schänzle and Pelz [11] continued the work on developing more accurate definitions for the efficiencies of hydrostatic machines. Similar to Achten et al., both of them used the thermodynamical analysis of pumping processes as a starting point, but after pointing out some inconsistencies in the work of Achten et al., they resulted in different efficiency definitions, and unlike Achten et al., they were able to present a definition for the volumetric efficiency as well. The efficiency definitions of both Li and Barkei, and Schänzle and Pelz are basically the same, but since the latter researchers chose to make some simplifying assumptions concerning the compressibility of the fluid and the relationship between the density of the fluid and the prevailing pressure, which the former did not make, the work of Schänzle and Pelz resulted in somewhat simpler efficiency definitions compared to Li and Barkei. In this way, Schänzle and Pelz, however, managed to achieve one of their main goals, which was to create practical and easily applicable efficiency definitions. The more complete and accurate Li and Barkei definitions for hydromechanical and total efficiencies include a quantity called volume specific enthalpy, which requires more measurement effort from the user when determining its value for the efficiency equations.
Figure 3 presents factors affecting effective outlet flow in a variable displacement pump. In fixed displacement pump, the control flow can be omitted, and depending on the pump’s structure type and implementation, the external leakage may also be omitted.
Figure 3.
Flow rates of a variable displacement pump.
In Figure 3, the low-pressure flow at the pump inlet port is transformed into high-pressure flow at the outlet port by the displacement elements of the pump. Because of the compressibility of the fluid, the effective outlet flow is decreased in relation to the inlet flow even though the mass flow could be equal if there were no flow losses inside the pump. These losses, however, exist. Part of the fluid volume taken in is used in lubrication of the rotating or reciprocating elements of the pump structure, and this flow of the fluid is pushed back from the high-pressure regions to the low-pressure regions of the structure, or simply put, from the pump outlet either to the pump inlet or/and to the external drain port via the pump casing. Part of the input flow is lost in fluid compression as presented by the above referred researchers, and in variable displacement pumps, a portion of flow is also lost to the displacement control system, if it is hydraulically controlled. The flow rate remaining after these losses is the effective flow rate of the pump.
When determining pump performance, applying the Schänzle and Pelz proposed efficiency determinations, including the averaged isentropic compressibility, is fairly simple, as it only requires knowledge of the bulk modulus of the fluid and its dependency on pressure, temperature, and percentage of dissolved air in the fluid. These determinations, however, also require knowledge of the pump’s dead volume, which in turn necessitates knowledge of the pump structure and measures, which are challenging to determine and usually out of reach of the person who does the performance measurements. To be able to apply these efficiency determinations, an experimental method for determining the dead volume should be developed.
The magnitudes and directions of the differences in efficiency values calculated with the ISO standards’ determinations and Schänzle and Pelz determinations depend on the magnitude of the pump’s dead volume, the value of the averaged isentropic compressibility, and the pressure.
The measurement results, i.e., the calculated efficiencies, shown in this article were determined using the methods presented in the ISO standards. The efficiency determinations presented by Schänzle and Pelz are omitted, as the research plan for measurements and also actual pump measurements were made before the publication of their article [10,11]. The measured pumps and used fluids were no longer available at that point, making, e.g., the determination of bulk moduli of the fluids impossible.
3. Efficiency Characteristics of a Swash-Plate Type Variable Displacement Axial Piston Pump
Measurements in this study were focused on solving the effects of various operational parameters on the performance of the axial piston pump. Figure 4 presents the principle image of the measurement system, where two different sized proportional directional control valves connected in parallel were used as loading devices for accurate control of outlet pressure at low and high flow rates. Individual parameter values and value ranges used in measurements are presented in Table 2. Measurements were carried out using a mineral oil-based fluid of viscosity class 46.
Figure 4.
Measurement system.
Table 2.
Values of the measurement parameters. Pressure values indicated in relation to atmospheric pressure. Maximum displacement of the measured nine piston pump is 45 cm3/r, nominal pressure 280 bar, and maximum rotational speed 2600 r/min.
The inlet pressure was maintained stable and at very close to 0 bar (overpressure) by placing the pump below the tank that had an oil column height of one meter, and by using a large diameter inlet tube to achieve very low flow velocity, thus achieving negligible flow friction. The resultant variation in inlet pressure in measurements was of class 0.04 bar. Measurement uncertainties for each measured parameter presented in Table 3 were determined from the data of transducers, amplifiers, and data acquisition units.
Table 3.
Uncertainty values of measurement parameters. Coverage factor used in calculating expanded uncertainty k = 2.
The main frame of the measurements was to start from the largest value of derived capacity and lowest inlet temperature, followed by unchanged capacity and highest inlet temperature. Then, adjustment of the derived capacity to the next smaller value and repeating the inlet temperature sequence until all the selected derived capacities had been passed. The inner measurement loop at each step of capacity and inlet temperature was at each selected value of rotational speed. The outlet pressure was varied through the selected range at selected steps.
The values of the derived capacity listed in Table 2 are nominal values; the actual values used in calculating pump efficiencies were determined using measurement data and the Wilson-II method. In measurements, the pump was stripped of controllers and the pressure control channel of the pump’s displacement control piston was disconnected from the pump’s outlet and connected to a zero-pressure tank instead. This, as well as using the two swash-plate angle limiting screws for maximum and minimum displacement to lock the swash-plate in place, inhibited the angle from altering during measurements, thus keeping the value of derived capacity constant at the set value.
In the following, the measurement results are presented from several points of view and commented on briefly. A wider discussion of the results is presented in Section 4.
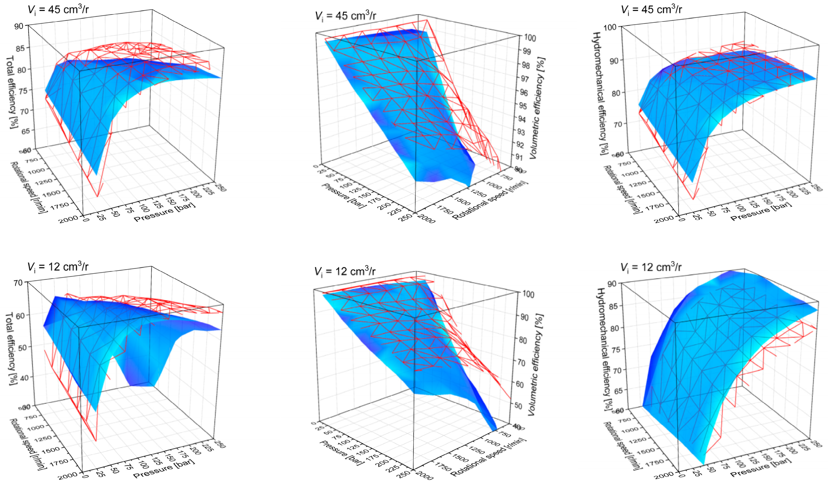
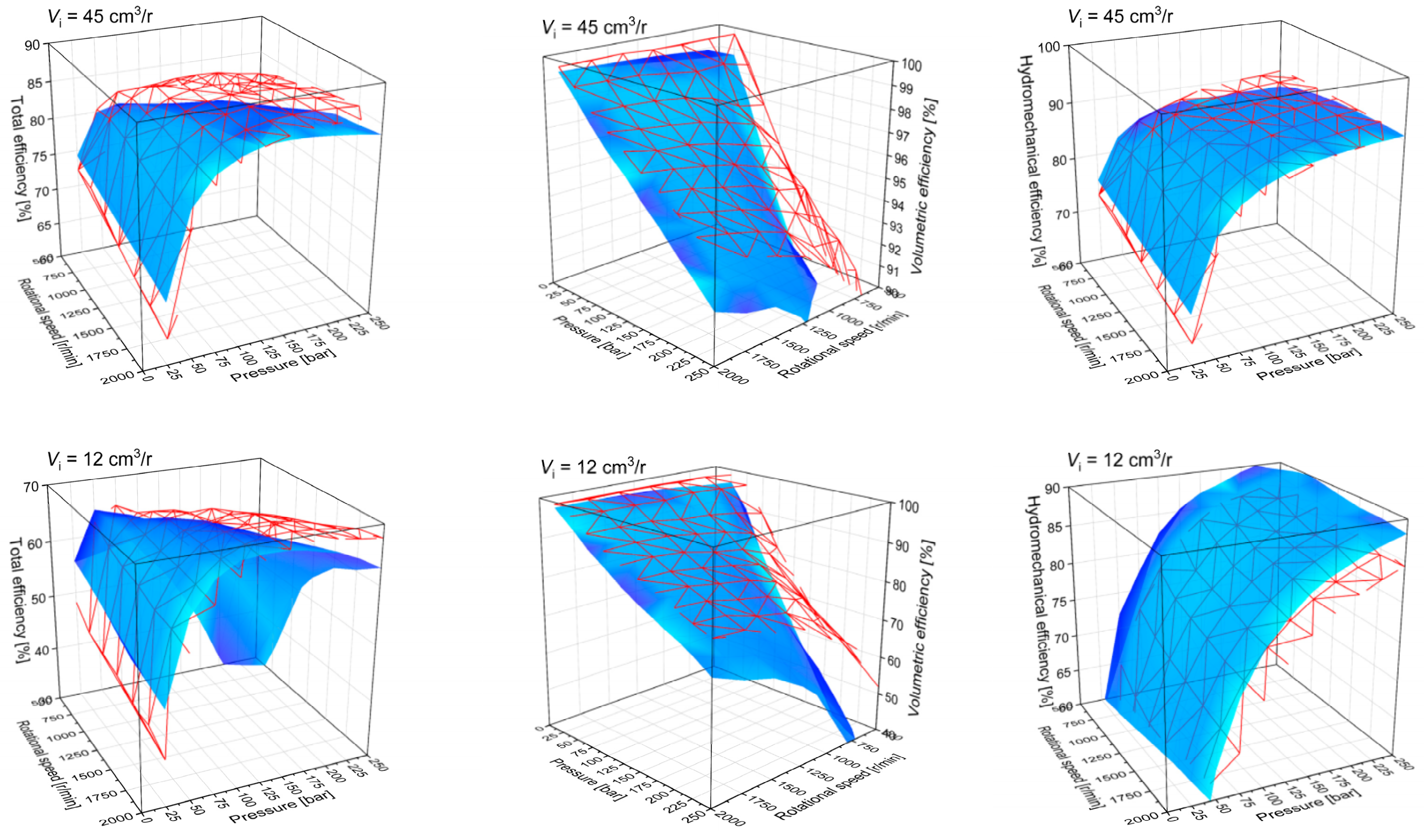
Figure 5 gives an overall picture of pump efficiencies’ behavior and dependence on pressure difference between outlet and inlet ports and rotational speed at two values of derived capacity and inlet fluid temperature. In volumetric efficiency, the high fluid viscosity produces high efficiency values, but in hydromechanical efficiency this phenomenon is achieved only at combinations of high pressures, low rotational speeds, and high values of derived capacity.
Figure 5.
Efficiencies of a variable displacement axial piston pump as a function of pressure and rotational speed with derived capacities of 45 cm3/r and 12 cm3/r, and with inlet temperatures of 25 °C [ν = 84 cSt] (red wireframe) and 60 °C [ν = 21 cSt] (blue surface). Note the varying efficiency scales.
Figure 6 presents the dependence of the pump’s total efficiency on pressure and rotational speed at four values of derived capacity and two values of fluid temperature at the pump’s inlet in the form of contour plots. Reducing the value of derived capacity decreases the efficiency throughout the operational ranges, and rising temperature, i.e., decreasing fluid viscosity, moves the topography of high efficiencies to the direction of lower pressures.
Figure 6.
Total efficiency of an axial piston pump as a function of pressure and rotational speed with four values of derived capacities and two inlet temperatures. Contour lines were created from surface plots using the mesh determined by the step values presented in Table 2.
In the following, the general results of Figure 5 and Figure 6, above, are presented in more detail with 2D diagrams. When interpreting the effect of fluid inlet temperature on the pump efficiencies, it must be noted that the fluid viscosities used in the measurements were well within the range recommended by the pump manufacturer. Using very high or very low viscosities will change the behavior of the efficiencies drastically and may lead to damage to the pump. It also must be noted that the presented results are related to one certain variable displacement axial piston pump construction and cannot be generalized to apply to any kind of axial piston pump. The purpose of this presentation is to illustrate the effects of various operational parameters on the performance of a hydraulic pump.
Figure 7, Figure 8 and Figure 9 present the dependence of the pump’s total, volumetric, and hydromechanical efficiency on the pressure difference between outlet and inlet ports. The results are shown for four constant rotational speeds, two derived capacities, and two inlet temperatures (i.e., inlet fluid viscosities).
The effect of pressure on total efficiency is twofold. When moving from low pressures to high pressures, the efficiency first increases strongly and then decreases slowly. At low pressures, low rotational speeds result in higher efficiencies than high rotational speeds, but the situation turns the other way at high pressures. Decreasing derived capacity diminishes total efficiency all over, while increasing temperature (i.e., decreasing viscosity) has a milder effect on the total efficiency, increasing the efficiency at lower pressures and decreasing it at higher pressures, the effect being dependent on the rotational speed.
Figure 7.
Total efficiency of an axial piston pump as a function of pressure with four constant rotational speeds. The ten-calculation-point efficiency curves have been smoothed with B-splines. Note the varying efficiency scales.
Figure 7.
Total efficiency of an axial piston pump as a function of pressure with four constant rotational speeds. The ten-calculation-point efficiency curves have been smoothed with B-splines. Note the varying efficiency scales.

The effect of pressure on volumetric efficiency is highly linear, the value of the efficiency decreases with rising pressure. The effect of the other affecting parameters is conveyed merely in the slope of the efficiency alteration with pressure. Lowering the derived capacity and increasing the temperature (i.e., lowering the viscosity) result in decreased volumetric efficiency.
Figure 8.
Volumetric efficiency of an axial piston pump as a function of pressure with four constant rotational speeds. The ten-calculation-point efficiency curves have been smoothed with B-splines. Note the varying efficiency scales.
Figure 8.
Volumetric efficiency of an axial piston pump as a function of pressure with four constant rotational speeds. The ten-calculation-point efficiency curves have been smoothed with B-splines. Note the varying efficiency scales.

The effect of pressure on hydromechanical efficiency resembles the behavior of total efficiency, although the decrease in hydromechanical efficiency does not take place at high pressures. Likewise, with volumetric efficiency, the pressure dictates the general behavior of hydromechanical efficiency, while the effects of the other affecting parameters manifest themselves in the vertical positioning of the efficiency curves. Reducing the derived capacity decreases the efficiency, while raising the temperature (i.e., decreasing inlet fluid viscosity) increases the efficiency. Low rotational speeds tend to increase the efficiency, although this effect is lesser in larger derived capacities.
Figure 10, Figure 11 and Figure 12 present the above shown results from an inverse point of view, showing the dependence of the pump’s total, volumetric, and hydromechanical efficiency on rotational speed with selected constant pressures. Results are shown for five pressures, two derived capacities and two inlet temperatures (i.e., inlet fluid viscosities).
The effect of rotational speed on total efficiency depends on the prevailing pressure; at low pressures the efficiency decreases with increasing rotational speed, whilst at high pressures the efficiency rises. As noted above, the decreasing derived capacity results in diminishing efficiency, as does the rise of inlet temperature (i.e., inlet fluid temperature), the effect of the latter being strongest at combinations of high pressures and low rotational speeds.
Figure 9.
Hydromechanical efficiency of an axial piston pump as a function of pressure with four constant rotational speeds. The ten-calculation-point efficiency curves have been smoothed with B-splines. Note the varying efficiency scales.
Figure 9.
Hydromechanical efficiency of an axial piston pump as a function of pressure with four constant rotational speeds. The ten-calculation-point efficiency curves have been smoothed with B-splines. Note the varying efficiency scales.

Figure 10.
Total efficiency of an axial piston pump as a function of rotational speed with five constant pressures. The seven-calculation-point efficiency curves have been smoothed with B-splines. Note the varying efficiency scales.
Figure 10.
Total efficiency of an axial piston pump as a function of rotational speed with five constant pressures. The seven-calculation-point efficiency curves have been smoothed with B-splines. Note the varying efficiency scales.

The effect of rotational speed on volumetric efficiency is generally elevating. The rate of change in efficiency is the strongest the higher the pressure, although at low pressures the efficiency is already at a high level starting from low rotational speeds. In addition, here, a decrease of the derived capacity leads to diminishing efficiency, and the same effect has also the increasing temperature (i.e., inlet fluid temperature).
Figure 11.
Volumetric efficiency of an axial piston pump as a function of rotational speed with five constant pressures. The seven-calculation-point efficiency curves have been smoothed with B-splines. Note the varying efficiency scales.
Figure 11.
Volumetric efficiency of an axial piston pump as a function of rotational speed with five constant pressures. The seven-calculation-point efficiency curves have been smoothed with B-splines. Note the varying efficiency scales.

The effect of rotational speed on hydromechanical efficiency is generally linear, rising speed results in decreased efficiency, although the effect is strongest at low pressures, whilst at high pressures the effect is minimal or even non-existing. As with the other efficiencies presented above, decreasing the derived capacity leads to diminishing efficiency, and the rate of change is largest at low pressures. The temperature rise (i.e., decreasing inlet fluid viscosity) increases the efficiency in general.
Figure 13, Figure 14 and Figure 15 present the above shown results from a third angle, showing the dependence of the pump’s total, volumetric, and hydromechanical efficiency on derived capacity with selected constant pressures. Results are shown for six pressures, one rotational speed, and two inlet temperatures (i.e., inlet fluid viscosities).
As already demonstrated above, the total efficiency is higher the closer the derived capacity of a variable displacement pump is to its maximum value. Rising pressure basically increases the efficiency, but from the middle pressure region up, the effect is non-existent, and with high temperatures (i.e., inlet fluid temperatures) even the opposite.
Figure 12.
Hydromechanical efficiency of an axial piston pump as a function of rotational speed with five constant pressures. The seven-calculation-point efficiency curves have been smoothed with B-splines. Note the varying efficiency scales.
Figure 12.
Hydromechanical efficiency of an axial piston pump as a function of rotational speed with five constant pressures. The seven-calculation-point efficiency curves have been smoothed with B-splines. Note the varying efficiency scales.

Figure 13.
Total efficiency of an axial piston pump as a function of derived capacity with six constant pressures. The four-calculation-point efficiency curves have been smoothed with B-splines.
Figure 13.
Total efficiency of an axial piston pump as a function of derived capacity with six constant pressures. The four-calculation-point efficiency curves have been smoothed with B-splines.

Increasing derived capacity has a similar rising effect on the volumetric efficiency, but here the efficiency is coherently: the lower the pressure, the higher the efficiency. At low pressures, however, the effect of derived capacity on efficiency is minimal. Rise of temperature (i.e., inlet fluid temperature) decreases the efficiency throughout, but here the effect diminishes with decreasing pressure.
Figure 14.
Volumetric efficiency of an axial piston pump as a function of derived capacity with six constant pressures. The four-calculation-point efficiency curves have been smoothed with B-splines.
Figure 14.
Volumetric efficiency of an axial piston pump as a function of derived capacity with six constant pressures. The four-calculation-point efficiency curves have been smoothed with B-splines.

In the case of hydromechanical efficiency, the effect of increasing derived capacity on the efficiency is not as coherent as with above presented efficiencies. At low pressures the efficiency rises with increasing derived capacity, but at high pressures the efficiency starts to decrease with increasing capacity. Rising temperature (i.e., inlet fluid temperature) increases the efficiency, although this effect diminishes with the combination of rising pressure and increasing derived capacity.
Figure 15.
Hydromechanical efficiency of an axial piston pump as a function of derived capacity with six constant pressures. The four-calculation-point efficiency curves have been smoothed with B-splines.
Figure 15.
Hydromechanical efficiency of an axial piston pump as a function of derived capacity with six constant pressures. The four-calculation-point efficiency curves have been smoothed with B-splines.

4. Discussion
The pump’s performance is dependent on several phenomena, whose combined effect on the pump is typically described in terms of the pump’s total efficiency. This, in turn, can be divided into two subefficiencies, namely volumetric efficiency and hydromechanical efficiency. These then are affected by the parameter values prevailing at the operating point of the pump. This point is usually defined by the pressure difference between the pump’s inlet and outlet ports, the rotational speed of the pump, and the inlet fluid temperature since it affects the viscosity and density of the fluid. In the case of variable displacement pumps, the derived capacity of the pump becomes one of the factors defining the pump’s operating point.
The volumetric efficiency is determined by several types of flow loss (see Figure 3) taking place inside the pump, and hydromechanical efficiency is determined by the minor losses and friction losses taking place inside the pump as well. The minor losses are due to the flow resistance occurring in the pump’s complicated internal flow channels, and their magnitude increases with the flow that passes through the pump. Friction losses in turn are due to the parts moving in relation to each other and separated by a lubrication layer, the circumstance of which is defined as viscous friction. Both of these losses are dependent on fluid viscosity and density, i.e., on fluid temperature, besides which the minor losses are also dependent on the flow rate that passes through the pump, while the friction losses are dependent on the pressure that affects the thickness of the lubrication layer, separating the parts that move relative to each other. The higher the pressure, the thicker the lubrication layer, although the thickness of the layer cannot increase unlimitedly due to the physical limitations of the pump structure.
As mentioned, the temperature considered to affect the operating point of a pump is the fluid inlet temperature. This, however, is not the temperature inside the pump, where the minor and friction losses turn into power losses that raise the temperature of both the fluid and pump structure. This in turn leads to alteration of the fluid properties and also of the dimensions of the pump parts, whose effects on the pump performance are virtually impossible to separate from the effects of pressure, rotational speed, and derived capacity. Therefore, these effects induced by the temperature rise in the pump are ignored in this presentation.
Factors that are not commonly, or at all, considered in determining pump performance in an operating point are the properties of fluid other than viscosity and density. For example, the lubrication properties or the pressure durability of the fluid may have a significant impact on the pump performance, either on the overall operating range, or after reaching some limiting operating point in relation to, e.g., pressure or temperature. This should be noted, and the recommendations of the pump manufacturer should be followed considering the properties of the fluid.
In the following, the effects of the main parameters influencing the performance of a variable displacement axial piston pump are discussed in terms of volumetric, hydromechanical, and total efficiency. It must be noted that the conclusions drawn apply only to the measured value ranges of the measurement parameters. In the conducted study, it was not possible to do measurements over the total pressure and rotational speed ranges of the pump because of the underpowered prime mover.
Effects of the studied parameters on volumetric efficiency are coherent, a unidirectional change in a parameter value only either reduces or increases the value of the efficiency. Increasing pressure difference between the inlet and outlet ports of the pump increases flow through various leakage paths in pump and it also increases the compressibility of the fluid thus reducing pump’s effective outlet flow rate in relation to pump’s theoretical flow delivery resulting in decreasing volumetric efficiency. The change in efficiency with pressure is very linear which implies that the leakage is dominantly laminar in nature. The effect of pressure on the efficiency is dependent on rotational speed in a way that the higher the rotational speed the lesser the relative decrease of efficiency with rising pressure. This implies that the amount of leakage is primarily determined by the pressure, and only remotely affected by the rotational speed, which is confirmed by the behavior of the efficiency as a function of rotational speed. Increasing rotational speed raises the theoretical flow of the pump, and when the rotational speed does not significantly affect the amount of the leakage, but remains close to constant, the raise of rotational speed results into increase of volumetric efficiency. This characteristic is emphasized at high pressures, where the leakages are higher than at low pressures, and where also the changes that take place in the leakage flow/theoretical flow rate proportion are higher when rotational speed is raised. Increase of the derived capacity has similar effect on the efficiency like raising rotational speed, the theoretical flow increases with increasing derived capacity while the pressure-dependent leakage stays close to constant resulting in raising volumetric efficiency. The change in efficiency is the larger the higher is the pressure, since then the portion of the pressure-dependent leakage of the pump’s theoretical flow delivery diminishes stronger with the increasing derived capacity than it does at low pressures. Compared to the effects of increasing rotational speed and derived capacity, temperature rise has an opposite effect on the volumetric efficiency, it decreases the viscosity and density of the fluid, which both have increasing effect on the pressure dependent laminar and turbulent leakage thus reducing the volumetric efficiency.
The effects of the studied parameters on hydromechanical efficiency are more complex, since this efficiency is affected by two major phenomenon, the minor losses and the viscous friction losses, whose magnitudes have the above mentioned dependencies on fluid properties, flow rate, and pressure. Raising pressure increases the hydromechanical efficiency, which can be deduced to be due to the reducing viscous friction losses between the moving parts of the pump. The effect of pressure on the minor losses can in turn be assumed to be negligible, as the pressure-related alterations in the dimensions of the pump’s flow channels are of minuscule class. In lubrication points, however, the rising pressure increases the height of the lubrication gap and thus also the lubrication layer, resulting in lower viscous friction between the moving parts, which then results in higher hydromechanical efficiency. Increase of the efficiency with the raising of pressure is not linear, which implies that the lubrications gap heights cannot grow limitlessly with rising pressure, but are restricted by the construction and the materials of the pump. Increasing rotational speed is supposed, in general, to have a reducing effect on the hydromechanical efficiency, which is due to the increasing flow through the pump that in turn increases the pump’s minor losses. In the studied pump, the efficiency reduction with raising rotational speed is, however, heavily pressure dependent, and is strongest at low pressures, while at high pressures it is very moderate or even non-existent. This implies that in the case of this pump, the rotational speed does not have a major impact on the hydromechanical efficiency, but the deterioration of the efficiency with the increase of speed is primarily due to the viscous friction losses. These are the higher, the lower is the pressure and the higher is the rotational speed, because of the resulting thinner lubrication layer. Increase of the derived capacity increases the hydromechanical efficiency, the phenomenon being strongly pressure dependent. At low pressures the alteration of the efficiency with derived capacity is higher than at high pressures. As with rotational speed, the dependency of the efficiency on derived capacity is mostly related to viscous friction losses while the effect of minor losses is lesser, the latter manifesting themselves only at high flow rates. An example of this is the decrease of the efficiency with increasing derived capacity that takes place at high pressures. A temperature rise that decreases the values of viscosity and density, results in increasing hydromechanical efficiency due to the reducing minor and viscous friction losses. This phenomenon has a limit, especially at some temperatures, e.g., the lubrication capability of the fluid collapses, resulting in high friction losses.
Total efficiency is the product of volumetric and hydromechanics efficiency, and therefore it incorporates the parameter dependencies of both. Which of these has the dominating effect on the total efficiency depends on the operating point. In this context, domination here refers to the effect that significantly decreases the total efficiency.
Regarding the pressure dependency of the total efficiency, the hydromechanical efficiency dominates at low pressures, while the weight of the volumetric efficiency on the total efficiency increases with rising pressure. Rotational speed, derived capacity, or fluid temperature do not have a significant impact on the general dependency of total efficiency on pressure. The highest total efficiency settles somewhere between the lowest and highest value in the pressure range recommended by the pump manufacturer.
The effect of rotational speed on total efficiency is not so clear. Neither of the subefficiencies clearly dominate the total efficiency if the pump is operated at low or medium pressures and at high derived capacities. Significant domination occurs only when the pump is operated at low rotational speeds, in which case the volumetric efficiency has the dominant effect. This is further emphasized at low values of derived capacity. The rise in the temperature decreases the total efficiency consistently throughout the rotational speed range. The highest total efficiency settles at the high end of the rotational speed range recommended by the pump manufacturer.
In addition, the effect of derived capacity on total efficiency is twofold depending on the values of the other affecting parameters. At low pressures, the hydromechanical efficiency strongly dominates the total efficiency, but when pressure is raised, the volumetric efficiency takes over the dominating role. The temperature has similar kind of effect, hydromechanical efficiency dominates at low temperatures, but at higher temperatures the impact difference between the two subefficiencies diminishes. Rotational speed does not affect the relation of the subefficiencies significantly. The highest total efficiency settles in the high end of the derived capacity range.
The efficiency dependencies on various operating point parameters observed in the measurements are collected in the Table 4 in form of a rough generalization.
Table 4.
Rough generalization of empirical changes in the efficiencies of the studied swash-plate type axial piston pump in relation to the increase in the operating point parameter values.
Although this study did not include examination of pump models, the generalized observations presented in Table 4 are quite well aligned with the structures of common and quite simple pump models like the Wilson and Schlösser models and the affecting parameters included in those. Review of these models will be done in following studies.
5. Conclusions
The measurement results presented above manifest the major effect that the operating point has on the performance of a swash-plate type axial piston pump. Pressure, rotational speed, derived capacity and temperature each have their own kind of effect on the volumetric and hydromechanical efficiency, thus also on the total efficiency. In addition, these effects also have an interrelatedness, where the effect of one parameter on the efficiencies is dependent at least on one additional parameter.
Although the dependency of efficiency on operating point parameters is complicated, knowing the pump’s efficiency characteristics is essential when striving for higher system energy efficiencies. The pump as an energy exchanger has a major impact on the energy consumption in hydraulic systems, and running it outside its highest efficiency range will lead to low system efficiency even though the system is otherwise optimized for high efficiency.
Results of the study show that the highest values of total efficiencies of the studied pump are found at the high end of the rotational speed range, while their positioning in the pressure range depends on the values of derived capacity and viscosity. Decreasing of both of these shifts the areas of highest efficiencies to the direction of lower pressures. This behavior cannot be generalized to all pump types since it depends heavily on the pump construction type, as shown in the measurement results published by the company Innas.
The results and findings of this study are utilized further in developing methods that enable the definition of the combination of the pump’s pressure, rotational speed, and derived capacity that results in the highest possible total efficiency, while meeting the performance requirements of the pump in terms of power and flow rate.
Funding
This research has received funding from Business Finland (Finnish Funding Agency for Innovation), project GOOD [Future electrified mobile machinery for harsh conditions] and School of Engineering, Aalto University, Finland.
Institutional Review Board Statement
Not applicable.
Informed Consent Statement
Not applicable.
Data Availability Statement
Not applicable.
Conflicts of Interest
The author declares no conflict of interest. The funders had no role in the design of the study; in the collection, analyses, or interpretation of data; in the writing of the manuscript; or in the decision to publish the results.
References
- Performance of Hydrostatic Machines. Extensive Measurement Report. Innas BV. 2020. Available online: https://www.google.com/search?client=firefox-b-d&q=1.+Performance+of+hydrostatic+machines.+Extensive+measurement+report (accessed on 31 January 2022).
- ISO 8426:2008; Hydraulic Fluid Power—Positive-Displacement Pumps and Motors—Determination of Derived Capacity. International Organization for Standardization: Geneva, Switzerland, 2008.
- ISO 4409:2019; Hydraulic Fluid Power—Positive-Displacement Pumps, Motors and Integral Transmissions—Methods of Testing and Presenting Basic Steady-State Performance. International Organization for Standardization: Geneva, Switzerland, 2019.
- ISO 9110-1:2020; Hydraulic Fluid Power—Measurement Techniques—Part 1: General Measurement Principles. International Organization for Standardization: Geneva, Switzerland, 2020.
- ISO 9110-2:2020; Hydraulic Fluid Power—Measurement Techniques—Part 2: Measurement of Average Steady-State Pressure in a Closed Conduit. International Organization for Standardization: Geneva, Switzerland, 2020.
- Post, W.J.A.E.M. Models for steady-state performance of hydraulic pumps: Determination of displacement. In Proceedings of the Ninth Bath International Fluid Power Workshop, Bath, UK, 9–11 September 1996; pp. 339–352. [Google Scholar]
- Toet, G.; Johnson, J.; Montague, J.; Torres, K.; Garcia-Bravo, J. The determination of the theoretical stroke volume of hydrostatic positive displacement pumps and motors from volumetric measurements. Energies 2019, 12, 415. [Google Scholar] [CrossRef] [Green Version]
- ISO 4391:1983; Hydraulic Fluid Power—Pumps, Motors and Integral Transmissions—Parameter Definitions and Letter Symbols. International Organization for Standardization: Geneva, Switzerland, 1983.
- Achten, P.; Mommers, R.; Nishiumi, T.; Murrenhoff, H.; Sepehri, N.; Stelson, K.; Palmberg, J.-O.; Schmitz, K. Measuring the losses of hydrostatic pumps and motors—A critical review of ISO4409:2007. In Proceedings of the ASME/BATH 2019 Symposium on Fluid Power and Motion Control, FPMC2019, Sarasota, FL, USA, 7–9 October 2019. [Google Scholar]
- Li, P.Y.; Barkei, J.H. Hydraulic effort and the efficiencies of pump and motors with compressible fluid. In Proceedings of the ASME/BATH 2020 Symposium on Fluid Power and Motion Control, FPMC2020, Virtual, Online, 9–11 September 2020. [Google Scholar]
- Schänzle, C.; Pelz, P.F. Meaningful and physically consistent efficiency definition for positive displacement pumps—Continuation of the critical review of ISO 4391 and ISO 4409. In Proceedings of the ASME/BATH 2021 Symposium on Fluid Power and Motion Control, FPMC2021, Virtual, Online, 19–21 October 2021. [Google Scholar]
Publisher’s Note: MDPI stays neutral with regard to jurisdictional claims in published maps and institutional affiliations. |
© 2022 by the author. Licensee MDPI, Basel, Switzerland. This article is an open access article distributed under the terms and conditions of the Creative Commons Attribution (CC BY) license (https://creativecommons.org/licenses/by/4.0/).




