Abstract
The main emphasis in the operation of an electricity system is placed on its safe and reliable operation. The flow of reactive power in a network can affect voltage conditions in individual nodes of the transmission system. In recent years, there have been changes in the network that have resulted in increased capacitive reactive power flows from lower voltage levels to higher ones. These flows can cause the voltage to rise above the limit. This paper examines recent changes in the reactive power transmission in the network, especially at lower voltage levels. The possible impact of these changes on the flow of capacitive reactive power at higher voltage levels is analyzed. This paper also presents a description and the simulated impact of power lines at different voltage levels on reactive power flows. Real measurements of different types of consumers at the low-voltage (LV) level are analyzed. Finally, a simulation model was created to simulate the impact of a customer’s power contribution to the reactive power flows from the point of view of a 110 kV voltage node. This node is characterized as a supply point.
1. Introduction
The level of reactive power in a network is reflected in the voltage [1,2]. Safe and reliable operation is a basic requirement of an electricity system [2,3,4]. The flow of reactive power in the system may affect the quality of this operation. Exceeding specified voltage limits may cause the unexpected trigger of voltage protection devices. An abrupt shutdown of a single transmission line may not only be a local problem. This may have far greater consequences. An example is the recent outages of several network elements in January 2021. This started by disconnecting a single transmission line as a reaction to an overcurrent protection device signal. The result was the division of the common interconnected European system (ENTSO-E) into two parts with different frequencies [5]. Voltage support is generally required to reduce voltage fluctuation at a given node of a transmission system [3,6].
Reactive power decompensation is an issue, and distribution companies in Slovakia have begun to deal with it. They are trying to analyze the flow of reactive power into the transmission system. The aim of this article is to analyze and determine possible sources of capacitive reactive power flow in the network, which is growing due to changes in the network. The issue of changes in the character of consumption is not often discussed. The problem with such an analysis may be that the changes occur mainly at lower voltage levels, which are the most complex. The gradual change in the nature of consumption at lower voltage levels also changes the amount of reactive power flows to higher voltage levels [7]. There are more sources of capacitive reactive power in the network at lower voltage levels. A simulation model was created to determine the impact of these changes.
The proportion of overflow capacitive reactive energy towards higher voltage levels is growing year by year in Slovakia. This statement is supported by [8], from 2019. As can be seen from Figure 1, a more significant increase in capacitive reactive energy in Slovakia began around 2015 and then began to increase sharply. This graph also indicates another possible trend in the flows of capacitive reactive power.
Figure 1.
Trend of capacitive reactive energy [8].
In the case of Slovakia, this problem can be attributed to two phenomena. The first and main problem is the cabling of lines at the medium-voltage (MV) level. The percentage of MV cable lines is growing. Another problem is the change in the nature of consumers at the low-voltage (LV) level (the nature of lower-voltage level networks is changing). Reactive power compensation is a technical challenge in a system for the reduction of voltage fluctuations [9]. Reference [10] discusses the issue of compensation in a high-voltage (HV) system. By further increasing the share of the capacitive reactive power flowing into the HV system in relation to the active power taken, problems can arise from keeping the voltage within specified boundaries, even when all available compensating means are used. Such an operation situation, which was caused by capacitive reactive power, when it was necessary to reduce voltage by the disconnection of a transmission line, also occurred in Slovakia. It is necessary to understand this phenomenon, predict it, and avoid or eliminate it [11].
2. Impact of Power Lines on Reactive Power Flows
The nomenclature used to determine the direction of the reactive power flow in the network is as follows:
- Devices or network elements that cause a flow of capacitive reactive power in the network will be referred to as sources of reactive power in relation to the network.
- Devices or network elements that need reactive power to magnetize their circuits (devices or network elements causing the flow of inductive reactive power in the network) will be referred to as reactive power appliances in relation to the network.
Power distribution in power networks is performed with the use of overhead power lines as well as underground cables [12]. A power transmission line, depending on the value of its inductance and capacitance, as a part of the transmission system, causes a flow of reactive power in the network [13]. Power lines can consume or even supply reactive power [14]. The inductance and capacitance of the overhead power line are variable parameters. Their value depends on the geometric arrangement (position) of the individual conductors (dependence on the type of poles). In the case of cable power lines, the inductance is mainly dependent on the geometric arrangement and position of individual cores. Single-core cable line inductance depends on cable position when grounding. The capacitance of the cable power line is practically independent of the position of the individual conductors. How these two parameters manifest themselves in the transmission of electricity depends on the load of such lines.
The power transmission line can be modeled in different ways depending on the purpose. For our purpose, the T-cell will be used, as is shown in Figure 2 [15]. The power line is characterized by four basic parameters: the resistance of line Rl and the inductance of line Ll in the longitudinal branch, and the capacitance Cl and the shunt conductance of the transmission line in the transverse branch. Shunt conductance can be neglected, as it has little effect on the line operation.
Figure 2.
Scheme of transmission line using T-cell replacement (A) and a model with no loaded transmission line (B) [15,16].
The voltage of the transverse branch is given:
The current through the transverse branch is given [15]:
Longitudinal impedance can then be neglected, and Is = Ic, where Ic is the charging current of the transmission line. When loads of the power line are close to the permissible current load, then the overhead power lines behave as reactive power appliances. In this case, a longitudinal branch of the power line is applied. On the other hand, when power lines are low loaded or are close to no load, a transverse branch is applied, where only capacity is considered, and the capacitive (charging) power of the line begins to prevail. The effect of the longitudinal branch is negligible compared to the transverse branch, and Vcp = Vsp. Therefore, the charging current Ic flowing through such a line is given by
where Cl is the capacitance of the power line, l is the length of the power line, and Vsp is the phase voltage.
The three-phase charging power is then given:
It is appropriate to compare the character of different types of power lines, depending on their load in terms of their self-compensation. Dependencies were obtained by simulating different types of lines at different voltage levels. By loading lines with a purely resistive load, it is possible to determine how the lines contribute to the reactive power flows in the network, depending on their current load. Firstly, the overhead lines were simulated. The dependences of the reactive power on load are shown in Figure 3. LV overhead power lines and MV overhead power lines are compared. These dependences represent comparisons for 1 km of overhead power lines, with different cross sections of wires. AlFe conductors are used, and a planar configuration is considered. As can be seen, the capacitive character of the power lines did not manifest itself in low voltage lines due to the low charging power of the line, which, as follows from Equations (6) and (7), is voltage-dependent in both cases. It follows that the LV lines can be considered in the whole range of loads as reactive power appliances. The effect of quadratic voltage dependence on reactive power can be easily seen in medium-voltage (22 kV) lines, when acting as a source of reactive power in a state of low load.
Figure 3.
Reactive power of different LV and MV power lines depending on their load.
The main advantage of underground cable lines over overhead power lines is that they do not have to withstand the effect of external factors. By eliminating this effect, the number of sudden interruptions is reduced, and the reliability of the electricity transmission is increased [17,18]. Furthermore, in contrast to overhead lines, these cables have a significantly higher operating capacity [13]. In the case of cable lines, a higher charging power is expected [19]. Equation (6) shows that the charging current depends directly on the capacity. Cables can have a large share in the flow of capacitive reactive power in the network, as is also described in [20].
The dependences of reactive power on load in low-voltage cables (AXMK 400 V) with different cross sections are shown in Figure 4. As can be seen, the situation is very similar to that of low-voltage overhead power lines. The charging power of the low voltage cable lines is negligible.
Figure 4.
Reactive power per 1 km of LV cables with different cross sections.
Problem starts to occur in the case of MV cables. The situation of a set of MV cables (AXEKCY 22 kV) with different cross sections with a 1 km length is depicted in Figure 5, which shows that MV cable lines in the entire range of loads behave as reactive power sources. Thus, the charging power of MV cables is already starting to prevail.
Figure 5.
Reactive power per 1 km of MV cables with different cross sections.
It is obvious that cable lines used at higher voltage levels, with respect to their charging power, will further affect the flow of capacitive reactive power in the network. Cable lines in Slovakia are mainly used at the LV level and at the MV (22 kV) level. There are only a few kilometers (~6 km in total) of 110 kV cable lines in Slovakia. The main changes in cabling occur at the MV level (22 kV distribution lines). Some distribution companies recommend constructing new power lines at the MV level in urban and municipality areas solely as cable lines. This results in a continuous increase in capacitive reactive power in the network. These claims can be confirmed by statistics from the distribution system operator. Figure 6 shows that the charging power increases at the MV level for different areas in the distribution system [8].
Figure 6.
Trend of charging power (MV lines) in different areas of the distribution system [8].
3. Changes in the Character of Consumption
Changes in the character of consumption have occurred mainly at the low voltage level in recent years. This phenomenon is mainly due to the development and use of various modern devices. A minority of devices are purely resistive appliances, but their numbers continue to decline. The structure of the internal circuits of new devices have also undergone considerable development. This development has had a significant impact on electricity quality parameters in these networks. The use of mainly semiconductor components in the converters of these devices leads to the consumption of increased non-harmonic currents by a relatively high number of these devices. On the other hand, most devices also supply reactive power to the network. Due to non-harmonic consumption, harmonic frequencies also contribute to the transmission of reactive power in these networks. Typical examples are light sources along with the development in lighting technology. As our measurement database has shown, due to the rising number of such devices, their effect is noticeable.
Changes occur not only in the area of consumption but also in the area of production. The impact of renewables and distributed generation is frequently discussed. There are many published scientific articles focused on the voltage control and penetration of reactive power due to the increase in the use of renewable energy sources, e.g., [21,22,23,24,25,26]. This article is focused on changes in consumption.
3.1. Influence of Small Consumers on Reactive Power
Several different distribution transformer stations (TSs) were measured within a time horizon of two weeks. A compact power quality analyzer was connected to the secondary side of a 22/0.4 kV transformer. Examples of TS suppling housing estates and mostly residential units are analyzed first. A graph of one-day values of active and reactive powers is shown in Figure 7. This is an example of a station where the flow of capacitive reactive power to the network has already been observed. Daily load courses of other analyzed stations were very similar to the above-mentioned TS. When comparing the dependence of reactive power on the active power consumption, it was possible to observe a decrease in reactive power with a sharp increase in active power in all cases. This occurs precisely at the times of the maximum daily load. It is expected that a large percentage of devices connected to the network are sources of capacitive reactive power.
Figure 7.
Daily course of active and reactive power of analyzed transformer station.
In some TSs, the penetration of capacitive reactive power to the MV level was observed. The case of such TSs is depicted in Figure 8. This graph shows courses of active and reactive power for another TS that supplies a housing estate. The measurement was performed in parallel with the previous measurements shown in Figure 5. The flow of capacitive reactive power to the MV level was observed at the times of the maximum daily load. The capacitive power factor was all achieved at minimum load times. This TS mostly supplies more modern buildings compared to the previous TS.
Figure 8.
The case of a transformer station with a penetration of capacitive reactive power to the network.
The problem described above is associated with a percent increase in the share of appliances, which are sources of reactive power, as has already been mentioned. For our purposes, several common household appliances were analyzed. Attention was mainly focused on three groups of appliances: information technology, multimedia technology, and lighting technology. These groups have a major impact on power quality in LV networks [27]. The number of information technology devices in the network is constantly growing. There are also changes in the field of lighting technology, as more modern technologies are gradually displacing older ones. Light-emitting diode (LED) lamps, due to their lower energy consumption, are gradually replacing conventional compact-fluorescent (CFL) and incandescent lamps [28]. Table 1 shows a comparison of reactive power and power factors for common lighting appliances. It should be added that most modern home appliances supply capacitive reactive power to the network. Much of the reactive power is transmitted by higher harmonics, which is reflected in a low power factor of these devices. A power factor spectrum of lighting devices is discussed in more detail in [21]. This phenomenon can cause quality problems, mainly in LV networks. From the point of view of the supply point, it is important to monitor reactive power transmitted by fundamental harmonic frequency.
Table 1.
Reactive power comparison of different lighting appliances.
It is interesting to compare the measured reactive power values of an older tubular fluorescent lamp with newer technologies. This type, together with classic light bulbs, constitutes the majority of lighting technologies used in the past. It can be seen that, for some lighting appliances, reactive power was higher than the active power taken. This is due to the considerably distorted currents that these appliances draw. Subsequently, reactive power is transmitted by higher harmonic frequencies. Small consumers are not subjected to sanctions for low power factor and compensation is (was) solved by capacitors without the possibility of regulation in a TS of 22/0.4 kV.
3.2. Influence of Larger Consumers Connected in Low Voltage Networks
In terms of changes at the LV level, it is appropriate to analyze larger consumers at this voltage level. Customers with a maximum reserved capacity of over 30 kW are sanctioned in Slovakia if they do not comply with the neutral value of a power factor set at 0.95–1 inductive. For the purposes of the analysis, TSs that supply some types of larger consumers were also measured, to determine how they contribute to reactive power flows in the network. The data were obtained using a network quality analyzer on the low-voltage side of a 22/0.4 kV transformer, same as in the previous case.
As already mentioned, the analysis of small household appliances shows that the selected groups of appliances, which make up a large proportion of the total number of devices connected to the low-voltage network, are mostly sources of capacitive reactive power. The first measurement of the building is such a station, which mainly supplies the office space of a university. Here, it is assumed that main source of capacitive reactive power will be a substantial number of smaller devices. The majority of powered appliances are computers, and LED lamps are exclusively used in terms of lighting technology.
As can be seen in Figure 9, the phase most contributing to the capacitive reactive power flow is the phase L1. This phase even reaches the capacitive power factor at the low load time period. It can be assumed with certainty that some of the appliances connected to the network are in the “Standby” mode (SBM) at this time. It is worth noting here that, in the analysis of small household appliances, SBM proved to be the most unfavorable operating state in terms of the flows of capacitive reactive power and in terms of the power factor parameter. Devices operating SBM are compared in Table 2. As can be seen in SBM, the ratio of the active power consumed by such a device to the reactive power is considerably higher than in the case of the normal operating mode. Transmitted reactive power is caused mainly by fundamental harmonic frequency in this mode.
Figure 9.
A one-day course of reactive power flow of individual phases at the monitored point.
Table 2.
Influence of the device operating mode on power factor and reactive power flow.
Problems with the flow of reactive power into the network may not only occur in typical office operations. This also reflects another case of a larger consumer. The transformer station supplying the shopping center was analyzed. Measurements at the two-week horizon have shown that, in this case, there is a regular flow of capacitive reactive energy into the network. The flow of reactive energy into the network strongly depends on the shopping center’s operation time.
As can be seen in Figure 10, the L2 phase reaches the capacity power factor practically throughout the entire operation time of the shopping center. When the shopping center is closed, it is in the L3 phase, which contributes to the capacitive reactive energy flows in the network. In the range of appliances (in addition to small devices), a couple of power inverters are used here.
Figure 10.
One-day course of the reactive power flow in individual phases in the case of a shopping center’s transformer station.
In the case where one phase is overcompensated or has reached the capacitive power factor, the consumer may not yet be penalized for the power factor. This follows precisely from evaluating the power factor in Slovakia. The evaluation method is as follows:
From the monthly measured values of reactive energy in kvar and the active energy in kilowatt hours, tg φ is calculated along with the corresponding cos φ [29]. If the consumer’s monthly three-phase reactive energy balance is inductive (the monthly power factor is inductive), they have no reason to change the settings of the compensation device and to compensate each phase for the inductive power factor. However, this does not mean that, from an operating point of view at a given time, such a phase does not negatively contribute to capacitive reactive power flows and thus also to changes in voltage ratios at a given moment at a higher voltage level.
Since the measurement took place at a longer time horizon, it is possible to compare and evaluate the total reactive energy that is taken or delivered to the network on different days. Overall balance analyses and comparisons of different types of days were performed in both mentioned cases. Figure 11 shows the difference between common working days and weekend days in terms of the transmitted reactive energy of the office operation block. Figure 12 shows a similar comparison of a common working day and a holiday in the case of the shopping center.
Figure 11.
Daily reactive energy balance comparison of an office operation block.
Figure 12.
Reactive energy balance dependent on the operation of a shopping center.
4. Experimental Study of the Simulation of Medium-Voltage Grids
LV and MV networks are specific, in that they have the largest number of customers connected to them. In terms of the number of customers connected to higher-voltage levels, it is much easier to define and identify problems in terms of reactive power. Measuring the impact of all connected customers at low- and medium-voltage levels is quite difficult (financially and technically) in such a specific network. The type of lines and the number and types of individual stations are easily accessible. The parameterization of individual consumptions can be a problem. Measurements show that the courses of reactive power of several transformer stations supplying the same type of customers were very similar. Approximate results and daily differences can be obtained by parameterizing the consumption according to the selected customer type.
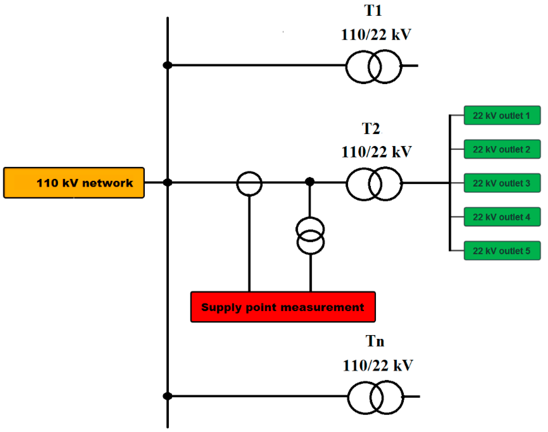
A simulation model of the MV network was created. Specialized electrical engineering library Simulink SIMSCAPE was used for modeling. The aim was not to simulate directly the specific case of a power station. Emphasis was placed on simulating the possible daily changes in reactive power flows at the supply point. The point on the primary side of a 110/22 kV transformer in the distribution station was chosen as a supply point (Figure 13).
Figure 13.
Supply point in the simulation model.
4.1. Network Parameterization
The simulation model represents the power supply of different types of consumers at the LV level. This model takes into account the power supply, represented by a 110/22 kV distribution transformer, 22/0.4 kV transformers, and MV (22 kV) lines. Two types of MV distribution lines were used: overhead lines and cable lines. The elements in the model were parameterized according to the real parameters of transformers and different types of lines, used at an appropriate level. The total length of the MV power lines in this network is 25 km. Cable lines were parametrized as AXEKCY 240 MV cables. Overhead power lines were parametrized for AlFe42-type wire and the most common planar geometric arrangement. Data from real measurements performed at these points of the network were used as loads of 22/0.4 kV transformers. Values used for parameterization originated from stations that supply different types of customers (rural areas, housing estates, larger customers, and smaller businesses). It was given that a 110/22 kV transformer supplied five outlets with different types of consumption. Two outlets supplied the housing estate’s TSs and one outlet supplied the rural TS. The other two outlets supplied the office block and the shopping center, respectively.
4.2. Simulation Results
The simulation of the given network was performed for all even hours. The simulation results are in Table 3. Cable lines were used for 46% (11.5 km) of the total length of the power lines that supply customers in the first simulated case.
Table 3.
Daily trend of the reactive power at the supply point.
The result of the simulation shows a significant daily change, both in nature and the amount of reactive power flowing into the network. The most unfavorable condition occurred at 2 a.m., the time of minimum load. The charging power of the cable lines was most pronounced. The effect of consumption was manifested mainly in the evening. This is especially identifiable when comparing between 4 and 6 p.m. With practically the same active power taken, the inductive reactive power decreased by approximately 100 kvar at the supply point. By combining several similar nodes, at times of minimum load, when the capacitive reactive power flows into the system, the amount of capacitive reactive energy can be considerable.
In the second simulated scenario, cable lines accounted for 56% (14 km) of the total length of the lines. A distance of 2.5 km of overhead lines was replaced by cable lines, which represented a 10% increase in cable lines compared to the previous simulated scenario. Changes in the amount of reactive power at the monitored point depending on the taken active power are shown in Table 4. It is interesting to observe the values of the reactive power, especially at times of low load. The effect of power line cabling was significant and has a strong impact on reactive power flow, with an increased length of cable lines of only 10%. Compared to the previous scenario, the transmitted capacitive reactive power increased to 228% in the worst case. A comparison of the two scenarios is shown in Figure 14.
Table 4.
Daily trend of reactive power at the supply point after increasing the cable length.
Figure 14.
Change in reactive power flow after the increase of cable lines in the network.
5. Discussion
In this paper, the issue of reactive power flows from lower-voltage levels to the transmission system is discussed. The amount of capacitive reactive power (CRP) flowing to higher-voltage levels in Slovakia increases every year. Problems have arisen with the decompensation of the CRP flow. All mounted compensating tools (in the power system’s node) are used, and the voltage cannot be decreased to satisfy the authorized operating condition. The 400-kV transmission line has had to be switched off to reduce the voltage.
The simulation model revealed that such scenarios are most likely to occur when the load is at its lowest. The flow of capacitive reactive power from lower- to higher-voltage levels was most visible due to the low percentage of load on cable power lines (in Slovakia at the MV level). Furthermore, cable lines are often over-dimensioned and operate at a low percentage load. This results in a greater application of their charging power. The impact of cabling can be significant, as was shown in the simulation. A change in the nature of the consumption of LV customers was noted. Some conventional devices at the LV level, if they are only connected to the network and are not in service (Standby Mode), supply reactive power to the network with a very low capacitive power factor.
In previous years, a Slovak MV 22/0.4 kV TS was installed with unregulated compensators (capacitors). The main purpose was to control the flow of inductive reactive power in a network and compensate for the transformer’s reactive losses. Distribution companies are now disconnecting these capacitors, which are installed in TSs to prevent CRP overflow to the MV level. It is hard to say how long this measure will suffice. Capacitors will have to be replaced with LV decompensation chokes if this pattern continues. Reactive power compensators will have to be replaced by decompensation.
A problem with the capacitive power factor may occur in the case of larger customers, as shown by measurement analysis, even though customers in Slovakia are sanctioned for power take-off with a capacitive power factor. Customers are, however, tracked for a monthly cumulative balance of transmitted reactive energy. As a result, individual phases are often overcompensated or exceed the capacitive power factor, contributing to capacitive reactive power flows at specific times.
The simulation confirms that even a small increase (change) of cable lines in the network will significantly affect a power factor at the supply point. From the simulation, it is possible to observe that, the flow of capacitive reactive power increased the voltage. The operators of electricity system try to operate the power lines at the highest possible voltage (due to lower losses). The power lines are operated close to the upper voltage limit and therefore any capacity flows are undesirable. The transmission system was originally designed and is operated as an inductive network. In times when capacitive reactive flow was observed (Table 3 and Table 4) is highest assumption the voltage gets violated. Weaker points in the transmission system may gradually appear.
6. Conclusions
This article aimed to approach in more detail the topical issue of the flow of capacitive reactive power from lower voltage levels to transmission voltage levels. This issue needs to be addressed when monitoring trends in the flows of capacitive reactive power to the superior system. Major changes in the power quality field can be expected soon. The rapid development of electromobility can also have a major impact on the change in the nature of consumption. The influence of electromobility (inverters used in chargers) on the mentioned flows of capacitive reactive power may be one of the other directions of future research. Another area that has not yet been explored is the impact of increasing harmonic distortion in networks. As the measurement of individual appliances shows, higher harmonic frequencies also transmit significant reactive power.
As was mentioned, LV networks are much more complex in comparison with other networks. When the approximate number and types of customers are known and no measurements are available, we can estimate such states. The entire distribution system is then easier to simulate. Using this simulation, it might be possible to determine the percentage influence of the individual distribution system’s voltage levels on CRP overflow.
Author Contributions
Conceptualization, M.T.; visualization, M.T.; methodology, M.T. and M.R.; writing—original draft, M.T.; software, M.T. and M.R.; resources, M.R. and A.O; supervision, A.O.; writing—review & editing, A.O. All authors have read and agreed to the published version of the manuscript.
Funding
This research received no external funding.
Institutional Review Board Statement
Not applicable.
Informed Consent Statement
Not applicable.
Data Availability Statement
Not applicable.
Conflicts of Interest
The authors declare no conflict of interest.
References
- Khan, S.; Zehetbayer, R.D. Evaluation of sensitivity base coordinated volt-var control and local reactive power for voltage regulation and power exchange across system boundaries in smart distribution networks. Electr. Power Syst. Res. 2021, 192, 106975. [Google Scholar] [CrossRef]
- Szuvovisky, I.; Fernandes, T.S.P.; Aoki, A.R. Simultaneous allocation of capacitors and voltage regulators at distribution networks using Genetic Algorithms and Optimal Power Flow. Electr. Power Energy Syst. 2012, 40, 62–69. [Google Scholar] [CrossRef]
- Yang, K.; Gong, P.; Zhang, Z.; Liu, A. A Reactive Power Compensation Method Based on Tracing the Power Flow and Loss Function of Power System. In Proceedings of the 5th International Conference on Electric Utility Deregulation and Restructuring and Power Technologies, Changsha, China, 26–29 November 2015. [Google Scholar]
- Grudinin, N.; Roytelman, I. Heading of emergencies in large electric grids. IEEE Spectr. 1997, 34, 42–47. [Google Scholar] [CrossRef]
- System Separation in the Continental Europe Synchronous Area on 8 January 2021-Update. Available online: https://www.entsoe.eu/news/2021/01/15/system-separation-in-the-continental-europe-synchronous-area-on-8-january-2021-update/ (accessed on 10 February 2021).
- Dixon, J.; Moran, L.; Rodriguez, J.; Domke, R. Reactive Power Compensation Technologies: State-of-the-Art Review. Proc. IEEE 2005, 93, 2144–2164. [Google Scholar] [CrossRef]
- Morin, J.; Dieulot, J.Y.; Colas, F.; Grenard, S.; Guillaud, X. Optimal reactive power flow in a HV grid connected to several distribution grids with predictive Volt Var Control. IFAC Pap. OnLine 2017, 50, 14788–14793. [Google Scholar] [CrossRef]
- Bodnar, R.; Dubovsky, M. Problematika vplyvu toku jalovej energie z distribučnej sústavy na napäťové pomery v prenosovej sústave. Stredoslovenská Distrib. A.S. Žilina Čk Cired 2019, unpublished paper. [Google Scholar]
- Merai, M.; Naoaur, M.W.; Slama-Belkhodja, I.; Monmasson, E. Grid connected converters as reactive power ancillary service providers: Technical analysis for minimum required DC-link voltage. Math. Comput. Simul. 2019, 158, 344–354. [Google Scholar] [CrossRef]
- Samimi, M.H.; Ahmadi-Joneidi, I.; Majzoobi, A.; Golshannavaz, S. Appropriate selection of shunt compensation reactor in parallel transmission lines: A case study. Electr. Power Energy Syst. 2018, 96, 163–173. [Google Scholar] [CrossRef]
- Tugay, Y. The resonance overvoltages in EHV network. In Proceedings of the 2009 10th International Conference on Electrical Power Quality and Utilisation, Lodz, Poland, 15–17 September 2009. [Google Scholar]
- Czapp, S.; Szultka, S.; Ratkowski, F.; Tomaszewski, A. Risk of power cables insulation failure due to the thermal effect of solar radiation. Eksploat. I Niezawodn.-Maint. Reliab. 2020, 22, 232–240. [Google Scholar] [CrossRef]
- Lubosny, Z.; Klucznik, J.; Dobrzynsky, K. The Issues of Reactive power compensation in High-voltage Transmission Lines. Acta Energetica 2015, 23, 102–108. [Google Scholar] [CrossRef]
- Karki, U.; Gunasekaran, D.; Zheng, P.F. Reactive compensation of overhead AC transmission lines using underground cables. In Proceedings of the 2015 IEEE Power & Energy Society General Meeting, Denver, CO, USA, 26–30 July 2015. [Google Scholar]
- Camacho-Penalosa, C.; Martin-Guerrero, T.M.; Esteban, J.; Page, J.E. Derivation and General Properties of Artificial Lossless Balanced Composite Right/Left-Handed Transmission Lines of Arbitrary Order. Prog. Electromagn. Res. B 2009, 13, 151–169. [Google Scholar] [CrossRef] [Green Version]
- Altus, J. Prenos Elektrickej Energie; University of Zilina: Zilina, Slovakia, 2004; p. 178. [Google Scholar]
- Fenrick, S.A.; Getachew, L. Cost and reliability comparisons of underground and overhead power lines. Util. Policy 2012, 20, 31–37. [Google Scholar] [CrossRef]
- Mueller, C.E.; Keil, S.I.; Bauer, C. Underground cables vs. overhead lines: Quasi- experimental evidence for the effects on public risk expectations, attitudes, and protes behavior. Energy Policy 2019, 125, 456–466. [Google Scholar] [CrossRef]
- Yao, L.; Jia, T.; Yang, G.; Huang, Z.; Hou, Z.; Duan, W. Research on reactive power optimization of Long Distance Ultra-high Voltage Cable Connected to Municipal Power Grid. In Proceedings of the Asia Energy and Electrical Engineering Symposium (AEEES), Chengdu, China, 26–29 March 2020. [Google Scholar]
- Colla, L.; Gatta, F.M.; Iliceto, F. Design and operation of EHV transmission lines including long insulated cable and overhead sections. In Proceedings of the International Power Engineering Conference, Singapore, 9–10 September 2005. [Google Scholar]
- Mirbagheri, M.; Merlo, M. Optimal reactive power flow procedure to set up an effective local voltage control. Sustanaible Energy Technol. Assess. 2020, 39, 100709. [Google Scholar]
- Ospina, L.D.P.; Cutsem, T.V. Power factor improvement by active distribution networks during voltage emergency situations. Electr. Power Syst. Res. 2020, 189, 106771. [Google Scholar] [CrossRef]
- Novin, S.B.; Sani, M.M.; Hamidi, A.; Golshannavaz, S.; Nazarpour, D.; Siano, P. Investigating the impacts of feeder reforming and distributed generation on reactive power demand of distribution networks. Sustain. Energy Grids Netw. 2020, 22, 100350. [Google Scholar] [CrossRef]
- Kim, Y. A voltage deviation-memorizing reactive power controller for renewable energy sources. Electr. Power Energy Syst. 2019, 107, 47–57. [Google Scholar] [CrossRef]
- Collins, L.; Ward, J.K. Real and reactive power control of distributed PV inverters for overvoltage prevention and increased renewable generation hosting capacity. Renew. Energy 2015, 81, 464–471. [Google Scholar] [CrossRef]
- Liao, W.; Li, P.; Wu, Q.; Huang, S.; Wu, G.; Rong, F. Distributed optimal active and reactive power control for wind farms based on ADMM. Electr. Power Energy Syst. 2021, 129, 106799. [Google Scholar] [CrossRef]
- Aman, M.M.; Jasmon, G.B.; Mokhlis, H.; Bakar, A.H.A. Analysis of the performance of domestic lighting lamps. Energy Policy 2013, 52, 482–500. [Google Scholar] [CrossRef]
- Ajisaka, S.; Bilad, B.I.; Hudaya, C. Labeling and Grouping of Light Emitting Diode Lamps based on Its Power Quality and Efficacy Level. In Proceedings of the 10th International Conference of Information Technology and Electrical Engineering (ICITEE), Bali, Indonesia, 24–26 July 2018. [Google Scholar]
- Regulatory Office for Network Industries. Decision n. 0009/2018/E for SSD. Available online: https://www.sse.sk/buxus/docs/dokumenty/velkoodberatelia/cenove-rozhodnutie-ssd-01-19.pdf (accessed on 22 February 2021).
Publisher’s Note: MDPI stays neutral with regard to jurisdictional claims in published maps and institutional affiliations. |
© 2021 by the authors. Licensee MDPI, Basel, Switzerland. This article is an open access article distributed under the terms and conditions of the Creative Commons Attribution (CC BY) license (https://creativecommons.org/licenses/by/4.0/).













