Next Article in Journal
Towards Developing an Automated Faults Characterisation Framework for Rotating Machines. Part 1: Rotor-Related Faults
Next Article in Special Issue
A Charge-Equalization Circuit with an Intermediate Resonant Energy Tank
Previous Article in Journal
Applications of Wien Automatic System Planning (WASP) Model to Non-Standard Power System Expansion Problems
 
 
Font Type:
Arial Georgia Verdana
Font Size:
Aa Aa Aa
Line Spacing:
Column Width:
Background:
Article

New Cell Balancing Charging System Research for Lithium-ion Batteries

Department of Electrical Engineering, Konkuk University, Seoul KS013, Korea
*
Author to whom correspondence should be addressed.
Energies 2020, 13(6), 1393; https://doi.org/10.3390/en13061393
Submission received: 17 February 2020 / Revised: 12 March 2020 / Accepted: 15 March 2020 / Published: 17 March 2020
(This article belongs to the Special Issue Battery Aging and Fast Charging)

Abstract

:
With recent advancements in the electrical industry, the demand for high capacity and high energy density batteries has increased, subsequently increasing the demand for fast and reliable battery charging. A battery is an assembly of a plurality of cells, in which maintaining a balance between neighboring cells is crucial for stable charging. To this end, various methods have been applied to battery management systems. Representative methods for maintaining the balance in battery cells include a passive method of adjusting the balance using a resistor and an active method involving the exchange of energy between the cells. However, these methods are limited in terms of efficiency, lifespan, and charging time. Therefore, in this study, we propose a new charging method at the battery cell level and demonstrate its effectiveness through experiments.

1. Introduction

Lithium-ion batteries have been extensively used in electrical systems that require a high energy density owing to their long life, low natural discharge, and high energy density. However, the charging and discharging of lithium-ion batteries is restricted to reduce the risk of accidents, such as damage to the battery’s internal separator due to overcharge and over-discharge; the battery’s charging and discharging must be managed for optimal performance [1,2,3]. Thus, to achieve optimal battery charging, a system for managing the charging state is necessary. To this end, the battery management system (BMS) was developed to ensure safety during charging via voltage and current monitoring [4,5,6,7]. The charging stage of the initial BMS comprised a constant current (CC) mode that charges based on a CC and a constant voltage (CV) mode that charges based on a constant CV; the charging scheme originated in the battery’s internal composition. As shown in Figure 1, in addition to capacitor components, the battery includes parasitic inductance and parasitic resistance components, resulting in a constant voltage across the resistor and inductor when charging at a CC.
As given in Equation (1), this voltage occurs in proportion to the magnitude of the charging current and impedes the full charging of the battery. Here, I c h is the charging current; Z is the combined impedance of the parasitic resistance and parasitic inductance, and V t is the total battery charging voltage.
V d r o p = I c h × Z V t = V c a p + V d r o p
Therefore, in the CC mode in which a CC is applied during charging, when the charging and internal voltages of the battery have the same potential, the battery cannot be fully charged owing to the internal voltage proportional to the charge current. Consequently, following the CC mode, a constant voltage is applied, and the system switches to the CV mode, which maintains a constant potential difference between the battery input terminal and the battery, thus charging the battery. However, the CC–CV charging method is limited in terms of charging efficiency and safety in the battery’s cell module structure.
Figure 2 shows an example of the battery’s internal structure together with charging and discharging. The battery’s internal structure is not a single cell; rather, it is a collection of multiple cells. All cells in the battery do not have the same initial voltage because of differences in the initial voltage of the cells caused by the manufacturing process and manufacturer’s environmental factors. When discharging, these differences in voltage between the cells reduce the battery’s usable capacity because of the cell with the lowest voltage; conversely, during charging, the cell with the highest voltage causes overcharging. Thus, the CC–CV method is disadvantageous in terms of efficiency and battery life for battery charging [8,9]. In particular, in large applications like electric vehicle (EV) and energy storage system (ESS), damages can be considerably reduced using cell balancing every time because the lifetime and efficiency can be improved.
In a previous study [10], to solve this problem, a passive balancing method was proposed for balancing the adjacent cells of a battery using a resistor. In this method, parallel resistors were connected between structurally close cells, and the surplus energy was consumed by the resistors connected between the cells, beginning with resistors between high voltage cells to those between low voltage cells, thereby equalizing the potential between adjacent cells. This method is advantageous in terms of simplicity and ease of operation. However, owing to the energy consumption from the resistors, the passive balancing method has the disadvantages of heat generation and low efficiency. In a previous article [11], active balancing was proposed as a novel method to remedy these issues. This method uses transformers rather than resistors to share the energy between adjacent cells. While it solves the problem of energy loss caused by the resistors, through sharing energy, the energy levels between adjacent cells are maintained at an average value [12,13,14,15]. Hence, active and passive balancing are not practical methods for battery charging. As the effects between adjacent cells are not excluded in this method, optimally charging the battery is impossible, and energy dissipation and sharing between the cells during discharging results in additional charging and discharging; this reduces efficiency and increases the charging time. In particular, excluding the voltage caused by parasitic components during cell balancing adversely affects the idle period in which charging stops until the next charge.
Figure 3 shows the difference in charging time with and without mutual influence between adjacent cells. Even if the battery charges to the maximum charging voltage, voltage drop occurs because of the internal parasitic components; additionally, when the active or passive method is used in which adjacent cells influence each other, additional voltage drop occurs owing to energy sharing or consumption between adjacent cells. This causes further voltage drop in addition to the voltage drop of the battery during discharge, thereby increasing the next charge time.
This can be expressed as shown in Equation (2), where t is the total charge time, I is the charge current, V F u l l is the full charge voltage, V S o u r c e is the initial voltage, V D r o p is the parasitic voltage drop, V R   is the cell balancing voltage drop, and C B a t is the capacity of the battery capacitor [16].
t = 1 I ( V F u l l V S o u r c e V D r o p V R ) × C B a t
t = 1 I ( V F u l l V S o u r c e V D r o p ) × C B a t
Accordingly, independent charging between the cells is necessary to optimally charge the battery. This study, therefore, proposes an independent charging method for each cell using a DC/DC converter and demonstrates its validity through experiments by comparing the charging efficiency and time with the passive method.

2. Proposed Method

2.1. Hardware

Figure 4 shows the hardware of the proposed charging method, which includes the boost power factor correction (PFC), a DC/DC half bridge, and a DC/DC full bridge circuit that enables the independent charging of each cell. At this time, if only one DC/DC converter is used to charge one cell at a time, the cost will go down, but the charging time will be too slow for the system to be cost-effective. In addition, if all cells are charged through one DC/DC converter, the voltage required for each cell is different, and thus, one DC/DC converter cannot satisfy the required voltage of all cells. Therefore, each cell uses its own DC/DC converter. The operation is divided into supplying the power used for full charging, as well as cell balancing the charge of the battery and cell balancing the charge. A relay for switching the charging method is embedded. Communication between the microcontroller units (MCU) is implemented using a controller area network (CAN), which is extensively used in automobiles.
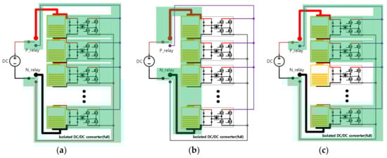
Figure 5 shows the topology and driving sequence of the battery charging stage for each cell, to which the proposed method was applied. When CC–CV charging is completed, which is the same as the conventional method, charging is performed, as shown in Figure 5a, according to the state of each cell by a DC/DC converter configured independently of each battery cell. Then, as shown in Figure 5b, charging is completed, and the cell level is checked to confirm the actual voltage excluding the voltage drop generated by the parasitic inductance and resistance components of the battery. Finally, as shown in Figure 5c, there is a section for charging insufficient voltage. Here, as the voltage of each cell checked in Figure 5b is confirmed, cells that satisfy the reference voltage are excluded from additional charging. The system operation ends when all the cells meet the final charging criterion.

2.2. Software

Figure 6 shows the driving sequence of the proposed system using the topology of the system described above. In this system, charging begins, and because CC–CV does not differ from the conventional charging method, it is applied to all cells by the system up to the DC/DC converter shown in Figure 4. Then, as shown in the topology in Figure 5, the independent charging system for each cell of the battery is driven. Each cell is first charged using the CC–CV method for the entire charging system. When the charging current of the CC–CV charging for each cell satisfies the criterion of 0.05 PU, the system proceeds to the next step. In the second step, independent charging for each cell is actually performed; after charging using the DC/DC converter of each cell, the actual voltage of the cells is detected through an idle period of a certain duration. According to the detection result, the size difference between the cells with the maximum and minimum voltages is examined to ascertain whether it is equal to or below 20 mV; if this condition is not satisfied, then additional charging is performed. Here, the cells that satisfy the cell charging reference voltage are excluded from additional charging, while the remaining cells undergo additional charging according to their state. The above process is repeated until the final end condition is fulfilled.

3. Experiments

Figure 7 shows a schematic of the charging sequence and lithium-ion battery charging system comprising 10 cells used to verify the proposed method. The battery charging system comprises charge test hardware for battery charging, a load file for the discharge test of the battery, and a monitoring system for monitoring the battery status in real time; main monitoring was performed using the wave surfer model of Teledynelecroy.
In terms of the experimental method, the performance was compared with the passive method that performs cell balancing using resistors, and to compare the effects of cell-specific charging, the CC–CV section was simultaneously performed in the same manner with only cell-specific charging being performed differently. Moreover, the end point of charging was set to that when the difference between the cells with the maximum and minimum voltages was approximately 20 mV or less [17].

4. Results and Discussion

Figure 8 shows the curves for the charging current and charging voltage of each cell in the passive and proposed methods. The black curve of Figure 8a indicates the passive method, and the red curve indicates the proposed method. When the proposed method is used, the charging time is approximately 6906 s, and when the passive method is used, the charging time is approximately 14,418 s or more, showing a difference of at least 7512 s, or 52%. This results from the cell-specific charging method after the CC–CV section. In the Balancing charging max voltage (BCM) section, the passive method performs balancing through resistors between adjacent cells, whereas the proposed method independently charges the required level of current for each cell as soon as it converts to cell-specific charging. Consequently, the charging time is reduced. As shown in Figure 7b, charging ends when the voltage difference between the cells is within the maximum of 20 mV. According to the comparison of each cell voltage at the time of the end of charging, the voltage of the cell with the maximum voltage is approximately 4.197 V and that of the cell with the minimum voltage is approximately 4.177 V demonstrating a difference within a maximum of 20 mV at the end of charging [18].
Figure 9 shows the discharge current curves of the passive and proposed methods. The discharge time is approximately 2108 s when the proposed method is used and approximately 1934 s when the passive method is used, indicating similar performance, unlike the charging results.
In the conventional method, as more energy was consumed inside the battery than the proposed method, the charging speed of the proposed method was faster; however, the discharging process exhibited similar results. The charge energy, discharge energy, and efficiency of each method were calculated and compared, as shown in Table 1. The charge and discharge energy were calculated as shown in Equation (4).
E t o t a l = 0 t V x I x   ,
where E t o t a l is the total amount of energy during the charging or discharging time, V x is the instantaneous voltage at each time, and I x is the instantaneous current at each time. According to the calculated charging and discharging energy and efficiency, the passive method charged 1470 J more than the proposed method, although it discharged 8105 J more than the proposed method. As described above, this is because there is energy consumed by the resistors in the passive method, thereby reducing the efficiency [18].
Based on the results shown in Figure 9 and Table 1, the graph plotted in Figure 10 shows the change in battery efficiency after 100 charge and discharge cycles for each charging method. During charging and discharging from 10 to 100 cycles, the average reduction in efficiency for the passive method was approximately 2.48%, and that of the proposed method was approximately 1.12%. Thus, efficiency decreased faster in the passive charging method than in the proposed method. This is because when compared to the proposed method in which charging and discharging are performed without mutual influence between the cells, the conventional method performs additional charging and discharging while consuming energy through the adjacent cells and resistors. In addition, cost reduction can be seen from the rate of charge and the discharge efficiency reductions in Figure 10 and the battery system costs in Table 2 and Table 3. Due to the efficiency reduction rate of about two times or more, it means that compared with the proposed method, replacement of the battery is two times more frequent when using the conventional method.
If the cost of the proposed method does not exceed twice of that of the conventional method, it is still cost-effective. In Table 2 and Table 3, it is shown that the conventional method costs 1.17 times more than that of proposed method. Hence, the proposed method is commercially favorable.

5. Conclusions

This study proposed a battery charging system that eliminates the mutual influence between adjacent cells in battery charging, thereby demonstrating that battery efficiency can be enhanced, and charging time can be reduced. While conventional systems perform mutual cell balancing through passive and active elements to balance each cell separately, in the proposed system, when charging is conducted for each cell, rather than performing mutual cell balancing, the reference value for each individual cell is designated, and only the cells that do not achieve the reference value are additionally charged, thereby eliminating the mutual influence of the cells. This consequently reduces the loss due to cell balancing and shortens the charging time. A comparative experiment was conducted to verify these results. Although similar capacities were charged, the charging time was reduced by approximately 52%, and the efficiency was increased by approximately 0.77%. Furthermore, the results of the experiment in repeating 100 charging and discharging cycles demonstrated that the proposed method caused large differences in the degree of damage to the battery as the number of times that the battery was used increased.

Author Contributions

Conceptualization, C.-Y.Z.; methodology, C.-Y.Z.; software, C.-Y.Z.; validation, C.-Y.Z. and S.-U.P.; formal analysis, S.-U.P.; investigation, S.-U.P.; resources, C.-Y.Z.; data curation, C.-Y.Z.; writing—original draft preparation, C.-Y.Z.; writing—review and editing, H.-S.M.; visualization, C.-Y.Z.; supervision, H.-S.M.; project administration, H.-S.M.; funding acquisition, C.-Y.Z. All authors have read and agreed to the published version of the manuscript.

Funding

This research received no external funding.

Conflicts of Interest

The authors declare no conflict of interest.

References

  1. Linden, D.; Reddy, T.B. Handbook of Batteries, 3rd ed.; Linden, D., Ed.; McGraw-Hill Professional: New York, NY, USA, 2001; pp. 35.1–35.90. [Google Scholar]
  2. Shin, D.; Poncino, M.; Macii, E.; Chang, N. A statistical model of cell-to-cell variation in Li-ion batteries for system-level. In Proceedings of the International Symposium on Low Power Electronics and Design (ISLPED), Beijing, China, 4–6 September 2013. [Google Scholar]
  3. Nagasubramanian, G.; Jhngst, R.G. Energy and power characteristics of lithium-ion cells. J. Power Sources 1998, 72, 189–193. [Google Scholar] [CrossRef]
  4. Xing, Y.; Ma, E.W.M.; Tsui, K.L.; Pecht, M. Battery management systems in electric and hybrid vehicles. Energies 2011, 4, 1840–1857. [Google Scholar] [CrossRef]
  5. Antonio, M.; Andrea, A.; Alessandro, M.; Sergio, M.S.; Angelo, G. A new BMS architecture based on cell redundancy. IEEE Trans. Ind. Electron. 2011, 58, 4314–4322. [Google Scholar]
  6. Krein, P.T.; Balog, R. Life extension through charge equalization of lead-acid batteries. In Proceedings of the INTELEC, International Telecommunications Energy Conference, Montreal, QC, Canada, 29 September–3 October 2020. [Google Scholar]
  7. Habiballah, R.E.; Unnati, O.; Federico, B.; Mo-Yuen, C. Battery management system: An overview of its application in the smart grid and electric vehicles. IEEE. Ind. Electron. Mag. 2013, 7, 4–16. [Google Scholar] [CrossRef]
  8. Zheng, Y.; Ouyang, M.; Lu, L.; Li, J.; Han, X.; Xu, L. On-line equalization for Lithium-ion battery packs based on charging cell voltages: Part 1: Equalization based on remaining charging capacity estimation. J. Power Sources 2014, 247, 676–686. [Google Scholar] [CrossRef]
  9. Donghwa, S.; Massimo, P.; Cnrico, M.; Naehyuck, C. A statistical model-based cell-to-cell variability management of li-ion battery pack. IEEE Trans. Comput. Aided Des. Integr. Circuits Syst. 2015, 34, 252–265. [Google Scholar] [CrossRef]
  10. Omariba, Z.B.; Zhang, L.; Sun, D. Review of battery cell balancing methodologies for optimizing battery pack performance in electric vehicles. IEEE Access 2019, 7, 129335–129352. [Google Scholar] [CrossRef]
  11. Javier, G.L.; Enrique, R.C.; Isabel, M.M.; Miguel, G.M. Battery equalization active methods. J. Power Sources 2014, 246, 934–949. [Google Scholar]
  12. Kim, M.-Y.; Kim, C.-H.; Cho, S.-Y.; Moon, G.-W. A cell selective charge equalizer using multi-output converter with auxiliary transformer. In Proceedings of the 8th International Conference on Power Electronics—ECCE Asia, Jeju, Korea, 30 May–3 June 2011; pp. 310–317. [Google Scholar]
  13. Baughman, A.C.; Ferdowsi, M. Double-tiered switched-capacitor battery charge equalization technique. IEEE Trans. Ind. Electron. 2008, 55, 2277–2285. [Google Scholar] [CrossRef]
  14. Sang-Hyun, P.; Ki-Bum, P.; Hyoung-Suk, K.; Gun-Woo, M.; Myung-Joong, Y. Single-magnetic cell-to-cell charge equalization converter with reduced number of transformer windings. IEEE Trans. Power Electron. 2011, 27, 2900–2911. [Google Scholar] [CrossRef]
  15. Yunlong, S.; Naxin, C.; Qi, Z.; Chenghui, Z. Abattery equalizer with zero-current switching and zero-voltage gap among cells based on three-resonant-state LC converters. In Proceedings of the 2017 IEEE Applied Power Electronics Conference and Exposition (APEC), Tampa, FL, USA, 26–30 March 2017. [Google Scholar]
  16. Khan, A.B.; Choi, W. Optimal charge pattern for the high-performance multistage constant current charge method for the Li-ion batteries. IEEE Trans. Energy Convers. 2018, 33, 1132–1140. [Google Scholar] [CrossRef]
  17. Kim, M.Y.; Kim, C.H.; Kim, J.H.; Moon, G.W. A chain structure of switched capacitor for improved cell balancing speed of Lithium-ion batteries. IEEE Trans. Ind. Electron. 2014, 61, 3989–3999. [Google Scholar] [CrossRef]
  18. Broussely, M.; Herreyre, S.; Biensan, P.; Kasztejna, P.; Nechev, K.; Staniewicz, R.J. Aging mechanism in Li ion cells and calendar life predictions. J. Power Sources 2001, 97–98, 13–21. [Google Scholar] [CrossRef]
Figure 1. Voltage drop due to internal resistance and inductance.
Figure 1. Voltage drop due to internal resistance and inductance.
Energies 13 01393 g001
Figure 2. Battery Charging and Discharging example.
Figure 2. Battery Charging and Discharging example.
Energies 13 01393 g002
Figure 3. Comparison of charging time due to mutual influence between adjacent cells.
Figure 3. Comparison of charging time due to mutual influence between adjacent cells.
Energies 13 01393 g003
Figure 4. System used in the proposed method.
Figure 4. System used in the proposed method.
Energies 13 01393 g004
Figure 5. Charge drive sequence by cell: (a) cell charge, (b) check cell level and (c) extra charge.
Figure 5. Charge drive sequence by cell: (a) cell charge, (b) check cell level and (c) extra charge.
Energies 13 01393 g005
Figure 6. Flowchart of the proposed method.
Figure 6. Flowchart of the proposed method.
Energies 13 01393 g006
Figure 7. Cell balancing charging system: (a) battery charging system and (b) experiment system sequence.
Figure 7. Cell balancing charging system: (a) battery charging system and (b) experiment system sequence.
Energies 13 01393 g007
Figure 8. Comparison of charging curves: (a) charging current curve and (b) each cell’s charging voltage curve.
Figure 8. Comparison of charging curves: (a) charging current curve and (b) each cell’s charging voltage curve.
Energies 13 01393 g008
Figure 9. Comparison with the discharging current curve.
Figure 9. Comparison with the discharging current curve.
Energies 13 01393 g009
Figure 10. Comparison of the passive and proposed charging methods in terms of efficiency observed during battery operation.
Figure 10. Comparison of the passive and proposed charging methods in terms of efficiency observed during battery operation.
Energies 13 01393 g010
Table 1. Comparison of the passive and proposed charging methods in terms of energy and efficiency.
Table 1. Comparison of the passive and proposed charging methods in terms of energy and efficiency.
Charging MethodCharging EnergyDischarging EnergyEfficiency
Passive Charging1,239,589 J1,085,535 J87.57%
Proposed Charging1,238,119 J1,093,640 J88.33%
Table 2. Passive BMS price.
Table 2. Passive BMS price.
ItemPartCostRemarks
Passive BMS cell unitFET$0.510EA: $18.0
1 Watt resistance$0.3
ETC$1.00
ControllerLTC6804$10.00Multicell battery monitors
ETC$10.00
Battery42V10A(10S4P)$240.00Li-ion 18650 2600mA
Total cost$278.00
Table 3. Proposed system price.
Table 3. Proposed system price.
Item Part Cost Remarks
Proposed system cell unitDRV8870DDA$1.2010EA: $63
ACS714LLCTR-50A-T$1.00
Transformer 3:1 (2A)$1.00
B340A/SMA$1.10
ETC$2.00
ControllerST SMT32F746$5.00MCU
ETC$20.00
Battery42V10A(10S4P)$240.00Li-ion 18650 2600mA
Total cost$328.00

Share and Cite

MDPI and ACS Style

Zun, C.-Y.; Park, S.-U.; Mok, H.-S. New Cell Balancing Charging System Research for Lithium-ion Batteries. Energies 2020, 13, 1393. https://doi.org/10.3390/en13061393

AMA Style

Zun C-Y, Park S-U, Mok H-S. New Cell Balancing Charging System Research for Lithium-ion Batteries. Energies. 2020; 13(6):1393. https://doi.org/10.3390/en13061393

Chicago/Turabian Style

Zun, Chan-Yong, Sang-Uk Park, and Hyung-Soo Mok. 2020. "New Cell Balancing Charging System Research for Lithium-ion Batteries" Energies 13, no. 6: 1393. https://doi.org/10.3390/en13061393

APA Style

Zun, C.-Y., Park, S.-U., & Mok, H.-S. (2020). New Cell Balancing Charging System Research for Lithium-ion Batteries. Energies, 13(6), 1393. https://doi.org/10.3390/en13061393

Note that from the first issue of 2016, this journal uses article numbers instead of page numbers. See further details here.

Article Metrics

Back to TopTop