Multiobjective Reactive Power Optimization of Renewable Energy Power Plants Based on Time-and-Space Grouping Method
Abstract
1. Introduction
2. Spatial Modeling of Renewable Energy Generation Cluster Based on K-Means++ Clustering Algorithm
- Step 1:
- Choose a uniformly random center of all renewable energy power plant day generation curves, and is the output sample of the renewable energy power plant on Day i;
- Step 2:
- Calculate Euclidean distance () between the sample () and the central sample ();where Xj = (xj1, xj2, …, xjm) is the output sample of the power plant on Day j.Then, calculate the sum (Sum(D)) of Euclidean distances between all samples with the center.where Sum(D) is the sum of all Euclidean distances between samples Xj (j = 1:n, j ≠ i) with Xi.
- Step 3:
- Choose a new random value Rin at the range of 0 to Sum(D), and calculate R = D(Xj) one by one until R ≤ 0, and Xj is the sample except for Xi in Step 1, which is the next central sample;
- Step 4:
- Repeat Steps 2–3 until all central samples are selected;
- Step 5:
- Based on the selected central samples, the time groups of renewable energy power plants day–output curves are calculated through the K-means clustering algorithm, including the center for each group, which is a typical scenario of renewable energy power plants.
3. Reactive Power Optimization Model
3.1. Objective Function
3.2. Constraints
- (1)
- Power flow constraints
- (2)
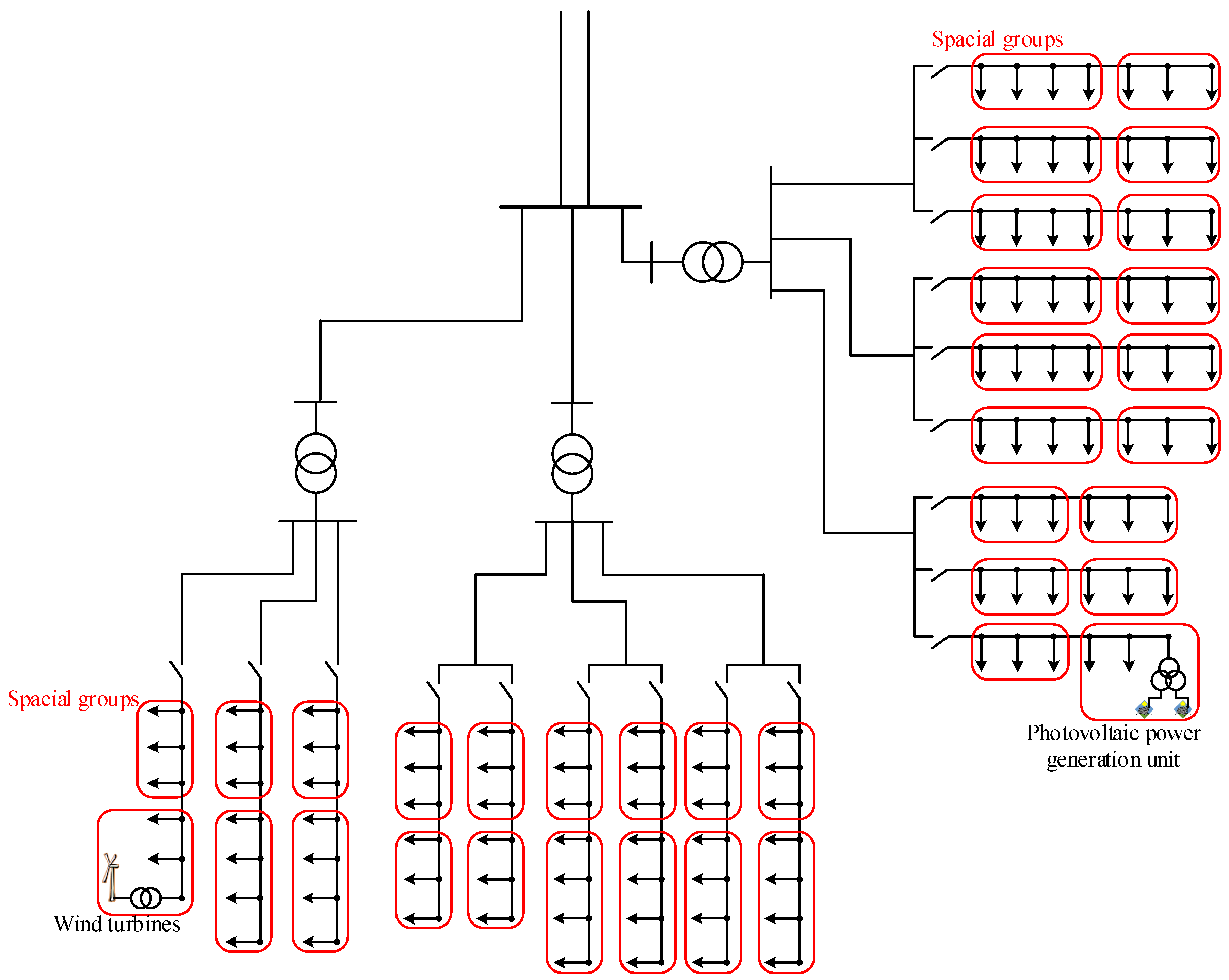
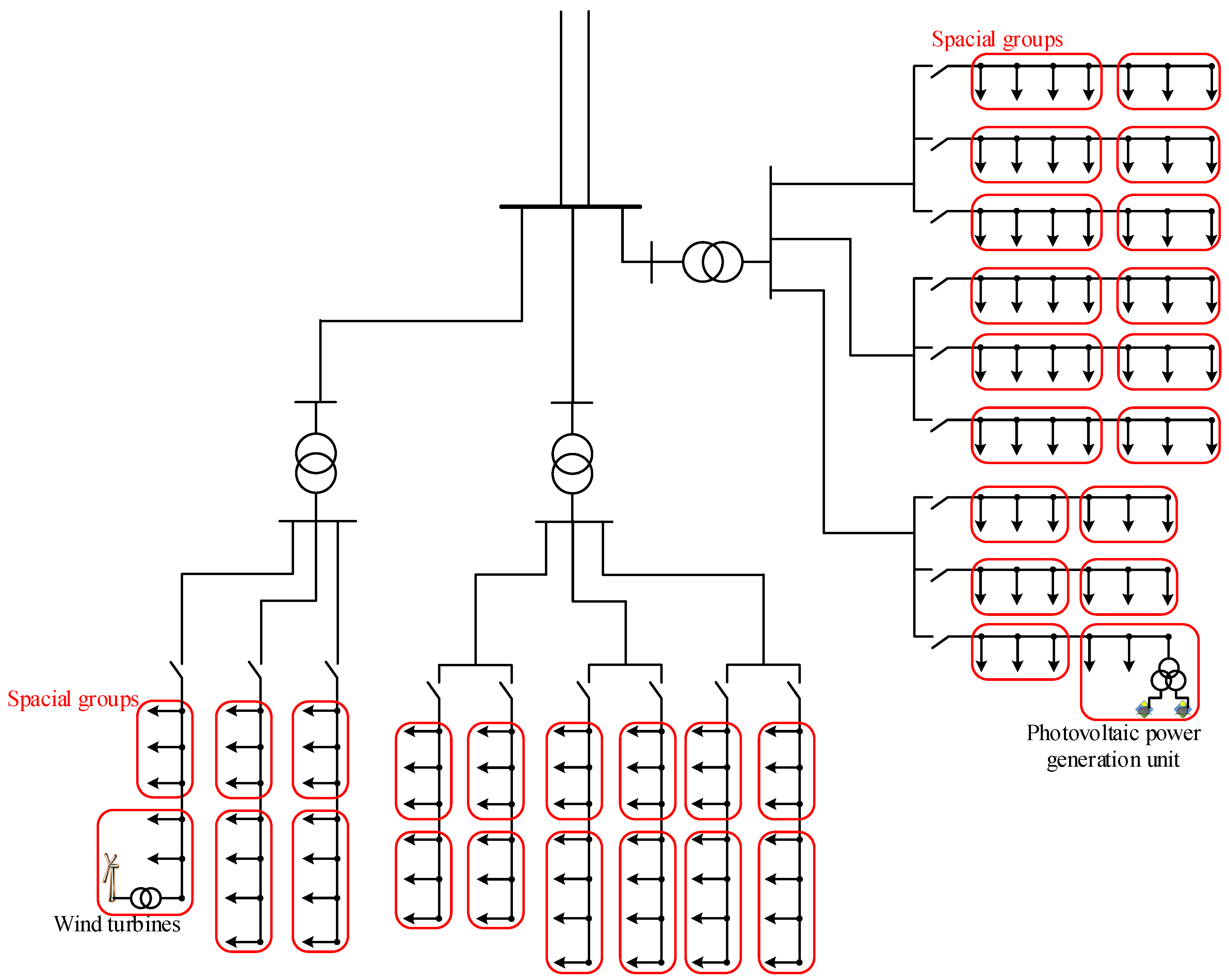
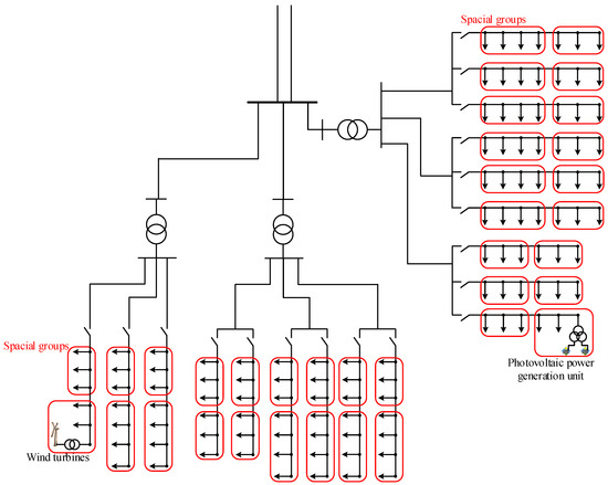
- The group output constraints of renewable power generation units
- (3)
- Reactive power capacity constraints
- (4)
- Voltage constraints
3.3. Mixed-Integer Optimization Algorithm Based on Second-Order Conic Relaxation
- Step 1:
- Initialization: Problem complexity and problem size can be taken into account when the number of initial samples is decided.
- Step 2:
- Fitness calculation: The fitness function is used to evaluate the goodness of the chromosomes (samples). It is defined using the objective function to optimize the economy of renewable energy power plants, as shown in Equation (8).
- Step 3:
- Reproduction and crossover: Select the chromosomes into the mating pool, and crossover operation is used to perform on chromosomes, including single-point crossover, two-point crossover, uniform crossover, order crossover, and some others.
- Step 4:
- Mutation: The operation is used to perform on chromosomes, including bitwise mutation, insert mutation, inversion mutation, scramble mutation, swap mutation, and some others. Appropriate mutation operators can be selected by taking problem and chromosome representation into account.
- Step 5:
- Stopping criteria: If the predefined number defined in Step 1 is reached, the calculation process will stop. Take the greatest fitness obtained in the evolution process as the optimal solution.
4. Performance Results
5. Conclusions
- (1)
- The proposed model has taken account of full-cycle time characteristics and used a smaller number of samples from 35,040 to 384. Additionally, the number of network nodes has been reduced from 127 to 43.
- (2)
- The reactive power optimization model with an optimal economic operation is achieved. The complex power flow constraints are simplified into a convenient second-order cone model, which reduces the number of iterations of nonlinear optimization problems.
Author Contributions
Funding
Conflicts of Interest
References
- Yuan, X. Integrating Large Wind Farms Into Weak Power Grids With Long Transmission Lines. Trans. China Electrotech. Soc. 2007, 22, 29–36. [Google Scholar]
- Piwko, R.; Miller, N.; Sanchez-Gasca, J.; Yuan, X.; Lyons, J. Integrating Large Wind Farms into Weak Power Grids with Long Transmission Lines. In Proceedings of the 2005 IEEE/PES Transmission & Distribution Conference & Exhibition: Asia and Pacific, Dalian, China, 14–16 August 2006; pp. 1–7. [Google Scholar]
- Li, L.; Zhao, X.; Tseng, M.; Tan, R. Short-term wind power forecasting based on support vector machine with improved dragonfly algorithm. J. Clean. Prod. 2020, 242, 118447. [Google Scholar] [CrossRef]
- Association for Electrical, Electronic and Information Technologies. Technical Requirements for the Connection and Operation of Customer Installations to the High-Voltage Network VDE; VDE–AR–N 4120:2015–01; Association for Electrical, Electronic and Information Technologies: Frankfurt, Germany, 2018. [Google Scholar]
- The Grid Code; Issue 5 Version 45; National Grid Electricity System Operator Limited: London, UK, June 2020.
- ENTSO-E (European Network of Transmission System Operators). Network Code for Requirements for Grid Connection Applicable to All Generators; ENTSO-E: Brussels, Belgium, March 2013. [Google Scholar]
- CEPRI (China Electric Power Research Institute). Technical Rule for Connecting Wind Farm to Power System (GB/T 19963); CEPRI: Beijing, China, 2011. [Google Scholar]
- CEPRI (China Electric Power Research Institute). Technical Requirements for Connecting Photovoltaic Power Station to Power (GB/T 19964); CEPRI: Beijing, China, 2012. [Google Scholar]
- Xioa, H.; Pei, W.; Dong, Z.; Pu, T.; Chen, N.; Kong, L. Reactive Power Optimization of Distribution Network with Distributed Generation Using Metamodel-based Global Optimization Method. In Proceedings of the 2018 Annual Meeting of the Canadian Society of Ecology and Evolution (CSEE2018), Guelph, ON, Canada, 18–21 July 2018. [Google Scholar]
- Guo, Q.; Wu, J.; Mo, C.; Xu, H. A Model for Multi-objective Coordination Optimization of Voltage and Reactive Power in Distribution Networks Based on Mixed Integer Second-order Cone Programming. In Proceedings of the 2018 Annual Meeting of the Canadian Society of Ecology and Evolution (CSEE2018), Guelph, ON, Canada, 18–21 July 2018. [Google Scholar]
- Xie, J.; Liang, C.; Xiao, Y. Reactive Power Optimization for Distribution Network Based on Distributed Random Gradient-Free Algorithm. Energies 2018, 11, 534. [Google Scholar] [CrossRef]
- Caramanis, M.; Ntakou, E.; Hogan, W.; Chakrabortty, A.; Schoene, J. Co-Optimization of Power and Reserves in Dynamic T&D Power Markets with Nondispatchable Renewable Generation and Distributed Energy Resources. Proc. IEEE 2016, 104, 807–836. [Google Scholar]
- Zeng, X.; Tao, J.; Zhang, P.; Pan, H.; Wang, Y. Reactive Power Optimization of Wind Farm based on Improved Genetic Algorithm. Energy Procedia 2012, 14, 1362–1367. [Google Scholar] [CrossRef]
- Calderaro, V.; Galdi, V.; Piccolo, A.; Conio, G.; Fusco, R. Wind Farm Power Plant: Optimal Capacitor Placement for Reactive Power Compensation. In Proceedings of the 4th IEEE PES Innovative Smart Grid Technologies Europe (ISGT Europe), Copenhagen, Denmark, 6–9 October 2013; pp. 1–5. [Google Scholar]
- Kiamehr, K.; Hannani, S. Wind farm layout optimization using imperialist competitive algorithm. J. Renew. Sustain. Energy 2014, 6, 043109. [Google Scholar] [CrossRef]
- Ding, T.; Liu, S.; Yuan, W.; Bie, Z.; Zeng, B. A Two-Stage Robust Reactive Power Optimization Considering Uncertain Wind Power Integration in Active Distribution Networks. IEEE Trans. Sustain. Energy 2016, 7, 301–311. [Google Scholar] [CrossRef]
- Tu, R.; Zhao, C.; Liu, Z.; Cui, Y.; Xie, W.; Zhou, D. Research of reactive power control strategy to reduce the reactive power exchange of AC and DC power grid. J. Eng. 2017, 13, 751–755. [Google Scholar]
- Zhang, C.; Chen, H.; Shi, K.; Liang, Z.; Mo, W.; Hua, D. A Multi-time Reactive Power Optimization Under Interval Uncertainty of Renewable Power Generation by an Interval Sequential Quadratic Programming Method. IEEE Trans. Sustain. Energy 2019, 10, 1086–1097. [Google Scholar] [CrossRef]
- Arefifar, S.; Mohamed, Y. Probabilistic Optimal Reactive Power Planning in Distribution Systems With Renewable Resources in Grid-Connected and Islanded Modes. IEEE Trans. Ind. Electron. 2014, 61, 5830–5839. [Google Scholar] [CrossRef]
- Zhang, C.; Chen, H.; Liang, Z.; Guo, M.; Hua, D.; Ngan, H. Reactive Power Optimization Under Interval Uncertainty by the Linear Approximation Method and Its Modified Method. IEEE Trans. Smart Grid 2018, 9, 4587–4600. [Google Scholar] [CrossRef]
- Xu, X.; Chen, Q. Research on reactive power compensation algorithm based on game theory in wind farm. Key Eng. Mater. 2010, 439–440, 989–993. [Google Scholar] [CrossRef]
- Keane, A. Information gap decision theory based congestion and voltage management in the presence of uncertain wind power. IEEE Trans. Sustain. Energy 2016, 7, 841–849. [Google Scholar]
- Liu, L.; Li, H.; Xue, Y.; Liu, W. Reactive Power Compensation and Optimization Strategy for Grid-Interactive Cascaded Photovoltaic Systems. IEEE Trans. Power Electron. 2015, 30, 188–202. [Google Scholar] [CrossRef]
- Cao, J.; Zhang, W.; Xiao, Z.; Hua, H. Reactive Power Optimization for Transient Voltage Stability in Energy Internet via Deep Reinforcement Learning Approach. Energies 2019, 12, 3390. [Google Scholar] [CrossRef]
- Huang, Q.; Vittal, V. Application of electromagnetic transient-transient stability hybrid simulation to FIDVR study. IEEE Trans. Power Syst. 2016, 31, 2634–2646. [Google Scholar] [CrossRef]
- Yang, H.; Liao, J. MF-APSO-Based Multiobjective Optimization for PV System Reactive Power Regulation. IEEE Trans. Sustain. Energy 2015, 6, 1346–1355. [Google Scholar] [CrossRef]
- Rather, Z.; Chen, Z.; Thøgersen, P.; Lund, P. Dynamic Reactive Power Compensation of Large-Scale Wind Integrated Power System. IEEE Trans. Power Syst. 2015, 30, 2516–2526. [Google Scholar] [CrossRef]
- Bonfiglio, A.; Brignone, M.; Delfino, F.; Procopio, R. Optimal Control and Operation of Grid-Connected Photovoltaic Production Units for Voltage Support in Medium-Voltage Networks. IEEE Trans. Sustain. Energy 2014, 5, 254–263. [Google Scholar] [CrossRef]
- Jin, D.; Chiang, H.; Li, P. Two-Timescale Multi-Objective Coordinated Volt/Var Optimization for Active Distribution Networks. IEEE Trans. Power Syst. 2019, 34, 4418–4428. [Google Scholar] [CrossRef]
- Arthur, D. K-means++: The advantages of careful seeding. In Proceedings of the Eighteenth Annual ACM-SIAM Symposium on Discrete Algorithms, New Orleans, LA, USA, 7–9 January 2007. [Google Scholar]
- Lin, L.; Pan, X.; Zhang, L.; Zhao, S. The K-means Clustering Algorithm for Wind Farm Based on Immune-outlier Data and Immune-sensitive Initial Center, k-means clustering algorithm. In Proceedings of the World Congress on Civil, Structural, and Environmental Engineering (CSEE 2016), Prague, Czech Republic, 30–31 March 2016. [Google Scholar]
- Liu, M.; Pan, W.; Zhang, Y.; Zhao, K.; Zhang, S.; Liu, T. A Dynamic Equivalent Model for DFIG-Based Wind Farms. IEEE Access 2019, 7, 74931–74940. [Google Scholar] [CrossRef]
- Alkaabi, S.; Zeineldin, H.; Khadkikar, V. Short-Term Reactive Power Planning to Minimize Cost of Energy Losses Considering PV Systems. IEEE Trans. Smart Grid 2019, 10, 2923–2935. [Google Scholar] [CrossRef]
- Hatziargyriou, N.; Karakatsanis, T.; Lorentzou, M. Voltage control settings to increase wind power based on probabilistic load flow. In Proceedings of the 2004 International Conference on Probabilistic Methods Applied to Power Systems, Ames, IA, USA, 12–16 September 2004. [Google Scholar]
- Koutsoukis, N.; Georgilakis, P.; Hatziargyriou, N. Active distribution network planning based on a hybrid genetic algorithm-nonlinear programming method. Open Access Proc. J. 2017, 1, 2065–2068. [Google Scholar] [CrossRef][Green Version]
- Bonami, P.; Biegler, L.; Conn, A. An algorithmic framework for convex mixed integer nonlinearprograms. Discret. Optim. 2008, 5, 186–204. [Google Scholar] [CrossRef]
- Liu, J.; Liu, S. Optimal Distributed Generation Allocation in Distribution Network Based on Second Order Conic Relaxation and Big-M Method. Power Syst. Technol. 2018, 8, 2604–2611. [Google Scholar]
- Farivar, M.; Low, S. Branch flow model: Relaxations and convexification—Part I. IEEE Trans. Power Syst. 2013, 28, 2554–2564. [Google Scholar] [CrossRef]
- Li, J.; Xin, H.; Wei, W.; Dai, W. Decentralized conic optimization of reactive power considering uncertainty of renewable energy sources. IET Renew. Power Gener. 2016, 10, 1348–1355. [Google Scholar] [CrossRef]
- Hong, S.; Cheng, H.; Zeng, P.; Zhang, J.; Lu, J. Composite generation and transmission expansion planning with second order conic relaxation of AC power flow. In Proceedings of the 2016 IEEE PES Asia-Pacific Power and Energy Engineering Conference (APPEEC), Xi’an, China, 25–28 October 2016. [Google Scholar]
- Baradar, M.; Hesamzadeh, M. AC Power Flow Representation in Conic Format. IEEE Trans. Power Syst. 2015, 30, 546–547. [Google Scholar] [CrossRef]
- Chen, J.S. Two classes of merit functions for the second-order cone complementarity problem. Math. Methods Oper. Res. 2006, 64, 495–519. [Google Scholar] [CrossRef]
- Pan, S.; Kum, S.; Lim, Y. On the generalized Fischer Burmeister merit function for the second-order cone complementarity problem. Math. Comput. 2014, 83, 1143–1171. [Google Scholar] [CrossRef][Green Version]
- National Development and Reform Commission. Notice on Adjusting the On-Grid Electricity Price of Photovoltaic Power Generation Onshore Wind Power; National Development and Reform Commission: Beijing, China, 26 December 2016.
- Gianfreda, A.; Parisio, L.; Pelagatti, M. Revisiting long-run relations in power markets with high RES penetration. Energy Policy 2016, 94, 432–445. [Google Scholar] [CrossRef]
- Anastasiadis, A.; Kondylis, G.; Papadimitriou, C.; Polyzakis, A.; Vokas, G.; Psomopoulos, C. Maximum Power Photovoltaic Units Penetration under Voltage Constraints Criteria in Distribution Network Using Probabilistic Load Flow. Energy Procedia 2019, 157, 578–585. [Google Scholar] [CrossRef]







| Location | Capacity (MW) | The Whole Year Network Loss (MWh) | SVG Cost and Loss Cost, Solution from Equation (19) | Maximum Voltage Deviation (p.u.) |
|---|---|---|---|---|
| (1) | 20 | 19,261.7 | 18,375.01 | 1.50% |
| (3) | 5 | |||
| (11) | 12 | |||
| (22) | 5 | |||
| (25) | 20 | |||
| (36) | 5 | |||
| (42) | 2.5 |
| Evaluation Item | Location | Capacity (MW) | The Whole Year Network Loss (MWh) | SVG Cost and Loss Cost, Solution from Equation (19) | Maximum Voltage Deviation (p.u.) |
|---|---|---|---|---|---|
| Scenario 1 | (1) | 20 | 17,677.37 | 11,536.91 | 2.00% |
| (3) | 5 | ||||
| (11) | 12 | ||||
| (22) | 7 | ||||
| (25) | 9 | ||||
| (36) | 4.5 | ||||
| Scenario 2 | (1) | 5.5 | 12,491.85 | 8066.01 | 5.00% |
| (3) | 5.4 | ||||
| (11) | 10 | ||||
| (25) | 18 | ||||
| Scenario 3 | (1) | 17 | 25,240.58 | 14,877.88 | 2.50% |
| (3) | 5.2 | ||||
| (11) | 12 | ||||
| (22) | 7 | ||||
| (25) | 9 | ||||
| Scenario 4 | (1) | 20 | 23,884.46 | 13,853.38 | 3.80% |
| (3) | 4 | ||||
| (11) | 7 | ||||
| (25) | 12 | ||||
| Scenario 5 | (1) | 6.9 | 15,956.82 | 9843.84 | 3.00% |
| (3) | 5.6 | ||||
| (11) | 10 | ||||
| (25) | 18 | ||||
| Scenario 6 | (1) | 20 | 30,408.18 | 18,375.01 | 1.50% |
| (3) | 5 | ||||
| (11) | 12 | ||||
| (22) | 5 | ||||
| (25) | 20 | ||||
| (36) | 5 | ||||
| (42) | 2.5 | ||||
| Multiscenario with probability | (1) | 19 | 16,768.82 | 10,916.72 | 2% |
| (3) | 5 | ||||
| (11) | 12 | ||||
| (25) | 18 |
© 2020 by the authors. Licensee MDPI, Basel, Switzerland. This article is an open access article distributed under the terms and conditions of the Creative Commons Attribution (CC BY) license (http://creativecommons.org/licenses/by/4.0/).
Share and Cite
Qu, L.; Zhang, S.; Lin, H.-C.; Chen, N.; Li, L. Multiobjective Reactive Power Optimization of Renewable Energy Power Plants Based on Time-and-Space Grouping Method. Energies 2020, 13, 3556. https://doi.org/10.3390/en13143556
Qu L, Zhang S, Lin H-C, Chen N, Li L. Multiobjective Reactive Power Optimization of Renewable Energy Power Plants Based on Time-and-Space Grouping Method. Energies. 2020; 13(14):3556. https://doi.org/10.3390/en13143556
Chicago/Turabian StyleQu, Linan, Shujie Zhang, Hsiung-Cheng Lin, Ning Chen, and Lingling Li. 2020. "Multiobjective Reactive Power Optimization of Renewable Energy Power Plants Based on Time-and-Space Grouping Method" Energies 13, no. 14: 3556. https://doi.org/10.3390/en13143556
APA StyleQu, L., Zhang, S., Lin, H.-C., Chen, N., & Li, L. (2020). Multiobjective Reactive Power Optimization of Renewable Energy Power Plants Based on Time-and-Space Grouping Method. Energies, 13(14), 3556. https://doi.org/10.3390/en13143556

