Characteristics of Radioactive Effluent Releases from Pressurized Water Reactors after Permanent Shutdown
Abstract
1. Introduction
2. Methodology
2.1. Data Collection of Radioactive Effleunt from Decommissioning NPPs
- Airborne effluent: , , , , and ; and
- Liquid effluent: , , , and .
2.2. Mann-Kendall Trend Test
2.3. Source Term Modeling of Radioactive Effluent after Permanent Shutdown
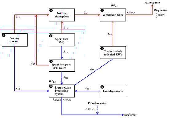
2.3.1. Modeling of Potential Compartments and Release Paths of RNs
2.3.2. Effect of Decommissioning Strategies and Activities on Radioactive Discharges
- Phase T: Transition phase in which SF is removed, primary circuits are drained, operational waste is conditioned, and cleaning and decontamination are conducted for both immediate and deferred dismantling. For deferred dismantling strategy, however, initial dismantling of some parts of the facility and early processing of some radioactive material and its removal from the facility, as preparatory steps for the safe storage of the remaining parts of the facility [35]. Hence, the radioactive discharges in Phase T are to be varied due to intermittent preparative measures such as drainage of circuits and defueling conducted (see Argument 9A in Section 2.3.4).
- Phase DI: Immediate dismantling phase in which SSCs are actively dismantled and decontaminated in a relatively short time, which may guarantee fluctuations of radioactive discharges in this phase (see Argument 9B in Section 2.3.4).
- Phase S: Safe enclosure phase for deferred dismantling strategy in which all or part of facility is placed or preserved in such a condition that it can be put in safe storage and the facility maintained until it is subsequently decontaminated and/or dismantled [36]. Stabilized and gradual decreasing trend of radioactive effluent due to radioactive decay under safe storage is expected for Phase S (see Argument 9C in Section 2.3.4).
- Phase DD: Final dismantling phase for deferred dismantling strategy in which SSCs are actively dismantled and decontaminated after safe enclosure phase. The same argument for fluctuations of radioactive discharges in Phase DI is applicable to Phase DD as well (see Argument 9D in Section 2.3.4).
2.3.3. Potential Change of Effluent Discharge Conditions during Decommissioning
2.3.4. Major Arguments from Source Term Modeling
3. Results and Discussion
3.1. Results of Mann-Kendall Trend Test for Radioactive Efflunet after Permanent Shutdown
3.2. Qualitative Analysis of Radioactive Effluent after Permanent Shutdown
3.2.1. Characteristics of Airborne Radioactive Effluent Discharge
3.2.2. Characteristics of Liquid Radioactive Effluent Discharge
3.3. Implications of Varying Discharge Conditions of Liquid Effluent
3.4. Interpretation of Effluent Data after Permanent Shutdown to Termination of Monitoring Program
4. Conclusions
Author Contributions
Funding
Conflicts of Interest
References
- International Atomic Energy Agency. Nuclear Power Reactors in the World; Reference Data Series No.2; IAEA: Vienna, Austria, 2019. [Google Scholar]
- Volk, R.; Hübner, F.; Hünlich, T.; Schultmann, F. The future of nuclear decommissioning–a worldwide market potential study. Energy Policy 2019, 124, 226–261. [Google Scholar] [CrossRef]
- Duke Energy. Crystal River Unit 3-2018 Annual Radioactive Effluent Release Report; USNRC: Washington, DC, USA, 2019. [Google Scholar]
- Canadian Nuclear Safety Commission. Radioactive Release Data from Canadian Nuclear Power Plants 2001-10; CNSC: Ottawa, ON, Canada, 2012.
- Nuclear Regulation Authority. Radiation Management Report on Nuclear Facilities in 2017; NRA: Tokyo, Japan, 2018.
- International Atomic Energy Agency. Radiation Protection and Safety of Radiation Sources: International Basic Safety Standards; General Safety Requirements No. GSR Part 3; IAEA: Vienna, Austria, 2014. [Google Scholar]
- International Atomic Energy Agency. Regulatory Control of Radioactive Discharges to the Environment; General Safety Guide No. GSG-9; IAEA: Vienna, Austria, 2018. [Google Scholar]
- United States Nuclear Regulatory Commission. Generic Environmental Impact Statement on Decommissioning of Nuclear Facilities: Regarding the Decommissioning of Nuclear Power Reactors; NUREG-0586; USNRC: Washington, DC, USA, 2002; Volume 1, Supplement 1.
- United States Nuclear Regulatory Commission. Measuring, Evaluating, and Reporting Radioactive Material in Liquid and Gaseous Effluents and Solid Waste; Regulatory Guide 1.21, Revision 2; USNRC: Washington, DC, USA, 2009.
- Environment Agency. Monitoring of Radioactive Releases to Atmosphere from Nuclear Facilities; Technical Guidance Note M11; EA: London, UK, 1999. [Google Scholar]
- Environment Agency. Monitoring of Radioactive Releases to Water from Nuclear Facilities; Technical Guidance Note M12; EA: London, UK, 1999. [Google Scholar]
- Nuclear Safety Standards Commission. Monitoring the Discharge of Radioactive Gases and Airborne Radioactive Particulates, Part 1: Monitoring the Discharge of Radioactive Matter with the Stack Exhaust Air During Specified Normal Operation; KTA 1503.1; KTA: Salzgitter, Germany, 2016. [Google Scholar]
- Nuclear Safety Standards Commission. Monitoring and Assessing the Discharge of Radioactive Substances with Water; KTA 1504: Salzgitter, Germany, 2017. [Google Scholar]
- Jason, T.; David, W. Radiological effluents released by U.S. commercial NPP from 1995–2005. Health Phys. 2008, 95, 734–743. [Google Scholar]
- Kong, T.Y.; Kim, S.Y.; Lee, Y.J.; Son, J.K.; Maeng, S.J. Radioactive effluents released from Korean nuclear power plants and the resulting radiation doses to members of the public. Nucl. Eng. Technol. 2017, 49, 1772–1777. [Google Scholar] [CrossRef]
- HOLTEC. Notification of Revised Post-Shutdown Decommissioning Activities Report and Revised Site-Specific Decommissioning Cost Estimate for Oyster Creek Nuclear Generating Station; USNRC: Washington, DC, USA, 2018. [Google Scholar]
- Bonavigo, L.; Salve, M.D.; Zucchetti, M.; Annunziata, D. The decommissioning of trino nuclear power Plant environmental radiological impact of liquid and gaseous effluents. Environ. Appl. Sci. 2010, 5, 379–390. [Google Scholar]
- The United Nations Scientific Committee on the Effects of Atomic Radiation (UNSCEAR). Sources and Effects of Ionizing Radiation, UNSCEAR 2000 Report to the General Assembly, with Scientific Annexes; UNSCEAR: Vienna, Austria, 2000. [Google Scholar]
- International Atomic Energy Agency. Database on Discharges of Radionuclides to the Atmosphere and the Aquatic Environment. Available online: https://dirata.iaea.org/ (accessed on 21 March 2020).
- European Commission. Radioactive Effluents from Nuclear Power Stations and Nuclear Fuel Reprocessing Sites in the European Union, 2004–2008; RP-164; EC: Luxembourg, 2006. [Google Scholar]
- European Commission. Radioactive Effluents from Nuclear Power Stations and Nuclear Fuel Reprocessing Sites in the European Union, 1999–2003; RP-143; EC: Luxembourg, 2005. [Google Scholar]
- European Commission. Radioactive Effluents from Nuclear Power Stations and Nuclear Fuel Reprocessing Sites in the European Union, 1995–1999; RP-127; EC: Luxembourg, 2001. [Google Scholar]
- International Atomic Energy Agency. RAdioactive Discharges Databases (RADD). Available online: https://europa.eu/radd/ (accessed on 21 March 2020).
- OSPAR Commission. Liquid Discharges from Nuclear Installations in 2016; Expert Assessment Panel of the OSPAR Radioactive Substances Committee: London, UK, 2018. [Google Scholar]
- United States Nuclear Regulatory Commission. Radioactive Material from Nuclear Power Plants; NUREG/CR-2907; USNRC: Washington, DC, USA, 1994; Volume 14.
- Korea Hydro and Power Co., Ltd. Environmental Radiation Monitoring and Assessment Report; KHNP: Gyeongju, Korea, 2018. [Google Scholar]
- Environmental Protection Agency. Guidance for Data Quality Assessment: Practical Methods for Data Analysis; EPA QA/G-9; EPA: Washington, DC, USA, 2000. [Google Scholar]
- Okafor, G.C.; Jimoh, O.D.; Larbi, K.I. Detecting changes in hydro-climatic variables during the last four decades (1975-2014) on downstream Kaduna river catchment, Nigeria. Atmos. Clim. Sci. 2017, 7, 161–175. [Google Scholar] [CrossRef]
- Kishi, O.; Ay, M. Comparison of Mann–Kendall and innovative trend method for water quality parameters of the Kizilirmak river, Turkey. Hydrology 2014, 513, 362–375. [Google Scholar] [CrossRef]
- Gocic, M.; Trajkovic, S. Analysis of changes in meteorological variables using MK and Sen’s slope estimator statistical tests in Serbia. Glob. Planet. Chang. 2013, 100, 172–182. [Google Scholar] [CrossRef]
- International Atomic Energy Agency. Radiological Characterization of Shutdown Nuclear Reactors for Decommissioning Purposes; Technical Report Series No. 389; IAEA: Vienna, Austria, 1998. [Google Scholar]
- United States Nuclear Regulatory Commission. Offsite Dose Calculation Manual Guidance: Standard Radiological Effluent Controls for Pressurized Water Reactors; NUREG-1301; USNRC: Washington, DC, USA, 1991.
- Hugo, B.R. Modeling Evaporation from Spent Nuclear Fuel Storage Pools: A Diffusion Approach. Ph.D. Thesis, Washington State University, Washington, DC, USA, 2015. [Google Scholar]
- United States Nuclear Regulatory Commission. Calculation of Releases of Radioactive Materials in Gaseous and Liquid Effluents from Pressurized Water Reactors; NUREG-0017, Revision 1; USNRC: Washington, DC, USA, 1985.
- International Atomic Energy Agency. Safety Considerations in the Transition from Operation to Decommissioning of Nuclear Facilities; Safety Report Series No. 36; IAEA: Vienna, Austria, 2004. [Google Scholar]
- International Atomic Energy Agency. Decommissioning Facilities Decommissioning Strategy; General Safety Requirements No. GSR Part 6; IAEA: Vienna, Austria, 2014. [Google Scholar]
- Nuclear Safety and Security Commission. Standards for Radiation Protection, Etc.; NSSC 2019-10; NSSC: Seoul, Korea, 2019. [Google Scholar]
- Korea Hydro and Power Co., Ltd. APR1400 Design Control Document Tire 2, Auxiliary Systems; Revision 3; USNRC: Washington, DC, USA, 2018. [Google Scholar]
- United States Nuclear Regulatory Commission. Methods for Estimating Atmospheric Transport And Dispersion of Gaseous Effluents In Routine Releases From Light-Water-Cooled Reactors; Regulatory Guide 1.111, Revision 1; USNRC: Washington, DC, USA, 1977.
- Electric Power Research Institute. Rancho Seco Decommissioning Experience Report Detailed Experiences 1989–2007; EPRI: Palo Alto, CA, USA, 2007. [Google Scholar]
- United States Nuclear Regulatory Commission (USNRC). Available online: https://www.nrc.gov/info-finder/decommissioning/power-reactor/ (accessed on 21 March 2020).
- SOGIN. Available online: https://www.sogin.it/en/closureoftheitaliannuclearcycle/italian-nuclear-sites/trinonuclearpowerplant/Pagine/default.aspx (accessed on 22 March 2020).
- Niedersachsen. Available online: https://www.umwelt.niedersachsen.de/startseite/themen/atomaufsicht_amp_strahlenschutz/kerntechnische_anlagen/stillgelegte_anlagen_stade/sachstandsinformation-zum-kernkraftwerk-stade-8850.html (accessed on 22 March 2020).
- Enresa. Available online: http://www.enresa.es/eng/index/activities-and-projects/dismantling-and-environmental-restoration/dismantling-of-the-jose-cabrera-nuclear-power-plant (accessed on 22 March 2020).
- International Atomic Energy Agency (IAEA). Decommissioning of Pools in Nuclear Facilities; Nuclear Energy Series No. NW-T-2.6; IAEA: Vienna, Austria, 2015. [Google Scholar]
- United States Nuclear Regulatory Commission. Available online: https://www.nrc.gov/info-finder/decommissioning/power-reactor/san-onofre-unit-1.html (accessed on 21 March 2020).
- Electric Power Research Institute. San Onofre Nuclear Generating Station Unit 1 Decommissioning Experience Report Detailed Experiences 1999–2008; EPRI: Palo Alto, CA, USA, 2008. [Google Scholar]
- EDISON. Defueled Safety Analysis Report San Onofre Nuclear Generating Station Unit 1; USNRC: Washington, DC, USA, 2018. [Google Scholar]










| No. | Data Source (1) | Scope | Ref. | Categories of RNs in Effluent (2) | |||||||||||||
|---|---|---|---|---|---|---|---|---|---|---|---|---|---|---|---|---|---|
| Airborne | Liquid | ||||||||||||||||
| D1 | UNSCEAR | World | [18] | ○ | ○ | ○ | ○ | ○ | ○ | ||||||||
| D2 | DIRATA | World | [19] | ○ | ○ | ○ | ○ | ○ | ○ | ○ | ○ | ○ | ○ | ||||
| D3 | ECRP (3) | Europe | [20] | ○ | ○ | ○ | ○ | ○ | ○ | ○ | ○ | ○ | ○ | ||||
| D4 | RADD | Europe | [23] | ○ | ○ | ○ | ○ | ○ | ○ | ○ | ○ | ○ | ○ | ||||
| D5 | OSPAR | Europe | [24] | ○ | ○ | ○ | |||||||||||
| D6 | ARERRs (4) | USA | [3] | ○ | ○ | ○ | ○ | ○ | ○ | ○ | ○ | ○ | ○ | ||||
| D7 | USNRC | USA | [25] | ○ | ○ | ○ | ○ | ||||||||||
| D8 | NRA | JPN | [5] | ○ | ○ | ○ | ○ | ||||||||||
| D9 | CNSC | CAN | [4] | ○ | ○ | ○ | ○ | ○ | ○ | ○ | ○ | ||||||
| D10 | KHNP | KOR | [26] | ○ | ○ | ○ | ○ | ○ | ○ | ○ | ○ | ○ | ○ | ||||
| No. | Unit of NPP (1) | Shutdown | Strategy (2) | Data Source (3) | Period of Used Data | Type of Analysis (4) | ||
|---|---|---|---|---|---|---|---|---|
| 1 | Crystal River-3 | 2013 | DD | D6 | 2006–2018 | ○ | ○ | ○ |
| 2 | Fort Calhoun | 2016 | DD | D6 | 2006–2018 | ○ | ||
| 3 | Haddam Neck | 1996 | ID | D6, D7 | 1974–2011 | ○ | ||
| 4 | Kewaunee | 2013 | DD | D6 | 2006–2018 | ○ | ○ | ○ |
| 5 | Maine Yankee | 1997 | ID | D6, D7 | 1974–2018 | ○ | ||
| 6 | Rancho Seco | 1989 | DD | D6, D7 | 1974–2017 | ○ | ○ | |
| 7 | San Onofre-1 | 1992 | DD to ID (5) | D6, D7 | 1974–2006 | ○ | ○ | |
| 8 | San Onofre-2 | 2013 | ID | D6, D7 | 2006–2018 | ○ | ○ | |
| 9 | San Onofre-3 | 2013 | ID | D6, D7 | 2006–2018 | ○ | ○ | |
| 10 | Yankee NPS | 1991 | ID | D6, D7 | 1974–2012 | |||
| 11 | Zion-1 | 1998 | DD | D6, D7 | 1974–2017 | ○ | ||
| 12 | Zion-2 | 1998 | DD | D6, D7 | 1974–2017 | ○ | ||
| 13 | Biblis-A | 2011 | ID | D3, D4 | 1995–2018 | ○ | ||
| 14 | Biblis-B | 2011 | ID | D3, D4 | 1995–2018 | ○ | ||
| 15 | Grafenrheinfeld | 2015 | ID | D3, D4 | 1995–2018 | |||
| 16 | Greifswald-1 | 1990 | ID | D3, D4 | 1999–2018 | ○ | ||
| 17 | Greifswald-2 | 1990 | ID | D3, D4 | 1999–2018 | ○ | ||
| 18 | Greifswald-3 | 1990 | ID | D3, D4 | 1999–2018 | ○ | ||
| 19 | Greifswald-4 | 1990 | ID | D3, D4 | 1999–2018 | ○ | ||
| 20 | Greifswald-5 | 1989 | ID | D3, D4 | 1999–2018 | ○ | ||
| 21 | Muelheim-Kaerlich | 1988 | Other | D3, D4 | 1999–2018 | ○ | ||
| 22 | Neckarwestheim-1 | 2011 | ID | D3, D4 | 1995–2018 | ○ | ||
| 23 | Obrigheim | 2005 | ID | D3, D4 | 1995–2018 | ○ | ||
| 24 | Rheinsberg | 1990 | ID | D3, D4 | 1999–2018 | ○ | ||
| 25 | Stade | 2003 | ID | D3, D4 | 1995–2018 | ○ | ○ | |
| 26 | Unterweser | 2011 | ID | D3, D4 | 1995–2018 | ○ | ||
| 27 | Trino | 1990 | ID | D3, D4 | 2001–2018 | ○ | ○ | |
| 28 | Jose Cabrera-1 | 2006 | ID | D3, D4 | 1995–2018 | ○ | ○ | |
| Symbol (1) | Unit | Description | |
|---|---|---|---|
| Applicable Major RNs | Applicable Period or Meaning | ||
| Volatile RNs ( and ) | Until primary coolant is drained | ||
| All RNs in airborne effluent (2) | Until SF is shipped out | ||
| Volatile RNs ( and ) | Until SFP water is drained. | ||
| All RNs in liquid effluent | When primary coolant is drained | ||
| All RNs in liquid effluent | Until SF is shipped out | ||
| All RNs in liquid effluent | When SFP water is drained | ||
| All RNs in airborne effluent (2) | Until ventilation system is in operation | ||
| All RNs in liquid effluent | When wet dismantling or decontamination process is conducted | ||
| All RNs in liquid effluent | When laundry or shower area is in operation | ||
| , , and (2) | When dry dismantling or decontamination process is conducted | ||
| All RNs in airborne effluent (2) | Until ventilation system is in operation | ||
| All RNs in liquid effluent | When liquid waste processing or discharge system is in operation | ||
| [34] | - | (3) | Decontamination factor for airborne RN i |
| [34] | - | Removable RNs ( and ) | Decontamination factor for liquid RN i |
| - | Flow rate of liquid waste | ||
| - | Flow rate of dilution water supplied by cooling water pumps | ||
| No. | Argument | Applicability |
|---|---|---|
| 1 | Generally decreasing trend of radioactive effluent releases from PS to LT | , , , , , , , , and (except short-lived , , , and ) |
| 2 | Enhanced homogeneity of composition of RNs in effluent streams after PS | , , , , , , , , and (except short-lived , , , and ) |
| 3A | No release of short-lived radioiodines (except 129I) in a very short period after PS | and (except 129I) |
| 3B | No release of short-lived fission gases (except 85Kr) in a very short period after PS | and (except 85Kr) |
| 4 | Enhanced release of airborne RNs with defueling | , , , , and (except short-lived and ) |
| 5 | Enhanced release of airborne RNs with shipping out SF | , , , , and (except short-lived and ) |
| 6 | Enhanced release of liquid RNs with drainage of primary coolant or SFP water | , , , and (except short-lived and ) |
| 7A | Release of airborne RNs with dry processes for decontamination and dismantling | , , , , and (except short-lived and ) |
| 7B | Release of liquid RNs with wet processes for decontamination and dismantling | , , , and (except short-lived and ) |
| 8 | High correlation between relative fractions of airborne and liquid tritium discharged | and |
| 9A | High variations in releases of RNs in Phase T | , , , , , , , , and (except short-lived , , , and ) |
| 9B | High variations in releases of RNs in Phase DI | , , , , , , , , and (except short-lived , , , and ) |
| 9C | Stabilized and gradual decreasing trend of RNs released in Phase S | , , , , , , , and (except short-lived , , , and ) |
| 9D | High variations in releases of RNs in Phase DD | , , , , , , , , and (except short-lived , , , and ) |
| 10 | Much variable rate of waste water flow (f) and generally decreasing trend of dilution flow (F) after PS | Dilution factor to be generally reduced |
| No. | Strategy | Time/Period | Plant Status or Conducted Activities | Reference |
|---|---|---|---|---|
| 1 | SAFSTOR | 30 November 1992 | Permanent shutdown | [46] |
| 2 | 6 March 1993 | Complete defueling of reactor core | [46] | |
| 3 | 4 August 1993 | Termination of airborne batch release | [3] (1) | |
| 4 | 15 December 1998 | Submission of PSDAR (2) | [46] | |
| 5 | DECON | 1999–2002 | Removal of large components | [47] |
| 6 | 2001–2002 | Segmentation and removal of RPV (3) internal | [47] | |
| 7 | 2003–2005 | Transfer of SF from SFP to ISFSI (4) | [47] | |
| 8 | 2003–2006 | Containment removal and decontamination | [47] | |
| 9 | 2004–2005 | Draining SFP water | [47] | |
| 10 | 31 August 2004 | All fuel was transferred to the ISFSI | [3] | |
| 11 | 3rd Quarter 2005 | Termination of liquid batch release | [3] | |
| 12 | 2005–2006 | Removal of fuel storage building | [3] | |
| 13 | 16 October 2006 | Termination of liquid continuous release | [3] | |
| 14 | 27 November 2006 | Termination of airborne continuous release | [3] | |
| 15 | 29 November 2006 | All remaining monitored effluent pathways were permanently removed from service | [3] |
© 2020 by the authors. Licensee MDPI, Basel, Switzerland. This article is an open access article distributed under the terms and conditions of the Creative Commons Attribution (CC BY) license (http://creativecommons.org/licenses/by/4.0/).
Share and Cite
Kang, J.S.; Cheong, J.H. Characteristics of Radioactive Effluent Releases from Pressurized Water Reactors after Permanent Shutdown. Energies 2020, 13, 2436. https://doi.org/10.3390/en13102436
Kang JS, Cheong JH. Characteristics of Radioactive Effluent Releases from Pressurized Water Reactors after Permanent Shutdown. Energies. 2020; 13(10):2436. https://doi.org/10.3390/en13102436
Chicago/Turabian StyleKang, Ji Su, and Jae Hak Cheong. 2020. "Characteristics of Radioactive Effluent Releases from Pressurized Water Reactors after Permanent Shutdown" Energies 13, no. 10: 2436. https://doi.org/10.3390/en13102436
APA StyleKang, J. S., & Cheong, J. H. (2020). Characteristics of Radioactive Effluent Releases from Pressurized Water Reactors after Permanent Shutdown. Energies, 13(10), 2436. https://doi.org/10.3390/en13102436

