A Four-Winding Inductive Filtering Transformer to Enhance Power Quality in a High-Voltage Distribution Network Supplying Nonlinear Loads
Abstract
1. Introduction
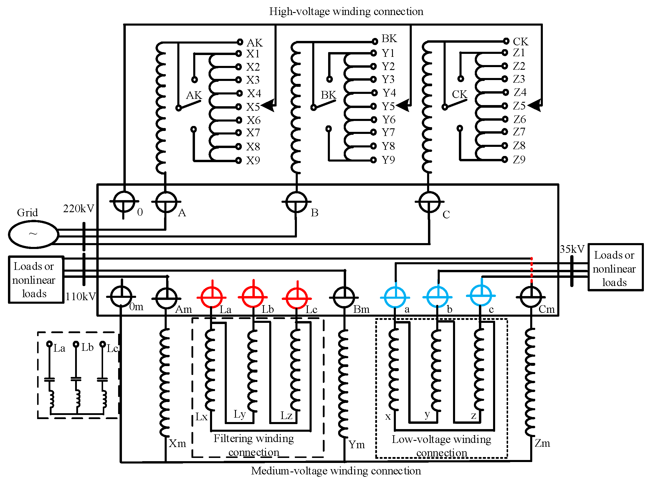
2. New Main Circuit Topology
3. Theoretical Analysis
3.1. Mathematical Model
3.2. Harmonic Current Equation
3.3. Inductive Filtering System Compensation
4. Simulation and Experimental Study
4.1. Experimental Model Description
4.2. Simulation Analysis
4.3. Experimental Results
5. Conclusions
Author Contributions
Funding
Conflicts of Interest
References
- Gazafrudi, S.M.M.; Langerudy, A.T.; Fuchs, E.F.; AI-Haddad, K. Power quality issues in railway electrification: A comprehensive perspective. IEEE Trans. Ind. Electron. 2015, 62, 3081–3090. [Google Scholar] [CrossRef]
- Bubshait, A.S.; Mortezaei, A.; Simoes, M.G.; Busarello, T.D.S. Power Quality Enhancement for a Grid Connected Wind Turbine Energy System. IEEE Trans. Ind. Appl. 2017, 53, 2495–2505. [Google Scholar] [CrossRef]
- Tareen, W.U.K.; Mekhielf, S. Three-Phase Transformerless Shunt Active Power Filter With Reduced Switch Count for Harmonic Compensation in Grid-Connected Applications. IEEE Trans. Powe Electron. 2018, 33, 4868–4881. [Google Scholar] [CrossRef]
- Sheelvant, V.; Kalpana, R.; Singh, B.; Saravana, P.P. Improvement in Harmonic Reduction of a Zigzag Autoconnected Transformer Based 12-Pulse Diode Bridge Rectifier by Current Injection at DC Side. IEEE Trans. Ind. Appl. 2017, 53, 5634–5644. [Google Scholar] [CrossRef]
- Susovan, M.; Dipten, M.; Ambarnath, B.; Biswas, S.K.; Deb, N.K. A New Harmonic Reduced Three-Phase Thyristor-Controlled Reactor for Static VAr Compensators. IEEE Trans. Ind. Electron. 2017, 64, 6898–6907. [Google Scholar]
- Solanki, J.; Fröhleke, N.; Böcker, J. Implementation of Hybrid Filter for 12-Pulse Thyristor Rectifier Supplying High-Current Variable-Voltage DC Load. IEEE Trans. Ind. Electron. 2015, 62, 4691–4701. [Google Scholar] [CrossRef]
- Moran, L.; Albistur, C.A.; Burgos, R. Multimega VAR Passive Filters for Mining Applications: Practical Limitations and Technical Considerations. Trans. Ind. Appl. 2016, 52, 5310–5317. [Google Scholar] [CrossRef]
- Zobaa, A.F.; Aleem, S.H.E.A. A New Approach for Harmonic Distortion Minimization in Power Systems Supplying Nonlinear Loads. IEEE Trans. Ind. Informat. 2014, 10, 1401–1412. [Google Scholar] [CrossRef]
- Abu-Jalala, A.-H.M.; Cox, T.; Gerada, C.; Rashed, M.; Hamiti, T.; Brown, N. Power Quality Improvement of Synchronous Generators Using an Active Power Filter. IEEE Trans. Ind. Appl. 2018, 54, 4080–4090. [Google Scholar] [CrossRef]
- Meng, F.; Yang, W.; Yang, S.; Gao, L. Active Harmonic Reduction for 12-Pulse Diode Bridge Rectifier at DC Side with Two-Stage Auxiliary Circuit. IEEE Trans. Ind. Informat. 2015, 11, 64–73. [Google Scholar] [CrossRef]
- Aleem, S.H.E.A.; Zobaa, A.F.; Aziz, M.M.A. Optimal C-Type Passive Filter Based on Minimization of the Voltage Harmonic Distortion for Nonlinear Loads. IEEE Trans. Ind. Electron. 2012, 59, 281–288. [Google Scholar] [CrossRef]
- Akagi, H.; Isozaki, K. A Hybrid Active Filter for a Three-Phase 12-Pulse Diode Rectifier Used as the Front End of a Medium-Voltage Motor Drive. IEEE Trans. Power Electron. 2012, 27, 69–77. [Google Scholar] [CrossRef]
- Chang, G.W.; Wang, H.-L.; Chu, S.-Y. A Probabilistic Approach for Optimal Passive Harmonic Filter Planning. IEEE Trans. Power Del. 2007, 22, 1790–1798. [Google Scholar] [CrossRef]
- Das, J.C. Passive Filters—Potentialities and Limitations. IEEE Trans. Ind. Appl. 2004, 40, 232–241. [Google Scholar] [CrossRef]
- Mahanty, R. Large value AC capacitor for harmonic filtering and reactive power compensation. IET Gener. Transm. Distrib. 2008, 2, 876–891. [Google Scholar] [CrossRef]
- Hamadi, A.; Rahmani, S.; Al-Haddad, K. A Hybrid Passive Filter Configuration for VAR Control and Harmonic Compensation. IEEE Trans. Ind. Electron. 2010, 57, 2419–2434. [Google Scholar] [CrossRef]
- Salvador, P.; Salmerón, L.P. Reference Voltage Optimization of a Hybrid Filter for Nonlinear Load Compensation. IEEE Trans. Ind. Electron. 2014, 61, 2648–2654. [Google Scholar]
- Wang, L.; Lam, C.-S.; Wong, M.-C. Hybrid Structure of Static Var Compensator and Hybrid Active Power Filter (SVC//HAPF) for Medium-Voltage Heavy Loads Compensation. IEEE Trans. Ind. Electron. 2018, 65, 4432–4442. [Google Scholar] [CrossRef]
- Lee, T.-L.; Wang, Y.-C.; Li, J.-C.; Guerrero, J.M. Hybrid Active Filter With Variable Conductance for Harmonic Resonance Suppression in Industrial Power Systems. IEEE Trans. Ind. Electron. 2015, 62, 746–756. [Google Scholar] [CrossRef]
- Li, Y.; Liu, Q.; Hu, S.; Liu, F.; Cao, Y.; Luo, L.; Rehtanz, C. A virtual impedance comprehensive control strategy for the controllably inductive power filtering system. IEEE Trans. Power Electron. 2017, 32, 920–926. [Google Scholar] [CrossRef]
- Li, Y.; Yao, F.; Cao, Y.; Liu, W.; Liu, F.; Hu, S.; Luo, L.; Zhang, Z.; Chen, Y.; Zhou, G.; et al. An Inductively Filtered Multiwinding Rectifier Transformer and Its Application in Industrial DC Power Supply System. IEEE Trans. Ind. Electron. 2016, 63, 3987–3997. [Google Scholar] [CrossRef]
- Jazebi, S.; León, F.D. Experimentally validated reversible single-phase multiwinding transformer model for the accurate calculation of low-frequency transients. IEEE Trans. Power Del. 2015, 30, 193–201. [Google Scholar] [CrossRef]











| Data | HV-Side | MV-Side | LV-Side | Filtering-Side |
|---|---|---|---|---|
| Nominal capacity | 10 kVA | 10 kVA | 10 kVA | 10 kVA |
| Nominal line-to-line rms voltage | 380 V | 100 V | 100 V | 220 V |
| Nominal current | 15.19 A | 57.73 A | 57.73 A | 26.24 A |
| Connection | YN | yn0 | d11 | d11 |
| Short-circuit impedance | ZK12% = 5.2; ZK13% = 5.78; ZK14% = 2.83; ZK23% = 2.33; ZK24% = 2.27; ZK34% = 2.75; | |||
| Filtering Method | Parameters | 5th | 7th | 11th | 13th |
|---|---|---|---|---|---|
| PF | L (mH) | 26.562 | 13.263 | 5.305 | 3.789 |
| C (μF) | 15.279 | 15.591 | 15.784 | 15.821 | |
| IF | L (mH) | 32.096 | 16.048 | 6.419 | 4.5852 |
| C (μF) | 12.627 | 12.885 | 13.045 | 13.075 |
© 2019 by the authors. Licensee MDPI, Basel, Switzerland. This article is an open access article distributed under the terms and conditions of the Creative Commons Attribution (CC BY) license (http://creativecommons.org/licenses/by/4.0/).
Share and Cite
Chen, Y.; Huang, Z.; Duan, Z.; Fu, P.; Zhou, G.; Luo, L. A Four-Winding Inductive Filtering Transformer to Enhance Power Quality in a High-Voltage Distribution Network Supplying Nonlinear Loads. Energies 2019, 12, 2021. https://doi.org/10.3390/en12102021
Chen Y, Huang Z, Duan Z, Fu P, Zhou G, Luo L. A Four-Winding Inductive Filtering Transformer to Enhance Power Quality in a High-Voltage Distribution Network Supplying Nonlinear Loads. Energies. 2019; 12(10):2021. https://doi.org/10.3390/en12102021
Chicago/Turabian StyleChen, Yuehui, Zhao Huang, Zhenfeng Duan, Pengwu Fu, Guandong Zhou, and Longfu Luo. 2019. "A Four-Winding Inductive Filtering Transformer to Enhance Power Quality in a High-Voltage Distribution Network Supplying Nonlinear Loads" Energies 12, no. 10: 2021. https://doi.org/10.3390/en12102021
APA StyleChen, Y., Huang, Z., Duan, Z., Fu, P., Zhou, G., & Luo, L. (2019). A Four-Winding Inductive Filtering Transformer to Enhance Power Quality in a High-Voltage Distribution Network Supplying Nonlinear Loads. Energies, 12(10), 2021. https://doi.org/10.3390/en12102021
