A Research on Cascaded H-Bridge Module Level Photovoltaic Inverter Based on a Switching Modulation Strategy
Abstract
1. Introduction
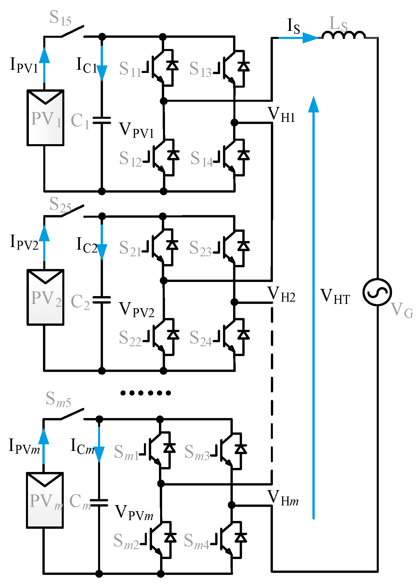
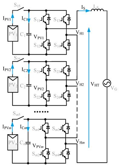
2. System Configuration
3. Review of The Existing Hybrid Modulation Strategy
3.1. The Hybrid Modulation Strategy Containing the Zero State (HMSCZS)
- (1)
- Calculating the voltage error ∆VPVi (I = 1, 2, …, m) at the DC-side of each H-bridge unit:
- (2)
- Sorting the voltage errors in ascending order ([∆VPV1, ∆VPV2, …, ∆VPVm]) at a fixed frequency, fsort.
- (3)
- Mapping for the filtered DC-side voltages derived from the sorted vector of voltage errors ([V1, V2, …, Vm]).
- (4)
- Identifying the voltage area l of Vr based on Equation (2):
- (5)
- Updating the H-bridge units’ operating state. The l − 1 (l = 1, 2, …, m) units with the higher DC-side voltage are selected to be discharged in state “+1” or “−1” (according to the direction of grid-connected current), the lth unit works in the PWM state, and the rest operate in state “0”.
3.2. The Hybrid Modulation Strategy without the Zero State (HMSWZS)
4. The Switching Hybrid Modulation Strategy
4.1. Normal Mode
- (1)
- When (Vr > 0 and IS > 0), (l − 1) units with higher voltage errors are discharging in the “+1” state, (m − l) units with lower voltage errors operate in the “0” state, and the lth unit works in PWM state.
- (2)
- When (Vr > 0 and IS ≤ 0), (l − 1) units with lower voltage errors are charging in the “+1” state, (m − l) units with higher voltage errors operate in the “0” state, and the lth unit works in the PWM state.
- (3)
- When (Vr ≤ 0 and IS > 0), (l − 1) units with lower voltage errors are charging in the “−1” state, (m − l) units with higher voltage errors operate in the “0” state, and the lth unit works in the PWM state.
- (4)
- When (Vr ≤ 0 and IS ≤ 0), (l − 1) units with higher voltage errors are discharging in the “−1” state, (m − l) units with lower voltage errors operate in the “0” state, and the lth unit works in the PWM state.
4.2. Fault Mode
- (1)
- When (Vr > 0 and IS > 0), and the value of (m − l) is even, (m − l)/2 units with lower voltage errors are charging in the “−1” state, the ((m − l + 2)/2)th unit works in the PWM state, and the remaining units operate in the “+1” state.
- (2)
- When (Vr > 0 and IS > 0), and the value of (m − l) is uneven, (m − l − 1)/2 units with lower voltage errors are charging in the “−1” state, the ((m − l + 1)/2)th unit works in the PWM state, and the remaining units operate in the “+1” state.
- (3)
- When (Vr > 0 and IS ≤ 0), and the value of (m − l) is even, (m + l − 2)/2 units with lower voltage errors are charging in the “+1” state, the ((m + l)/2)th unit works in the PWM state, and the remaining units operate in the “−1” state.
- (4)
- When (Vr > 0 and IS ≤ 0), and the value of (m − l) is uneven, (m + l − 1)/2 units with lower voltage errors are charging in the “+1” state, the ((m + l + 1)/2)th unit works in the PWM state, and the remaining units operate in the “−1” state.
- (5)
- When (Vr ≤ 0 and IS > 0), and the value of (m − l) is even, (m + l − 2)/2 units with lower voltage errors are charging in the “−1” state, the ((m + l)/2)th unit works in the PWM state, and the remaining units operate in the “+1” state.
- (6)
- When (Vr ≤ 0 and IS > 0), and the value of (m − l) is uneven, (m + l − 1)/2 units with lower voltage errors are charging in the “−1” state, the ((m + l + 1)/2)th unit works in the PWM state, and the remaining units operate in the “+1” state.
- (7)
- When (Vr ≤ 0 and IS ≤ 0), and the value of (m − l) is even, (m − l)/2 units with lower voltage errors are charging in the “+1” state, the ((m − l + 2)/2)th unit works in the PWM state, and the remaining units operate in the the “−1” state.
- (8)
- When (Vr ≤ 0 and IS ≤ 0), and the value of (m − l) is uneven, (m − l − 1)/2 units with lower voltage errors are charging in the “+1” state, the ((m − l + 1)/2)th unit works in the PWM state, and the remaining units operate in the “−1” state.
5. Simulation Verification
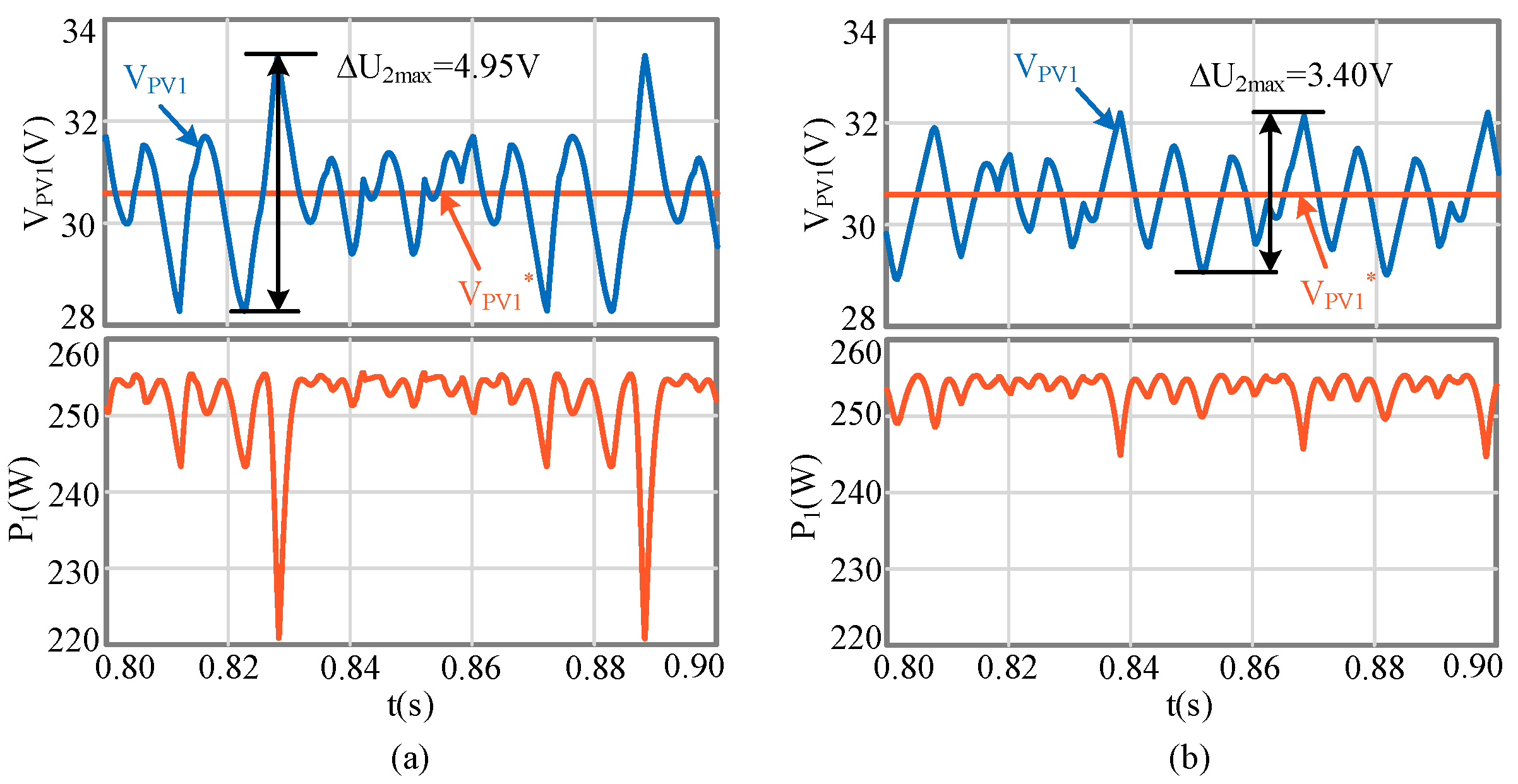
5.1. Normal Mode
5.2. Fault Mode
6. Experimental Results
6.1. Normal Mode
6.2. Fault Mode
7. Conclusions
Author Contributions
Funding
Conflicts of Interest
References
- Schweizer, M.; Friedli, T.; Kolar, J.W. Comparative evaluation of advanced three-phase three-level inverter/converter topologies against two-level systems. IEEE Trans. Ind. Electron. 2012, 60, 5515–5527. [Google Scholar] [CrossRef]
- Villanueva, E.; Correa, P.; Rodríguez, J.; Pacas, M. Control of a single-phase cascaded H-bridge multilevel inverter for grid-connected photovoltaic systems. IEEE Trans. Ind. Electron. 2009, 56, 4399–4406. [Google Scholar] [CrossRef]
- Xiao, B.; Hang, L.; Mei, J.; Riley, C.; Tolbert, L.M.; Ozpineci, B. Modular cascaded H-bridge multilevel PV inverter with distributed MPPT for grid-connected applications. In Proceedings of the IEEE International Conference on Robotics and Automation, New Orleans, LA, USA, 26 April–1 May 2004; pp. 1722–1731. [Google Scholar]
- Mercorelli, P.; Kubasiak, N.; Liu, S. Multilevel bridge governor by using model predictive control in wavelet packets for tracking trajectories. In Proceedings of the IEEE International Conference on Robotics and Automation (ICRA), New Orleans, LA, USA, 26 April–1 May 2004; 2004; Volume 4, pp. 4079–4084. [Google Scholar]
- Townsend, C.D.; Yu, Y.; Konstantinou, G.; Agelidis, V.G. Cascaded H-bridge multilevel PV topology for alleviation of per-phase power imbalances and reduction of second harmonic voltage ripple. IEEE Trans. Power Electron. 2016, 31, 5574–5586. [Google Scholar] [CrossRef]
- Rivera, S.; Kouro, S.; Wu, B.; Leon, J.I.; Rodríguez, J.; Franquelo, L.G. Cascaded H-bridge multilevel converter multistring topology for large scale photovoltaic systems. In Proceedings of the IEEE International Symposium on Industrial Electronics, Gdansk, Poland, 27–30 June 2011; pp. 1837–1844. [Google Scholar]
- Sun, D.; Ge, B.; Yan, X.; Bi, D.; Zhang, H.; Liu, Y.; Peng, F.Z. Modeling, impedance design, and efficiency analysis of quasi-Z source module in cascaded multilevel photovoltaic power system. IEEE Trans. Ind. Electron. 2014, 61, 6108–6117. [Google Scholar] [CrossRef]
- Mercorelli, P.; Kubasiak, N.; Liu, S. Model predictive control of an electromagnetic actuator fed by multilevel PWM inverter. In Proceedings of the 2004 IEEE International Symposium on Industrial Electronics, Ajaccio, France, 4–7 May 2004; Volume 1, pp. 531–535. [Google Scholar]
- Mercorelli, P. A Multilevel inverter bridge control structure with energy storage using model predictive control for flat systems. J. Eng. 2013, 2013, 750190. [Google Scholar] [CrossRef][Green Version]
- Yu, Y.; Konstantinou, G.; Hredzak, B.; Agelidis, V.G. Power balance of cascaded H-bridge multilevel converters for large-scale photovoltaic integration. IEEE Trans. Power Electron. 2016, 31, 292–303. [Google Scholar] [CrossRef]
- Vazquez, S.; Leon, J.I.; Carrasco, J.M.; Franquelo, L.G.; Galvan, E.; Reyes, M.; Dominguez, E. Analysis of the power balance in the cells of a multilevel cascaded H-bridge converter. IEEE Trans. Ind. Electron. 2010, 57, 2287–2296. [Google Scholar] [CrossRef]
- Rezaei, M.A.; Farhangi, S.; Iman-Eini, H. Extending the operating range of cascaded H-bridge based multilevel rectifier under unbalanced load conditions. In Proceedings of the 2010 IEEE International Conference on Power and Energy, Kuala Lumpur, Malaysia, 29 November–1 December 2010; pp. 780–785. [Google Scholar]
- Wang, S.; Zhao, J.; Yao, X.; Sun, Y. Power balanced controlling of cascaded inverter for grid-connected photovoltaic systems under unequal irradiance conditions. Trans. Chin. Electrotech. Soc. 2012, 28, 251–261. [Google Scholar]
- Kouro, S.; Wu, B.; Moya, Á.; Villanueva, E.; Correa, P.; Rodríguez, J. Control of a cascaded H-bridge multilevel converter for grid connection of photovoltaic systems. In Proceedings of the 2009 35th Annual Conference of IEEE Industrial Electronics, Porto, Portugal, 3–5 November 2009; pp. 3976–3982. [Google Scholar]
- Rivera, S.; Wu, B.; Lizana, R.; Kouro, S.; Perez, M.; Rodriguez, J. Modular multilevel converter for large-scale multistring photovoltaic energy conversion system. In Proceedings of the 2013 IEEE Energy Conversion Congress and Exposition, Denver, CO, USA, 15–19 September 2013; pp. 1941–1946. [Google Scholar]
- Rezaei, M.A.; Iman-Eini, H.; Farhangi, S. Grid-connected photovoltaic system based on a cascaded h-bridge inverter. J. Power Electron. 2012, 12, 578–586. [Google Scholar] [CrossRef]
- Liu, L.; Li, H.; Xue, Y.; Liu, W. Reactive power compensation and optimization strategy for grid-interactive cascaded photovoltaic systems. IEEE Trans. Power Electron. 2015, 30, 188–202. [Google Scholar] [CrossRef]
- Eskandari, A.; Javadian, V.; Iman-Eini, H.; Yadollahi, M. Stable operation of grid connected cascaded H-bridge inverter under unbalanced insolation conditions. In Proceedings of the 2013 3rd International Conference on Electric Power and Energy Conversion Systems, Istanbul, Turkey, 2–4 October 2013; pp. 1–6. [Google Scholar]
- Iman-Eini, H.; Schanen, J.L.; Farhangi, S.; Roudet, J. A modular strategy for control and voltage balancing of cascaded H-bridge rectifiers. IEEE Trans. Power Electron. 2008, 23, 2428–2442. [Google Scholar] [CrossRef]
- Keshavarzian, A.; Iman-Eini, H. A redundancy-based scheme for balancing DC-link voltages in cascaded H-bridge rectifiers. IET Power Electron. 2013, 6, 235–243. [Google Scholar] [CrossRef]
- Moosavi, M.; Farivar, G.; Iman-Eini, H.; Shekarabi, S.M. A voltage balancing strategy with extended operating region for cascaded H-bridge converters. IEEE Trans Power Electron. 2014, 29, 5044–5053. [Google Scholar] [CrossRef]
- Coppola, M.; Di Napoli, F.; Guerriero, P.; Iannuzzi, D.; Daliento, S.; Del Pizzo, A. An FPGA-based advanced control strategy of a grid-tied PV CHB inverter. IEEE Trans. Power Electron. 2016, 31, 806–816. [Google Scholar] [CrossRef]
- Zhao, T.; Zhang, X.; Mao, W.; Wang, F.; Xu, J.; Gu, Y. A modified hybrid modulation strategy for suppressing DC voltage fluctuation of cascaded H-bridge photovoltaic inverter. IEEE Trans. Ind. Electron. 2018, 65, 3932–3941. [Google Scholar] [CrossRef]
- Miranbeigi, M.; Iman-Eini, H. Hybrid modulation technique for grid-connected cascaded photovoltaic systems. IEEE Trans. Ind. Electron. 2016, 63, 7843–7853. [Google Scholar] [CrossRef]
- Zmood, D.N.; Holmes, D.G. Stationary frame current regulation of PWM inverters with zero steady-state error. IEEE Trans. Power Electron. 2003, 18, 814–822. [Google Scholar] [CrossRef]
- Kim, S.Y.; Park, S.Y. Compensation of dead-time effects based on adaptive harmonic filtering in the vector-controlled AC motor drives. IEEE Trans. Ind. Electron. 2007, 54, 1768–1777. [Google Scholar] [CrossRef]
- Zhu, D.; Zou, X.; Deng, L.; Huang, Q.; Zhou, S.; Kang, Y. Inductance-emulating control for DFIG-based wind turbine to ride-through grid faults. IEEE Trans. Power Electron. 2017, 32, 8514–8525. [Google Scholar] [CrossRef]






















| Mode (Si) | Unit Output Voltage |
|---|---|
| +1 | +VPVi |
| −1 | −VPVi |
| 0 | 0 |
| PWM | PWM Reference |
| Symbol | Parameter | Value |
|---|---|---|
| Pm | Max power | 255 W |
| Voc | Open circuit voltage | 37.61 V |
| Vmp | Max power voltage | 30.59 V |
| Isc | Short circuit current | 8.90 A |
| Imp | Max power current | 8.34 A |
| Symbol | Parameter | Value |
|---|---|---|
| Ci | DC-side capacitor | 14.1 mF |
| Ls | Filter inductance | 1.8 mH |
| Vm | Peak value of grid voltage | 130 V |
| fgrid | Frequency of grid voltage | 50 Hz |
| fc | PWM frequency | 2500 Hz |
| fsort | Frequency of mode change | 500 Hz |
© 2019 by the authors. Licensee MDPI, Basel, Switzerland. This article is an open access article distributed under the terms and conditions of the Creative Commons Attribution (CC BY) license (http://creativecommons.org/licenses/by/4.0/).
Share and Cite
Mao, W.; Zhang, X.; Hu, Y.; Zhao, T.; Wang, F.; Li, F.; Cao, R. A Research on Cascaded H-Bridge Module Level Photovoltaic Inverter Based on a Switching Modulation Strategy. Energies 2019, 12, 1851. https://doi.org/10.3390/en12101851
Mao W, Zhang X, Hu Y, Zhao T, Wang F, Li F, Cao R. A Research on Cascaded H-Bridge Module Level Photovoltaic Inverter Based on a Switching Modulation Strategy. Energies. 2019; 12(10):1851. https://doi.org/10.3390/en12101851
Chicago/Turabian StyleMao, Wang, Xing Zhang, Yuhua Hu, Tao Zhao, Fusheng Wang, Fei Li, and Renxian Cao. 2019. "A Research on Cascaded H-Bridge Module Level Photovoltaic Inverter Based on a Switching Modulation Strategy" Energies 12, no. 10: 1851. https://doi.org/10.3390/en12101851
APA StyleMao, W., Zhang, X., Hu, Y., Zhao, T., Wang, F., Li, F., & Cao, R. (2019). A Research on Cascaded H-Bridge Module Level Photovoltaic Inverter Based on a Switching Modulation Strategy. Energies, 12(10), 1851. https://doi.org/10.3390/en12101851

