Design and Analysis of a Repetitive Current Controller for a Single-Phase Bridgeless SEPIC PFC Converter
Abstract
1. Introduction
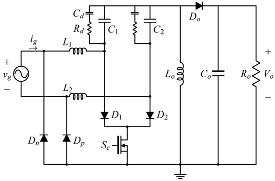
2. Bridgeless SEPIC PFC Converter with RC Damping Circuits
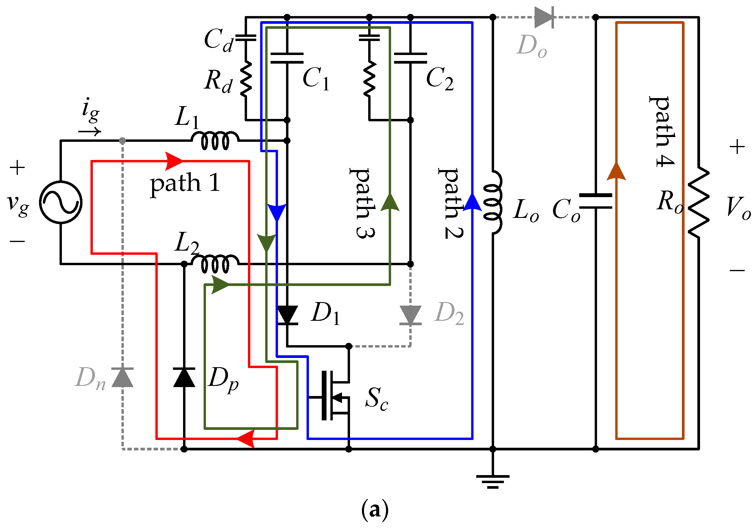
2.1. Circuit Structure and Mode Analysis
2.2. Control Model Derivation of the Bridgeless SEPIC PFC Converter
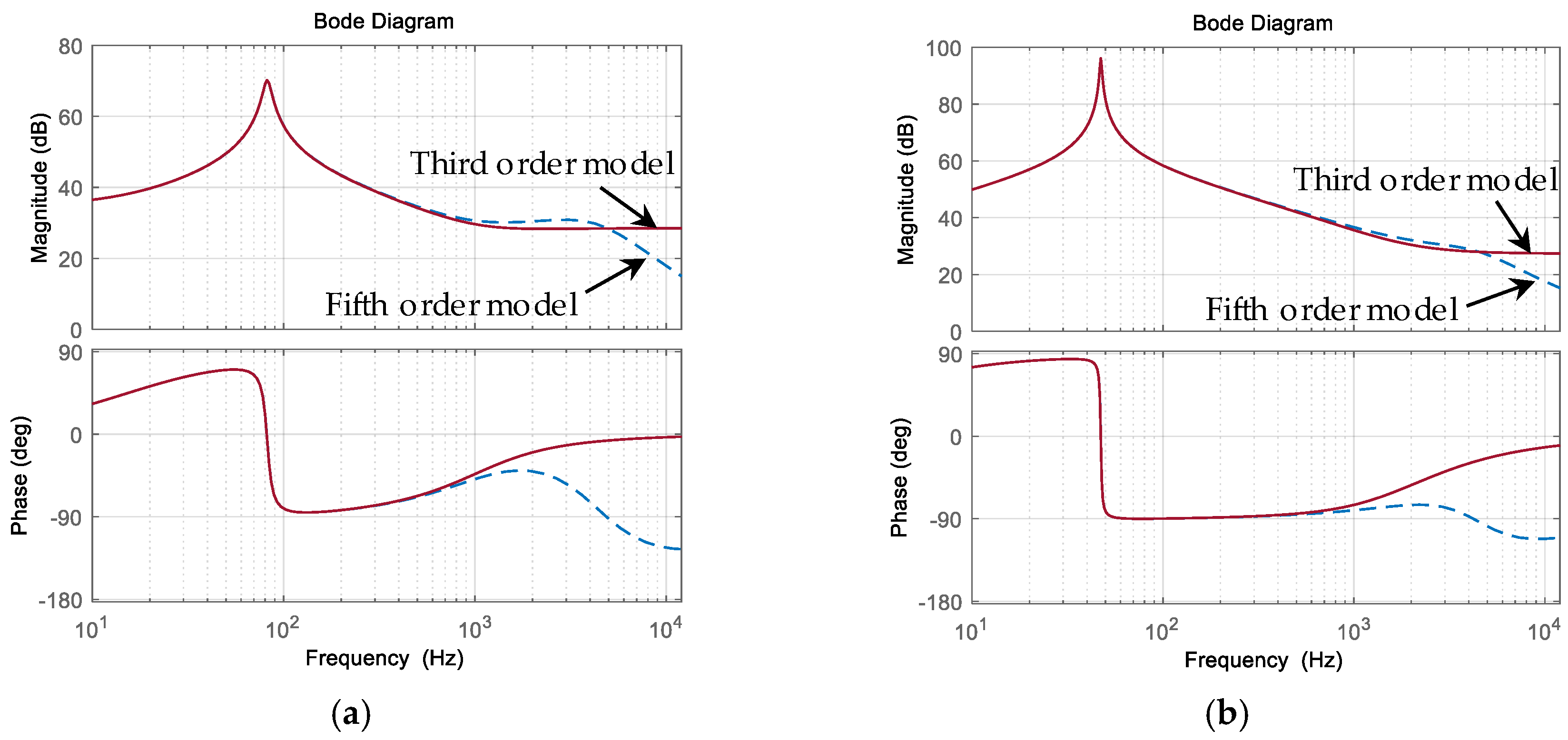
2.3. Control Model Approximation of the Bridgeless SEPIC PFC Converter
3. Proposed Current Controller
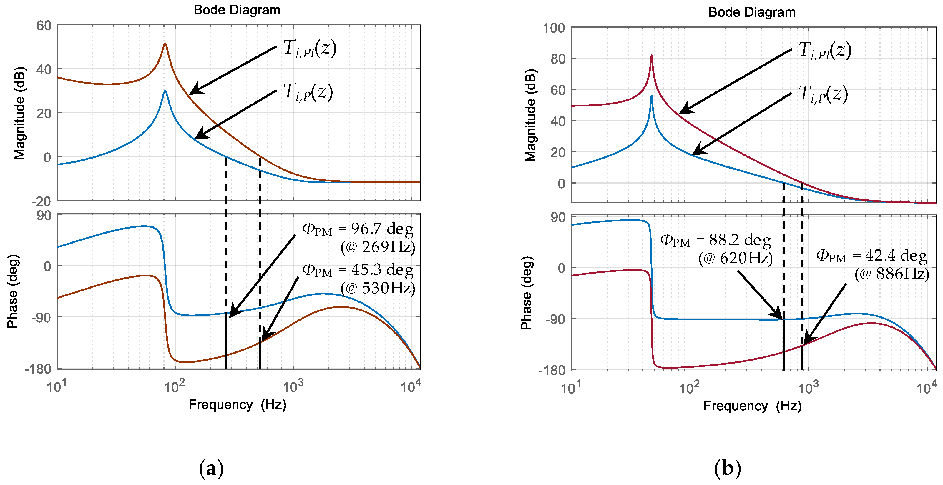
3.1. Traditional Current Controller Design
3.2. Repetitive Controller Design
4. Simulation Results
5. Experimental Results
6. Conclusions
Author Contributions
Funding
Conflicts of Interest
References
- Choi, W.; Lee, W.; Han, D.; Sarlioglu, B. New Configuration of Multifunctional Grid-Connected Inverter to Improve Both Current-Based and Voltage-Based Power Quality. IEEE Trans. Ind. Appl. 2018, 54, 6374–6382. [Google Scholar] [CrossRef]
- Yao, Z.; Xiao, L. Control of Single-Phase Grid-Connected Inverters with Nonlinear Loads. IEEE Trans. Ind. Electron. 2013, 60, 1384–1389. [Google Scholar] [CrossRef]
- Ismail, E.H. Bridgeless SEPIC Rectifier with Unity Power Factor and Reduced Conduction Losses. IEEE Trans. Ind. Electron. 2009, 56, 1147–1157. [Google Scholar] [CrossRef]
- Musavi, F.; Edington, M.; Eberle, W.; Dunford, W.G. Control Loop Design for a PFC Boost Converter with Ripple Steering. IEEE Trans. Ind. Appl. 2013, 49, 118–126. [Google Scholar] [CrossRef]
- Lee, J.; Chae, H. 6.6-kW Onboard Charger Design Using DCM PFC Converter with Harmonic Modulation Technique and Two-Stage DC/DC Converter. IEEE Trans. Ind. Electron. 2014, 61, 1243–1252. [Google Scholar] [CrossRef]
- Xie, X.; Zhao, C.; Zheng, L.; Liu, S. An Improved Buck PFC Converter with High Power Factor. IEEE Trans. Power Electron. 2013, 28, 2277–2284. [Google Scholar] [CrossRef]
- Tian, G.; Qi, W.; Yan, Y.; Jiang, Y.Z. High power factor LED power supply based on SEPIC converter. Electron. Lett. 2014, 50, 1866–1868. [Google Scholar] [CrossRef]
- Wang, Y.; Huang, J.; Shi, G.; Wang, W.; Xu, D. A Single-Stage Single-Switch LED Driver Based on the Integrated SEPIC Circuit and Class-E Converter. IEEE Trans. Power Electron. 2016, 31, 5814–5824. [Google Scholar] [CrossRef]
- Ma, H.; Lai, J.; Feng, Q.; Yu, W.; Zheng, C.; Zhao, Z. A Novel Valley-Fill SEPIC-Derived Power Supply without Electrolytic Capacitor for LED Lighting Application. IEEE Trans. Power Electron. 2012, 27, 3057–3071. [Google Scholar] [CrossRef]
- Jang, Y.; Jovanović, M.M. Bridgeless High-Power-Factor Buck Converter. IEEE Trans. Power Electron. 2011, 26, 602–611. [Google Scholar] [CrossRef]
- Foroozeshfar, R.; Adib, E.; Farzanehfard, H. New single-stage, single-switch, soft-switching three-phase SEPIC and Cuk-type power factor correction converters. IET Power Electron. 2014, 7, 1878–1885. [Google Scholar] [CrossRef]
- Darwish, A.; Holliday, D.; Ahmed, S.; Massoud, A.M.; Williams, B.W. A Single-Stage Three-Phase Inverter Based on Cuk Converters for PV Applications. IEEE J. Emerg. Sel. Top. Power Electron. 2014, 2, 797–807. [Google Scholar] [CrossRef]
- Yang, J.; Do, H. Bridgeless SEPIC Converter with a Ripple-Free Input Current. IEEE Trans. Power Electron. 2013, 28, 3388–3394. [Google Scholar] [CrossRef]
- Diab, M.S.; Elserougi, A.; Massoud, A.M.; Abdel-Khalik, A.S.; Ahmed, S. A Four-Switch Three-Phase SEPIC-Based Inverter. IEEE Trans. Power Electron. 2015, 30, 4891–4905. [Google Scholar] [CrossRef]
- Costa, P.J.S.; Font, C.H.I.; Lazzarin, T.B. Single-Phase Hybrid Switched-Capacitor Voltage-Doubler SEPIC PFC Rectifiers. IEEE Trans. Power Electron. 2018, 33, 5118–5130. [Google Scholar] [CrossRef]
- Costa, P.J.S.; Font, C.H.I.; Lazzarin, T.B. A Family of Single-Phase Voltage-Doubler High-Power-Factor SEPIC Rectifiers Operating in DCM. IEEE Trans. Power Electron. 2017, 32, 4279–4290. [Google Scholar] [CrossRef]
- Lee, S.; Do, H. Zero-Ripple Input-Current High-Step-Up Boost–SEPIC DC–DC Converter with Reduced Switch-Voltage Stress. IEEE Trans. Power Electron. 2017, 32, 6170–6177. [Google Scholar] [CrossRef]
- Moradpour, R.; Ardi, H.; Tavakoli, A. Design and Implementation of a New SEPIC-Based High Step-Up DC/DC Converter for Renewable Energy Applications. IEEE Trans. Ind. Electron. 2018, 65, 1290–1297. [Google Scholar] [CrossRef]
- Chiang, S.J.; Shieh, H.; Chen, M. Modeling and Control of PV Charger System with SEPIC Converter. IEEE Trans. Ind. Electron. 2009, 56, 4344–4353. [Google Scholar] [CrossRef]
- Kamnarn, U.; Chunkag, V. Analysis and Design of a Modular Three-Phase AC-to-DC Converter Using CUK Rectifier Module with Nearly Unity Power Factor and Fast Dynamic Response. IEEE Trans. Power Electron. 2009, 24, 2000–2012. [Google Scholar] [CrossRef]
- Kwon, J.; Choi, W.; Lee, J.; Kim, E.; Kwon, B. Continuous-conduction-mode SEPIC converter with low reverse-recovery loss for power factor correction. IEE Proc.—Electr. Power Appl. 2006, 153, 673–681. [Google Scholar] [CrossRef]
- Chiu, H.; Lo, Y.; Chen, J.; Cheng, S.; Lin, C.; Mou, S. A High-Efficiency Dimmable LED Driver for Low-Power Lighting Applications. IEEE Trans. Ind. Electron. 2010, 57, 735–743. [Google Scholar] [CrossRef]
- Liu, Y.; Sun, Y.; Su, M. A Control Method for Bridgeless Cuk/Sepic PFC Rectifier to Achieve Power Decoupling. IEEE Trans. Ind. Electron. 2017, 64, 7272–7276. [Google Scholar] [CrossRef]
- Fardoun, A.A.; Ismail, E.H.; Sabzali, A.J.; Al-Saffar, M.A. New Efficient Bridgeless Cuk Rectifiers for PFC Applications. IEEE Trans. Power Electron. 2012, 27, 3292–3301. [Google Scholar] [CrossRef]
- Mahdavi, M.; Farzanehfard, H. Bridgeless SEPIC PFC Rectifier with Reduced Components and Conduction Losses. IEEE Trans. Ind. Electron. 2011, 58, 4153–4160. [Google Scholar] [CrossRef]
- Sabzali, A.J.; Ismail, E.H.; Al-Saffar, M.A.; Fardoun, A.A. New Bridgeless DCM Sepic and Cuk PFC Rectifiers with Low Conduction and Switching Losses. IEEE Trans. Ind. Appl. 2011, 47, 873–881. [Google Scholar] [CrossRef]
- Liao, Y.; Jhu, J. Analysis and implementation of a bridgeless sepic AC/DC converter with power factor correction and extended gain. In Proceedings of the 2017 IEEE Applied Power Electronics Conference and Exposition (APEC), Tampa, FL, USA, 26–30 March 2017; pp. 416–423. [Google Scholar]
- Onal, Y.; Sozer, Y. Bridgeless SEPIC PFC converter for low total harmonic distortion and high power factor. In Proceedings of the 2016 IEEE Applied Power Electronics Conference and Exposition (APEC), Long Beach, CA, USA, 20–24 March 2016; pp. 2693–2699. [Google Scholar]
- Koh, H.; Cho, Y.; Lai, J.; Chen, R.; Zheng, C. Z-domain modeling and control design of single-switch bridgeless SEPIC PFC converter with damping circuit. In Proceedings of the 2013 Twenty-Eighth Annual IEEE Applied Power Electronics Conference and Exposition (APEC), Long Beach, CA, USA, 17–21 March 2013; pp. 2744–2748. [Google Scholar]
- Clark, C.W.; Musavi, F.; Eberle, W. Digital DCM Detection and Mixed Conduction Mode Control for Boost PFC Converters. IEEE Trans. Power Electron. 2014, 29, 347–355. [Google Scholar] [CrossRef]
- Youn, H.; Park, J.; Park, K.; Baek, J.; Moon, G. A Digital Predictive Peak Current Control for Power Factor Correction with Low-Input Current Distortion. IEEE Trans. Power Electron. 2016, 31, 900–912. [Google Scholar] [CrossRef]
- Yang, S.; Wang, P.; Tang, Y.; Zagrodnik, M.; Hu, X.; Tseng, K.J. Circulating Current Suppression in Modular Multilevel Converters with Even-Harmonic Repetitive Control. IEEE Trans. Ind. Appl. 2018, 54, 298–309. [Google Scholar] [CrossRef]
- Cho, Y.; Lai, J. Digital Plug-In Repetitive Controller for Single-Phase Bridgeless PFC Converters. IEEE Trans. Power Electron. 2013, 28, 165–175. [Google Scholar] [CrossRef]
- Cho, Y. Dual-buck residential photovoltaic inverter with a high-accuracy repetitive current controller. Renew. Energy 2017, 101, 168–181. [Google Scholar] [CrossRef]
- Yang, S.; Wang, P.; Tang, Y.; Zhang, L. Explicit Phase Lead Filter Design in Repetitive Control for Voltage Harmonic Mitigation of VSI-Based Islanded Microgrids. IEEE Trans. Ind. Electron. 2017, 64, 817–826. [Google Scholar] [CrossRef]
- Kumar, M.; Gupta, R. Time-Domain Analysis of Sampling Effect in DPWM of DC–DC Converters. IEEE Trans. Ind. Electron. 2015, 62, 6915–6924. [Google Scholar] [CrossRef]
- Shayestehfard, A.; Mekhilef, S.; Mokhlis, H. IZDPWM-Based Feedforward Controller for Grid-Connected Inverters Under Unbalanced and Distorted Conditions. IEEE Trans. Ind. Electron. 2017, 64, 14–21. [Google Scholar] [CrossRef]


















| Parameters | Values |
|---|---|
| Switching frequency (fsw) | 72 kHz |
| Sampling frequency (fs) | 24 kHz |
| Input root mean square (RMS) voltage (vg) | 120 V/60 Hz |
| Output voltage (Vo) (buck/boost) | 80 V/220 V |
| Input filter inductance (L1, L2) | 1 mH |
| Output inductance (Lo) | 1 mH |
| Damping resistance (Rd) | 60 Ω |
| Energy transfer capacitance (C1, C2) | 0.47 µF |
| Damping capacitance (Cd) | 2.2 µF |
| Output capacitance (Co) | 2.6 mF |
© 2018 by the authors. Licensee MDPI, Basel, Switzerland. This article is an open access article distributed under the terms and conditions of the Creative Commons Attribution (CC BY) license (http://creativecommons.org/licenses/by/4.0/).
Share and Cite
Kim, J.; Han, S.; Cho, W.; Cho, Y.; Koh, H. Design and Analysis of a Repetitive Current Controller for a Single-Phase Bridgeless SEPIC PFC Converter. Energies 2019, 12, 131. https://doi.org/10.3390/en12010131
Kim J, Han S, Cho W, Cho Y, Koh H. Design and Analysis of a Repetitive Current Controller for a Single-Phase Bridgeless SEPIC PFC Converter. Energies. 2019; 12(1):131. https://doi.org/10.3390/en12010131
Chicago/Turabian StyleKim, Jinwoo, Sanghun Han, Wontae Cho, Younghoon Cho, and Hyunsoo Koh. 2019. "Design and Analysis of a Repetitive Current Controller for a Single-Phase Bridgeless SEPIC PFC Converter" Energies 12, no. 1: 131. https://doi.org/10.3390/en12010131
APA StyleKim, J., Han, S., Cho, W., Cho, Y., & Koh, H. (2019). Design and Analysis of a Repetitive Current Controller for a Single-Phase Bridgeless SEPIC PFC Converter. Energies, 12(1), 131. https://doi.org/10.3390/en12010131

