Mitigation Conducted Emission Strategy Based on Transfer Function from a DC-Fed Wireless Charging System for Electric Vehicles
Abstract
1. Introduction
2. System Conducted-EMI Emission Measurement
2.1. Conducted-EMI Emission Setup
2.2. Conducted EMI Experiment Results
3. System Modeling and Analysis
3.1. The Construction of WCS
3.2. Simulation of the Electrical Characteristics of WCS
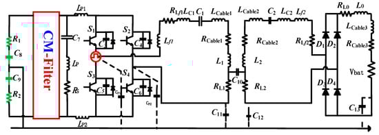
3.3. Parasitic Parameters
3.4. Noise Source
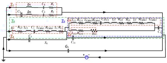
3.5. Modeling and Simulation of the WCS for the Conducted-EMI
4. Analysis and Estimation for the Conducted-EMI
4.1. Analysis for DM Propagation Paths
- Current loop I1: .
- Current loop I2: .
4.2. Analysis for CM Propagation Paths
- Current loop I1: ;
- Current loop I2: ;
- Current loop I3: ;
- Current loop I4: .
4.3. Simulation Results for CM and DM Conducted Voltage
5. Filters Design and Experiments
5.1. Calculating Parameters in EMI Filters
5.2. Topology Selection of CM Filter
6. Experimental Verification
6.1. Electrical Experiment of WCS in EVs
6.2. Conducted Emission Experiments
7. Conclusions
Acknowledgments
Author Contributions
Conflicts of Interest
References
- Lee, W.; Hong, Y.K.; Park, J.H.; Lee, J. A simple wireless power charging antenna system: Evaluation of ferrite sheet. IEEE Trans. Magn. 2017, 53. [Google Scholar] [CrossRef]
- Ho, S.L.; Wang, J.; Fu, W.N. A comparative study between novel witricity and traditional inductive magnetic coupling in WPT. IEEE Trans. Magn. 2011, 47, 1522–1525. [Google Scholar] [CrossRef]
- Soo, I.S. WPT Technology and the Future of Electric Transportation; SAE International: Warrendale, PA, USA, 2015. [Google Scholar]
- Lee, S.B.; Ahn, S.; Jang, I.G. Development of the optimization framework for low-power wireless power transfer systems. IEEE Trans. Microw. Theory Tech. 2015, 63, 813–820. [Google Scholar] [CrossRef]
- Xiao, C.; Wei, K.; Cheng, D.; Liu, Y. Wireless charging system considering eddy current in cardiac pacemaker shell: Theoretical modeling, experiments, and safety simulations. IEEE Trans. Ind. Electron. 2017, 64, 3978–3988. [Google Scholar] [CrossRef]
- Wang, W.; Hemour, S.; Wu, K. Coupled Resonance Energy Transfer Over Gigahertz Frequency Range Using Ceramic Filled Cavity for Medical Implanted Sensors. IEEE Trans. Microw. Theory Tech. 2014, 62, 956–964. [Google Scholar] [CrossRef]
- Lu, Y.; Ma, D. Wireless Power Transfer System Architectures for Portable or Implantable Applications. Energies 2016, 9, 1087. [Google Scholar] [CrossRef]
- Chen, W.; Liu, C.; Lee, C.; Shan, Z. Cost-Effectiveness Comparison of Coupler Designs of Wireless Power Transfer for Electric Vehicle Dynamic Charging. Energies 2016, 9, 906. [Google Scholar] [CrossRef]
- Esteban, B.; Sid-Ahmed, M.; Kar, N. A Comparative Study of Power Supply Architectures in Wireless EV Charging Systems. IEEE Trans. Power Electron. 2015, 30, 6408–6422. [Google Scholar] [CrossRef]
- Rozman, M.; Fernando, M. Combination of Compensations and Multi-Parameter Coil for Efficiency Optimization of Inductive Power Transfer System. Energies 2017, 10, 2088. [Google Scholar]
- Geng, Y.; Li, B.; Yang, Z. A High Efficiency Charging Strategy for a Supercapacitor Using a Wireless Power Transfer System Based on LCC Compensation Topology. Energies 2017, 10, 135. [Google Scholar] [CrossRef]
- Xiao, C.Y.; Liu, Y.F. New Insight of Maximum Transferred Power by Matching Capacitance of a Wireless Power Transfer System. Energies 2017, 10, 688. [Google Scholar] [CrossRef]
- Dai, X.; Li, Y.; Li, X.; Deng, P.; Tang, C. A Maximum Power Transfer Tracking Method for Wireless charging systems with Coupling Coefficient Identification Considering Two-Value Problem. Energies 2017, 10, 1665. [Google Scholar] [CrossRef]
- Zeng, H.; Liu, Z.; Hou, Y.; Tong, H.; Zhou, B. Optimization of magnetic core structure for WPT coupler. IEEE Trans. Magn. 2017, 53, 1. [Google Scholar] [CrossRef]
- Mahmoud, H.; Elmahmoud, W. Efficient wireless power charging of electric vehicle by modifying the magnetic characteristics of the transmitting medium. IEEE Trans. Magn. 2017, 53, 1. [Google Scholar] [CrossRef]
- Moon, H.; Kim, S.; Park, H.H. Design of a resonant reactive shield with double coils and a phase shifter for WPT of electric vehicles. IEEE Trans. Magn. 2015, 51, 1–4. [Google Scholar] [CrossRef]
- Hui, S.Y.R.; Zhong, W.; Lee, C.K. A Critical Review of Recent Progress in Mid-Range Wireless Power Transfer. IEEE Trans. Power Electron. 2014, 29, 4500–4511. [Google Scholar] [CrossRef]
- Piazza, M.C.D.; Giglia, G. EMI filter design in motor drives with Common Mode voltage active compensation. In Proceedings of the 2014 IEEE 23rd International Symposium on Industrial Electronics (ISIE), Istanbul, Turkey, 1–4 June 2014; pp. 800–805. [Google Scholar]
- Zhai, L.; Lin, L.; Zhang, X. The Effect of Distributed Parameters on Conducted EMI from DC-Fed Motor Drive Systems in Electric Vehicles. Energies 2016, 10, 1. [Google Scholar] [CrossRef]
- Ala, G.; Giaconia, G.; Giglia, G. Design and performance evaluation of a high power density EMI filter for PWM inverter-fed induction motor drives. IEEE Trans. Ind. Appl. 2016, 52, 1573–1579. [Google Scholar] [CrossRef]
- Zhai, Li.; Zhang, X.; Bondarenko, N. Mitigation Emission Strategy Based on Resonances from a Power Inverter System in Electric Vehicles. Energies 2016, 9, 419. [Google Scholar] [CrossRef]
- Sun, J.; Chen, W.; Yang, X. EMI prediction and filter design for MHz GaN based LLC half-bridge converter. In Proceedings of the 2016 IEEE 8th International Power Electronics and Motion Control Conference, Hefei, China, 22–26 May 2016; pp. 297–304. [Google Scholar]
- Bondarenko, N.; Zhai, L.; Xu, B. A Measurement-Based Model of the Electromagnetic Emissions from a Power Inverter. IEEE Trans. Power Electron. 2015, 30, 5522–5531. [Google Scholar] [CrossRef]






















| Frequency/MHz | Limit/dB (μV) |
|---|---|
| 0.15–0.30 | 70 |
| 0.53–1.8 | 50 |
| 5.9–6.2 | 45 |
| 26–28 | 36 |
| 30–88 | 36 |
| 88–108 | 30 |
| Symbol | Meaning | Value |
|---|---|---|
| VDC | DC power supply | 425 V |
| L1, L2 | Inductance of primary coil and secondary coil | 226.4 µH |
| LM | Mutual inductance of primary coil and secondary coil | 79.8 µH |
| Cƒ1, Cƒ2 | Primary and secondary compensated capacitor | 55.9 nF |
| Lƒ1, Lƒ2 | Primary and secondary compensated inductance | 62.7 µH |
| C1, C2 | Primary and secondary compensated capacitor | 21.4 nF/24.1 nF |
| C0 | Rectifier inductance | 34.3 µF |
| Lƒ3 | Rectifier capacitor | 131 µH |
| Vbat | Equivalent resistance | 40 Ω |
| Symbol | Value | Symbol | Value |
|---|---|---|---|
| LP1, LP2 | 10 nH | RLf1, RLf2 | 0.03 Ω |
| LC0 | 50 nF | RLf3 | 1 μΩ |
| LP | 0.2 μH | RL1/RL2 | 115 μΩ |
| LCf1, LCf2 | 10 nH | Cp1/Cp2 | 380 pF |
| LC1, LC2 | 8 nH | C3–C6 | 142 pF |
| Lcable1, Lcable2, Lcable3 | 1.76 µH | C10 | 21.4 nF |
| Rcable1, Rcable2, Rcable3 | 0.0524 Ω | C11/C12 | 80 pF |
| RS | 0.1 Ω | C13 | 130 pF |
| Circuit with Filter | Value of Conducted Voltage (dBμV) | Characteristic | ||||
|---|---|---|---|---|---|---|
| 170 kHz | 255 kHz | 340 kHz | 425 kHz | 1 MHz | ||
| LC filter | 61.12 | 43.91 | 43.91 | 47.14 | 55.18 | With new resonance, fewer components |
| CLC filter | 56.48 | 36.86 | 37.83 | 36.32 | 24.70 | Good mitigation, more components and volume |
| CL filter | 38.57 | 18.26 | 18.03 | 14.43 | 6.36 | Better mitigation, fewer components |
© 2018 by the authors. Licensee MDPI, Basel, Switzerland. This article is an open access article distributed under the terms and conditions of the Creative Commons Attribution (CC BY) license (http://creativecommons.org/licenses/by/4.0/).
Share and Cite
Zhai, L.; Cao, Y.; Lin, L.; Zhang, T.; Kavuma, S. Mitigation Conducted Emission Strategy Based on Transfer Function from a DC-Fed Wireless Charging System for Electric Vehicles. Energies 2018, 11, 477. https://doi.org/10.3390/en11030477
Zhai L, Cao Y, Lin L, Zhang T, Kavuma S. Mitigation Conducted Emission Strategy Based on Transfer Function from a DC-Fed Wireless Charging System for Electric Vehicles. Energies. 2018; 11(3):477. https://doi.org/10.3390/en11030477
Chicago/Turabian StyleZhai, Li, Yu Cao, Liwen Lin, Tao Zhang, and Steven Kavuma. 2018. "Mitigation Conducted Emission Strategy Based on Transfer Function from a DC-Fed Wireless Charging System for Electric Vehicles" Energies 11, no. 3: 477. https://doi.org/10.3390/en11030477
APA StyleZhai, L., Cao, Y., Lin, L., Zhang, T., & Kavuma, S. (2018). Mitigation Conducted Emission Strategy Based on Transfer Function from a DC-Fed Wireless Charging System for Electric Vehicles. Energies, 11(3), 477. https://doi.org/10.3390/en11030477

