UWB Frequency-Selective Surface Absorber Based on Graphene Featuring Wide-Angle Stability
Abstract
1. Introduction
2. Materials and Methods
3. Results and Discussion
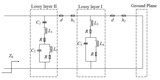
3.1. Results of the Equivalent Circuit Model
3.2. Oblique Incidence Absorption Performance
3.3. Analysis of Polarization Insensitivity
3.4. Analysis of the Electric Field Distributions at Normal and Oblique Incidence
3.5. Effect of the Different Square Resistance of Graphene
4. Conclusions
Author Contributions
Funding
Institutional Review Board Statement
Informed Consent Statement
Data Availability Statement
Conflicts of Interest
References
- Gundogdu, T.F.; Guven, K.; Gokkavas, M.; Soukoulis, C.M.; Ozbay, E. A planar metamaterial with dual-band double-negative response at EHF. IEEE J. Sel. Top. Quantum Electron. 2009, 16, 376–379. [Google Scholar] [CrossRef]
- Zhang, S.; Whittow, W.; Vardaxoglou, J.C. Additively manufactured artificial materials with metallic meta-atoms. IET Microw. Antennas Propag. 2017, 11, 1955–1961. [Google Scholar] [CrossRef]
- Parameswaran, A.; Kundu, D.; Sonalikar, H.S. A Dual-Polarized Wideband Frequency-Selective Rasorber With Low in-Band Insertion Loss and High Oblique Incidence Stability. IEEE Trans. Electromagn. Compat. 2021, 63, 1820–1828. [Google Scholar] [CrossRef]
- Xing, Q.; Wu, W.; Yan, Y.; Zhang, X.; Yuan, N. A Wideband Frequency-Selective Rasorber With Rectangular Spiral Resonators. IEEE Antennas Wirel. Propag. Lett. 2022, 21, 1688–1692. [Google Scholar] [CrossRef]
- Knott, E.F.; Schaeffer, J.F.; Tulley, M.T. Radar Cross Section; SciTech Publishing: Hampshire, UK, 2004. [Google Scholar]
- Genovesi, S.; Costa, F.; Monorchio, A. Wideband radar cross section reduction of slot antennas arrays. IEEE Trans. Antennas Propag. 2013, 62, 163–173. [Google Scholar] [CrossRef]
- Volakis, J.; Alexanian, A.; Jin, J. Broadband RCS reduction of rectangular patch by using distributed loading. Electron. Lett. 1992, 28, 2322–2323. [Google Scholar] [CrossRef]
- Liu, Y.; Li, K.; Jia, Y.; Hao, Y.; Gong, S.; Guo, Y.J. Wideband RCS reduction of a slot array antenna using polarization conversion metasurfaces. IEEE Trans. Antennas Propag. 2015, 64, 326–331. [Google Scholar] [CrossRef]
- Li, M.; Xiao, S.; Bai, Y.-Y.; Wang, B.-Z. An ultrathin and broadband radar absorber using resistive FSS. IEEE Antennas Wirel. Propag. Lett. 2012, 11, 748–751. [Google Scholar]
- Hong, T.; Wang, M.; Peng, K.; Zhao, Q.; Gong, S. Compact ultra-wide band frequency selective surface with high selectivity. IEEE Trans. Antennas Propag. 2020, 68, 5724–5729. [Google Scholar] [CrossRef]
- Yang, J.; Shen, Z. A thin and broadband absorber using double-square loops. IEEE Antennas Wirel. Propag. Lett. 2007, 6, 388–391. [Google Scholar] [CrossRef]
- Li, S.-J.; Cao, X.-Y.; Gao, J.; Liu, T.; Zheng, Y.-J.; Zhang, Z. Analysis and design of three-layer perfect metamaterial-inspired absorber based on double split-serration-rings structure. IEEE Trans. Antennas Propag. 2015, 63, 5155–5160. [Google Scholar] [CrossRef]
- Kundu, D.; Mohan, A.; Chakrabarty, A. Single-layer wideband microwave absorber using array of crossed dipoles. IEEE Antennas Wirel. Propag. Lett. 2016, 15, 1589–1592. [Google Scholar] [CrossRef]
- Wang, C.-Y.; Liang, J.-G.; Cai, T.; Li, H.-P.; Ji, W.-Y.; Zhang, Q.; Zhang, C.-W. High-performance and ultra-broadband metamaterial absorber based on mixed absorption mechanisms. IEEE Access 2019, 7, 57259–57266. [Google Scholar] [CrossRef]
- Wu, W.; Liu, X.; Cui, K.; Ma, Y.; Yuan, Y. An ultrathin and polarization-insensitive frequency selective surface at Ka-band. IEEE Antennas Wirel. Propag. Lett. 2017, 17, 74–77. [Google Scholar] [CrossRef]
- Geim, A.K. Graphene: Status and prospects. Science 2009, 324, 1530–1534. [Google Scholar] [CrossRef]
- Wu, B.; Yang, Y.-J.; Li, H.-L.; Zhao, Y.-T.; Fan, C.; Lu, W.-B. Low-loss dual-polarized frequency-selective rasorber with graphene-based planar resistor. IEEE Trans. Antennas Propag. 2020, 68, 7439–7446. [Google Scholar] [CrossRef]
- Zhao, Y.-T.; Chen, B.; Wu, B. Miniaturized periodicity broadband absorber with via-based hybrid metal-graphene structure for large-angle RCS reduction. IEEE Trans. Antennas Propag. 2021, 70, 2832–2840. [Google Scholar] [CrossRef]
- Li, D.; Li, T.-W.; Li, E.-P.; Zhang, Y.-J. A 2.5-D angularly stable frequency selective surface using via-based structure for 5G EMI shielding. IEEE Trans. Electromagn. Compat. 2017, 60, 768–775. [Google Scholar] [CrossRef]
- Parameswaran, A.; Ovhal, A.A.; Kundu, D.; Sonalikar, H.S.; Singh, J.; Singh, D. A Low-Profile Ultra-Wideband Absorber Using Lumped Resistor-Loaded Cross Dipoles With Resonant Nodes. IEEE Trans. Electromagn. Compat. 2022, 64, 1758–1766. [Google Scholar] [CrossRef]
- Hossain, M.; Nguyen-Trong, N.; Abbosh, A.M. Broadband Magnetic Absorber Based on Double-Layer Frequency-Selective Surface. IEEE Trans. Antennas Propag. 2021, 70, 410–419. [Google Scholar] [CrossRef]
- Sharma, A.; Ghosh, S.; Srivastava, K.V. A polarization-insensitive band-notched absorber for radar cross section reduction. IEEE Antennas Wirel. Propag. Lett. 2020, 20, 259–263. [Google Scholar] [CrossRef]
- Jha, K.R.; Jibran, Z.P.; Sharma, S.K. Absorption Peak Controlled Low-Frequency Wideband Flexible FSS Absorber. IEEE Trans. Electromagn. Compat. 2022, 64, 975–986. [Google Scholar] [CrossRef]
- Erkmen, F.; Ramahi, O.M. A scalable, dual-band absorber surface for electromagnetic energy harvesting and wireless power transfer. IEEE Trans. Antennas Propag. 2021, 69, 6982–6987. [Google Scholar] [CrossRef]
- Zheng, L.; Yang, X.; Gong, W.; Qiao, M.; Li, X. Ultralow Thickness-Bandwidth Ratio Magnetic Absorber With Printed FSS for S&C Bands. IEEE Antennas Wirel. Propag. Lett. 2021, 21, 576–580. [Google Scholar]
- Ghosh, S.K.; Das, S.; Bhattacharyya, S. Graphene-Based Metasurface for Tunable Absorption and Transmission Characteristics in the Near Mid-Infrared Region. IEEE Trans. Antennas Propag. 2022, 70, 4600–4612. [Google Scholar] [CrossRef]
- Yi, D.; Wei, X.-C.; Xu, Y.-L. Tunable microwave absorber based on patterned graphene. IEEE Trans. Microw. Theory Technol. 2017, 65, 2819–2826. [Google Scholar] [CrossRef]
- Dutta, R.; Ghosh, J.; Sarkhel, A. Planar Frequency Selective Surface-Based Switchable Rasorber/Absorber for Airborne Application. IEEE Antennas Wirel. Propag. Lett. 2022, 21, 1842–1846. [Google Scholar] [CrossRef]
- Behdad, N.; Al-Joumayly, M.; Salehi, M. A low-profile third-order bandpass frequency selective surface. IEEE Trans. Antennas Propag. 2009, 57, 460–466. [Google Scholar] [CrossRef]
- Sheikh, S. Miniaturized-element frequency-selective surfaces based on the transparent element to a specific polarization. IEEE Antennas Wirel. Propag. Lett. 2016, 15, 1661–1664. [Google Scholar] [CrossRef]
- Sambhav, S.; Ghosh, J.; Singh, A.K. Ultra-Wideband Polarization Insensitive Thin Absorber Based on Resistive Concentric Circular Rings. IEEE Trans. Electromagn. Compat. 2021, 63, 1333–1340. [Google Scholar] [CrossRef]
- Xue, K.; Zhai, H.; Li, S.; Shang, Y. A miniaturized absorber frequency selective surface with good angular stability. IEEE Antennas Wirel. Propag. Lett. 2019, 19, 24–28. [Google Scholar] [CrossRef]
- Dey, S.; Dey, S. Conformal Multifunction FSS With Enhanced Capacitance Loading for High Angle Stable Stopband Filtering and Microwave Absorption. IEEE Trans. Electromagn. Compat. 2022, 64, 315–326. [Google Scholar] [CrossRef]
- Li, T.; Li, D.; Qin, P.; Fan, Y.; Gu, Y.; Zuo, P.; Wei, E.; Li, E. A novel miniaturized strong-coupled FSS structure with excellent angular stability. IEEE Trans. Electromagn. Compat. 2020, 63, 38–45. [Google Scholar] [CrossRef]
- Zhao, S.; Li, W.; Li, Z.; Shu, H.; Qi, K.; Yin, H. Ultra-Broadband Absorber with Large Angular Stability Based on Frequency Selective Surface. Materials 2022, 15, 6452. [Google Scholar] [CrossRef]
- Yang, Y.; Wu, B.; Chen, B.; Zhao, Y. Flexible frequency-selective rasorber based on metal-graphene hybrid metamaterial. Opt. Express 2022, 30, 6566–6576. [Google Scholar] [CrossRef]
- Hanson, G.W. Dyadic Green’s functions and guided surface waves for a surface conductivity model of graphene. J. Appl. Phys. 2008, 103, 064302. [Google Scholar] [CrossRef]
- Gosciniak, J.; Tan, D. Theoretical investigation of graphene-based photonic modulators. Sci. Rep. 2013, 3, 1897. [Google Scholar] [CrossRef] [PubMed]
- Meng, F.; Wang, H.; Huang, F.; Guo, Y.; Wang, Z.; Hui, D.; Zhou, Z. Graphene-based microwave absorbing composites: A review and prospective. Compos. Part B-Eng. 2018, 137, 260–277. [Google Scholar] [CrossRef]
- Al-Joumayly, M.; Behdad, N. A new technique for design of low-profile, second-order, bandpass frequency selective surfaces. IEEE Trans. Antennas Propag. 2009, 57, 452–459. [Google Scholar] [CrossRef]
- Ebrahimi, A.; Shen, Z.; Withayachumnankul, W.; Al-Sarawi, S.F.; Abbott, D. Varactor-tunable second-order bandpass frequency-selective surface with embedded bias network. IEEE Trans. Antennas Propag. 2016, 64, 1672–1680. [Google Scholar] [CrossRef]
- Luukkonen, O.; Simovski, C.; Granet, G.; Goussetis, G.; Lioubtchenko, D.; Raisanen, A.V.; Tretyakov, S.A. Simple and accurate analytical model of planar grids and high-impedance surfaces comprising metal strips or patches. IEEE Trans. Antennas Propag. 2008, 56, 1624–1632. [Google Scholar] [CrossRef]













| Parameter | a | h1 | h2 | m | n | d1 | d2 | b | 
| Value (mm) | 13 | 4 | 8 | 3.5 | 5 | 2 | 4 | 1.2 | 
| Parameter | C1 | C2 | C3 | |
| Value (pF) | 0.052 | 0.019 | 1.35 | |
| Parameter | L1 | L2 | L3 | L4 | 
| Value (nH) | 1.95 | 1.85 | 0.001 | 0.1 | 
| Ref. | Absorption Band (GHz) | FWB (%) | Angular Stability | Polarization Insensitivity | Loss Module | 
|---|---|---|---|---|---|
| [3] | 2.89–8.85 | 101.5 | TE30°/TM45° | Not reported | Lumped resistors | 
| [4] | 2.69–12.04 | 127 | TE45°/TM45° | Not reported | Lumped resistors | 
| [18] | 2.73–7.54 | 93.6 | TE45°/TM60° | √ | Graphene | 
| [20] | 3.5–13 | 115.67 | TE30°/TM30° | √ | Lumped resistors | 
| [31] | 6.7–20.58 | 101.7 | TE45°/TM30° | √ | Lumped resistors | 
| This work | 3.5–18.5 | 136.3 | TE50°/TM50° | √ | Graphene | 
| Disclaimer/Publisher’s Note: The statements, opinions and data contained in all publications are solely those of the individual author(s) and contributor(s) and not of MDPI and/or the editor(s). MDPI and/or the editor(s) disclaim responsibility for any injury to people or property resulting from any ideas, methods, instructions or products referred to in the content. | 
© 2023 by the authors. Licensee MDPI, Basel, Switzerland. This article is an open access article distributed under the terms and conditions of the Creative Commons Attribution (CC BY) license (https://creativecommons.org/licenses/by/4.0/).
Share and Cite
Wang, Z.; Huang, J.; Sun, D.; Zeng, Q.; Song, M.; Denidni, T.A. UWB Frequency-Selective Surface Absorber Based on Graphene Featuring Wide-Angle Stability. Sensors 2023, 23, 2677. https://doi.org/10.3390/s23052677
Wang Z, Huang J, Sun D, Zeng Q, Song M, Denidni TA. UWB Frequency-Selective Surface Absorber Based on Graphene Featuring Wide-Angle Stability. Sensors. 2023; 23(5):2677. https://doi.org/10.3390/s23052677
Chicago/Turabian StyleWang, Zhefei, Jiajun Huang, Dongjiao Sun, Qingsheng Zeng, Mingxin Song, and Tayeb A. Denidni. 2023. "UWB Frequency-Selective Surface Absorber Based on Graphene Featuring Wide-Angle Stability" Sensors 23, no. 5: 2677. https://doi.org/10.3390/s23052677
APA StyleWang, Z., Huang, J., Sun, D., Zeng, Q., Song, M., & Denidni, T. A. (2023). UWB Frequency-Selective Surface Absorber Based on Graphene Featuring Wide-Angle Stability. Sensors, 23(5), 2677. https://doi.org/10.3390/s23052677
 
        


 
       